¹ýÈÏÖ¤¡¢µÍ³É±¾ | 65W-PD-2C1Aµª»¯ïØÉè¼Æ·½°¸£¡
×ֺţºT|T
65W-PD-2C1A µª»¯ïØ·½°¸ÓÉÖ÷¿ØÐ¾Æ¬PN8783¡¢Í¬²½ÕûÁ÷оƬPN8307P¡¢DC-DC½µÑ¹Ð¾Æ¬ NDP1460PQBºÍPDÐÒéоƬXPD737+XPD767Ìׯ¬×éºÏ£¬ÊµÏÖÈý¿ÚÊä³ö£¬²¢Ö§³Ö¹¦ÂÊ×Ô¶¯·ÖÅ䣬ÕûÌ×·½°¸¾ßÓгɱ¾µÍ£¬ÐÔÄÜÎȶ¨£¬²úÆ·Ìå»ýС£¬¿ÉÂú×ã¿Í»§ÈÏÖ¤ÒªÇó¡£
Ò»¡¢2C1Aµª»¯ïØ·½°¸ÌØÐÔ
1£ºUSB-C1¿Úµ¥¶ÀʹÓà 65W
Êä³ö¹æ¸ñ£º 5V3A 9V3A 12V3A 15V3A 20V3.25A:
2£ºUSB-C2¿Úµ¥¶ÀʹÓà 65W
Êä³ö¹æ¸ñ£º 5V3A 9V3A 12V3A 15V3A 20V3.25A
3£ºUSB- A¿Úµ¥¶ÀʹÓà 18W
Êä³ö¹æ¸ñ£º 5V3A 9V2A 12V1.5A
4£ºUSB-C1+ USB-C2ͬʱʹÓã¨45W+20W£©
C1Êä³ö¹æ¸ñ£º 5V3A 9V3A 12V3A 15V3A 20V2.25A 45WMAX
C2Êä³ö¹æ¸ñ£º 5V3A 9V2.22A 12V1.67A 20WMAX
5£ºUSB-C1+ USB-AͬʱʹÓã¨45W+18W£©
C1Êä³ö¹æ¸ñ£º 5V3A 9V3A 12V3A 15V3A 20V2.25A 45WMAX
USB-AÊä³ö¹æ¸ñ£º 5V3A 9V2A 12V1.5A 18WMAX
6£ºUSB-C2+ USB-AͬʱʹÓÃ
¹²Ïí£º5V3A MAX
7£ºUSBC1+USB-C2+ USB-AͬʱʹÓÃ
C1Êä³ö¹æ¸ñ£º 5V3A 9V3A 12V3A 15V3A 20V2.25A MAX
C2+ USB-A¹²Ïí£º5V3A MAX
¶þ¡¢Ð¾Æ¬¸ÅÊö
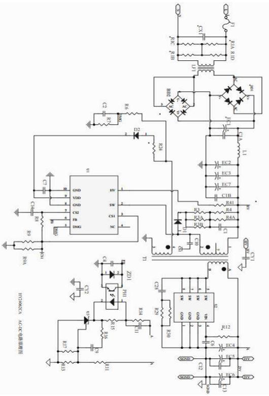
Ö÷¿ØÐ¾Æ¬PN8783£ºPN8783ϵÁвÉÓÃSOP10/PP·â×°£¬ÄÚÖøßÐÔÄÜ700V GaN FET£¬¾ßÓÐ׿ԽµÄ»·Â·Îȶ¨ÐÔ¡¢¸ß¹¦ÂÊÃܶȡ¢µÍ´ý»ú¹¦ºÄµÈÃ÷ÏÔÓÅÊÆ£¬Í¬Ê±ÔÚ·â×°µ×²¿´óÃæ»ý·óÍÉ¢ÈÈ£¬¿ÉÒÔÏÔÖø½µµÍоƬÎÂÉý¡£

ͬ²½ÕûÁ÷оƬPN8307P£ºPN8307PÄÚÖÃ100V/7mΩÖÇÄÜMOSFET£¬¿ìËٹضÏ+×ÔÊÊÓ¦ËÀÇø¿ØÖÆÌá¸ßMOSFET RdsonÀûÓÃÂÊ£¬ÏÔÖø½µµÍÎÂÉý£¬×¨ÀûÇáÔØÄ£Ê½¿É½µµÍ´ý»ú¹¦ºÄ£¬¾ßÓг¬¸ßÐԼ۱ȡ£

DC-DC½µÑ¹Ð¾Æ¬ NDP1460£ºNDP1460PQBÊÇÒ»¿î¼¯³ÉMOS¹ÜµÄ¸ßЧͬ²½½µÑ¹DC/DCת»»Æ÷¡£ÆäÄÚ²¿²ÉÓö¶Æµ¡¢Æ½¾ùµçÁ÷ģʽ¿ØÖƽṹ¡£Äܹ»Á¬ÐøÌṩ¸ß´ï7AµÄÊä³öµçÁ÷£¬¾ßÓгöÉ«µÄÏßÐԺ͸ºÔص÷½ÚÄÜÁ¦¡£NDP1460PQBµÄÊäÈëµçѹ·¶Î§´Ó7.5VÖÁ30V£¬Êä³öµçѹ¿Éµ÷£¬·¶Î§´Ó3.3VÖÁ29V¡£

PDÐÒéоƬXPD737£ºXPD737ÄÚ²¿¼¯³É 10mΩ VBUS ͨ·¹Ü£¬²¢ÇÒ¼¯³É10mΩµçÁ÷¼ì²âµç×裬֧³ÖÍêÉÆµÄ±£»¤¹¦ÄÜ£¬½µµÍÍâΧԪ¼þÊýÁ¿£¬¼ò»¯µç·£¬½µµÍ³É±¾¡£²ÉÓÃESOP8·â×°¡£

PDÐÒéоƬXPD767£ºXPD767¼¯³ÉÁËÐÒé¿ØÖÆºÍVBUS¿ª¹ØÒÔ¼°¸´ÔӵĿØÖÆÂß¼£¬Ò»¿ÅоƬÍê³É1A1C¿ØÖÆ£¬Í¨¹ýXPD-LINK»¥Áª¼¼Êõ£¬Á½¿ÅоƬ¼´¿É×é³É2A1CµÄ¿ì³ä½â¾ö·½°¸£¬²¢ÇÒÎÞÐèÌí¼Ó¸´ÔÓµÄÍâΧµç·¡£

Èý¡¢DEMOʵÎïͼ

ÃÀ¹æÕÛµþÍ·£¬ÊµÎï³ß´ç£º56.64*53.13*28.91
ËÄ¡¢Êä³öÌØÐÔ

Îå¡¢µç·ÔÀíͼ
µç·ÔÀíͼ£¨AC-DC ²¿·Ö£©

µç·ÔÀíͼ£¨DC-DC ²¿·Ö£©

Áù¡¢²¿·ÖBOMÇåµ¥

65W-PD-2C1Aµª»¯ïØ·½°¸£¬115Vac/60Hz-230Vac/50Hz´ý»ú¹¦ºÄ<75mW£¬Æ½¾ùЧÂÊ>93.4%£¬Òò¼¯³É¶È¸ß¡¢ÐÔÄÜ׿Խ¡¢·½°¸³É±¾ÓÅÊÆÃ÷ÏÔ£¬»ñµÃÁËÖÚ¶à³§¼ÒÕùÏà²ÉÓ㬸ü¶à·½°¸¹æ¸ñ¡¢Ïß·ͼֽ¡¢±äѹÆ÷Éè¼Æ¡¢²âÊÔÊý¾Ý¼°Ó¦ÓÃÒªµãÇëÏòæê΢µç×ÓÉêÇë¡£¡·
ÉÏһƪ£ºCR6212_5V/12V¸ßЧÂÊ¡¢µÍ³É±¾µçÔ´·½°¸£¬ÍêÃÀÌæ»»OB257X ÏÂһƪ£ºÃ»ÓÐÁË
Ïà¹Ø×ÊѶ
- CR5218SC_5V1AÊÊÅäÆ÷·½°¸
- СÌå»ý65W´ó¹¦ÂÊ¿ª¹ØµçԴоƬÊÊÅäÆ÷·½°¸
- »ùÓÚPN8390+PN8308M¸ßÐÔÄÜ12V2AÊÊÅäÆ÷µçÔ´
- CR5259_12V2A 24WÊÊÅäÆ÷µçԴоƬ·½°¸
- CR5244 5V2.4AС¹¦ÂʳäµçÆ÷¡¢ÊÊÅäÆ÷·½°¸
- »ùÓÚPN8162+PN8307H¸ßÐÔÄÜ20W PD³äµçÆ÷·½°¸
- 5v2aµçÔ´ÊÊÅäÆ÷оƬ/³äµçÆ÷ic·½°¸
- 5V2.4A Áù¼¶ÄÜЧ³äµçÆ÷Ìׯ¬·½°¸
- PN8370M+PN8305LСÌå»ý¿ª¹ØµçÔ´5v2a·½°¸
- 7¸ö´ó·ù¾«¼òÍâΧµÄac-dcµçÔ´¹ÜÀíоƬ·½°¸
ͬÀàÎÄÕÂÅÅÐÐ
- CR5218SC_5V1AÊÊÅäÆ÷·½°¸
- µÂÆÕ΢DP2525BԱ߷´À¡µçԴоƬºãѹºãÁ÷5W
- 7¸ö´ó·ù¾«¼òÍâΧµÄac-dcµçÔ´¹ÜÀíоƬ·½°¸
- 5v¿ª¹ØµçԴоƬPN8370M+PN8306M 5V2AÁù¼¶ÄÜ
- CR1252+CR3012_12V20A¿ª¹ØµçÔ´·½°¸
- »ùÓÚPN8390+PN8308M¸ßÐÔÄÜ12V2AÊÊÅäÆ÷µçÔ´
- PN8000ÎÞµç¸Ð¸ºÑ¹Êä³öAC-DC·Ç¸ôÀ볬¾«¼ò·½
- PN8370_2.4AÊÖ»ú³äµçÆ÷µçԴоƬ·½°¸
- 12V3.0Aͬ²½ÕûÁ÷Áù¼¶ÄÜЧµçÔ´ÊÊÅäÆ÷Ó¦Ó÷½
- CR6249_12V1.5AµçÔ´ÊÊÅäÆ÷·½°¸
×îÐÂÎÄÕÂ×ÊѶ
- æê΢µç×Ó | ϲǨÐÂÖ·£¬ÐøÐ´·¢Õ¹ÐÂÆªÕ£¡
- оÅó΢20ÖÜÄê | ´úÀíÊÜÑû¼û֤оÁ¦Á¿£¬¹²¸°
- ¹ýÈÏÖ¤¡¢µÍ³É±¾ | 65W-PD-2C1Aµª»¯ïØÉè¼Æ·½
- ¿ªÒµ´ó¼ª | ÉîÛÚÊÐæê΢µç×Ó-Äþ²¨·Ö¹«Ë¾£¡
- ϲºØÐ¾Åó΢ף¾¸²©Ê¿ÈÙ»ñ¡°½ËÕÇàÄêÎåËĽ±ÕÂ
- CR6212_5V/12V¸ßЧÂÊ¡¢µÍ³É±¾µçÔ´·½°¸£¬Íê
- 2024ÄêÕ¹³á·ÉÏè | 2023Äê¶ÈÒµÎñ×ܽύÁ÷´ó
- ÕæÃ¯¼ÑÖúÁ¦µç¶¯Æû³µÁªÃËÆû³µµç×ÓÔªÆ÷¼þ¹¤×÷
- îýÁ¦AP30H80Q vbus¿ª¹ØMOS»ñµÃ°²¿Ë67W 2C1A
- Ê¿À¼Î¢650V¸ßѹ³¬½áSTSϵÁУ¬¹ã·ºÓ¦ÓÃÓÚÏû
°¢Àï°Í°ÍµêÆÌ
¹Ø×¢æê΢
ÊÕ²Øæê΢

