成都逍遥耍耍网论坛,天津-凤江湖论坛春风阁(全国信息) ,一品香论坛登录入口风楼阁交友平台 ,快活林信息发布论坛汇总

³äµçÆ÷оƬ°¢Àï°Í°ÍµêÆÌ ¿ª¹ØµçԴоƬ¹Ø×¢æê΢ µç»úÇý¶¯Ð¾Æ¬ÊÕ²Øæê΢ »¶Ó­½øÈëµçԴоƬ/Çý¶¯Ð¾Æ¬¡¢MOS¡¢IGBT¡¢¶þÈý¼«¹Ü¡¢ÇŶѵȵç×ÓÔªÆ÷¼þ´úÀíÉÌ--æê΢µç×Ó¹ÙÍø
¸ß¼¶ËÑË÷

ËÑË÷Ò»

ËÑË÷¶þ

³äµç¹ÜÀíIC·½°¸
µ±Ç°Î»Ö㺠µçÔ´ic > ·½°¸°¸Àý > ³äµçÆ÷/ÊÊÅäÆ÷·½°¸ > CR6212_5V/12V¸ßЧÂÊ¡¢µÍ³É±¾µçÔ´·½°¸£¬ÍêÃÀÌæ»»OB257X

CR6212_5V/12V¸ßЧÂÊ¡¢µÍ³É±¾µçÔ´·½°¸£¬ÍêÃÀÌæ»»OB257X

×ֺţºT|T
ÎÄÕ³ö´¦£ºæê΢µç×ÓÔðÈα༭£ºµçÔ´¹ÜÀíоƬÈËÆø£º-·¢±íʱ¼ä£º2024-03-07
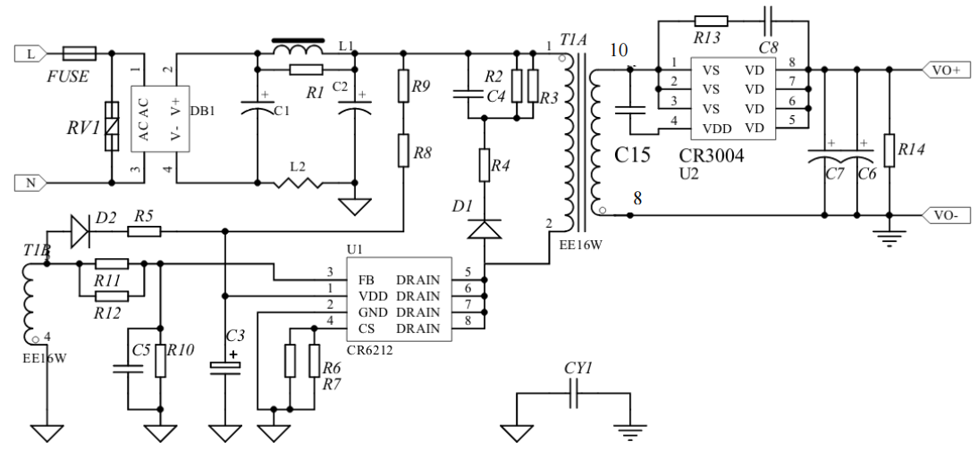
¡¡¡¡CR6212BS+CR3004SLD_12V1.5AµçÔ´ÊÊÅäÆ÷·½°¸£¬ÊÇ»ùÓÚÒ»¸öÄÜÊÊÓÃÓÚ¿íÊäÈëµçѹ·¶Î§£¬Êä³ö¹¦ÂÊ 18W£¬ºãѹºãÁ÷Êä³öµÄµçÔ´ÊÊÅäÆ÷£¬²ÉÓÃÁËCR6212BSJ ¹¦ÂÊ¿ª¹ØºÍ CR3004SLD ͬ²½ÕûÁ÷оƬ¡£
¡¡¡¡
¡¡¡¡Ò»¡¢·½°¸¸ÅÊö¡¡¡¡
¡¡¡¡1¡¢Ñù»úPCBA³ß´ç£º67*35*23mm,ÊÇÒ»¿îÈ«µçѹʵÏÖ12V1.5AÊä³öµÄµçÔ´ÊÊÅäÆ÷¡£¡¡¡¡
¡¡¡¡2¡¢AC90VÂú×ãÆô¶¯Ê±¼äµÄÌõ¼þÏ£¬ÊµÏÖAC264VÑù»ú´ý»ú¹¦ºÄ½öΪ71mW£»Í¬Ê±Ð§ÂÊÄܹ»Âú×ã×îÑϸñµÄ “COC_V5_T2” ÄÜЧ±ê×¼£»¡¡¡¡
¡¡¡¡3¡¢È«µçѹ¿ÉʵÏÖ±5%µÄCC/CVÊä³ö¾«¶È¡£¡¡¡¡
¡¡¡¡4¡¢Õû»ú£¨º¬Ì×¼þÍâ¿Ç£©¿ÉÂú×ã40¡æ»·¾³Î¶ÈÂúÔØÎÂÉý²âÊÔÒªÇ󡣡¡¡¡
¡¡¡¡5¡¢¾ßÁ¼ºÃµÄºãÁ÷Êä³öЧ¹û£»Í¬Ê±¾ßÓГÈíÆô¶¯¡¢OCP¡¢SCP¡¢OVP¡¢OTP×Ô¶¯»Ö¸´”µÈ¶àÖÖ±£»¤¹¦ÄÜ¡£
¡¡¡¡
¡¡¡¡¶þ¡¢Ð¾Æ¬ÌØÐÔ¡¡¡¡
¡¡¡¡CR6212BSJ Ð¾Æ¬ÌØÐÔ£º¡¡¡¡
¡¡¡¡¡ñ CR6212BSJ ÄÚÖà 650V ¸ßѹ¹¦ÂÊ MOSFET£¬·´¼¤Ê½Ô­±ß¼ì²â£¬CC\CVÔ­±ß¼ì²â PWM ¹¦ÂÊ¿ª¹Ø£»¡¡¡¡
¡¡¡¡¡ñ SOP8 ·â×°£¬Ò»²àÒý½Å£¨5-8£©È«ÎªÄÚÖà MOS ©¼«£¬·½±ãÉ¢ÈÈÉè¼Æ£»¡¡¡¡
¡¡¡¡¡ñ ÄÚÖÃÈíÆô¶¯£¬¼õС MOSFET µÄÓ¦Á¦£¬ÄÚÖÃбÆÂ²¹³¥µç·£»¡¡¡¡
¡¡¡¡¡ñ µÍ¹¦ºÄ¡¢¸ßÄÜЧƵÂÊ·´×ß QR ģʽ¿ØÖÆ£»¡¡¡¡
¡¡¡¡¡ñ ¾ßÓÐÁ¼ºÃµÄ EMI ÌØÐÔ£¬¿É±à³ÌÊäÈëǷѹ»ò¹ýѹ±£»¤£»¡¡¡¡
¡¡¡¡¡ñ ¾ßÓГÈíÆô¶¯¡¢OCP¡¢SCP¡¢OTP¡¢OVP¡¢Òý½ÅÐü¿Õ”µÈ¶àÖÖ±£»¤£»¡¡¡¡
¡¡¡¡¡ñ Ô­±ß·´À¡£¬ÎÞÐè¹âñîºÍ TL431,ÄÚÖõç¸ÐÁ¿Æ«²î²¹³¥¹¦ÄÜ£»¡¡¡¡
¡¡¡¡¡ñ µç·½á¹¹¼òµ¥¡¢½ÏÉÙµÄÍâΧԪÆ÷¼þ£¬ÊÊÓÃÓÚС¹¦ÂÊ AC/DC µçÔ´ÊÊÅäÆ÷¡¢³äµçÆ÷¡£
¡¡¡¡
¡¡¡¡CR3004SLD Ð¾Æ¬ÌØÐÔ:¡¡¡¡
¡¡¡¡¡ñ ×Ô¹©µç DCM ͬ²½ÕûÁ÷¿ª¹Ø¡¢SOP8 ·â×°¡¢ÄÚÖà 60V ÄÍѹ¹¦ÂÊ¿ª¹Ø¹Ü¡¢¾«¼òµÄÍâΧµç·¡¢½ÏµÍµÄ¹¤×÷µçÁ÷ºÍ½Ï¸ßµÄϵͳЧÂÊÂú×ã¸ßÄÜЧҪÇó¡£
¡¡¡¡
¡¡¡¡Èý¡¢PCB¼°DEMOʵÎïͼ
¡¡¡¡
¡¡¡¡ËÄ¡¢µäÐ͵ç·ͼ
¡¡¡¡
¡¡¡¡Îå¡¢Õû»ú²ÎÊý
¡¡¡¡
¡¡¡¡CR6212BSJ_12V1.5AµçÔ´ÊÊÅäÆ÷·½°¸´ý»ú¹¦ºÄ(230V)<63mW£¬Æ½¾ùЧÂÊ>86%£»µç·½á¹¹¼òµ¥¡¢½ÏÉÙµÄÍâΧԪÆ÷¼þ£¬ÊÊÓÃÓÚС¹¦ÂÊ AC/DC µçÔ´ÊÊÅäÆ÷¡¢³äµçÆ÷£¬¿É¼æÈÝ´ú»»OB2570¡¢OB2571¡¢OB2576¡¢OB2578µÈIC£¬¸ü¶àCR6212BϵÁÐ12V1A/12V1.5A/5V3.4AÔ­±ß¼ì²â¿ª¹ØµçԴоƬ²úÆ·ÊֲᡢÑùÆ·¼°²Î¿¼Ó¦ÓÃ×ÊÁÏÇëÏòÆô³¼Î¢´úÀíæê΢µç×ÓÉêÇë¡£>>
²úÆ·ÖÐÐÄ ¹ØÓÚæê΢ ÁªÏµÎÒÃÇ