È«²¿²úÆ··ÖÀà
¼¯³Éµç·IC
- ÓÅÊÆ²úÆ·
- Chipown/оÅó΢
- оÅóµç»úÇý¶¯Ð¾Æ¬
- SLAN/Ê¿À¼Î¢
- CR/Æô³¼Î¢
- FM/¸»ÂúϵÁÐ
- SF/ÈüÍþоƬ
- XL/оÁúϵÁÐ
- LW/æê΢
³¡Ð§Ó¦¹Ü/MOS/IGBT
¶þ¼«¹Ü
Èý¼«¹Ü
ÍÆ¼ö²úÆ·
ÁªÏµÎÒÃÇ
ÉîÛÚÊÐæê΢µç×ӿƼ¼ÓÐÏÞ¹«Ë¾
µç»°£º0755-23087599
ÊÖ»ú£º13808858392
ÓÊÏ䣺dunianhua@leweitech.com
µØÖ·£ºÉîÛÚÊб¦°²ÇøÎ÷Ïçº×ÖÞºã·á¹¤Òµ³ÇB11¶°5Â¥¶«
XPD767 A+C 65WÐÒéоƬ֧³ÖXPD-LINK™»¥Áª
ËùÊô·ÖÀࣺFM/¸»ÂúϵÁÐ
Æ·ÅÆ£ºFM/¸»Âú
ÐͺţºXPD767ϵÁÐ
·â×°£ºTSSOP-20/QFN20
¹¦ÂÊ£º65W
µçÁ÷£º5V£¬9V£¬12V£¬15V£¬20V
ÐͺţºXPD767ϵÁÐ
·â×°£ºTSSOP-20/QFN20
¹¦ÂÊ£º65W
µçÁ÷£º5V£¬9V£¬12V£¬15V£¬20V
¶©¹ºÈÈÏߣº0755-23087599
¡¡¡¡XPD767оƬÒѾͨ¹ýÁËUSB PD3.0ÈÏÖ¤£¬TID£º3479¡£Ö§³ÖQC2.0/3.0/3.0+¡¢AFC¡¢FCP¡¢SCP¡¢HVSCP¡¢PDºÍPPSµÈ¿ì³äÐÒ飬ÄÚ²¿¼¯³É 10mΩ VBUS ͨ·¹¦ÂÊ¿ª¹Ø¹Ü£¬²¢ÇÒ¼¯³É10mΩµçÁ÷¼ì²âµç×裬֧³ÖÍêÉÆµÄ±£»¤¹¦ÄÜ£¬½ÚÊ¡ÍâΧԪ¼þÊýÁ¿£¬¼ò»¯µç·£¬½µµÍ³É±¾¡£
¡¡¡¡
¡¡¡¡XPD767 ÊÇÒ»¿î¼¯³É USB Type-C¡¢USB Power Delivery£¨PD£© 3.0/2.0 ÒÔ¼° PPS¡¢QC3.0/2.0CLASS B ¿ì³äÐÒé¡¢»ªÎª FCP/SCP ¿ì³äÐÒé¡¢ÈýÐÇ AFC ¿ì³äÐÒé¡¢BC1.2 DCP ÒÔ¼°Æ»¹ûÉ豸 2.4A ³äµç¹æ·¶µÄ¶à¹¦ÄÜ USB Ë«¶Ë¿Ú¿ØÖÆÆ÷£¬Îª AC-DC ÊÊÅäÆ÷¡¢Òƶ¯µçÔ´¡¢³µÔسäµçÆ÷µÈÉ豸ÌṩÍêÕûµÄ Type-C ºÍ Type-A Ë«¶Ë¿Ú³äµç½â¾ö·½°¸¡£
¡¡¡¡
¡¡¡¡XPD767 ÌØ±ðµÄ¼¯³ÉÁË XPD-LINK™»¥ÁªÍ¨ÐÅרÀû¼¼Êõ¡£Í¨¹ý XPD-LINK™»¥Áª¹¦ÄÜ£¬XPD767 ¿ÉÒÔ¼òµ¥Áé»îµÄÓ¦ÓÃÔÚ¶à¸ö Type-C ºÍ Type-A ¶Ë¿ÚµÄ³äµç·½°¸ÖС£
¡¡¡¡
¡¡¡¡XPD767 ÄÚÖÃµÄ TYPE-C ÐÒé¿ÉÒÔÖ§³Ö TYPE-C É豸²åÈë×Ô¶¯»½ÐÑϵͳ£¬ÖÇÄÜʶ±ð²åÍ·µÄÕý²åÓë·´²å£¬²¢ÊµÏÖÁ¬½Ó¡£¼¯³ÉµÄ TYPE-C PD3.0 ÐÒéÖ§³ÖË«Ïò±ê¼Ç±àÂ루BMC£©£¬¼¯³ÉÓ²¼þµÄÎïÀí²ãÐÒéºÍÐÒéÒýÇæ£¬ÎÞÐèÈí¼þ²ÎÓë±à½âÂë¡£
¡¡¡¡
¡¡¡¡µ± Type-C ºÍ Type-A ÆäÖÐÒ»¸ö¶Ë¿Ú½ÓÈ뱸ʱ£¬Type-C »ò Type-A ¶Ë¿Ú¶¼¿ÉÒÔʵÏÖ¶ÀÁ¢µÄ¿ì³ä¹¦ÄÜ¡£µ± Type-C ºÍ Type-A ¶¼½ÓÈëÉ豸ʱ£¬XPD767 »á½«Êä³öµçѹ½µÖÁ 5V ¸øÉ豸¹©µç¡£ÌرðµÄ£¬µ± Type-A ¿ÚÒ»Ö±Á¬½ÓÆ»¹û³äµçÏßµ«Î´½ÓÈëÆ»¹ûÊÖ»úʱ£¬Type-C ¿ÚÈÔÈ»Óпì³ä¹¦ÄÜ¡£×÷Ϊ³äµçÆ÷Ó¦ÓÃʱ£¬³äµçÏ߻ᾳ£Óë³äµçÆ÷Á¬½ÓÔÚÒ»Æð¡£XPD767 ÍêÃÀ½â¾öÁË Type-A ºÍ Type-C ¿ÚÁ¬½Ó³äµçÏßÓ¦ÓÃʱµÄ¿ì³äÄÑÌâ¡£´ËÍ⣬Type-A ¿Ú³ä±¥¹Ø¶ÏµçÁ÷ãÐÖµµÍÖÁ 10mA£¬¿ÉÖ§³ÖÖÇÄÜ´©´÷É豸СµçÁ÷³äµç¡£
¡¡¡¡
¡¡¡¡XPD767 ͨ¹ýһ·¿É Sink/Source µÄµçÁ÷Ô´£¬Á¬½Óµ½ AC-DC »ò DC-DC µÄ·´À¡Òý½ÅʵÏÖ¶¯Ì¬µ÷½ÚµçѹµÄ¹¦ÄÜ£¬²»¹ÜÊÇÆô¶¯»¹Êǵ÷ѹ¹ý³Ì£¬¶¼¾ß±¸ÈíÆô¶¯/µ÷ѹ¹¦ÄÜ£¬ÊµÏÖµçѹƽ˳¹ý¶É¡£
¡¡¡¡
¡¡¡¡XPD767 ÄÚ½¨¶àÖÖ±£»¤»úÖÆÈ·±£É豸°²È«£º°üÀ¨¶¯Ì¬¹ýѹ/Ƿѹ/¹ýÁ÷±£»¤£¨¿É¸ù¾ÝÉ豸ÇëÇóµÄ¹¤×÷µçѹ/µçÁ÷°´ÕÕ±ÈÀýµ÷Õû±£»¤µã£©£»Æô¶¯¼à²â£¨VBUS Êä³öǰ»á¼à²â¶Ë¿ÚµçѹÊÇ·ñ´¦ÓÚ°²È«×´Ì¬£©¡£
¡¡¡¡
¡¡¡¡XPD767 ¼¯³É 10mΩ VBUS ͨ·¹¦ÂÊ¿ª¹Ø¹ÜºÍÄÚ²¿·Åµçͨ·£¬½ÚÊ¡ÁËÍâΧÆ÷¼þ£¬ÔÚ·¢Éú´íÎóʱ¿ÉÒÔ¿ìËٹرÕÊä³ö²¢»Ö¸´µ½°²È«×´Ì¬¡£
¡¡¡¡
¡¡¡¡XPD767 ²ÉÓà TSSOP-20 ºÍ QFN4x4-20 ·â×°¡£Ó¦ÓÃÖÐÍâΧµç··Ç³£¼ò½à£¬¿ÉÒÔÇáËÉͨ¹ý USB PD ÈÏÖ¤²âÊÔ¡£
¡¡¡¡
¡¡¡¡XPD767Ð¾Æ¬ÌØÐÔ¡¡¡¡
¡¡¡¡¡ö ͨ¹ý USB PD3.0 ÈÏÖ¤£¨TID£º3479£©¡¡¡¡
¡¡¡¡¡ö Ö§³Ö XPD-LINKTM¶àоƬ»¥ÁªÍ¨Ðż¼Êõ¡¡¡¡
¡¡¡¡¡ö Ö§³Ö USB Type-C ÐÒé¡¡¡¡
¡¡¡¡¡ö Ö§³Ö USB Power Delivery£¨PD£©3.0 ÒÔ¼°PPS ÐÒé¡¡¡¡
¡¡¡¡- PDO ¿ÉÅäÖãº5V£¬9V£¬12V£¬15V£¬20V¡¡¡¡
¡¡¡¡- Êä³ö¹¦ÂʸßÖÁ 65W¡¡¡¡
¡¡¡¡- APDO ¿ÉÅäÖãº5V Prog£¬9V Prog£¬15VProg£¬20V Prog¡¡¡¡
¡¡¡¡¡ö Ö§³Ö Quick Charge 2.0/3.0/3.0+ÐÒé¡¡¡¡
¡¡¡¡- Ö§³ÖСÃ× CHARGE TURBO 27W ÐÒé¡¡¡¡
¡¡¡¡¡ö Ö§³Ö»ªÎª FCP/SCP/HVSCP ÐÒé¡¡¡¡
¡¡¡¡- Ö§³Ö»ªÎª 10V ¸ßѹ SCP ÐÒé¡¡¡¡
¡¡¡¡¡ö Ö§³ÖÈýÐÇ AFC ÐÒé¡¡¡¡
¡¡¡¡¡ö Ö§³Ö USB BC1.2 DCP¡¡¡¡
¡¡¡¡¡ö Ö§³Ö Apple 2.4A ³äµç¹æ·¶¡¡¡¡
¡¡¡¡¡ö ¼¯³Éºãѹ£¨CV£©²¹³¥»·Â·¡¡¡¡
¡¡¡¡¡ö ¼¯³É 10mΩ VBUS ͨ·¹¦ÂÊ¿ª¹Ø¹Ü¡¡¡¡
¡¡¡¡¡ö ¼¯³É 10mΩµçÁ÷¼ì²âµç×è¡¡¡¡
¡¡¡¡¡ö ÄÚÖà VPWR ºÍ VBUS Ë«·Åµçͨ·¡¡¡¡
¡¡¡¡¡ö Ö§³ÖÏßËð²¹³¥¹¦ÄÜ¡¡¡¡
¡¡¡¡¡ö Ö§³Ö USB Type-A ºÍ Type-C Ë«¿Ú¹¤×÷ģʽ¡¡¡¡
¡¡¡¡-¶ÀÁ¢¹¤×÷¶¼Óпì³ä£¬Í¬Ê±¹¤×÷»Ø 5V¡¡¡¡
¡¡¡¡- A ¿ÚÁ¬½ÓÆ»¹û³äµçÏßµ«Î´½ÓÈëÆ»¹ûÊÖ»úʱ£¬C ¿ÚÈÔÈ»Óпì³ä¡¡¡¡
¡¡¡¡¡ö A ¿Ú³ä±¥¹Ø¶ÏµçÁ÷ãÐÖµ 10mA£¬Ð¡µçÁ÷³äµç¡¡¡¡
¡¡¡¡¡ö °²È«ÐÔ¡¡¡¡
¡¡¡¡- A ¿Ú²ÉÓõçÔ´¶Ë¿ØÖƱÜÃâ¶Ì·Òý·¢Â©µç¡¡¡¡
¡¡¡¡- ¹ýѹ/Ƿѹ±£»¤¡¡¡¡
¡¡¡¡- ¹ýÁ÷±£»¤¡¡¡¡
¡¡¡¡- ¹ýα£»¤¡¡¡¡
¡¡¡¡¡ö CC1/CC2/DP1/DM1/DP2/DM2 ¹ýѹ±£»¤¡¡¡¡
¡¡¡¡¡ö ESD ÌØÐÔ±4KV¡¡¡¡
¡¡¡¡¡ö Package:TSSOP-20 ºÍ QFN20
¡¡¡¡
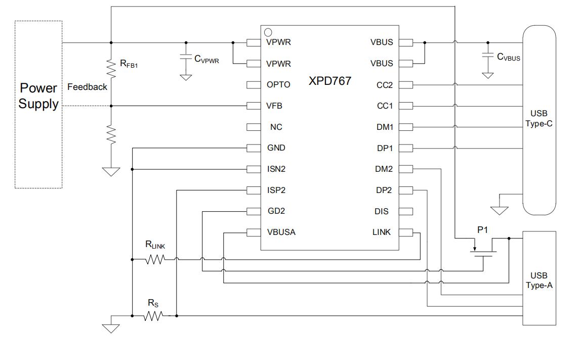
¡¡¡¡µäÐÍÓ¦Óõç·ͼ

¡¡¡¡
¡¡¡¡Ó¦ÓÃÁìÓò¡¡¡¡
¡¡¡¡¡ö AC-DC ÊÊÅäÆ÷¡¡¡¡
¡¡¡¡¡ö ´ø USB ¶Ë¿ÚÅŲ塡¡¡
¡¡¡¡¡ö USB ¶à¿Ú³äµçÉ豸
¡¡¡¡
¡¡¡¡XPD767ϵÁж©¹ºÐÅÏ¢
| ÁϺŠ| USB Type-C ¶Ë¿Ú PDO ºÍ APDO ÅäÖà | QC ÅäÖà | °ü×° |
| XPD767B18 |
¸ß¹¦ÂÊ PDO:5V/3A, 9V/2A, 12V/1.5A µÍ¹¦ÂÊ PDO:5V/3A |
Class A |
TSSOP-20 2.5K/ÅÌ |
|
XPD767BP18 |
¸ß¹¦ÂÊ PDO:5V/3A, 9V/2A, 12V/1.5A ¸ß¹¦ÂÊ APDO1:3.3-5.9V/3A ¸ß¹¦ÂÊ APDO2:3.3-11V/1.65A µÍ¹¦ÂÊ PDO:5V/3A |
Class A |
|
| XPD767A |
¸ß¹¦ÂÊ PDO:5V/3A, 9V/2.22A µÍ¹¦ÂÊ PDO:5V/3A |
Class A |
|
| XPD767B |
¸ß¹¦ÂÊ PDO:5V/3A, 9V/2.22A, 12V/1.67A µÍ¹¦ÂÊ PDO:5V/3A |
Class A |
|
| XPD767D30A |
¸ß¹¦ÂÊ PDO:5V/3A,9V/3A,12V/2.5A,15V/2A,20V/1.5A µÍ¹¦ÂÊ PDO:5V/3A |
Class B |
|
| XPD767D30 |
¸ß¹¦ÂÊ PDO:5V/3A,9V/3A,12V/2.5A,15V/2A,20V/1.5A µÍ¹¦ÂÊ PDO:5V/3A, 9V/1.75A |
Class A |
|
|
XPD767DP30 |
¸ß¹¦ÂÊ PDO:5V/3A,9V/3A,12V/2.5A,15V/2A,20V/1.5A ¸ß¹¦ÂÊ APDO1:3.3-11V/3A ¸ß¹¦ÂÊ APDO2:3.3-16V/2A µÍ¹¦ÂÊ PDO:5V/3A, 9V/1.75A |
Class A |
|
| XPD767D45 |
¸ß¹¦ÂÊ PDO:5V/3A,9V/3A,12V/3A,15V/3A,20V/2.25A µÍ¹¦ÂÊ PDO:5V/3A, 9V/2.5A, 12V/2A, 15V/1.5A |
Class A |
|
|
XPD767DP45 |
¸ß¹¦ÂÊ PDO:5V/3A,9V/3A,12V/3A,15V/3A,20V/2.25A ¸ß¹¦ÂÊ APDO1:3.3-11V/3A ¸ß¹¦ÂÊ APDO2:3.3-16V/2.8A µÍ¹¦ÂÊ PDO:5V/3A, 9V/2.5A, 12V/2A, 15V/1.5A µÍ¹¦ÂÊ APDO1:3.3-11V/2A µÍ¹¦ÂÊ APDO2:3.3-16V/1.4A |
Class A |
|
| XPD767D60 |
¸ß¹¦ÂÊ PDO:5V/3A, 9V/3A, 12V/3A, 15V/3A, 20V/3A µÍ¹¦ÂÊ PDO:5V/3A,9V/3A,12V/2.5A,15V/2A,20V/1.5A |
Class B | |
|
XPD767DP60 |
¸ß¹¦ÂÊ PDO:5V/3A, 9V/3A, 12V/3A, 15V/3A, 20V/3A ¸ß¹¦ÂÊ APDO1:3.3-16V/3A ¸ß¹¦ÂÊ APDO2:3.3-21V/2.85A µÍ¹¦ÂÊ PDO:5V/3A,9V/3A,12V/2.5A,15V/2A,20V/1.5A µÍ¹¦ÂÊ APDO1:3.3-16V/1.9A µÍ¹¦ÂÊ APDO2:3.3-21V/1.4A |
Class B |
|
| XPD767D65 |
¸ß¹¦ÂÊ PDO:5V/3A,9V/3A,12V/3A,15V/3A,20V/3.25A µÍ¹¦ÂÊ PDO:5V/3A,9V/3A,12V/2.5A,15V/2A,20V/1.5A |
Class B |
|
|
XPD767DP65 |
¸ß¹¦ÂÊ PDO:5V/3A,9V/3A,12V/3A,15V/3A,20V/3.25A ¸ß¹¦ÂÊ APDO1:3.3-16V/3.25A ¸ß¹¦ÂÊ APDO2:3.3-21V/3A µÍ¹¦ÂÊ PDO:5V/3A,9V/3A,12V/2.5A,15V/2A,20V/1.5A µÍ¹¦ÂÊ APDO1:3.3-16V/2A µÍ¹¦ÂÊ APDO2:3.3-21V/1.5A |
Class B |
|
| XPD767D6545 |
¸ß¹¦ÂÊ PDO:5V/3A,9V/3A,12V/3A,15V/3A,20V/3.25A µÍ¹¦ÂÊ PDO:5V/3A,9V/3A,12V/3A,15V/3A,20V/2.25A |
Class B | |
|
XPD767DP6545 |
¸ß¹¦ÂÊ PDO:5V/3A,9V/3A,12V/3A,15V/3A,20V/3.25A ¸ß¹¦ÂÊ APDO1:3.3-16V/3.25A ¸ß¹¦ÂÊ APDO2:3.3-21V/3A µÍ¹¦ÂÊ PDO:5V/3A,9V/3A,12V/3A,15V/3A,20V/2.25A µÍ¹¦ÂÊ APDO1:3.3-16V/2.8A µÍ¹¦ÂÊ APDO2:3.3-21V/2.1A |
Class B |
|
| XPD767D6518 |
¸ß¹¦ÂÊ PDO:5V/3A,9V/3A,12V/3A,15V/3A,20V/3.25A µÍ¹¦ÂÊ PDO:5V/3A,9V/2A,12V/1.5A |
Class A | |
| XPD767QXXXXX | ²Î¿¼ÏàÓ¦µÄ TSSOP20 ·â×° |
QFN20 4K/ÅÌ |
¡¡¡¡
¡¡¡¡XPD767 A+C 65WÐÒéоƬ²ÉÓÃTSSOP-20ºÍQFN20·â×°£¬ÊÇÖ§³Ö XPD-LINK™»¥ÁªUSBË«¶Ë¿Ú¿ØÖÆÆ÷£¬XPD-LINK»¥Áª¼¼ÊõÈÃоƬ֮¼äͨ¹ýµ¥Ïß×ÜÏß´«ÊäÐÅÏ¢£¬´Ó¶ø¿ÉÒÔ¼òµ¥Áé»îµÄ×é³É¶àUSB-C¿ÚºÍ¶àUSB-A¿ÚµÄ³äµç·½°¸£¬¸ü¶àXPD767оƬϵÁйæ¸ñÊé¼°Ïà¹ØÓ¦ÓÃ×ÊÁÏÇëÏòÎÒÃÇÉêÇë¡£>>
°¢Àï°Í°ÍµêÆÌ
¹Ø×¢æê΢
ÊÕ²Øæê΢










