20W A+C Ë«¿ÚPD³äµçÆ÷·½°¸
×ֺţºT|T
¡¡¡¡Ëæ×ÅiPhone 12ϵÁÐÊÖ»úµÄÍÆ³öÒÔ¼°ËùÓÐÔÚÊÛiPhone»úÐ;ù²»ÔÙ¸½ËͳäµçÆ÷£¬Òý±¬ÁË20W PD¿ì³äÊг¡£¬´ø¶¯ÁËUSB PD¿ì³ä³äµçÆ÷Êг¡µÄѸÃÍ·¢Õ¹£¬¸÷´óÆ·ÅÆ·×·×Èë¾Ö£¬ÉîÛÚÊÐæê΢µç×ӿƼ¼ÓÐÏÞ¹«Ë¾×¨×¢ÓÚµçÔ´·½°¸Éè¼Æ¿ª·¢£¬²úÆ·¸²¸Ç5-300W¸÷ÀàµçÔ´²úÆ·£¬Ë³ÊÆÍƳöPN8161SE-U1+PN8307H+XPD730µÄ20W A+CË«¿ÚPD³äµçÆ÷·½°¸£¬ÒÔÂú×ãÊг¡ÐèÇó¡£
¡¡¡¡
¡¡¡¡Ò»¡¢·½°¸ÌØÐÔ¡¡¡¡
¡¡¡¡¡ö USB-C ¿Úµ¥¶ÀʹÓà 20WPD Êä³ö 5V3A 9V2.22A 12V1.67A¡¡¡¡
¡¡¡¡¡ö USB- A ¿Úµ¥¶ÀʹÓà 18WQC Êä³ö 5V3A 9V2A 12V1.5A¡¡¡¡
¡¡¡¡¡ö USB-C+USB- A ͬʱʹÓà 15W Êä³ö 5V3A¡¡¡¡
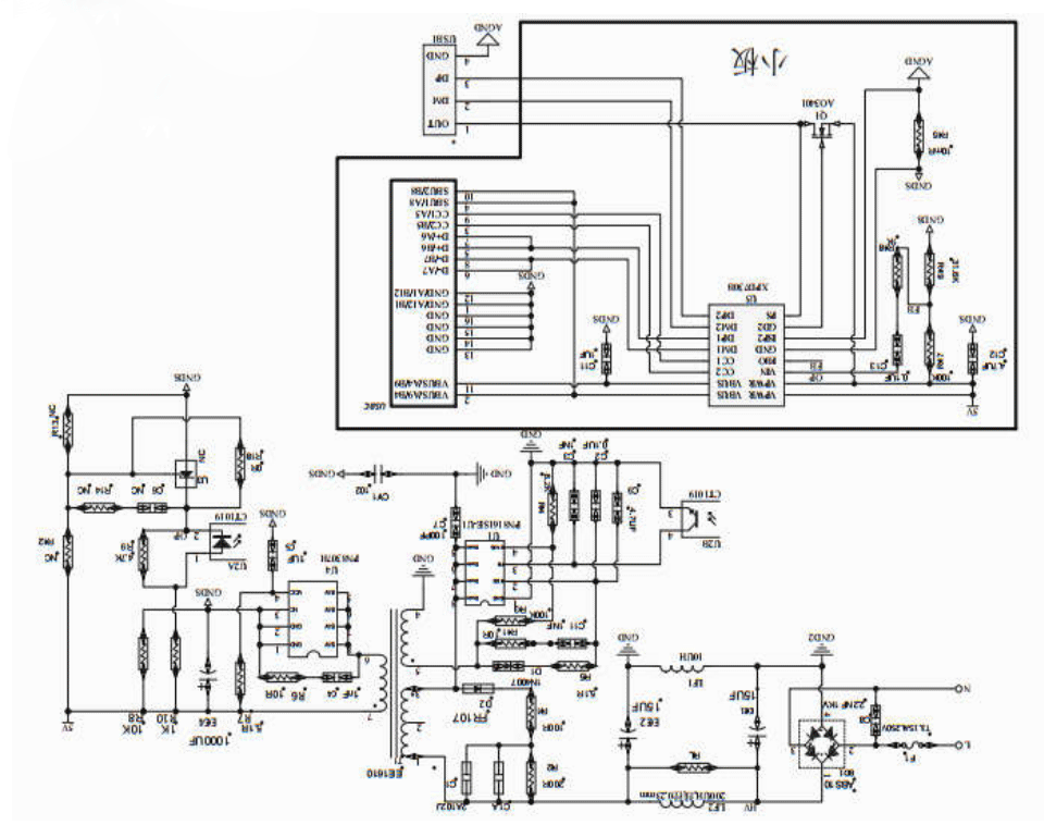
¡¡¡¡¡ö Ö÷¿ØÐ¾Æ¬PN8161SE-U1+ͬ²½ÕûÁ÷PN8307H+¸»ÂúÐÒéXPD730¡¡¡¡
¡¡¡¡¡ö ÕûÌ×·½°¸¾ßÓгɱ¾µÍ£¬ÐÔÄÜÎȶ¨£¬²úÆ·Ìå»ýС£¬¿ÉÂú×ãÈÏÖ¤ÒªÇó¡£
¡¡¡¡
¡¡¡¡¶þ¡¢Ð¾Æ¬¼ò½é¡¡¡¡
¡¡¡¡PWMÖ÷¿ØÐ¾Æ¬²ÉÓÃPN8161SE-U1£¬¸ÃоƬÄÚ²¿¼¯³ÉÁË׼гÕñ¹¤×÷µÄµçÁ÷ģʽ¿ØÖÆÆ÷ºÍ¹¦ÂÊMOSFET£¬×¨ÓÃÓÚ¸ßÐÔÄÜ¡¢ÍâΧԪÆ÷¼þ¾«¼òµÄAC-DC¿ª¹ØµçÔ´¡£¸ÃоƬÌṩÁ˼«ÎªÈ«ÃæºÍÐÔÄÜÓÅÒìµÄÖÇÄÜ»¯±£»¤¹¦ÄÜ£¬°üÀ¨Êä³ö¹ýѹ±£»¤¡¢ÖðÖÜÆÚ¹ýÁ÷±£»¤¡¢¹ýÔØ±£»¤¡¢ÈíÆô¶¯¹¦ÄÜ¡£¡¡¡¡
¡¡¡¡PN8161SE-U1ͨ¹ýQR-PWM¡¢QR-PFM¡¢Burst-modeµÄÈýÖÖģʽ»ìºÏµ÷ÖÆ¼¼ÊõºÍÌØÊâÆ÷¼þµÍ¹¦ºÄ½á¹¹¼¼ÊõʵÏÖÁ˳¬µÍµÄ´ý»ú¹¦ºÄ¡¢È«µçѹ·¶Î§ÏµÄ×î¼ÑЧÂÊ¡£ÆµÂʵ÷ÖÆ¼¼ÊõºÍSoftDriver¼¼Êõ³ä·Ö±£Ö¤Á¼ºÃµÄEMI±íÏÖ¡£
¡¡¡¡
¡¡¡¡´Î¼¶Í¬²½ÕûÁ÷оƬ²ÉÓÃPN8307H£¬ÄÚÖÃͬ²½ÕûÁ÷¿ØÖÆÆ÷¼°¸ßÑ©±ÀÄÜÁ¦¹¦ÂÊMOSFET£¬ÓÃÓÚÔÚ¸ßÐÔÄÜAC/DC·´¼¤ÏµÍ³ÖÐÌæ´ú´Î¼¶ÕûÁ÷Ð¤ÌØ»ù¶þ¼«¹Ü£¬µ¼Í¨Ñ¹½µ¼«µÍµÄ¹¦ÂÊMOSFET¿ÉÒÔÌá¸ßµçÁ÷Êä³öÄÜÁ¦£¬½µµÍÎÂÉý£¬ÌáÉýת»»Ð§ÂÊ£¬Ê¹µÃϵͳЧÂÊ¿ÉÒÔÂú×ã6¼¶ÄÜЧµÄ±ê×¼£¬²¢ÁôÓÐ×ã¹»µÄÔ£Á¿¡£¡¡¡¡
¡¡¡¡PN8307HÄÚÖÃ12mΩ60VÄÍѹͬ²½ÕûÁ÷¹Ü£¬ÊÊÓÃ3.6V-20V³£ÓÃÊÊÅäÆ÷Êä³ö£¬ÊÊÓÃÓÚQC3.0ÊÊÅäÆ÷¼°ÆäËû¹Ì¶¨µçѹÊä³öµÄÊÊÅäÆ÷¡£¸ÃоƬ»¹¼¯³ÉÁ˼«ÎªÈ«ÃæµÄ¸¨Öú¹¦ÄÜ£¬°üº¬Êä³öǷѹ±£»¤¡¢·ÀÎó¿ªÆô¡¢×îСµ¼Í¨Ê±¼äµÈ¹¦ÄÜ£¬Í¬Ê±ÍâΧԪ¼þ·Ç³£¾«¼ò¡£
¡¡¡¡
¡¡¡¡USB PDÐÒéоƬ²ÉÓÃXPD730£¬ÊÇÒ»¿î¼¯³É USB Type-C¡¢USB Power Delivery£¨PD£©2.0/3.0 ÒÔ¼° PPS¡¢QC3.0+/QC3.0/QC2.0 ¿ì³äÐÒé¡¢»ªÎª FCP/SCP/HVSCP ¿ì³äÐÒé¡¢ÈýÐÇ AFC ¿ì³äÐÒé¡¢BC1.2DCP ÒÔ¼°Æ»¹ûÉ豸 2.4A ³äµç¹æ·¶µÄ¶à¹¦ÄÜ USB Type-C ºÍ Type-A Ë«¶Ë¿Ú¿ØÖÆÆ÷¡£¾ßÓи߼¯³É¶ÈºÍ·á¸»µÄ¹¦ÄÜ£¬ÔÚÓ¦ÓÃʱ½öÐ輫ÉÙµÄÍâΧÆ÷¼þ£¬ÓÐЧ¼õСÕûÌå·½°¸µÄ³ß´ç£¬½µµÍBOM³É±¾¡£
¡¡¡¡
¡¡¡¡Èý¡¢DEMOʵÎïͼ

¡¡¡¡
¡¡¡¡ËÄ¡¢·½°¸µç·ÔÀíͼ

¡¡¡¡
¡¡¡¡Îå¡¢BOM Çåµ¥

¡¡¡¡
¡¡¡¡Áù¡¢EMI ²âÊÔÊý¾Ý¡¡¡¡
¡¡¡¡6.1 EMI´«µ¼²âÊÔ
¡¡¡¡

¡¡¡¡6.2 EMI·øÉä²âÊÔ

¡¡¡¡
¡¡¡¡ÕûÌ×·½°¸¾ßÓгɱ¾µÍ£¬ÐÔÄÜÎȶ¨£¬²úÆ·Ìå»ýС£¬¿ÉÂú×ãÈÏÖ¤ÒªÇ󡣸ü¶àPN8161SE-U1+PN8307H+XPD730µÄ20W A+CË«¿ÚPD³äµçÆ÷·½°¸²úÆ·ÊֲᡢÏß·ͼ¡¢BOM¡¢±äѹÆ÷Éè¼Æ×ÊÁÏ¡¢Demo²âÊÔÊý¾Ý¡¢Ð¾Æ¬Ó¦ÓÃÒªµãµÈ×ÊÁÏÇëÏòæê΢µç×ÓÉêÇë¡£>>
ÉÏһƪ£º65Wµª»¯ïØGaN¿ì³ä·½°¸PN8783+PN8307P ÏÂһƪ£ºCR5259_12V2A 24WÊÊÅäÆ÷µçԴоƬ·½°¸
Ïà¹Ø×ÊѶ
- CR3346 12V1AµçÔ´ÊÊÅäÆ÷·½°¸
- µÂÆÕ΢DP2525BԱ߷´À¡µçԴоƬºãѹºãÁ÷5W
- 5v2aµçÔ´ÊÊÅäÆ÷оƬ/³äµçÆ÷ic·½°¸
- 7¸ö´ó·ù¾«¼òÍâΧµÄac-dcµçÔ´¹ÜÀíоƬ·½°¸
- 5V2.4A Áù¼¶ÄÜЧ³äµçÆ÷Ìׯ¬·½°¸
- AP2905 5V0.7A½µÑ¹·½°¸£¬ÎÞEMIÂ˲¨Æ÷¡¢½öÐè
- CR6900A_45w¿ì³äpdµçÔ´·½°¸
- 12v1aÊÊÅäÆ÷·½°¸ÎÞYÎÞ¹²Ä££¬½öÐè2¿ÅÍâΧо
- ´´ÐÂÌׯ¬| 12V2AÈ¥YÁù¼¶ÄÜЧµçÔ´ÊÊÅäÆ÷·½°¸
- PN8163_48V¸ßÐÔÄÜPOEµçÔ´·½°¸
ͬÀàÎÄÕÂÅÅÐÐ
- 7¸ö´ó·ù¾«¼òÍâΧµÄac-dcµçÔ´¹ÜÀíоƬ·½°¸
- µÂÆÕ΢DP2525BԱ߷´À¡µçԴоƬºãѹºãÁ÷5W
- CR5218SC_5V1AÊÊÅäÆ÷·½°¸
- 5v¿ª¹ØµçԴоƬPN8370M+PN8306M 5V2AÁù¼¶ÄÜ
- CR1252+CR3012_12V20A¿ª¹ØµçÔ´·½°¸
- »ùÓÚPN8390+PN8308M¸ßÐÔÄÜ12V2AÊÊÅäÆ÷µçÔ´
- PN8000ÎÞµç¸Ð¸ºÑ¹Êä³öAC-DC·Ç¸ôÀ볬¾«¼ò·½
- PN8370_2.4AÊÖ»ú³äµçÆ÷µçԴоƬ·½°¸
- 12V3.0Aͬ²½ÕûÁ÷Áù¼¶ÄÜЧµçÔ´ÊÊÅäÆ÷Ó¦Ó÷½
- CR6249_12V1.5AµçÔ´ÊÊÅäÆ÷·½°¸
×îÐÂÎÄÕÂ×ÊѶ
- ¹ýÈÏÖ¤¡¢µÍ³É±¾ | 65W-PD-2C1Aµª»¯ïØÉè¼Æ·½
- ¿ªÒµ´ó¼ª | ÉîÛÚÊÐæê΢µç×Ó-Äþ²¨·Ö¹«Ë¾£¡
- ϲºØÐ¾Åó΢ף¾¸²©Ê¿ÈÙ»ñ¡°½ËÕÇàÄêÎåËĽ±ÕÂ
- CR6212_5V/12V¸ßЧÂÊ¡¢µÍ³É±¾µçÔ´·½°¸£¬Íê
- 2024ÄêÕ¹³á·ÉÏè | 2023Äê¶ÈÒµÎñ×ܽύÁ÷´ó
- ÕæÃ¯¼ÑÖúÁ¦µç¶¯Æû³µÁªÃËÆû³µµç×ÓÔªÆ÷¼þ¹¤×÷
- îýÁ¦AP30H80Q vbus¿ª¹ØMOS»ñµÃ°²¿Ë67W 2C1A
- Ê¿À¼Î¢650V¸ßѹ³¬½áSTSϵÁУ¬¹ã·ºÓ¦ÓÃÓÚÏû
- оÅóPN8213»ñƷʤ65Wµª»¯ïسäµçÆ÷²ÉÓ㬿É
- æê΢µç×ӲμÓÉúÃüÓ¦¼±¡°¾È¡±ÔÚÉí±ß£¬¼±¾È¼¼
°¢Àï°Í°ÍµêÆÌ
¹Ø×¢æê΢
ÊÕ²Øæê΢

