pn8359 ¸ß¾«¶Ècccv Ա߷´À¡¿ª¹ØµçԴоƬ!
×ֺţºT|T
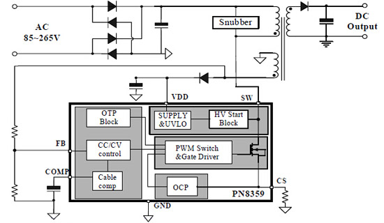
¡¡¡¡ÔÚС¹¦ÂÊÏû·ÑÀàµç×ÓÓ¦ÓÃÖУ¬·´¼¤Ê½µçÔ´ÊÇÖ÷Á÷£¬pn8359¸ß¾«¶ÈԱ߷´À¡¿ª¹ØµçԴоƬÄÚÖÃ650V¹¦ÂÊMOSFET£¬¿ÉÒÔÌá¸ßµçÔ´¹¦ÂʵÄÃܶȣ¬½ÚÊ¡¿Õ¼äÒÔ¼°³É±¾£¬pn8359Ա߷´À¡Ð¾Æ¬·Ç³£ÊʺÏС¹¦ÂʶΣ¬Í¬Ê±Ò²ÌṩÁËÌìÈ»µÄ¸ôÀëЧ¹û¡£

¡¡¡¡
¡¡¡¡PN8359 ʹÓÃÔ±ßÈ¡ÑùÀ´½øÐо«È·µÄºãÁ÷¡¢ºãѹ¿ØÖÆ£¬¿ÉÒÔʡȥһ°ãÓ¦ÓÃÖеĹâñîÓëTL431£¬PN8359 ×î´óÊä³ö¹¦ÂÊ12W£¬²ÉÓÃDIP8·â×°¡£
¡¡¡¡
¡¡¡¡PN8359 ÊÇÒ»¿Å¸ß¾«¶ÈÀëÏßʽ¿ª¹ØµçÔ´µç·£¬¾ßÓж¶Æµ¹¦ÄÜ£¬¿ÉÒÔÌṩ¸üºÃµÄEMIÐÔÄÜ£¬ÓÃÓÚ¸ßÐÔÄÜ¡¢ÍâΧԪÆ÷¼þ¾«¼òµÄ¿ª¹ØµçÔ´ÊÊÅäÆ÷¡¢µç³Ø³äµçÆ÷¡¢»ú¶¥ºÐµçÔ´ÒÔ¼°LEDÕÕÃ÷¡£
¡¡¡¡
¡¡¡¡PN8359 ÔÚºãÁ÷ģʽÏ£¬Êä³ö¹¦ÂÊ¿ÉÓÉCS½ÅÍâ½ÓµÄÈ¡Ñùµç×èRsÉ趨¡£ÔÚºãѹģʽÏ£¬Ð¾Æ¬µÄ¶àÖÖ¹¤×÷ģʽ¿ÉÒÔ±£Ö¤½Ï¸ßµÄÕûÌåת»»Ð§ÂÊ¡£
¡¡¡¡
¡¡¡¡PN8359 ´ËÍ⣬оƬÄÚÖÃÓÐÏßѹ½µ²¹³¥£¬ÓÉ´ËÈ¡µÃÁ¼ºÃµÄ¸ºÔص÷ÕûÂÊ£¬PN8359 ÔÚºãÁ÷ģʽϹ¤×÷ÓÚPFM״̬£¬ÔÚºãѹģʽϹ¤×÷ÓÚPWM״̬£¬ÇáÔØÊ±½µÆµ¹¤×÷¡£
¡¡¡¡
¡¡¡¡PN8359 ÌṩÉϵçÈíÆô¶¯¹¦ÄÜÓë¸÷ÖÖ¿É×Ô»Ö¸´µÄ±£»¤¹¦ÄÜ£¬°üÀ¨ÖðÖÜÆÚÏÞÁ÷±£»¤£¨OCP£©£¬VDD¹ýѹ±£»¤£¨OVP£©£¬VDD¹ýѹóéλ£¬Ç·Ñ¹±£»¤£¨UVLO£©£¬¹ýα£»¤µÈ¡£

¡¡¡¡
¡¡¡¡Ô±ß·´À¡Ð¾Æ¬Ê¡È¥ÁË431ºÍ¹âñΪÆäÓ¦Óõç·ÓÐЧ½ÚÊ¡¿Õ¼äÒÔ¼°³É±¾£¬æê΢µç×Ó´úÀíµÄоÅó΢оƬÉè¼Æ¼¼ÊõµÄ²»¶Ï´´Ð£¬ÎªÁËʵÏָ߾«¶ÈµÄºãÁ÷/ºãѹ£¨CC/CV£©ÌØÐÔ£¬²ÉÓóõ¼¶£¨Ô±ß£©µ÷½Ú¼¼Êõ¡¢±äѹÆ÷Èݲ³¥¡¢ÏßÀ²¹³¥ºÍEMIÓÅ»¯¼¼Êõ£¬ ʹÐÂÒ»´úpn8359Ա߷´À¡¿ª¹ØµçԴоƬ¹¦Äܲ»¶ÏÔö¼Ó£¬ÖÆÔì³É±¾²»¶ÏϽµ²¢ÇÒÌá¸ßÁËϵͳµÄ¿É¿¿ÐÔ¡£
Ïà¹Ø×ÊѶ
- µÍ³É±¾µÍ¹¦ºÄÎÞÏß¿ÉÊÓÃÅÁåic
- PD¿ì³äоƬPN8307Mͬ²½ÕûÁ÷Æ÷
- È«Ì׸߼¯³É18W USB PD¿ì³ä·½°¸£¬ÒÑÁ¿²ú³ö»õ
- 2020ÎåÒ»ÀͶ¯½Ú·Å¼Ù֪ͨ£¡
- ϲºØ£¬Ð¾Åó΢¿Æ´´°åÉÏÊУ¬ÊÐÖµ³¬140ÒÚ£¡
- ЯÊÖ²¢½ø£¬æê΢µç×ÓÐøÇ©chipown´úÀíÉÌ£¡
- ¸»Âú20-65W PDÐÒéоƬ
- SDH8594ASÄÚÖøßѹMOS¹ÜµÄԱ߿ØÖÆÐ¾Æ¬
- оÅóPN8161+PN8307H 18W¸ß¼¯³ÉPD¿ì³ä·½°¸Ó¦
- ¿ªÒµ´ó¼ª | ÉîÛÚÊÐæê΢µç×Ó-Äþ²¨·Ö¹«Ë¾£¡
ͬÀàÎÄÕÂÅÅÐÐ
- ³£ÓõçÔ´¹ÜÀíоƬÐͺŽéÉÜ
- PN8680MÌæ´úOB2500POP½ÅλһÑù£¬ÎÞÐè¸Ä°åÊ¡
- AP8012H´ú»»ST Viper12A¿ÉPIN to PIN¼æÈÝ
- Ö÷Á÷µÄ¿ì³äÐÒéоƬPD³äµçоƬ
- ¸»ÂúpdÐÒéоƬϵÁУ¬pd¿ì³äÐÒéоƬѡÐÍ£¡
- 200V¸ßÄÍѹDC-DC½µÑ¹Ð͵綯³µ¿ØÖÆÆ÷оƬ
- ¸»Âú20-65W PDÐÒéоƬ
- PN8046¿íÊä³ö·Ç¸ôÀëת»»Ð¾Æ¬
- PN8036M¿íÊä³ö·¶Î§·Ç¸ôÀëac/dcµçԴоƬ
- оÅó΢£¨°²Ç÷£©µç»úÇý¶¯Ð¾Æ¬Ñ¡ÐÍÖ¸ÄÏ£¡
×îÐÂÎÄÕÂ×ÊѶ
- æê΢µç×Ó | ϲǨÐÂÖ·£¬ÐøÐ´·¢Õ¹ÐÂÆªÕ£¡
- оÅó΢20ÖÜÄê | ´úÀíÊÜÑû¼û֤оÁ¦Á¿£¬¹²¸°
- ¹ýÈÏÖ¤¡¢µÍ³É±¾ | 65W-PD-2C1Aµª»¯ïØÉè¼Æ·½
- ¿ªÒµ´ó¼ª | ÉîÛÚÊÐæê΢µç×Ó-Äþ²¨·Ö¹«Ë¾£¡
- ϲºØÐ¾Åó΢ף¾¸²©Ê¿ÈÙ»ñ¡°½ËÕÇàÄêÎåËĽ±ÕÂ
- CR6212_5V/12V¸ßЧÂÊ¡¢µÍ³É±¾µçÔ´·½°¸£¬Íê
- 2024ÄêÕ¹³á·ÉÏè | 2023Äê¶ÈÒµÎñ×ܽύÁ÷´ó
- ÕæÃ¯¼ÑÖúÁ¦µç¶¯Æû³µÁªÃËÆû³µµç×ÓÔªÆ÷¼þ¹¤×÷
- îýÁ¦AP30H80Q vbus¿ª¹ØMOS»ñµÃ°²¿Ë67W 2C1A
- Ê¿À¼Î¢650V¸ßѹ³¬½áSTSϵÁУ¬¹ã·ºÓ¦ÓÃÓÚÏû
°¢Àï°Í°ÍµêÆÌ
¹Ø×¢æê΢
ÊÕ²Øæê΢

