È«²¿²úÆ··ÖÀà
¼¯³Éµç·IC
- ÓÅÊÆ²úÆ·
- Chipown/оÅó΢
- оÅóµç»úÇý¶¯Ð¾Æ¬
- SLAN/Ê¿À¼Î¢
- CR/Æô³¼Î¢
- FM/¸»ÂúϵÁÐ
- SF/ÈüÍþоƬ
- XL/оÁúϵÁÐ
- LW/æê΢
³¡Ð§Ó¦¹Ü/MOS/IGBT
¶þ¼«¹Ü
Èý¼«¹Ü
ÍÆ¼ö²úÆ·
ÁªÏµÎÒÃÇ
ÉîÛÚÊÐæê΢µç×ӿƼ¼ÓÐÏÞ¹«Ë¾
µç»°£º0755-23087599
ÊÖ»ú£º13808858392
ÓÊÏ䣺dunianhua@leweitech.com
µØÖ·£ºÉîÛÚÊб¦°²ÇøÎ÷Ïçº×ÖÞºã·á¹¤Òµ³ÇB11¶°5Â¥¶«
PN8359 Ա߷´À¡Ð¾Æ¬
ËùÊô·ÖÀࣺChipown/оÅó΢
Æ·ÅÆ£ºÐ¾Åó΢
ÐͺţºPN8359
·â×°£ºdip-8
¹¦ÂÊ£º15W-20W
µçÁ÷£º85~265 VAC
ÐͺţºPN8359
·â×°£ºdip-8
¹¦ÂÊ£º15W-20W
µçÁ÷£º85~265 VAC
¶©¹ºÈÈÏߣº0755-23087599
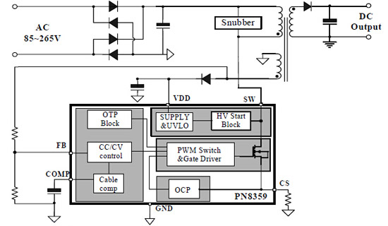
¡¡¡¡PN8359¸ÅÊö£º¡¡¡¡
¡¡¡¡PN8359°üÀ¨¸ß¾«¶ÈµÄºãѹ¡¢ºãÁ÷Ա߿ØÖÆÆ÷¼°¹¦ÂÊMOSFET£¬ÓÃÓÚ¸ßÐÔÄÜ¡¢ÍâΧԪÆ÷¼þ¾«¼òµÄ³äµçÆ÷ºÍLEDÕÕÃ÷¡£¡¡¡¡
¡¡¡¡PN8359¹¤×÷ÔÚԱ߼ì²âºÍµ÷Õûģʽ£¬¿ÉÊ¡ÂÔ¹âñîºÍTL431¡£¸ÃоƬÌṩÁ˼«ÎªÈ«ÃæµÄ×Ô»Ö¸´±£»¤¹¦ÄÜ£¬°üº¬ÖðÖÜÆÚ¹ýÁ÷±£»¤¡¢¹ýѹ±£»¤¡¢¿ª»·±£»¤¡¢¹ýα£»¤¡¢Êä³ö¶Ì·±£»¤ºÍCS¿ª/¶Ì·±£»¤µÈ¡£¡¡¡¡
¡¡¡¡PN8359ÄÚÖøßѹÆô¶¯µç·ºÍ¼«µÍµÄоƬ¹¦ºÄʹµÃÄܹ»Âú×ã½Ï¸ßµÄ´ý»ú¹¦ºÄ±ê×¼¡£ÔÚºãÁ÷ģʽ£¬µçÁ÷ºÍÊä³ö¹¦ÂÊ¿Éͨ¹ýCS½ÅµÄRsµç×è½øÐе÷½Ú£»ÔÚºãѹģʽ£¬PFM¹¤×÷ģʽ¿É»ñµÃ½Ï¸ßµÄÐÔÄܺÍЧÂÊ¡£ÇáÔØÊ±£¬¸ÃоƬ²ÉÓýÏСµÄ·åÖµµçÁ÷¹¤×÷ÒÔ¼õСÒôƵÔëÉù¡£ÁíÍ⣬Êä³öÏß²¹³¥¹¦ÄÜÓÐÖúÓÚ»ñµÃ½ÏºÃµÄ¸ºÔص÷ÕûÂÊ¡£
¡¡¡¡
¡¡¡¡PN8359²úÆ·ÌØÕ÷£º¡¡¡¡
¡¡¡¡¡ö ÄÚÖÃ650V¹¦ÂÊMOSFET¡¡¡¡
¡¡¡¡¡ö È«µçѹÊäÈ뷶Χ±5%µÄµçÁ÷/µçѹµ÷ÕûÂÊ¡¡¡¡
¡¡¡¡¡ö ¿ÉÊ¡¹âñîºÍTL431¡¡¡¡
¡¡¡¡¡ö ºãѹºÍºãÁ÷¿Éµ÷¡¡¡¡
¡¡¡¡¡ö Êä³öÏß²¹³¥¹¦ÄÜ¡¡¡¡
¡¡¡¡¡ö ÄÚÖÃԱߵç¸ÐÁ¿²¹³¥µç·¡¡¡¡
¡¡¡¡¡ö ÎÞÒôƵÔëÉù¡¡¡¡
¡¡¡¡¡ö ÄÚÖøßѹÆô¶¯µç·¡¡¡¡
¡¡¡¡¡ö ÓÅÒìÈ«ÃæµÄ±£»¤¹¦ÄÜ¡¡¡¡
¡¡¡¡ ¹ýα£»¤ (OTP)¡¡¡¡
¡¡¡¡ VDDÇ·Ñ¹Ëø¶¨ (UVLO)¡¡¡¡
¡¡¡¡ CS¿ª/¶Ì·±£»¤¡¡¡¡
¡¡¡¡ ¿ª»·±£»¤ (OLP)¡¡¡¡
¡¡¡¡ VDD¹ýѹ±£»¤ (OVP)¡¡¡¡
¡¡¡¡ °²È«×Ô¶¯»Ö¸´Ä£Ê½
¡¡¡¡
¡¡¡¡PN8359·â×°/¶©¹ºÐÅÏ¢£º

¡¡¡¡
¡¡¡¡pn8359Òý½Å¹¦Äܼ°µçѹ£º
| ¹Ü½Å±êºÅ | ¹Ü½ÅÃû | ¹Ü½Å¹¦ÄÜÃèÊö |
| 1 | VDD | ¹¤×÷µçѹÊäÈëÒý½Å |
| 2 | COMP | »·Â·²¹³¥Òý½Å |
| 3 | FB | ·´À¡Òý½Å£¬¸¨ÖúÈÆ×éµçѹͨ¹ýµç×è·´À¡Îȶ¨Êä³ö |
| 4 | CS | µçÁ÷¼ì²âÒý½Å |
| 5 | SW | ¸ßѹMOSFETÒý½Å£¬¸ú±äѹÆ÷³õ¼¶ÏàÁ¬ |
| 6 | ||
| 7 | GND | µØµçλ |
| 8 |
¡¡¡¡
¡¡¡¡PN8359¼«ÏÞ¹¤×÷·¶Î§£º¡¡¡¡
¡¡¡¡VDD ½ÅÄÍѹ……...…………………………………………………………………………….….-0.3~25V¡¡¡¡
¡¡¡¡SW ½ÅÄÍѹ……………………………………………………………………………………….…650V¡¡¡¡
¡¡¡¡FB£¬COMP ½ÅÄÍѹ…………………………………………………………………………..……-0.3~5.5V¡¡¡¡
¡¡¡¡½á¹¤×÷ζȷ¶Î§……………………………………………………………………………………-40~140¡æ¡¡¡¡
¡¡¡¡´æ´¢Î¶ȷ¶Î§………………………………………………………………………………………-55~150¡æ¡¡¡¡
¡¡¡¡¹Ü½Åº¸½ÓÎÂ¶È (10Ãë) ………………………………………………………………………………260¡æ¡¡¡¡
¡¡¡¡ESD ÄÜÁ¦(HBM) ……………………………………………………………………………………..2.0kV¡¡¡¡
¡¡¡¡×î´ó©¼«Âö³åµçÁ÷……………………………………………………………………………………2.0A
¡¡¡¡
¡¡¡¡PN8359Ó¦Óõç·ͼ£º

°¢Àï°Í°ÍµêÆÌ
¹Ø×¢æê΢
ÊÕ²Øæê΢










