ͬ²½ÕûÁ÷ic¹¤×÷ÔÀí¼°Ó¦Óã¡
×ֺţºT|T
¡¡¡¡Í¬²½ÕûÁ÷ic¹¤×÷ÔÀí£¬Í¬²½ÕûÁ÷ÊDzÉÓÃ̬ͨµç×輫µÍµÄרÓù¦ÂÊMOSFET£¬À´È¡´úÕûÁ÷¶þ¼«¹ÜÒÔ½µµÍÕûÁ÷ËðºÄµÄÒ»Ïîм¼Êõ£¬ËüÄÜÓÐЧÌá¸ß±ä»»Æ÷µÄת»»Ð§ÂÊ£¬²¢ÇÒ²»´æÔÚÓÉÐ¤ÌØ»ùÊÆÀݵçѹ¶øÔì³ÉµÄËÀÇøµçѹ£¬²¢¿ÉÀûÓÃÆä¶þ´Î²àµÄÓÅÊÆ¸ÄÉÆµçÔ´Ö¸±ê¡£

¡¡¡¡
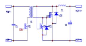
¡¡¡¡Í¬²½ÕûÁ÷µÄ»ù±¾µç·½á¹¹ÔÀí£º¡¡¡¡
¡¡¡¡¹¦ÂÊMOSFETÊôÓÚµçѹ¿ØÖÆÐÍÆ÷¼þ£¬ËüÔÚµ¼Í¨Ê±µÄ·ü°²ÌØÐÔ³ÊÏßÐÔ¹ØÏµ¡£Óù¦ÂÊMOSFET×öÕûÁ÷Æ÷ʱ£¬ÒªÇóÕ¤¼«µçѹ±ØÐëÓë±»ÕûÁ÷µçѹµÄÏàλ±£³Öͬ²½²ÅÄÜÍê³ÉÕûÁ÷¹¦ÄÜ£¬¹Ê³ÆÖ®ÎªÍ¬²½ÕûÁ÷¡£
¡¡¡¡
¡¡¡¡ÎªÊ²Ã´ÒªÓ¦ÓÃͬ²½ÕûÁ÷¼¼Êõ£º¡¡¡¡
¡¡¡¡µçÔ´µÄËðºÄÖ÷ÒªÓɹ¦ÂÊ¿ª¹Ø¹ÜËðºÄ¡¢¸ßƵ±äѹÆ÷ËðºÄ¡¢Êä³ö¶ËÕûÁ÷¹ÜËðºÄÈý²¿·Ö×é³É£¬Ëæ×ŵç×Ó¼¼ÊõµÄ·¢Õ¹£¬Ê¹µÃµç·µÄ¹¤×÷µçѹԽÀ´Ô½µÍ¡¢µçÁ÷Ô½À´Ô½´ó¡£µÍµçѹ¹¤×÷ÓÐÀûÓÚ½µµÍµç·µÄÕûÌ幦ÂÊÏûºÄ£¬µ«Ò²¸øµçÔ´Éè¼ÆÌá³öÁËеÄÄÑÌ⣬µçԴͬ²½ÕûÁ÷оƬÓÐÀûÓÚ½µµÍµç·µÄÕûÌ幦ÂÊÏûºÄ£¬ÒÔÂú×ãÁù¼¶ÄÜЧµÄÐèÇó¡£
¡¡¡¡
¡¡¡¡Í¬²½ÕûÁ÷Ïà±È´«Í³µÄÐ¤ÌØ»ùÕûÁ÷¼¼ÊõÓÅÊÆ£º¡¡¡¡
¡¡¡¡Ò»¡¢ÕâÁ½ÖÖÕûÁ÷¹Ü¶¼¿ÉÒÔ¿´³ÉÒ»ÉȵçÁ÷ͨ¹ýµÄÃÅ£¬µçÁ÷Ö»ÓÐͨ¹ýÁËÕâÉÈÃŲÅÄܹ©¸ºÔØÊ¹Óᣡ¡¡¡
¡¡¡¡¶þ¡¢´«Í³µÄÕûÁ÷¼¼ÊõÀàËÆÓÚÒ»ÉȱØÐëҪͨ¹ýÓÐÈË´óÁ¦ÍƲÅÄÜÍÆ¿ªµÄÃÅ£¬¹ÊµçÁ÷ͨ¹ýÕâÉÈÃÅʱÿ´Î¶¼Òª¾Þ´óŬÁ¦£¬³öÁËÒ»Éíº¹£¬ËðºÄ×ÔȻҲ¾Í²»ÉÙÁË¡£¡¡¡¡
¡¡¡¡Èý¡¢¶øÍ¬²½ÕûÁ÷¼¼ÊõÓеãÀàËÆÎÒÃÇͨ¹ýµÄ½Ï¸ßµµ³¡ËùµÄ¸ÐÓ¦ÃÅÁË£ºËü¿´ÆðÀ´ÊǹØ×ŵ쬵«Äã×ßµ½Ëü¸úǰÐèҪͨ¹ýµÄʱºò£¬Ëü¾Í×Ô¼º¿ªÁË£¬¸ù±¾²»ÓÃÄã×Ô¼º·Ñ´óÁ¦È¥ÍÆ£¬ËùÒÔ×ÔÈ»¾ÍûÓÐʲôËðºÄÁË¡£¡¡¡¡
¡¡¡¡Í¨¹ýÀà±È£¬ÎÒÃÇ¿ÉÒÔÖªµÀ£¬Í¬²½ÕûÁ÷¼¼Êõ¾ÍÊÇ´ó´ó¼õÉÙÁË¿ª¹ØµçÔ´Êä³ö¶ËµÄÕûÁ÷ËðºÄ£¬´Ó¶øÌá¸ßת»»Ð§ÂÊ£¬½µµÍµçÔ´±¾Éí·¢ÈÈ¡£

¡¡¡¡
¡¡¡¡ÔÚµçÔ´Éè¼ÆÖУ¬ÄÚÖÃmosͬ²½ÕûÁ÷icÒòÍâΧ¾«¼ò¡¢EMCÐÔÄÜ׿Խ¡¢Ö§³ÖÈÎÒ⹤×÷ģʽ¡¢ÌùƬ·â×°²¢ÎÞÐèÉ¢ÈÈÆ¬£¬5V2A£¬5V2.4A£¬5V3.4A£¬12V2.4A£¬12V3AÊä³öͬ²½ÕûÁ÷¾µäIC PN8306¡¢PN8307£¬ 5V2.4A£¬5V3A£¬12V2A£¬12V2.4A£¬12V3A£¬12V3.5AÊä³öµÄٮٮÕßPN8308¡¢PN8309£¬Òò´Ëͬ²½ÕûÁ÷ic¹ã·ºÓ¦ÓÃÓÚÁù¼¶ÄÜЧµçÔ´·½°¸¡£
ÉÏһƪ£º¸ßÐÔÄÜ20W USB PD¿ì³ä³äµçÆ÷·½°¸ ÏÂһƪ£ºÐ¾Åópd 20w¿ì³ä·½°¸Ó¦ÓÃÓÚ¹Åʯ¿Æ¼¼
Ïà¹Ø×ÊѶ
- ³äµç±£»¤icоƬ×÷ÓÃÓÐÄÄЩ£¿
- viper12aÌæ´úоƬAP8012H pin to pin¼æÈݲ»
- Ö÷Á÷³§É̵çÔ´ic LEDÇý¶¯Ð¾Æ¬µÄÓÅÁÓÊÆ·ÖÎö
- SVF4N65/SVF7N65/SVF10N65/SVF12N65³£Óøß
- ¿ÆÆÕÔªÆ÷¼þ»ù´¡ÖªÊ¶£¬±æ±ðÔ×°ÓëÉ¢ÐÂIC£¡
- ¹ú²úµçÔ´¹ÜÀíоƬ´òÆÆ½ø¿Ú¢¶Ï£¬Öý¾Í¹úÄÚÉý
- ³äµçÆ÷ic³£ÓÃÐͺţ¡
- ³äµçicоƬÐÔÄÜÒªÇó·ÖÎö!
- 10WÎÞÏß³äSoC·½°¸£º¸ßÐÔÄÜ+µÍBOM³É±¾
- ¿ª¹ØµçԴоƬµÄ×÷Óü°»ù±¾ÔÀí·ÖÎö
ͬÀàÎÄÕÂÅÅÐÐ
- ap8022´ú»»viper22a¿É¼æÈÝ£¬²»¸ÄPCB¼°ÍâΧ
- µçԴоƬsdh8302s¿ÉPIN½Å´ú»»VIPER12A/AP80
- ʲôÊÇMOS¹ÜµÄÑ©±À¼°mos¹ÜÑ©±À»÷´©ÔÀí£¡
- ³£ÓÃdc-dc½µÑ¹Ð¾Æ¬ÍƼö
- PN555LÄÚÖÃ690VС¹¦ÂʷǸôÀëоƬ¿ÉÌæPN8008
- sdh8303´ú»»viper22a/AP8012H£¬PIN½Å¼æÈÝÎÞ
- IR4427Ìæ»»Ð¾Æ¬ID1127Ë«µÍ²à¡¢´óµçÁ÷Çý¶¯£¬
- ¹ú²úµçÔ´¹ÜÀíоƬÓÐÄÄЩ£¿
- ³£ÓõÍѹmos¹ÜÐͺż°Ñ¡ÐÍ£¡
- ob2269Ìæ´úоƬCR6842³É±¾µÍ£¬ÐÔÄܸüÎȶ¨£¡
×îÐÂÎÄÕÂ×ÊѶ
- æê΢µç×Ó | ϲǨÐÂÖ·£¬ÐøÐ´·¢Õ¹ÐÂÆªÕ£¡
- оÅó΢20ÖÜÄê | ´úÀíÊÜÑû¼û֤оÁ¦Á¿£¬¹²¸°
- ¹ýÈÏÖ¤¡¢µÍ³É±¾ | 65W-PD-2C1Aµª»¯ïØÉè¼Æ·½
- ¿ªÒµ´ó¼ª | ÉîÛÚÊÐæê΢µç×Ó-Äþ²¨·Ö¹«Ë¾£¡
- ϲºØÐ¾Åó΢ף¾¸²©Ê¿ÈÙ»ñ¡°½ËÕÇàÄêÎåËĽ±ÕÂ
- CR6212_5V/12V¸ßЧÂÊ¡¢µÍ³É±¾µçÔ´·½°¸£¬Íê
- 2024ÄêÕ¹³á·ÉÏè | 2023Äê¶ÈÒµÎñ×ܽύÁ÷´ó
- ÕæÃ¯¼ÑÖúÁ¦µç¶¯Æû³µÁªÃËÆû³µµç×ÓÔªÆ÷¼þ¹¤×÷
- îýÁ¦AP30H80Q vbus¿ª¹ØMOS»ñµÃ°²¿Ë67W 2C1A
- Ê¿À¼Î¢650V¸ßѹ³¬½áSTSϵÁУ¬¹ã·ºÓ¦ÓÃÓÚÏû
°¢Àï°Í°ÍµêÆÌ
¹Ø×¢æê΢
ÊÕ²Øæê΢

