IR4427Ìæ»»Ð¾Æ¬ID1127Ë«µÍ²à¡¢´óµçÁ÷Çý¶¯£¬¿ÉÍêÃÀ´ú»»£¡
×ֺţºT|T
¡¡¡¡½üÁ½ÄêÀ´£¬ÓÉÓÚȱ»õºÍÕǼ۵ÈÒòËØ£¬ºÜ¶à³§ÉÌͨ¹ý¹ú²úÌæ´úÀ´½â¾öÏîĿȱÁϵÄÎÊÌ⣬¹ú²úµç»úÇý¶¯Ð¾Æ¬ÔÚµçѹÄÍѹ¡¢µçÁ÷Çý¶¯ÄÜÁ¦¼°¿¹¾²µç¡¢¿¹ÀËÓ¿µÈ¿É¿¿ÐÔ·½Ãæ¶¼Óв»´íµÄ±íÏÖ£¬ID1127Ë«µÍ²à¡¢´óµçÁ÷Çý¶¯¿É¼æÈÝÌæ´úIR4427оƬ¡£
¡¡¡¡
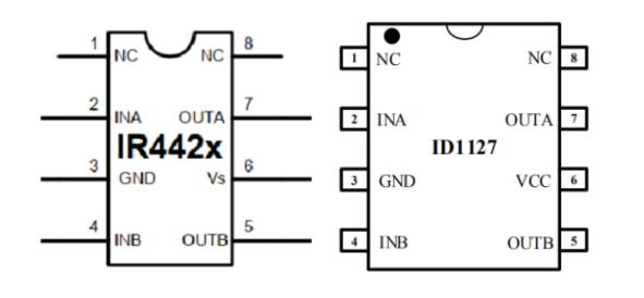
¡¡¡¡ir4427´ú»»Ð¾Æ¬ID1127·â×°

¡¡¡¡
¡¡¡¡ir4427Ìæ»»Ð¾Æ¬ID1127ÌØµã¡¡¡¡
¡¡¡¡¡ö 5-18V ¿í·¶Î§¹¤×÷µçѹ·¶Î§¡¡¡¡
¡¡¡¡¡ö ÊäÈë¼æÈÝ 3.3V, 5V Âß¼¹¤×÷µçƽ¡¡¡¡
¡¡¡¡¡ö 3.5A/3.7A À¹àµçÁ÷ÄÜÁ¦

¡¡¡¡
¡¡¡¡ID1127ºÍIR4427оƬ¶¼ÊDzÉÓÃSOP-8·â×°£¬Ð¾Æ¬1½ÅºÍ8½ÅÔÚоƬÖÐ×÷Ϊ³£¿ªÒý½Å£¬²»Æð×÷Óã¬Ò»Í¨µÀÓÉ2½ÅÊäÈëÒý½ÅÓë7½ÅÊä³öÒý½Å×é³É£¬Ð¾Æ¬3½ÅÊÇоƬµÄ½ÓµØÒý½Å¡£Ð¾Æ¬6½Å×÷ΪоƬµÄµçÔ´¹©µçÒý½Å£¬¶þͨµÀÓÉ4½ÅÊäÈëÒý½ÅÓë5½ÅÊä³öÒý½Å×é³É¡£

¡¡¡¡
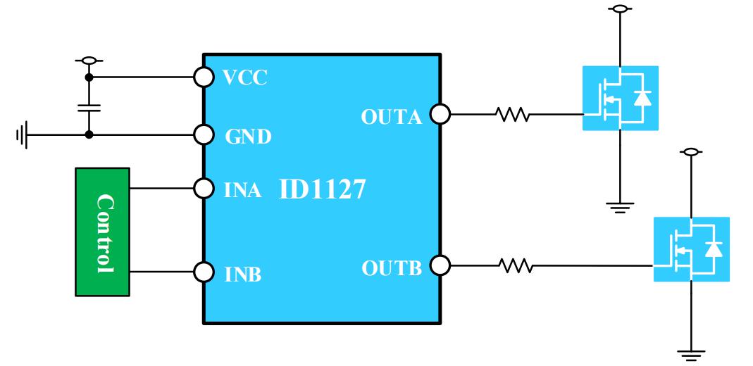
¡¡¡¡ID1127 ÊÇÒ»¿îµÍµçѹ¡¢¸ßËÙ¹¦ÂÊMOSFETºÍIGBTÇý¶¯Ð¾Æ¬£¬¾ßÓзÀÃÅËøµÄCMOS¼¼Êõ£¬ÆäÒý½Å¹¦ÄܺÍÐÔÄܺÍIR4427оƬ»ù±¾Ò»Ö£¬ID1127¿É¼æÈÝÌæ´úir4427£¬±»¹ã·ºÓ¦ÓÃÓÚPFC¿ØÖÆÆ÷¡¢Âö³å±äѹÆ÷Çý¶¯¡¢DC DCת»»Æ÷¡¢Èκλ¥²¹Çý¶¯×ª»»Æ÷µÈÁìÓò¡£
Ïà¹Ø×ÊѶ
- ³äµçicоƬÐÔÄÜÒªÇó·ÖÎö!
- ¿ª¹ØµçԴоƬµÄ×÷Óü°»ù±¾ÔÀí·ÖÎö
- SVF4N65/SVF7N65/SVF10N65/SVF12N65³£Óøß
- ¿ÆÆÕÔªÆ÷¼þ»ù´¡ÖªÊ¶£¬±æ±ðÔ×°ÓëÉ¢ÐÂIC£¡
- 10WÎÞÏß³äSoC·½°¸£º¸ßÐÔÄÜ+µÍBOM³É±¾
- Ö÷Á÷³§É̵çÔ´ic LEDÇý¶¯Ð¾Æ¬µÄÓÅÁÓÊÆ·ÖÎö
- ¹ú²úµçÔ´¹ÜÀíоƬ´òÆÆ½ø¿Ú¢¶Ï£¬Öý¾Í¹úÄÚÉý
- ³äµç±£»¤icоƬ×÷ÓÃÓÐÄÄЩ£¿
- ³äµçÆ÷ic³£ÓÃÐͺţ¡
- viper12aÌæ´úоƬAP8012H pin to pin¼æÈݲ»
ͬÀàÎÄÕÂÅÅÐÐ
- ap8022´ú»»viper22a¿É¼æÈÝ£¬²»¸ÄPCB¼°ÍâΧ
- µçԴоƬsdh8302s¿ÉPIN½Å´ú»»VIPER12A/AP80
- ʲôÊÇMOS¹ÜµÄÑ©±À¼°mos¹ÜÑ©±À»÷´©ÔÀí£¡
- ³£ÓÃdc-dc½µÑ¹Ð¾Æ¬ÍƼö
- PN555LÄÚÖÃ690VС¹¦ÂʷǸôÀëоƬ¿ÉÌæPN8008
- sdh8303´ú»»viper22a/AP8012H£¬PIN½Å¼æÈÝÎÞ
- IR4427Ìæ»»Ð¾Æ¬ID1127Ë«µÍ²à¡¢´óµçÁ÷Çý¶¯£¬
- ¹ú²úµçÔ´¹ÜÀíоƬÓÐÄÄЩ£¿
- ³£ÓõÍѹmos¹ÜÐͺż°Ñ¡ÐÍ£¡
- ob2269Ìæ´úоƬCR6842³É±¾µÍ£¬ÐÔÄܸüÎȶ¨£¡
×îÐÂÎÄÕÂ×ÊѶ
- æê΢µç×Ó | ϲǨÐÂÖ·£¬ÐøÐ´·¢Õ¹ÐÂÆªÕ£¡
- оÅó΢20ÖÜÄê | ´úÀíÊÜÑû¼û֤оÁ¦Á¿£¬¹²¸°
- ¹ýÈÏÖ¤¡¢µÍ³É±¾ | 65W-PD-2C1Aµª»¯ïØÉè¼Æ·½
- ¿ªÒµ´ó¼ª | ÉîÛÚÊÐæê΢µç×Ó-Äþ²¨·Ö¹«Ë¾£¡
- ϲºØÐ¾Åó΢ף¾¸²©Ê¿ÈÙ»ñ¡°½ËÕÇàÄêÎåËĽ±ÕÂ
- CR6212_5V/12V¸ßЧÂÊ¡¢µÍ³É±¾µçÔ´·½°¸£¬Íê
- 2024ÄêÕ¹³á·ÉÏè | 2023Äê¶ÈÒµÎñ×ܽύÁ÷´ó
- ÕæÃ¯¼ÑÖúÁ¦µç¶¯Æû³µÁªÃËÆû³µµç×ÓÔªÆ÷¼þ¹¤×÷
- îýÁ¦AP30H80Q vbus¿ª¹ØMOS»ñµÃ°²¿Ë67W 2C1A
- Ê¿À¼Î¢650V¸ßѹ³¬½áSTSϵÁУ¬¹ã·ºÓ¦ÓÃÓÚÏû
°¢Àï°Í°ÍµêÆÌ
¹Ø×¢æê΢
ÊÕ²Øæê΢

