È«²¿²úÆ··ÖÀà
¼¯³Éµç·IC
- ÓÅÊÆ²úÆ·
- Chipown/оÅó΢
- оÅóµç»úÇý¶¯Ð¾Æ¬
- SLAN/Ê¿À¼Î¢
- CR/Æô³¼Î¢
- FM/¸»ÂúϵÁÐ
- SF/ÈüÍþоƬ
- XL/оÁúϵÁÐ
- LW/æê΢
³¡Ð§Ó¦¹Ü/MOS/IGBT
¶þ¼«¹Ü
Èý¼«¹Ü
ÍÆ¼ö²úÆ·
ÁªÏµÎÒÃÇ
ÉîÛÚÊÐæê΢µç×ӿƼ¼ÓÐÏÞ¹«Ë¾
µç»°£º0755-23087599
ÊÖ»ú£º13808858392
ÓÊÏ䣺dunianhua@leweitech.com
µØÖ·£ºÉîÛÚÊб¦°²ÇøÎ÷Ïçº×ÖÞºã·á¹¤Òµ³ÇB11¶°5Â¥¶«
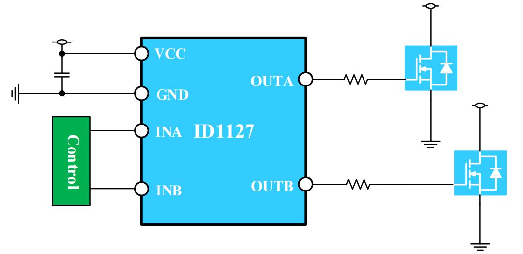
ID1127 18VË«µÍ²àÕ¤¼«Çý¶¯Ð¾Æ¬
ËùÊô·ÖÀࣺоÅóµç»úÇý¶¯Ð¾Æ¬
Æ·ÅÆ£ºÐ¾Åó΢/°²Ç÷
ÐͺţºID1127SEC-R1
·â×°£ºSOP-8
¹¦ÂÊ£º5-18V
µçÁ÷£º3.5A/3.7A
ÐͺţºID1127SEC-R1
·â×°£ºSOP-8
¹¦ÂÊ£º5-18V
µçÁ÷£º3.5A/3.7A
¶©¹ºÈÈÏߣº0755-23087599
¡¡¡¡ID1127Ë«µÍ²à¡¢´óµçÁ÷Çý¶¯ÊÇÒ»¿îµÍµçѹ¡¢¸ßËÙ¹¦ÂÊMOSFETºÍIGBTÇý¶¯Ð¾Æ¬£¬¾ßÓзÀÃÅËøµÄCMOS¼¼Êõ£¬Äܹ»Ê¹Ð¾Æ¬¹¦Äܸü¼ÓÎȶ¨£¬ÊäÈëÐźſÉÒÔ¼æÈÝCMOSºÍLSTTLÐźţ¬Êä³ö¼¶¾ßÓдóµçÁ÷Êä³öÄÜÁ¦£¬ÓÐЧ½µµÍ½»²æµ¼Í¨ËðºÄ£¬Í¬Ê±Ë«µÍ²àͨµÀÑÓʱƥÅä¡£
¡¡¡¡
¡¡¡¡ID1127Ë«µÍ²àÇý¶¯Ð¾Æ¬Ìص㡡¡¡
¡¡¡¡¡ö VCC¹¤×÷·¶Î§4.8V~18V¡¡¡¡
¡¡¡¡¡ö ÊäÈëÂß¼¼æÈÝ3.3VºÍ5V¡¡¡¡
¡¡¡¡¡ö À¹àµçÁ÷µäÐÍÖµ3.5A/3.7A
¡¡¡¡
¡¡¡¡·â×°¶©¹ºÐÅÏ¢

¡¡¡¡
¡¡¡¡ID1127µÍ²àÕ¤¼«Çý¶¯Ð¾Æ¬µäÐÍÓ¦Óõç·ͼ

¡¡¡¡
¡¡¡¡Ó¦ÓÃÁìÓò¡¡¡¡
¡¡¡¡¡ö PFC¿ØÖÆÆ÷¡¡¡¡
¡¡¡¡¡ö Âö³å±äѹÆ÷Çý¶¯¡¡¡¡
¡¡¡¡¡ö DC DCת»»Æ÷¡¡¡¡
¡¡¡¡¡ö Èκλ¥²¹Çý¶¯×ª»»Æ÷
¡¡¡¡
¡¡¡¡ID1127Ë«µÍ²àÕ¤¼«Çý¶¯Ð¾Æ¬²ÉÓÃSOP-8·â×°£¬5-18V ¿í·¶Î§¹¤×÷µçѹ·¶Î§£¬ÊäÈë¼æÈÝ 3.3V, 5V Âß¼¹¤×÷µçƽ£¬3.5A/3.7A À¹àµçÁ÷ÄÜÁ¦£¬µäÐÍÓ¦ÓÃÓÚ¹¦ÂÊÒòÊýУÕýµç·¡¢Éýѹµç·¡¢ÍÆÍìµç·µÈ£¬¸ü¶àµç»úÇý¶¯Ð¾Æ¬²úÆ·ÊÖ»ú¼°Ó¦ÓÃ×ÊÁÏÇëÏòæê΢µç×ÓÉêÇë¡£>>
°¢Àï°Í°ÍµêÆÌ
¹Ø×¢æê΢
ÊÕ²Øæê΢










