È«²¿²úÆ··ÖÀà
¼¯³Éµç·IC
- ÓÅÊÆ²úÆ·
- Chipown/оÅó΢
- оÅóµç»úÇý¶¯Ð¾Æ¬
- SLAN/Ê¿À¼Î¢
- CR/Æô³¼Î¢
- FM/¸»ÂúϵÁÐ
- SF/ÈüÍþоƬ
- XL/оÁúϵÁÐ
- LW/æê΢
³¡Ð§Ó¦¹Ü/MOS/IGBT
¶þ¼«¹Ü
Èý¼«¹Ü
ÍÆ¼ö²úÆ·
ÁªÏµÎÒÃÇ
ÉîÛÚÊÐæê΢µç×ӿƼ¼ÓÐÏÞ¹«Ë¾
µç»°£º0755-23087599
ÊÖ»ú£º13808858392
ÓÊÏ䣺dunianhua@leweitech.com
µØÖ·£ºÉîÛÚÊб¦°²ÇøÎ÷Ïçº×ÖÞºã·á¹¤Òµ³ÇB11¶°5Â¥¶«
ID2016 200V ÈýÏàÕ¤¼«Çý¶¯Ð¾Æ¬
ËùÊô·ÖÀࣺоÅóµç»úÇý¶¯Ð¾Æ¬
Æ·ÅÆ£ºÐ¾Åó΢
ÐͺţºID2016SDC-R1
·â×°£ºTSSOP20
¹¦ÂÊ£º200V
µçÁ÷£º1A/1A
ÐͺţºID2016SDC-R1
·â×°£ºTSSOP20
¹¦ÂÊ£º200V
µçÁ÷£º1A/1A
¶©¹ºÈÈÏߣº0755-23087599
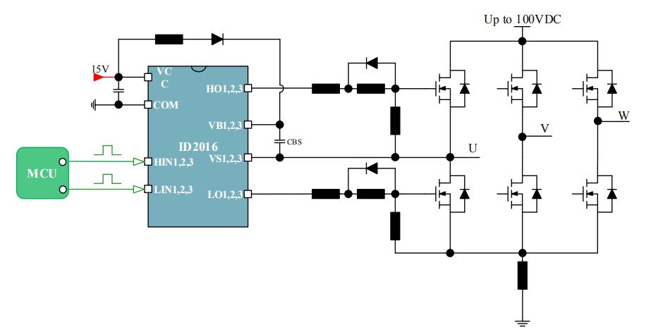
¡¡¡¡ID2016ÈýÏàÕ¤¼«Çý¶¯Ð¾Æ¬ÊÇΪÈýÏàÎÞË¢Ö±Á÷µç»úÇý¶¯Æ÷Ó¦ÓöøÉè¼ÆµÄÃÅÇý¶¯Æ÷IC¡£ËüÄܹ»Çý¶¯ÓÉÁù¸öN¹µµÀ¹¦ÂÊMOSEFET×é³ÉµÄÈý¸ö°ëÇÅ¡£DriverµÄ¸ßÑ¹ÖÆ³É¹¤Òպ͹²Ä£ÔëÉùÏû³ý¼¼ÊõÄܹ»±£Ö¤Ð¾Æ¬ÔÚ¸ßdv/dtÔëÉù»·¾³ÏÂÄܹ»Õý³£ÔËÐУ¬Ð¾Æ¬±£»¤¹¦ÄܰüÀ¨ÊäÈë¶Ë·ÀÓÐЧÂß¼µçƽ»¥Ëø¹¦ÄÜÒÔ¼°VCCºÍVBSǷѹ±£»¤¹¦ÄÜ¡£
¡¡¡¡
¡¡¡¡ID2016Ð¾Æ¬ÌØµã¡¡¡¡
¡¡¡¡¡ö ¸ß²à¸¡¶¯Æ«ÒƵçѹ200V¡¡¡¡
¡¡¡¡¡ö ÊäÈëÂß¼¼æÈÝ3.3VºÍ5V¡¡¡¡
¡¡¡¡¡ö VCC¹¤×÷µçѹ·¶Î§5V-20V¡¡¡¡
¡¡¡¡¡ö ËùÓÐͨµÀ¾ù¾ßÓÐǷѹ±£»¤¹¦ÄÜ¡¡¡¡
¡¡¡¡¡ö ËùÓÐͨµÀÄÚÖÃÊäÈë·ÀֱͨÂß¼±£»¤µç·£¬ËÀÇøÊ±¼äµäÐÍֵΪ200ns¡¡¡¡
¡¡¡¡¡ö Êä³öÀ/¹àµçÁ÷ÄÜÁ¦1A/1A¡¡¡¡
¡¡¡¡¡ö VS¸ºÆ«Ñ¹ÄÜÁ¦µäÐÍÖµ-7V
¡¡¡¡
¡¡¡¡·â×°/¶©¹ºÐÅÏ¢

¡¡¡¡
¡¡¡¡id2016µäÐ͵ç·ͼ

¡¡¡¡
¡¡¡¡Ó¦ÓÃÁìÓò¡¡¡¡
¡¡¡¡¡ö ÎÞË¢Ö±Á÷µç¶¯»ú¡¡¡¡
¡¡¡¡¡ö µç¶¯¹¤¾ß¡¡¡¡
¡¡¡¡¡ö µç¶¯×ÔÐгµ¡¡¡¡
¡¡¡¡¡ö ËÅ·þ¿ØÖÆ
¡¡¡¡
¡¡¡¡ID2016 200VÈýÏàÕ¤¼«Çý¶¯Ð¾Æ¬²ÉÓÃTSSOP20·â×°£¬5-20V ¿í·¶Î§¹¤×÷µçѹ·¶Î§£¬ÊäÈë¿É¼æÈÝ 3.3V, 5V Âß¼¹¤×÷µçƽ£¬1A/1A À¹àµçÁ÷ÄÜÁ¦£¬¿É¼æÈÝÌæ»»TI/µÂÖÝÒÇÆ÷DRV8300NPWR/DRV8300DPWR£¬ON/°²ÉÃÀFAN7888MX£¬µäÐÍÓ¦ÓÃÓڵ綯³µ¡¢µÍѹ·ç»úºÍ±Ãµç·£¬¾ßÓзÀֱͨ±£»¤ºÍ¸ßµÍ²àȫͨµÀǷѹ±£»¤¡£
°¢Àï°Í°ÍµêÆÌ
¹Ø×¢æê΢
ÊÕ²Øæê΢










