È«²¿²úÆ··ÖÀà
¼¯³Éµç·IC
- ÓÅÊÆ²úÆ·
- Chipown/оÅó΢
- оÅóµç»úÇý¶¯Ð¾Æ¬
- SLAN/Ê¿À¼Î¢
- CR/Æô³¼Î¢
- FM/¸»ÂúϵÁÐ
- SF/ÈüÍþоƬ
- XL/оÁúϵÁÐ
- LW/æê΢
³¡Ð§Ó¦¹Ü/MOS/IGBT
¶þ¼«¹Ü
Èý¼«¹Ü
ÍÆ¼ö²úÆ·
ÁªÏµÎÒÃÇ
ÉîÛÚÊÐæê΢µç×ӿƼ¼ÓÐÏÞ¹«Ë¾
µç»°£º0755-23087599
ÊÖ»ú£º13808858392
ÓÊÏ䣺dunianhua@leweitech.com
µØÖ·£ºÉîÛÚÊб¦°²ÇøÎ÷Ïçº×ÖÞºã·á¹¤Òµ³ÇB11¶°5Â¥¶«
PN8309H-3.5Aͬ²½ÕûÁ÷IC
ËùÊô·ÖÀࣺChipown/оÅó΢
Æ·ÅÆ£ºÐ¾Åó΢
ÐͺţºPN8309H
·â×°£ºSOP-8
¹¦ÂÊ£º10m¦¸ 75V /100V
µçÁ÷£º3.5A
ÐͺţºPN8309H
·â×°£ºSOP-8
¹¦ÂÊ£º10m¦¸ 75V /100V
µçÁ÷£º3.5A
¶©¹ºÈÈÏߣº0755-23087599
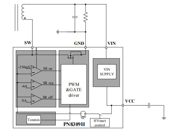
¡¡¡¡PN8309H¸ÅÊö:¡¡¡¡
¡¡¡¡PN8309H °ü À¨ ͬ ²½ Õû Á÷ ¿Ø ÖÆ Æ÷ ¼° N Ð͹¦ÂÊMOSFET£¬ÓÃÓÚÔÚ¸ßÐÔÄÜAC/DC·´¼¤ÏµÍ³ÖÐÌæ´ú´Î¼¶ÕûÁ÷Ð¤ÌØ»ù¶þ¼«¹Ü¡£¡¡¡¡
¡¡¡¡PN8309HÄÚÖõçѹ½µ¼«µÍµÄ¹¦ÂÊMOSFETÒÔÌá¸ßµçÁ÷Êä³öÄÜÁ¦£¬ÌáÉýת»»Ð§ÂÊ£¬Ê¹µÃϵͳЧÂÊ¿ÉÒÔÂú×ã6¼¶ÄÜЧµÄ±ê×¼£¬²¢ÁôÓÐ×ã¹»µÄÔ£Á¿¡£¡¡¡¡
¡¡¡¡PN8309Hͬ²½ÕûÁ÷IC¼¯³ÉÁ˼«ÎªÈ«ÃæµÄ¸¨Öú¹¦ÄÜ£¬°üº¬µçԴǷѹ±£»¤¡¢×îСµ¼Í¨Ê±¼äµÈ¹¦ÄÜ¡£Ë«¹©µçµçÔ´Éè¼ÆÖ§³ÖµÍѹ²àÓ¦ÓÃʱ¸ü¿íµÄÊä³öµçѹ·¶Î§£¬²¢µÃµ½¸üºÃµÄ¿É¿¿ÐÔ¡£
¡¡¡¡
¡¡¡¡PN8309Hͬ²½ÕûÁ÷ICÌØÐÔ:¡¡¡¡
¡¡¡¡¡ö ÄÚÖÃ10mΩ 100V Trench MOSFET(PN8309HSE-A1)¡¡¡¡
¡¡¡¡¡ö ÄÚÖÃ10mΩ 75V Trench MOSFET(PN8309HSE-B1)¡¡¡¡
¡¡¡¡¡ö ÊÊÓÃÓÚCCM£¬DCMºÍQR¹¤×÷ģʽ¡¡¡¡
¡¡¡¡¡ö µçÁ÷¸ú×ٹضϼ¼Êõ¡¡¡¡
¡¡¡¡¡ö ¸ßѹ×Ô¹©µç¼¼Êõ
¡¡¡¡
¡¡¡¡·â×°/¶©¹ºÐÅÏ¢

¡¡¡¡
¡¡¡¡¹Ü½Å¶¨Òå
| ¹Ü½ÅÃû | ¹Ü½Å±êºÅ | ¹Ü½Å¹¦ÄÜÃèÊö |
| GND | 1,2 | µØµçλ |
| VCC | 3 | оƬµçÔ´Òý½Å |
| VIN | 4 | ϵͳÊä³ö²ÉÑùÒý½Å |
| SW | 5,6,7,8 | ¹¦ÂÊMOSFETµÄDRAIN |
¡¡¡¡
¡¡¡¡PN8309Hͬ²½ÕûÁ÷ICµäÐ͹¦ÂÊ
¡¡¡¡
¡¡¡¡PN8309HµäÐ͵ç·ͼ
¡¡¡¡

¡¡¡¡PN8309Hͬ²½ÕûÁ÷ICÓ¦ÓÃÁìÓò¡¡¡¡
¡¡¡¡¡ö ÊÊÅäÆ÷¡¡¡¡
¡¡¡¡¡ö PD ³äµçÆ÷
¡¡¡¡¸ü¶àPN8309H 3.5Aͬ²½ÕûÁ÷ICÏà¹Ø·½°¸¼°×ÊÁÏ£¬¿ÉÏòæê΢µç×ÓÉêÇë¡£>>
¡¡¡¡¸ü¶àPN8309H 3.5Aͬ²½ÕûÁ÷ICÏà¹Ø·½°¸¼°×ÊÁÏ£¬¿ÉÏòæê΢µç×ÓÉêÇë¡£>>
°¢Àï°Í°ÍµêÆÌ
¹Ø×¢æê΢
ÊÕ²Øæê΢










