15W QiÎÞÏß³äµçоƬHC57015
×ֺţºT|T
¡¡¡¡×Ô´ÓÆ»¹ûÐû²¼ÍƳö²ÉÓö¨Æµµ÷ѹ¼Ü¹¹¡¢7.5WµÄÎÞÏß³äµç·½°¸Ö®ºó£¬Öеȹ¦ÂÊÎÞÏß³äµçÊг¡±»¼¤»îÁË£¬Èç½ñ15WµÄÎÞÏß“¿ì³ä”ʱ´úÒѾÀ´ÁÙ£¬¸÷¸ö³§¼ÒÕùÏÈÍÆ³ö¸ü´ó¹¦ÂʵÄÎÞÏß³äµçоƬ¼°·½°¸£¬æê΢µç×ÓÍÆ³öQiÎÞÏß³äµçоƬHC57015—15WÎÞÏß³äµç·½°¸¡£

¡¡¡¡
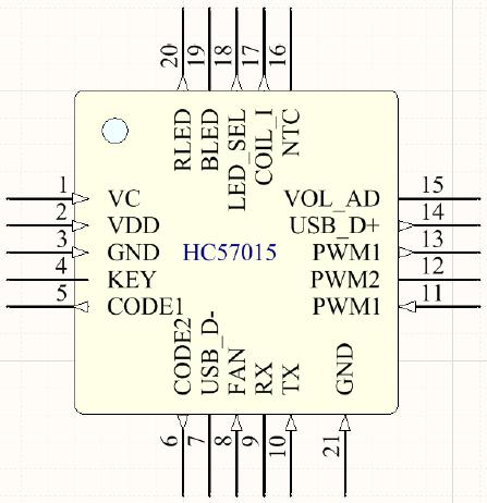
¡¡¡¡15W QiÎÞÏß³äµçоƬHC57015ÌØÕ÷£º¡¡¡¡
¡¡¡¡¡ö µçÔ´µçѹ£º3.3VÖÁ5.5V¡¡¡¡
¡¡¡¡¡ö WPC-1.2.4¼æÈÝ£¨BPPºÍEPP£©¡¡¡¡
¡¡¡¡¡ö Ö§³Ö15WÒÔÉϸßËÙ³äµçÆ÷RXÊä³ö¹¦ÂÊÖ§³ÖQC2.0¡¢QC3.0ÊÊÅäÆ÷¡¡¡¡
¡¡¡¡¡ö Ϊ»ñµÃ×î¼ÑEMIÐÔÄܶøÓÅ»¯µÄͬʱµçѹºÍµçÁ÷½âµ÷ǶÈë32λÔöÇ¿ÐÍCortex-M0Äںˣ¬ÔÚÄ£ÄâÄ£¿éÖÐÄÚÖá¡¡¡
¡¡¡¡¡ö 16kbytes SRAM£¬ÔÚPLLÄ£¿éÖÐÄÚÖá¡¡¡
¡¡¡¡¡ö ÓÃÓÚÍⲿmosfetµÄ´øÓÐ128mhz¼¯³ÉÃÅÇý¶¯Æ÷µÄǶÈëʽ¶¨ÖÆpwmÄ£¿é¡¡¡¡
¡¡¡¡¡ö ¼¯³É12λ11ͨµÀADC¡¡¡¡
¡¡¡¡¡ö ¼¯³ÉµÍʧµ÷ÔËËã·Å´óÆ÷£¬´ø×Ô¶¯Ð£×¼18ͨÓÃI/O£¬´øSPI¡¢I2CºÍUART½Ó¿Ú¡¡¡¡
¡¡¡¡¡ö ¹ýÁ÷ºÍ¹ýα£»¤-40¡æÖÁ+85¡æÎ¶ȷ¶Î§¡¡¡¡
¡¡¡¡¡ö Ìṩ3 x 3 mm£¬20ÕëQFN·â×°
¡¡¡¡

¡¡¡¡²ÉÓÃHC57015 QiÎÞÏß³äµçоƬ£¬Ö§³Ö×î¸ß15WÎÞÏß³äµç£¬¶àÖØ°²È«±£»¤¡¢WPC QiÎÞÏß³äµç±ê×¼ÈÏÖ¤¡¢ÇáÇɱãЯ£¬ÊäÈëµçѹ5V-12V/2A£¨Max£©£¬Êä³ö¹¦ÂÊ15W£¨Max£©£¬HC57015¸ß¶È¼¯³É15WÎÞÏß³äµç·¢Éä¶ËоƬ£¬Ö§³ÖÒìÎï¼ì²â£¨FOD£©£¬ÄÚÖùýÁ÷¹ýα£»¤£¬Ö§³Ö±à³ÌLEDģʽ£¬Îª15WÎÞÏß³äµçÌṩ±£ÕÏ£¬¸ü¶à15W QiÎÞÏß³äµçоƬ·½°¸²úÆ·¼°×ÊÁÏ¿ÉÏòæê΢µç×ÓÉêÇë¡£¡£¡£
ÉÏһƪ£º³£ÓõçÔ´¹ÜÀíоƬÐͺŽéÉÜ ÏÂһƪ£º¸ß¼¯³ÉÎÞÏß³äµçMCU·½°¸¼°SoC·½°¸
Ïà¹Ø×ÊѶ
- µÍ³É±¾µÍ¹¦ºÄÎÞÏß¿ÉÊÓÃÅÁåic
- ¸»Âú20-65W PDÐÒéоƬ
- 2020ÎåÒ»ÀͶ¯½Ú·Å¼Ù֪ͨ£¡
- оÅóPN8161+PN8307H 18W¸ß¼¯³ÉPD¿ì³ä·½°¸Ó¦
- ¿ªÒµ´ó¼ª | ÉîÛÚÊÐæê΢µç×Ó-Äþ²¨·Ö¹«Ë¾£¡
- SDH8594ASÄÚÖøßѹMOS¹ÜµÄԱ߿ØÖÆÐ¾Æ¬
- ЯÊÖ²¢½ø£¬æê΢µç×ÓÐøÇ©chipown´úÀíÉÌ£¡
- È«Ì׸߼¯³É18W USB PD¿ì³ä·½°¸£¬ÒÑÁ¿²ú³ö»õ
- ϲºØ£¬Ð¾Åó΢¿Æ´´°åÉÏÊУ¬ÊÐÖµ³¬140ÒÚ£¡
- PD¿ì³äоƬPN8307Mͬ²½ÕûÁ÷Æ÷
ͬÀàÎÄÕÂÅÅÐÐ
- ³£ÓõçÔ´¹ÜÀíоƬÐͺŽéÉÜ
- PN8680MÌæ´úOB2500POP½ÅλһÑù£¬ÎÞÐè¸Ä°åÊ¡
- AP8012H´ú»»ST Viper12A¿ÉPIN to PIN¼æÈÝ
- Ö÷Á÷µÄ¿ì³äÐÒéоƬPD³äµçоƬ
- ¸»ÂúpdÐÒéоƬϵÁУ¬pd¿ì³äÐÒéоƬѡÐÍ£¡
- 200V¸ßÄÍѹDC-DC½µÑ¹Ð͵綯³µ¿ØÖÆÆ÷оƬ
- ¸»Âú20-65W PDÐÒéоƬ
- PN8046¿íÊä³ö·Ç¸ôÀëת»»Ð¾Æ¬
- PN8036M¿íÊä³ö·¶Î§·Ç¸ôÀëac/dcµçԴоƬ
- оÅó΢£¨°²Ç÷£©µç»úÇý¶¯Ð¾Æ¬Ñ¡ÐÍÖ¸ÄÏ£¡
×îÐÂÎÄÕÂ×ÊѶ
- æê΢µç×Ó | ϲǨÐÂÖ·£¬ÐøÐ´·¢Õ¹ÐÂÆªÕ£¡
- оÅó΢20ÖÜÄê | ´úÀíÊÜÑû¼û֤оÁ¦Á¿£¬¹²¸°
- ¹ýÈÏÖ¤¡¢µÍ³É±¾ | 65W-PD-2C1Aµª»¯ïØÉè¼Æ·½
- ¿ªÒµ´ó¼ª | ÉîÛÚÊÐæê΢µç×Ó-Äþ²¨·Ö¹«Ë¾£¡
- ϲºØÐ¾Åó΢ף¾¸²©Ê¿ÈÙ»ñ¡°½ËÕÇàÄêÎåËĽ±ÕÂ
- CR6212_5V/12V¸ßЧÂÊ¡¢µÍ³É±¾µçÔ´·½°¸£¬Íê
- 2024ÄêÕ¹³á·ÉÏè | 2023Äê¶ÈÒµÎñ×ܽύÁ÷´ó
- ÕæÃ¯¼ÑÖúÁ¦µç¶¯Æû³µÁªÃËÆû³µµç×ÓÔªÆ÷¼þ¹¤×÷
- îýÁ¦AP30H80Q vbus¿ª¹ØMOS»ñµÃ°²¿Ë67W 2C1A
- Ê¿À¼Î¢650V¸ßѹ³¬½áSTSϵÁУ¬¹ã·ºÓ¦ÓÃÓÚÏû
°¢Àï°Í°ÍµêÆÌ
¹Ø×¢æê΢
ÊÕ²Øæê΢

