È«²¿²úÆ··ÖÀà
¼¯³Éµç·IC
- ÓÅÊÆ²úÆ·
- Chipown/оÅó΢
- оÅóµç»úÇý¶¯Ð¾Æ¬
- SLAN/Ê¿À¼Î¢
- CR/Æô³¼Î¢
- FM/¸»ÂúϵÁÐ
- SF/ÈüÍþоƬ
- XL/оÁúϵÁÐ
- LW/æê΢
³¡Ð§Ó¦¹Ü/MOS/IGBT
¶þ¼«¹Ü
Èý¼«¹Ü
ÍÆ¼ö²úÆ·
ÁªÏµÎÒÃÇ
ÉîÛÚÊÐæê΢µç×ӿƼ¼ÓÐÏÞ¹«Ë¾
µç»°£º0755-23087599
ÊÖ»ú£º13808858392
ÓÊÏ䣺dunianhua@leweitech.com
µØÖ·£ºÉîÛÚÊб¦°²ÇøÎ÷Ïçº×ÖÞºã·á¹¤Òµ³ÇB11¶°5Â¥¶«
HC57015 15wÎÞÏß¿ì³äоƬ
ËùÊô·ÖÀࣺÎÞÏß³äоƬ
Æ·ÅÆ£º»Ý¶ûÎÞÏß
ÐͺţºHC57015
·â×°£º20ÕëQFN·â×°
¹¦ÂÊ£º15W
µçÁ÷£º3.3VÖÁ5.5V
ÐͺţºHC57015
·â×°£º20ÕëQFN·â×°
¹¦ÂÊ£º15W
µçÁ÷£º3.3VÖÁ5.5V
¶©¹ºÈÈÏߣº0755-23087599
¡¡¡¡HC57015ÎÞÏß¿ì³äоƬÃèÊö¡¡¡¡
¡¡¡¡HC57015 15wÎÞÏß¿ì³äоƬÊÇÒ»¿î¸ßÐÔÄÜÎÞÏß³äµçרÓõ¥Æ¬»ú£¬Ö§³ÖWPC QI 1.2.4°æ±¾¡£HC57015ÎÞÏß¿ì³äоƬ֧³Ö12λADC¡¢¸ßËÙÂö³å¿í¶Èµ÷ÖÆ¡¢½âµ÷µ¥ÔªºÍ5000±¶MTPÄÚ´æ¡£¸ÃÉ豸֧³ÖI2C¡¢UART¡¢SPI½Ó¿Ú¡£¸Ã·¢Éä»ú°üÀ¨Ò»¸öÒµ½çÁìÏȵÄ32λARM®Cortex®M0´¦ÀíÆ÷£¬Ìṩ¸ßˮƽµÄ¿É±à³ÌÐÔ£¬Í¬Ê±ÏûºÄ¼«µÍµÄ´ý»ú¹¦ºÄÂú×ãENERGY STAR®ÒªÇó¡£´ËÍ⣬΢¿ØÖÆÆ÷ÔÊÐíÓû§×Ô¶¨Ò幦ÄÜ£¬ÈçLEDģʽ¡¢·äÃùÆ÷ºÍFODãÐÖµÉèÖá£
¡¡¡¡
¡¡¡¡ÔöÇ¿ÐÍmcuºÍ¸ßËÙpwm¿ÉÒÔÌṩ¸ß¾«¶ÈµÄ¹¦ÂÊ´«Ê䣬ÿ¸öÄ£Äⲿ·Ö¶¼¿ÉÒÔ½ûÓÃ/ÆôÓã¬Òò´ËоƬµÄ´ý»ú¹¦ºÄ¼«µÍ£¬Âú×ãÁËenergy star®µÄÒªÇó¡£
¡¡¡¡
¡¡¡¡¸Ã±äËÍÆ÷°üÀ¨ÊäÈëǷѹ¡¢ÊäÈë¹ýµçѹ¡¢Êä³ö¶Ì·ºÍ¹ýα£»¤¡£
¡¡¡¡
¡¡¡¡HC57015 15wÎÞÏß¿ì³äоƬ²ÉÓÃÎÞǦ3x3ºÁÃ×20ÕëQFN·â×°£¬¶î¶¨Î¶ÈÔÚ-40¡æµ½+85¡æÖ®¼ä
¡¡¡¡
¡¡¡¡HC57015ÎÞÏß¿ì³äÐ¾Æ¬ÌØÕ÷£º¡¡¡¡
¡¡¡¡¡ö µçÔ´µçѹ£º3.3VÖÁ5.5V¡¡¡¡
¡¡¡¡¡ö WPC-1.2.4¼æÈÝ£¨BPPºÍEPP£©¡¡¡¡
¡¡¡¡¡ö Ö§³Ö15WÒÔÉϸßËÙ³äµçÆ÷RXÊä³ö¹¦ÂÊÖ§³ÖQC2.0¡¢QC3.0ÊÊÅäÆ÷¡¡¡¡
¡¡¡¡¡ö Ϊ»ñµÃ×î¼ÑEMIÐÔÄܶøÓÅ»¯µÄͬʱµçѹºÍµçÁ÷½âµ÷ǶÈë32λÔöÇ¿ÐÍCortex£¿-M0Äںˣ¬ÔÚÄ£ÄâÄ£¿éÖÐÄÚÖá¡¡¡
¡¡¡¡¡ö 16kbytes SRAM£¬ÔÚPLLÄ£¿éÖÐÄÚÖá¡¡¡
¡¡¡¡¡ö ÓÃÓÚÍⲿmosfetµÄ´øÓÐ128mhz¼¯³ÉÃÅÇý¶¯Æ÷µÄǶÈëʽ¶¨ÖÆpwmÄ£¿é¡¡¡¡
¡¡¡¡¡ö ¼¯³É12λ11ͨµÀADC¡¡¡¡
¡¡¡¡¡ö ¼¯³ÉµÍʧµ÷ÔËËã·Å´óÆ÷£¬´ø×Ô¶¯Ð£×¼18ͨÓÃI/O£¬´øSPI¡¢I2CºÍUART½Ó¿Ú¡¡¡¡
¡¡¡¡¡ö ¹ýÁ÷ºÍ¹ýα£»¤-40¡æÖÁ+85¡æÎ¶ȷ¶Î§¡¡¡¡
¡¡¡¡¡ö Ìṩ3 x 3 mm£¬20ÕëQFN·â×°
¡¡¡¡
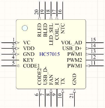
¡¡¡¡HC57015 15wÎÞÏß¿ì³äоƬ¹Ü½Å·ÖÅ䣺

¡¡¡¡
3x3 mm£¬20-QFNµÄ¹Ü½Å·ÖÅä-¶¥ÊÓͼ
¡¡¡¡
¡¡¡¡HC57015¼ò»¯Ó¦Óõç·£º

¡¡¡¡
¡¡¡¡¸ü¶àHC57015 15wÎÞÏß¿ì³äоƬ²úÆ·µÄÏêϸÊÖ²á»òÆäËû×ÊÁÏ£¬ÇëÏòÎÒÃÇÉêÇë¡£>>
°¢Àï°Í°ÍµêÆÌ
¹Ø×¢æê΢
ÊÕ²Øæê΢










