È«²¿²úÆ··ÖÀà
¼¯³Éµç·IC
- ÓÅÊÆ²úÆ·
- Chipown/оÅó΢
- оÅóµç»úÇý¶¯Ð¾Æ¬
- SLAN/Ê¿À¼Î¢
- CR/Æô³¼Î¢
- FM/¸»ÂúϵÁÐ
- SF/ÈüÍþоƬ
- XL/оÁúϵÁÐ
- LW/æê΢
³¡Ð§Ó¦¹Ü/MOS/IGBT
¶þ¼«¹Ü
Èý¼«¹Ü

ÍÆ¼ö²úÆ·
ÁªÏµÎÒÃÇ

ÉîÛÚÊÐæê΢µç×ӿƼ¼ÓÐÏÞ¹«Ë¾
µç»°£º0755-23087599
ÊÖ»ú£º13808858392
ÓÊÏ䣺dunianhua@leweitech.com
µØÖ·£ºÉîÛÚÊб¦°²ÇøÎ÷Ïçº×ÖÞºã·á¹¤Òµ³ÇB11¶°5Â¥¶«
HD1010 15WÎÞÏ߳䷢Éä¿ØÖÆÐ¾Æ¬
ËùÊô·ÖÀࣺÎÞÏß³äоƬ
Æ·ÅÆ£º»Ý¶ûÎÞÏß
ÐͺţºHD1010
·â×°£ºQFN19
¹¦ÂÊ£º15W
µçÁ÷£º4.0V to 14.0V
ÐͺţºHD1010
·â×°£ºQFN19
¹¦ÂÊ£º15W
µçÁ÷£º4.0V to 14.0V
¶©¹ºÈÈÏߣº0755-23087599
¡¡¡¡HD1010¸ÅÊö£º¡¡¡¡
¡¡¡¡HD1010ÊÇÒ»¸ö¸ß¶È¼¯³ÉµÄÎÞÏßµçÔ´·¢Éä»úÄ£Äâǰ¶Ë£¬°üº¬ÁËʵÏÖWPC¼æÈÝ·¢Éä»úËùÐèµÄËùÓÐÄ£Äâ×é¼þ¡£¡¡¡¡
¡¡¡¡HD1010ÎÞÏ߳䷢Éä¿ØÖÆÐ¾Æ¬¼¯³ÉÁËÒ»¸öÈ«ÇŹ¦ÂÊÇý¶¯Óëmosfts£¬µçÁ÷¸ÐÖª·Å´óÆ÷£¬×Ծٵ緣¬Í¨ÐŽâµ÷Æ÷£¬ÏßÐÔµ÷½ÚÆ÷ºÍ±£»¤µç·¡£¡¡¡¡
¡¡¡¡HD1010¿ÉÒÔÓë·¢Éä»ú¿ØÖÆÆ÷Ò»Æð¹¤×÷£¬´´½¨Ò»¸ö¸ßÐÔÄܵÄÎÞÏß¹¦ÂÊ·¢Éä»ú£¬·ûºÏWPC V1.2.4À©Õ¹¹¦ÂʸÅÒª(EPP)ºÍ»ùÏß¹¦ÂʸÅÒª(BPP)£¬Ò»µ©EPP½ÓÊÕÆ÷±»¼ì²âµ½£¬·¢Éä»ú½«Ìṩ¸ß´ï15WµÄÊä³ö¹¦ÂÊ£»Èç¹û´æÔÚBPP½ÓÊÕÆ÷£¬·¢Éä»ú½«Ö»Ìṩ×î¶à5WµÄÊä³ö¹¦ÂÊ¡£¡¡¡¡
¡¡¡¡HD1010ÎÞÏ߳䷢Éä¿ØÖÆÐ¾Æ¬¸Ãϵͳ֧³ÖÍⲿĿ±ê¼ì²â(FOD)£¬Í¨¹ý³ÖÐø¼à²â´«ÊäµÄµçÁ¿£¬²¢Óë½ÓÊն˱¨¸æµÄ½ÓÊÕµçÁ¿½øÐбȽϡ£ÎªÁË×öµ½ÕâÒ»µã£¬HD1010²âÁ¿ÊäÈëÖ±Á÷µçÁ÷·Ç³£×¼È·µØÊ¹ÓõçÁ÷´«¸ÐÆ÷·Å´óÆ÷¡£¡¡¡¡
¡¡¡¡´ËÍ⣬HD1010»¹Ö§³ÖÊäÈëÇ·Ñ¹Ëø¶¨(UVLO)¡¢¹ýÁ÷±£»¤(OCP)¡¢¶Ì·±£»¤(SCP)ºÍ¹ýÈȱ£»¤(OTP)¡£ÕâЩ±£»¤´ëÊ©½øÒ»²½Ìá¸ßÁËÕû¸öÎÞÏßµçÁ¦·¢Éä»úϵͳµÄ¿É¿¿ÐÔ¡£¡¡¡¡
¡¡¡¡HD1010 15WÎÞÏ߳䷢Éä¿ØÖÆÐ¾Æ¬ÊÇÒ»¸ö½ô´ÕµÄ3 x 3ºÁÃ×QFN°ü¡£
¡¡¡¡
¡¡¡¡HD1010ÌØÐÔ£º¡¡¡¡
¡¡¡¡¡ö 4.0V to 14.0V ÊäÈë µçѹ ·¶Î§¡¡¡¡
¡¡¡¡¡ö Support 5 V/9V/12V ÊäÈë¡¡¡¡
¡¡¡¡¡ö Support 15 W Êä³ö ¹¦ÂÊ¡¡¡¡
¡¡¡¡¡ö Integrated µçѹ ºÍ µçÁ÷ ½âµ÷¡¡¡¡
¡¡¡¡¡ö Integrated 5 V LDO MCU ¹©µç¡¡¡¡
¡¡¡¡¡ö Integrated ËÄ 15 Īķ FETs Á¦Á¿¡¡¡¡
¡¡¡¡¡ö Integrated FET ˾»ú ºÍ Æô¶¯ µç·¡¡¡¡
¡¡¡¡¡ö Integrated µ±Ç° ¶Ô FOD ׼ȷ¡¡¡¡
¡¡¡¡¡ö Support ¸÷ÖÖ ÀàÐÍ µÄ ·¢Éä»ú WPC V1.2.4¡¡¡¡
¡¡¡¡¡ö BPP A11/A11a¡¡¡¡
¡¡¡¡¡ö BPP A6 Óë µ¥¸ö ÏßȦ »ò Ë«ÖØ ÏßȦ¡¡¡¡
¡¡¡¡¡ö EPP MPA2¡¡¡¡
¡¡¡¡¡ö EPP MPA5/MPA11 ¶îÍâ DC-DC¡¡¡¡
¡¡¡¡¡ö UVLO/OCP/SCP/OTP¡¡¡¡
¡¡¡¡¡ö QFN °ü 3 ºÁÃ× x 3 ºÁÃס¡¡¡
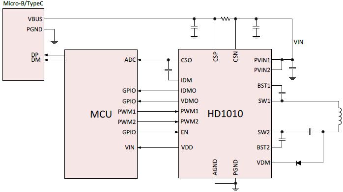
¡¡¡¡HD1010Ó¦Óõç·¡¡¡¡

¡¡¡¡Èç¹ûÐèÒªHD1010 15WÎÞÏ߳䷢Éä¿ØÖÆÐ¾Æ¬²úÆ·µÄÏêϸÊÖ²á»òÆäËû×ÊÁÏ£¬ÇëÏòÎÒÃÇÉêÇë¡£>>