TM1650/AIP1650Ìæ»»Ð¾Æ¬GN1650¹²Òõ¼«°Ë¶ÎÊýÂë¹ÜÇý¶¯
×ֺţºT|T
¡¡¡¡GN1650²ÉÓÃDIP16·â×°ÊÇ2Ïß´®¿Ú¹²Òõ¼«°Ë¶ÎÊýÂë¹ÜÇý¶¯Ð¾Æ¬£¬ÄÚÖÃʱÖÓÕñµ´µç·¼°Éϵ縴λµç·£¬Ìṩ8¶Î×4λÏÔʾģʽ£¬8¼¶ÁÁ¶È¿ØÖÆ£¬Ö§³Ö3V-5.VµçÔ´µçѹ¡¢¼üÅÌɨÃè7×4bit¼°4¸ö×éºÏ°´¼ü£¬¿ÉÒÔÖ±½Ó´ú»»¼æÈÝÌì΢TM1650¼°ÖÐ΢AIP1650¡£
¡¡¡¡
¡¡¡¡GN1650¹²Òõ¼«°Ë¶ÎÊýÂë¹ÜÇý¶¯Ð¾Æ¬Òý½ÅÅÅÁÐͼ

¡¡¡¡
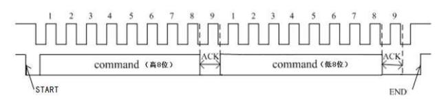
¡¡¡¡µç·ͨÐŶ˿ڲÉÓÃÁËÀàËÆÓÚ1CµÄͨÐÅ·½Ê½£¬Î¢´¦ÀíÆ÷µÄÊý¾Ýͨ¹ýÁ½Ïß×ÜÏ߽ӿں͵ç·ͨÐÅÔÚÊäÈëÊý¾Ýʱ£¬µç·ÔÚCLKµÄÉÏÉýÑØËø´æÊý¾Ý,¹Êµ±CLKÊÇ¸ßµçÆ½Ê±£¬DOÉϵÄÐźűØÐë±£³Ö²»±äÖ»ÓÐCLKÉϵÄʱÖÓÐźÅΪµÍµçƽʱ,DOÉϵÄÐźŲÅÄܸı䣬ÇÒDO²»ÄÜÔÚCLKµÄϽµÑظı䡣Êý¾ÝÊäÈëµÄ¿ªÊ¼Ìõ¼þÊǵ±CLKΪ¸ßµçƽʱ,DOÓɸ߱äµÍ:½áÊøÌõ¼þÊǵ±CLKΪ¸ßʱ£¬DIOÓÉµÍµçÆ½±äΪ¸ßµçƽ¡£
¡¡¡¡
¡¡¡¡µç·µÄÊý¾Ý´«Êä´øÓÐÓ¦´ðÐźÅACK,ÔÚ´«ÊäÊý¾ÝµÄ¹ý³ÌÖÐ,ÔÚʱÖÓÏߵĵھŸöʱÖÓоƬÄÚ²¿»á²úÉúÒ»¸öÓ¦´ðÐźÅACK½«DO¹Ü½ÅÀµÍ¡£ÎÞÂÛÊÇÃüÁîдÈë»òÕßÊÇÊý¾ÝдÈë¶Á³öʱ£¬ÔÚÒ»¸ö8λ×Ö½ÚºóµÄµÚ9λ¶¼ÊÇACKÐźÅÊä³ö¡£

¡¡¡¡
¡¡¡¡Ö¸Áî´«ÊäΪ16λ¸ñʽ£¬Ö¸ÁîÊý¾Ý´«Êä¹ý³ÌÈçÉÏͼËùʾ¡£Êý¾ÝºÍÃüÁîÔÚ´«Êäʱ£¬ÏÈ´«Ë͸ß룬ÔÙ´«Ë͵Í룬CLKÉÏÉýÑØËø´æÊý¾Ý,DO²»ÄÜÔÚCLKΪ¸ßµçƽʱ±ä»¯£¬Ò²²»ÒªÔÚCLKϽµÑر仯£¬¶øÊÇÔÚCLKΪµÍµçƽʱ¸Ä±ä¡£
¡¡¡¡
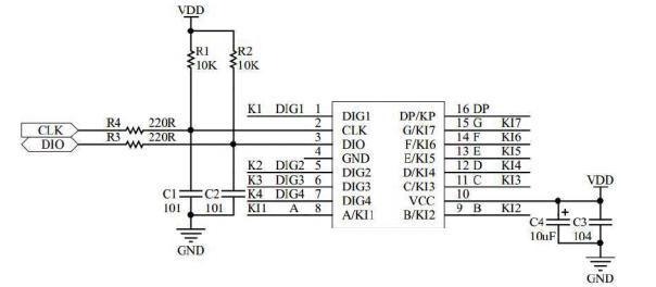
¡¡¡¡tm1650Ìæ»»Ð¾Æ¬GN1650µäÐÍÓ¦ÓÃÏß·ͼ
¡¡¡¡

¡¡¡¡tm1650/AIP1650Ìæ»»Ð¾Æ¬GN1650¹²Òõ¼«°Ë¶ÎÊýÂë¹ÜÇý¶¯Ð¾Æ¬ÄÚ²¿¼¯³ÉÓÐMCUÊäÈëÊä³ö¿ØÖÆÊý×Ö½Ó¿Ú¡¢Êý¾ÝËø´æÆ÷¡¢LEDÇý¶¯¡¢¼üÅÌɨÃè¡¢»Ô¶Èµ÷½ÚµÈµç·£¬ÐÔÄÜÎȶ¨¡¢ÖÊÁ¿¿É¿¿¡¢¿¹¸ÉÈÅÄÜÁ¦Ç¿£¬¿ÉÊÊÓ¦ÓÚ24Сʱ³¤ÆÚÁ¬Ðø¹¤×÷µÄÓ¦Óó¡ºÏ£¬¸ü¶àGN1650Ìæ»»Ìì΢TM1650¼°ÖÐ΢AIP1650оƬµçÌØÐÔ¡¢¹¦ÄܽéÉܼ°ÏêϸÊÖ²áÇëÏòæê΢µç×ÓÉêÇë¡£>>
Ïà¹Ø×ÊѶ
- LNK364Ìæ»»Ð¾Æ¬PN8192Cµç´Å¯µçԴоƬ£¬Íâ
- viper12aÌæ´úоƬAP8012H pin to pin¼æÈݲ»
- µçÔ´¹ÜÀíоƬÐÐÒµÀ§¾³¼°·¢Õ¹Ç÷ÊÆ£¡
- ¼¸ÖÖ³£¼ûµÄledÇý¶¯Ð¾Æ¬µçÔ´·½°¸ÒÔ¼°×¢ÒâÊÂ
- pwm¿ØÖÆÐ¾Æ¬ÔÀíÒÔ¼°Ó¦ÓÃÁìÓò
- ¹ú²úÊÖ»úµçÔ´icÏÖ×´ÓëÇ÷ÊÆ·ÖÎö
- ncp1342Ìæ´úÁÏPN8213µª»¯ïØpd³äµçÆ÷оƬ
- 20W¸ß¼¯³É¶È¡¢¸ßЧÂÊÎÞÏ߳䷢Éä¿ØÖÆÐ¾Æ¬
- Ö÷Á÷ÊÖ»ú³§É̵çÔ´¹ÜÀíоƬÏÖ×´·ÖÎö£¡
- dc dc½µÑ¹ºãÁ÷оƬ
ͬÀàÎÄÕÂÅÅÐÐ
- ap8022´ú»»viper22a¿É¼æÈÝ£¬²»¸ÄPCB¼°ÍâΧ
- µçԴоƬsdh8302s¿ÉPIN½Å´ú»»VIPER12A/AP80
- ʲôÊÇMOS¹ÜµÄÑ©±À¼°mos¹ÜÑ©±À»÷´©ÔÀí£¡
- ³£ÓÃdc-dc½µÑ¹Ð¾Æ¬ÍƼö
- ¹ú²úµçÔ´¹ÜÀíоƬÓÐÄÄЩ£¿
- IR4427Ìæ»»Ð¾Æ¬ID1127Ë«µÍ²à¡¢´óµçÁ÷Çý¶¯£¬
- sdh8303´ú»»viper22a/AP8012H£¬PIN½Å¼æÈÝÎÞ
- PN555LÄÚÖÃ690VС¹¦ÂʷǸôÀëоƬ¿ÉÌæPN8008
- ³£ÓõÍѹmos¹ÜÐͺż°Ñ¡ÐÍ£¡
- ¿ª¹ØµçԴԱ߷´À¡£¨PSR£©¼¼ÊõÉî¶È½âÎö!
×îÐÂÎÄÕÂ×ÊѶ
- ¹ýÈÏÖ¤¡¢µÍ³É±¾ | 65W-PD-2C1Aµª»¯ïØÉè¼Æ·½
- ¿ªÒµ´ó¼ª | ÉîÛÚÊÐæê΢µç×Ó-Äþ²¨·Ö¹«Ë¾£¡
- ϲºØÐ¾Åó΢ף¾¸²©Ê¿ÈÙ»ñ¡°½ËÕÇàÄêÎåËĽ±ÕÂ
- CR6212_5V/12V¸ßЧÂÊ¡¢µÍ³É±¾µçÔ´·½°¸£¬Íê
- 2024ÄêÕ¹³á·ÉÏè | 2023Äê¶ÈÒµÎñ×ܽύÁ÷´ó
- ÕæÃ¯¼ÑÖúÁ¦µç¶¯Æû³µÁªÃËÆû³µµç×ÓÔªÆ÷¼þ¹¤×÷
- îýÁ¦AP30H80Q vbus¿ª¹ØMOS»ñµÃ°²¿Ë67W 2C1A
- Ê¿À¼Î¢650V¸ßѹ³¬½áSTSϵÁУ¬¹ã·ºÓ¦ÓÃÓÚÏû
- оÅóPN8213»ñƷʤ65Wµª»¯ïسäµçÆ÷²ÉÓ㬿É
- æê΢µç×ӲμÓÉúÃüÓ¦¼±¡°¾È¡±ÔÚÉí±ß£¬¼±¾È¼¼
°¢Àï°Í°ÍµêÆÌ
¹Ø×¢æê΢
ÊÕ²Øæê΢

