Æô´ïÆô³¼Î¢CR1252A¿É´úÌæncp1252AоƬ
×ֺţºT|T
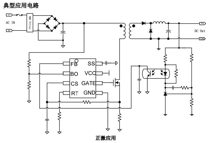
¡¡¡¡Æô´ïÆô³¼Î¢CR1252AÊÇÒ»¿îÓ¦ÓÃÓÚ PC É豸ºÍÊÊÅäÆ÷Êг¡µÄ¸ßÐÔÄÜÇý¶¯µçԴоƬ£¬²ÉÓÃSOP·â×°£¬¹Ü½ÅºÍ¹¦ÄÜÓëON/°²ÉÃÀNCP1252A»ù±¾Ò»Ö£¬¿É¼æÈÝ´úÌæncp1252AоƬ£¬¹ã·ºÓ¦ÓÃÓÚPCµçÔ´¡¢ÓÎÏ·»úÊÊÅäÆ÷¡¢Õý¼¤×ª»»Æ÷µÈÁìÓò¡£
¡¡¡¡

¡¡¡¡CR1252AÓ¦ÓÃÃèÊö¡¡¡¡
¡¡¡¡Æô¶¯»úÖÆ£ºµ± VCC Òý½Å´ïµ½ VCC_ONµçƽʱ£¬Æô¶¯»úÖÆ±»¼¤»î¡£ Ò»µ©Æô¶¯»úÖÆ±»¼¤»î£¬ÄÚ²¿ÑÓ³Ù¶¨Ê±Æ÷ SSdelayÔËÐС£Ö»Óо¹ýÄÚ²¿Ñӳٺ󣬲¢ÇÒ BO Òý½Åµçƽ¸ßÓÚ VBOµçƽ£¬Ôò¿ÉÒÔÔÊÐíÈíÆô¶¯¡£ Èç¹û´ïµ½ BO Òý½ÅãÐÖµ£¬»òÕßÒ»µ©´ïµ½´Ëµçƽ£¬ÔòÔÊÐíÈíÆô¶¯¡£ µ±ÔÊÐíÈíÆô¶¯Ê±£¬SS Òý½ÅµÄµçÁ÷Ô´½«¶Ô SS Òý½ÅÉϵÄÍâ½ÓµçÈݳäµç¡£ SS Òý½ÅµÄµçѹ±ä»¯³ýÒÔ 4£¬ÔÚ CS Òý½ÅÉϲúÉúÏàͬµÄ·åÖµµçÁ÷±ä»¯¡£¡¡
¡¡
¡¡
¡¡¡¡ÈíÆô¶¯£ºSS Òý½Åͨ¹ýÍâ½ÓµçÈÝʵÏÖÈíÆô¶¯£¬ÄÚ²¿ºãÁ÷Ô´¶Ô¸ÃµçÈݽøÐгäµç¡£SS Òý½ÅµçѹÉÏÉýµÄµçѹ³ýÒÔ 4 ¿É¿ØÖÆ CS Òý½ÅÉϼì²âµ½µÄ·åÖµµçÁ÷¡£ Òò´Ë£¬Ò»µ© CS Òý½Åµçѹ±äµÃ¸ßÓÚ SS Òý½Åµçѹ³ýÒÔ 4£¬Ð¾Æ¬Êä³ö GATE ½«»á·¢³ö¹Ø¶ÏÍâÖù¦ÂʹÜÐźš£¡¡
¡¡
¡¡
¡¡¡¡ÏßµçѹǷѹ±£»¤£ºÏßµçѹǷѹ±£»¤Í¨¹ý¼à¿Ø BO Òý½ÅÉÏµÄµçÆ½£¬¿ØÖÆÆ÷¿ÉÒÔ±£»¤Õýת»»Æ÷ÃâÊܵÍÊäÈëµçѹÌõ¼þµÄÓ°Ïì¡£ µ± BO Òý½ÅµçƽµÍÓÚ VBOµçƽʱ£¬¿ØÖÆÆ÷Í£Ö¹Âö³å£¬Ö±µ½ÊäÈëµçƽ»Ö¸´Õý³££¬²¢Í¨¹ýеÄÈíÆô¶¯Ë³Ðò»Ö¸´ÔËÐС£Ç·Ñ¹±È½ÏÆ÷¾ßÓй̶¨µÄ±È½Ïµçѹ£¨VBO£©¡£µ± BO Òý½ÅµÍÓÚÄÚ²¿µçѹ£¨VBO£©Ê±£¬Í¨¹ýʹÓÃÁ¬½ÓÔÚ BO Òý½ÅºÍµØÖ®¼äµÄÄÚ²¿µçÁ÷ʵÏÖ³ÙÖÍ¡£¡¡¡¡
¡¡¡¡Êä³ö¹ýÔØ±£»¤£ºµ± CS Òý½ÅµçƽÔÚ 1 V ´ïµ½×î´óµçƽʱ£¬Ôò¼ì²âµ½Êä³ö¶Ì·»ò¹ýÔØÇé¿ö¡£ÔÚÕâÖÖÇé¿öÏ£¬¸Ã״̬´æ´¢ÔÚËø´æÆ÷ÖУ¬ÔÊÐíÊý×Ö¶¨Ê±Æ÷¼ÆÊý¡£Èç¹ûÊý×Ö¶¨Ê±Æ÷½áÊø£¬Ôò¹ýÔØ±£»¤Ëø¶¨£¬²¢ÇÒ¿ØÖÆÆ÷Í£Ö¹Çý¶¯Æ÷Òý½ÅÉϵÄÂö³å¡£¡¡¡¡
¡¡¡¡Èç¹ûÔÚ¹ýÔØ±£»¤Êý×Ö¼ÆÊ±Æ÷¼ÆÊ±Íê³É֮ǰÍ˳öÁ˸ñ£»¤×´Ì¬£¬ÔÚûÓмì²âµ½¹ýÔØ±£»¤µÄ״̬Ï£¬¹ýÔØ±£»¤¼ÆÊ±Æ÷½öÔÚ 3 ¸öÇл»¿ØÖÆÆ÷ÖÜÆÚºó¸´Î»£¨»òÖÁÉÙ 3 ¸öÇл»ÖÜÆÚÄÚ CS Òý½Å<1 V ʱ£©¡£Èç¹û¼ì²âµ½Êä³ö¹ýÔØ±£»¤£¬µ±¼ì²âµ½ BO ¸´Î»»òÕß VCC Ͻµµ½µ½ VCC_OFFʱ£¬¿ØÖÆÆ÷¿ÉÒÔ±»¸´Î»¡£Æä¹ýÔØ±£»¤¼ÆÊ±Æ÷ÉèÖÃΪ 15 ms¡£¡¡¡¡
¡¡¡¡Ð±ÆÂ²¹³¥£ºÐ±ÆÂ²¹³¥ÊÇÒ»ÖÖ·ÀÖ¹´Îг²¨Õñµ´µÄ·½·¨¡£µ±Çý¶¯Æ÷¹¤×÷ÔÚÁ¬Ðøµ¼Í¨Ä£Ê½£¨CCM£©ÇÒÕ¼¿Õ±È½Ó½ü 50£¥ÒÔÉÏʱÈÝÒ×·¢Éú´Îг²¨Õñµ´¡£ ΪÁË·ÀÖ¹¸Ã´Îг²¨Õñµ´£¬Í¨³£²ÉÓÃбÆÂ²¹³¥µÄ·½Ê½À´½µµÍµçÁ÷»·Â·ÔöÒæ£¬´Ó¶ø×èÖ¹´Îг²¨Õñµ´µÄ·¢Éú¡£Ð±ÆÂ²¹³¥µçѹ´ÓÕñµ´Æ÷µÃµ½£¬·ÅÖÃÔÚ»º³åÄÚ²¿Õñµ´Æ÷ºÍ Rramp Ö®¼äµÄ¿ª¹ØÔÚ GATE ÐÅºÅ¹Ø¶ÏÆÚ¼ä¶Ï¿ª¡£¡¡

¡¡¡¡ncp1252a´ú»»Ð¾Æ¬CR1252A²ÉÓõçÁ÷ģʽ¿ØÖÆ·´À¡£¬¾ßÓзåÖµµçÁ÷ÏÞÖÆ¡¢ÄÚ²¿¹¤×÷ƵÂʿɵ÷£¬×î¸ß¿É´ï500kHz £¬ÄÚÖÃÆµÂʶ¶¶¯ÓÅ»¯EMI¡¢ÈíÆô¶¯ ¡¢ÊäÈëǷѹ×Ô¶¯»Ö¸´¡¢LEBÇ°ÑØÏûÒþ¹¦ÄÜ¡¢Ð±²¨²¹³¥µÈ£¬±£»¤¹¦ÄÜÆëÈ«£¬Ê¹ÏµÍ³¹¤×÷¸ü°²È«¡£
Ïà¹Ø×ÊѶ
- dc dc½µÑ¹ºãÁ÷оƬ
- ncp1342Ìæ´úÁÏPN8213µª»¯ïØpd³äµçÆ÷оƬ
- viper12aÌæ´úоƬAP8012H pin to pin¼æÈݲ»
- LNK364Ìæ»»Ð¾Æ¬PN8192Cµç´Å¯µçԴоƬ£¬Íâ
- ¼¸ÖÖ³£¼ûµÄledÇý¶¯Ð¾Æ¬µçÔ´·½°¸ÒÔ¼°×¢ÒâÊÂ
- 20W¸ß¼¯³É¶È¡¢¸ßЧÂÊÎÞÏ߳䷢Éä¿ØÖÆÐ¾Æ¬
- ¹ú²úÊÖ»úµçÔ´icÏÖ×´ÓëÇ÷ÊÆ·ÖÎö
- pwm¿ØÖÆÐ¾Æ¬ÔÀíÒÔ¼°Ó¦ÓÃÁìÓò
- Ö÷Á÷ÊÖ»ú³§É̵çÔ´¹ÜÀíоƬÏÖ×´·ÖÎö£¡
- µçÔ´¹ÜÀíоƬÐÐÒµÀ§¾³¼°·¢Õ¹Ç÷ÊÆ£¡
ͬÀàÎÄÕÂÅÅÐÐ
- ap8022´ú»»viper22a¿É¼æÈÝ£¬²»¸ÄPCB¼°ÍâΧ
- µçԴоƬsdh8302s¿ÉPIN½Å´ú»»VIPER12A/AP80
- ʲôÊÇMOS¹ÜµÄÑ©±À¼°mos¹ÜÑ©±À»÷´©ÔÀí£¡
- ³£ÓÃdc-dc½µÑ¹Ð¾Æ¬ÍƼö
- ¹ú²úµçÔ´¹ÜÀíоƬÓÐÄÄЩ£¿
- IR4427Ìæ»»Ð¾Æ¬ID1127Ë«µÍ²à¡¢´óµçÁ÷Çý¶¯£¬
- sdh8303´ú»»viper22a/AP8012H£¬PIN½Å¼æÈÝÎÞ
- PN555LÄÚÖÃ690VС¹¦ÂʷǸôÀëоƬ¿ÉÌæPN8008
- ³£ÓõÍѹmos¹ÜÐͺż°Ñ¡ÐÍ£¡
- ¿ª¹ØµçԴԱ߷´À¡£¨PSR£©¼¼ÊõÉî¶È½âÎö!
×îÐÂÎÄÕÂ×ÊѶ
- ¹ýÈÏÖ¤¡¢µÍ³É±¾ | 65W-PD-2C1Aµª»¯ïØÉè¼Æ·½
- ¿ªÒµ´ó¼ª | ÉîÛÚÊÐæê΢µç×Ó-Äþ²¨·Ö¹«Ë¾£¡
- ϲºØÐ¾Åó΢ף¾¸²©Ê¿ÈÙ»ñ¡°½ËÕÇàÄêÎåËĽ±ÕÂ
- CR6212_5V/12V¸ßЧÂÊ¡¢µÍ³É±¾µçÔ´·½°¸£¬Íê
- 2024ÄêÕ¹³á·ÉÏè | 2023Äê¶ÈÒµÎñ×ܽύÁ÷´ó
- ÕæÃ¯¼ÑÖúÁ¦µç¶¯Æû³µÁªÃËÆû³µµç×ÓÔªÆ÷¼þ¹¤×÷
- îýÁ¦AP30H80Q vbus¿ª¹ØMOS»ñµÃ°²¿Ë67W 2C1A
- Ê¿À¼Î¢650V¸ßѹ³¬½áSTSϵÁУ¬¹ã·ºÓ¦ÓÃÓÚÏû
- оÅóPN8213»ñƷʤ65Wµª»¯ïسäµçÆ÷²ÉÓ㬿É
- æê΢µç×ӲμÓÉúÃüÓ¦¼±¡°¾È¡±ÔÚÉí±ß£¬¼±¾È¼¼