PN7713¿ÉÌæ´úMP6508/DRV8833Âí´ïÇý¶¯Ð¾Æ¬£¬²»¸ÄÍâΧ£¡
×ֺţºT|T
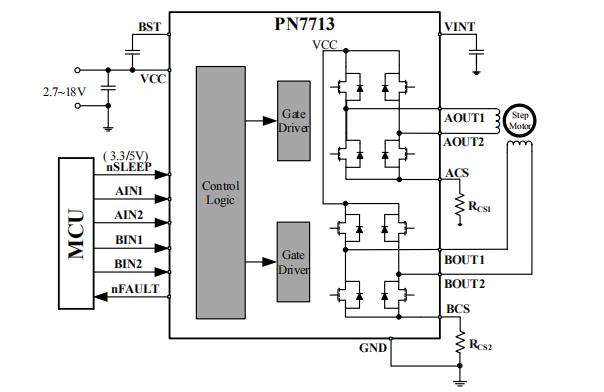
¡¡¡¡²½½øµç¶¯»úÊÇÒ»ÖְѵçÂö³åÐźÅת»»³É»úе½ÇÎ»ÒÆµÄ¿ØÖƵç»ú£¬ËüÔËתµÄËÙ¶ÈÓëÂö³åµÄƵÂʳÉÕý±È¹ØÏµ£¬PN7713²½½øµç»úÂí´ïÇý¶¯Ð¾Æ¬ÊÇÒ»¿î¾ßÓе͹¦ºÄ˯ÃßģʽµÄËÄͨµÀÖ±Á÷Âí´ïÇý¶¯Ð¾Æ¬£¬¿É¼æÈÝÌæ´úDRV8833Âí´ïÇý¶¯Ð¾Æ¬ºÍMP6508Çý¶¯¡£

¡¡¡¡
¡¡¡¡MP6508/DRV8833Ìæ´úоƬPN7713ÌØÕ÷¡¡¡¡
¡¡¡¡¡ö ¿íµçÔ´µçѹ·¶Î§£º2.7V¡«18V ¡¡¡¡
¡¡¡¡¡ö µÍ˯ÃßµçÁ÷£ºIVCC<10uA£¨nSLEEP=L£©¡¡¡¡
¡¡¡¡¡ö 3.3A·åÖµÇý¶¯Êä³ö£¬1.6AÁ¬ÐøÇý¶¯Êä³ö¡¡¡¡
¡¡¡¡¡ö µÍµ¼Í¨µç×裨HS£º0.25ohm£»LS£º0.25ohm£©¡¡
¡¡¡¡¡ö ÊäÈë¹Ü½Å¼æÈÝ5VºÍ3.3V¿ØÖÆÐźš¡¡¡
¡¡¡¡¡ö Õýת¡¢·´×ª¡¢É²³µºÍ˯Ãßģʽ¡¡¡¡
¡¡¡¡¡ö°üÀ¨µçԴǷѹ±£»¤¡¢ÄÚÖùýα£»¤¡¢ÄÚÖÃÊä³ö¶Ì·±£»¤µÈÒì³£±£»¤·´À¡¹¦ÄÜ¡£

¡¡¡¡
¡¡¡¡PN7713ÓÐÍⲿPWMºÍÄÚ²¿PWMÁ½ÖÖµçÁ÷¿ØÖÆ·½Ê½¡£ÍⲿPWMÊÇͨ¹ýAIN1¡¢AIN2¡¢BIN1ºÍBIN2ËĸöÊäÈë¿ØÖÆÇý¶¯µçÁ÷£¬ÄÚ²¿PWMÊÇͨ¹ýÄÚ²¿¹Ì¶¨ÆµÂʵ÷½ÚÇý¶¯µçÁ÷£¬Ê¹µÃÇý¶¯µçÁ÷µ½´ïÏÞÁ÷ãÐÖµºó½øÐÐÂýËٷŵ硣

¡¡¡¡
¡¡¡¡PN7713²½½øµç»úÂí´ïÇý¶¯Ð¾Æ¬ÄÚÖùýÁ÷±£»¤£¬¶Ì·±£»¤£¬Ç·Ñ¹±ÕËøºÍ¹ýÈȱ£»¤£¬´øµÍ¹¦ºÄ˯Ãßģʽ£¬µ¥HÇÅÊä³öµçÁ÷1.6A£¬ÓÃÓÚÇý¶¯1.6AÒÔϵÄÖ±Á÷µç»úºÍËÄÏß²½½øµç»ú£¬ÔÚÓ¦ÓÃÉÏ»ù±¾ÓëMP6508/DRV8833ÏàËÆ£¬¿É¼æÈÝÌæ´úÂí´ïÇý¶¯Ð¾Æ¬DRV8833/MP6508£¬¹ã·ºÓ¦ÓÃÓÚ´òÓ¡»ú¡¢ÉãÏñÍ·¡¢ATM»úµÈ²úÆ·¡£
Ïà¹Ø×ÊѶ
- SVF4N65/SVF7N65/SVF10N65/SVF12N65³£Óøß
- viper12aÌæ´úоƬAP8012H pin to pin¼æÈݲ»
- ³äµçÆ÷ic³£ÓÃÐͺţ¡
- ¹ú²úµçÔ´¹ÜÀíоƬ´òÆÆ½ø¿Ú¢¶Ï£¬Öý¾Í¹úÄÚÉý
- ¿ª¹ØµçԴоƬµÄ×÷Óü°»ù±¾ÔÀí·ÖÎö
- Ö÷Á÷³§É̵çÔ´ic LEDÇý¶¯Ð¾Æ¬µÄÓÅÁÓÊÆ·ÖÎö
- ³äµç±£»¤icоƬ×÷ÓÃÓÐÄÄЩ£¿
- ³äµçicоƬÐÔÄÜÒªÇó·ÖÎö!
- ¿ÆÆÕÔªÆ÷¼þ»ù´¡ÖªÊ¶£¬±æ±ðÔ×°ÓëÉ¢ÐÂIC£¡
- 10WÎÞÏß³äSoC·½°¸£º¸ßÐÔÄÜ+µÍBOM³É±¾
ͬÀàÎÄÕÂÅÅÐÐ
- ap8022´ú»»viper22a¿É¼æÈÝ£¬²»¸ÄPCB¼°ÍâΧ
- µçԴоƬsdh8302s¿ÉPIN½Å´ú»»VIPER12A/AP80
- ʲôÊÇMOS¹ÜµÄÑ©±À¼°mos¹ÜÑ©±À»÷´©ÔÀí£¡
- ³£ÓÃdc-dc½µÑ¹Ð¾Æ¬ÍƼö
- PN555LÄÚÖÃ690VС¹¦ÂʷǸôÀëоƬ¿ÉÌæPN8008
- sdh8303´ú»»viper22a/AP8012H£¬PIN½Å¼æÈÝÎÞ
- IR4427Ìæ»»Ð¾Æ¬ID1127Ë«µÍ²à¡¢´óµçÁ÷Çý¶¯£¬
- ¹ú²úµçÔ´¹ÜÀíоƬÓÐÄÄЩ£¿
- ³£ÓõÍѹmos¹ÜÐͺż°Ñ¡ÐÍ£¡
- ob2269Ìæ´úоƬCR6842³É±¾µÍ£¬ÐÔÄܸüÎȶ¨£¡
×îÐÂÎÄÕÂ×ÊѶ
- æê΢µç×Ó | ϲǨÐÂÖ·£¬ÐøÐ´·¢Õ¹ÐÂÆªÕ£¡
- оÅó΢20ÖÜÄê | ´úÀíÊÜÑû¼û֤оÁ¦Á¿£¬¹²¸°
- ¹ýÈÏÖ¤¡¢µÍ³É±¾ | 65W-PD-2C1Aµª»¯ïØÉè¼Æ·½
- ¿ªÒµ´ó¼ª | ÉîÛÚÊÐæê΢µç×Ó-Äþ²¨·Ö¹«Ë¾£¡
- ϲºØÐ¾Åó΢ף¾¸²©Ê¿ÈÙ»ñ¡°½ËÕÇàÄêÎåËĽ±ÕÂ
- CR6212_5V/12V¸ßЧÂÊ¡¢µÍ³É±¾µçÔ´·½°¸£¬Íê
- 2024ÄêÕ¹³á·ÉÏè | 2023Äê¶ÈÒµÎñ×ܽύÁ÷´ó
- ÕæÃ¯¼ÑÖúÁ¦µç¶¯Æû³µÁªÃËÆû³µµç×ÓÔªÆ÷¼þ¹¤×÷
- îýÁ¦AP30H80Q vbus¿ª¹ØMOS»ñµÃ°²¿Ë67W 2C1A
- Ê¿À¼Î¢650V¸ßѹ³¬½áSTSϵÁУ¬¹ã·ºÓ¦ÓÃÓÚÏû
°¢Àï°Í°ÍµêÆÌ
¹Ø×¢æê΢
ÊÕ²Øæê΢

