È«²¿²úÆ··ÖÀà
¼¯³Éµç·IC
- ÓÅÊÆ²úÆ·
- Chipown/оÅó΢
- оÅóµç»úÇý¶¯Ð¾Æ¬
- SLAN/Ê¿À¼Î¢
- CR/Æô³¼Î¢
- FM/¸»ÂúϵÁÐ
- SF/ÈüÍþоƬ
- XL/оÁúϵÁÐ
- LW/æê΢
³¡Ð§Ó¦¹Ü/MOS/IGBT
¶þ¼«¹Ü
Èý¼«¹Ü
ÍÆ¼ö²úÆ·
ÁªÏµÎÒÃÇ
ÉîÛÚÊÐæê΢µç×ӿƼ¼ÓÐÏÞ¹«Ë¾
µç»°£º0755-23087599
ÊÖ»ú£º13808858392
ÓÊÏ䣺dunianhua@leweitech.com
µØÖ·£ºÉîÛÚÊб¦°²ÇøÎ÷Ïçº×ÖÞºã·á¹¤Òµ³ÇB11¶°5Â¥¶«
PN7713 ËÄÏಽ½øÂí´ïÇý¶¯ic
ËùÊô·ÖÀࣺоÅóµç»úÇý¶¯Ð¾Æ¬
Æ·ÅÆ£ºÐ¾Åó΢
ÐͺţºPN7713
·â×°£ºTSSOP16-PP
¹¦ÂÊ£º2.7V¡«18V
µçÁ÷£º1.6AÁ¬ÐøÇý¶¯Êä³ö
ÐͺţºPN7713
·â×°£ºTSSOP16-PP
¹¦ÂÊ£º2.7V¡«18V
µçÁ÷£º1.6AÁ¬ÐøÇý¶¯Êä³ö
¶©¹ºÈÈÏߣº0755-23087599
¡¡¡¡PN7713ËÄÏಽ½øÂí´ïÇý¶¯icÇý¶¯¼¶ÎªHVCMOS½á¹¹£¬¸ß²àµ¼Í¨µç×è0.25ohm£¬µÍ²àµ¼Í¨µç×è0.25ohm£¬ÊÇÒ»¿î¾ßÓе͹¦ºÄ˯Ãßģʽ¡¢ÍⲿÏÞÁ÷¿Éµ÷µÄËÄͨµÀÖ±Á÷Âí´ïÇý¶¯Ð¾Æ¬£¬¿É¼æÈÝÌæ´úMP6508/DRV8833Âí´ïÇý¶¯Ð¾Æ¬£¬¹ã·ºÓ¦ÓÃÓÚÖÇÄܵç±í¡¢ÖÇÄÜÃÅËø¡¢¼Òµç¡¢ÉãÏñÍ·¡¢Ö±Á÷ÓÐË¢µç»úÓ¦Óá¢Ö±Á÷²½½øµç»úµÈÁìÓò¡£
¡¡¡¡
¡¡¡¡¸ÃоƬ¼¯³ÉÁËǷѹ±£»¤¡¢¹ýα£»¤¡¢Êä³ö¶Ì·±£»¤ºÍÍⲿ¿Éµ÷½ÚÇý¶¯ÏÞÁ÷µÈ¹¦ÄÜ£¬²¢ÇÒ¿ÉÒÔ½«´íÎó״̬·´À¡¸øMCU£¬±£ÕÏÂí´ï°²È«¹¤×÷¡£¸ÃоƬµÄËĸöÊäÈë¹Ü½ÅAIN1¡¢AIN2¡¢BIN1ºÍBIN2¼æ ÈÝ5VºÍ3.3VÐźſØÖÆ£¬¾ßÓÐÁ¼ºÃµÄ¿¹¸ÉÈÅÐÔ¡£
¡¡¡¡
¡¡¡¡PN7713ËÄÏಽ½øÂí´ïÇý¶¯icÌØÕ÷¡¡¡¡
¡¡¡¡¡ö ¿íµçÔ´µçѹ·¶Î§£º2.7V¡«18V ¡¡
¡¡¡¡¡ö µÍµ¼Í¨µç×裨HS£º0.25ohm£»LS£º0.25ohm£© ¡¡¡¡
¡¡¡¡¡ö Õýת¡¢·´×ª¡¢É²³µºÍ˯Ãßģʽ¡¡¡¡
¡¡¡¡¡ö µÍ˯ÃßµçÁ÷£ºIVCC<10uA£¨nSLEEP=L£©¡¡¡¡
¡¡¡¡¡ö ÊäÈë¹Ü½Å¼æÈÝ5VºÍ3.3V¿ØÖÆÐźš¡¡¡
¡¡¡¡¡ö 3.3A·åÖµÇý¶¯Êä³ö£¬1.6AÁ¬ÐøÇý¶¯Êä³ö¡¡¡¡
¡¡¡¡¡ö Òì³£±£»¤·´À¡¹¦ÄÜ£¬Òì³£±£»¤°üÀ¨£ºµçԴǷѹ±£»¤¡¢ÄÚÖùýα£»¤¡¢ÄÚÖÃÊä³ö¶Ì·±£»¤¡£
¡¡¡¡
¡¡¡¡¡¡
¡¡¡¡·â×°/¶©¹ºÐÅÏ¢

¡¡¡¡
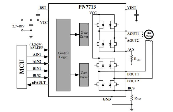
¡¡¡¡µäÐ͵ç·ͼ

¡¡¡¡
¡¡¡¡Ó¦ÓÃÁìÓò¡¡¡¡
¡¡¡¡¡ö ÖÇÄܵç±í¡¡¡¡
¡¡¡¡¡ö ÖÇÄÜÃÅËø¡¡¡¡
¡¡¡¡¡ö ¼Òµç¡¡¡¡
¡¡¡¡¡ö ÉãÏñÍ·¡¡¡¡
¡¡¡¡¡ö Ö±Á÷ÓÐË¢µç»úÓ¦Óá¡¡¡
¡¡¡¡¡ö Ö±Á÷²½½øµç»ú
¡¡¡¡
¡¡¡¡PN7713¿ÉÒÔ¿ØÖÆÂí´ï½øÈëÕýת¡¢·´×ª¡¢É²³µ¡¢»¬Ðкͳ¬µÍ¹¦ºÄ˯Ãßģʽ£¬²ÉÓÃTSSOP16-PP·â×°£¬´øÉ¢ÈȺ¸ÅÌ£¬CS¿Éµ÷ILIMIT£¬¿ÉÒÔËÄÊäÈë¶ÀÁ¢¿ØÖÆËÄÊä³ö£¬Rdson:0.5Ω£¬3.3A·åÖµÇý¶¯Êä³ö£¬Á¬ÐøÇý¶¯:1.6A£¬¿ÉÒÔÇý¶¯Ò»¸ö²½½øµç»ú¡¢Á½¸öÖ±Á÷µç»ú»òÕßÁ½Í¨µÀ²¢ÁªÇý¶¯Ò»¸öÖ±Á÷µç»ú£¬ÔÚÓ¦ÓÃÉÏ»ù±¾ÓëMP6508/DRV8833ÏàËÆ£¬¿ÉÒÔ¼æÈÝÌæ»»£¬¸ü¶àPN7713ËÄÏಽ½øÂí´ïÇý¶¯ic²úÆ·ÊֲἰӦÓÃ×ÊÁÏÇëÏòæê΢µç×ÓÉêÇë¡£>>¡¡
°¢Àï°Í°ÍµêÆÌ
¹Ø×¢æê΢
ÊÕ²Øæê΢










