·´¼¤Ê½¿ª¹ØµçÔ´µÄÓÅȱµã·ÖÎö
×ֺţºT|T
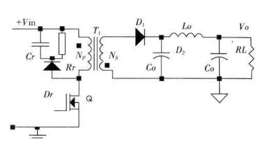
¡¡¡¡·´¼¤Ê½¿ª¹ØµçÔ´ÊÇָʹÓ÷´¼¤¸ßƵ±äѹÆ÷¸ôÀëÊäÈëÊä³ö»ØÂ·µÄ¿ª¹ØµçÔ´£¬·´¼¤Ê½µçÔ´Ò»°ãÓÐÈýÖÖ¹¤×÷ģʽ·Ö±ðΪÁ¬ÐøÄ£Ê½¡¢·ÇÁ¬ÐøÄ£Ê½ÒÔ¼°ÁÙ½çģʽ£¬ÒòÆäµç·½á¹¹±È½Ï¼òµ¥£¬ÔÚС¹¦Âʵç·ÖÐÓ¦Ó÷dz£¹ã·º£¬ÏÂÃæ¸úËææê΢µç×ÓÒ»ÆðÁ˽âÏ·´¼¤Ê½¿ª¹ØµçÔ´µÄÓÅȱµã¡£

¡¡¡¡
¡¡¡¡Ò»¡¢·´¼¤Ê½¿ª¹ØµçÔ´µÄµçѹºÍµçÁ÷µÄÊä³öÌØÐÔÒª±ÈÕý¼¤Ê½¿ª¹ØµçÔ´µÄ²î¡£¡¡¡¡
¡¡¡¡·´¼¤Ê½¿ª¹ØµçÔ´ÔÚ¿ØÖÆ¿ª¹Ø½ÓͨÆÚ¼ä²»Ïò¸ºÔØÌṩ¹¦ÂÊÊä³ö£¬½öÔÚ¿ØÖÆ¿ª¹Ø¹Ø¶ÏÆÚ¼ä²Å°Ñ´æ´¢ÄÜÁ¿×ª»¯Îª·´µç¶¯ÊÆÏò¸ºÔØÌṩÊä³ö£¬µ«¿ØÖÆ¿ª¹ØµÄÕ¼¿Õ±ÈΪ 0.5ʱ£¬±äѹÆ÷´Î¼¶ÏßȦÊä³öµÄµçѹµÄƽ¾ùÖµÔ¼µÈÓÚµçѹ×î´óÖµµÄµÄ¶þ·ÖÖ®Ò»£¬¶øÁ÷¹ý¸ºÔصĵçÁ÷ÕýºÃµÈÓÚ±äѹÆ÷´Î¼¶ÏßȦ×î´óµçÁ÷µÄËÄ·ÖÖ®Ò»¡£¼´µçѹÂö¶¯ÏµÊýµÈÓÚ2£¬µçÁ÷Âö¶¯ÏµÊýµÈÓÚ4¡£
¡¡¡¡
¡¡¡¡·´¼¤Ê½¿ª¹ØµçÔ´µÄµçѹÂö¶¯ÏµÊý£¬ºÍÕý¼¤Ê½¿ª¹ØµçÔ´µÄÂö¶¯ÏµÊý»ù±¾Ïàͬ£¬µ«ÊǵçÁ÷µÄÂö¶¯ÏµÊýÊÇÕý¼¤Ê½¿ª¹ØµçÔ´µÄµçÁ÷Âö¶¯ÏµÊýµÄ Á½±¶¡£ÓÉ´Ë¿ÉÖª£¬·´¼¤Ê½¿ª¹ØµçÔ´µÄµçѹºÍµçÁ÷µÄÊä³öÌØÐÔÒª±ÈÕý¼¤Ê½¿ª¹ØµçÔ´µÄ²î¡£ÌرðÊÇ£¬·´¼¤Ê½¿ª¹ØµçԴʹÓõÄʱºò£¬ÎªÁË·ÀÖ¹µçÔ´¿ª¹Ø¹Ü¹ýѹ»÷£¬ÆðÕ¼¿Õ±ÈÒ»°ã¶¼Ð¡ÓÚ0.5£¬´Ëʱ£¬Á÷¹ý±äѹÆ÷´Î¼¶ÏßȦµÄµçÁ÷»á³öÏÖ¶ÏÐø£¬µçѹºÍµçÁ÷µÄÂö¶¯ÏµÊý¶¼»áÔö¼Ó£¬ÆäµçѹºÍµçÁ÷µÄÊä³öÌØÐÔ½«»á±äµÃ¸ü²î¡£
¡¡¡¡
¡¡¡¡¶þ¡¢·´¼¤Ê½¿ª¹ØµçÔ´µÄ˲̬¿ØÖÆÌØÐÔÏà¶ÔÀ´Ëµ±È½Ï²î¡£¡¡¡¡
¡¡¡¡ÓÉÓÚ·´¼¤Ê½¿ª¹ØµçÔ´½öÔÚ¿ª¹Ø¹Ø¶ÏÆÚ¼ä²ÅÏò¸ºÔØÌṩÄÜÁ¿Êä³ö£¬µ±¸ºÔصçÁ÷³öÏֱ仯ʱ£¬¿ª¹ØµçÔ´²»ÄÜÁ¢¼´¶ÔÊä³öµçѹ»òµçÁ÷²úÉú·´Ó¦£¬¶øÐèÒªµÈµ½ÏÂÒ»¸öÖÜÆÚ£¬Í¨¹ýÊä³öµçѹȡÑùºÍµ÷¿í¿ØÖƵç·µÄ×÷Ó㬿ª¹ØµçÔ´²Å¿ªÊ¼¶ÔÒѾ¹ýÈ¥Á˵ÄÊÂÇé½øÐз´Ó¦£¬¼´¸Ä±äÕ¼¿Õ±È£¬Òò´Ë£¬·´¼¤Ê½¿ª¹ØµçÔ´µÄ˲̬¿ØÖÆÌØÐÔÏà¶ÔÀ´Ëµ±È½Ï²î¡£ÓÐʱ£¬µ±¸ºÔصçÁ÷±ä»¯µÄƵÂʺÍÏàλÓëÈ¡Ñù¡¢µ÷¿í¿ØÖƵç·Êä³öµÄµçѹµÄÑÓÊ±ÌØÐÔÔÚÏàλ±£³ÖÒ»ÖµÄʱºò£¬·´¼¤Ê½¿ª¹ØµçÔ´Êä³öµçѹ¿ÉÄÜ»á²úÉú¶¶¶¯£¬ÕâÖÖÇé¿ö ÔÚµçÊÓ»úµÄ¿ª¹ØµçÔ´ÖÐ×îÈÝÒ׳öÏÖ¡£
¡¡¡¡
¡¡¡¡Èý¡¢·´¼¤Ê½¿ª¹ØµçÔ´±äѹÆ÷³õ¼¶ºÍ´Î¼¶ÏßȦµÄ©¸Ð¶¼±È½Ï´ó£¬¿ª¹ØµçÔ´±äѹÆ÷µÄ¹¤×÷ЧÂʵ͡£¡¡¡¡
¡¡¡¡·´¼¤Ê½¿ª¹ØµçÔ´±äѹÆ÷µÄÌúоһ°ãÐèÒªÁôÒ»¶¨µÄÆøÏ¶£¬Ò»·½ÃæÊÇΪÁË·ÀÖ¹±äѹÆ÷µÄÌúоÒòÁ÷¹ý±äѹÆ÷µÄ³õ¼¶ÏßȦµÄµçÁ÷¹ý´ó£¬ÈÝÒײúÉú´Å±¥ºÍ¡£ÁíÒ»·½ÃæÊÇÒòΪ±äѹÆ÷µÄÊä³ö¹¦ÂÊС£¬ÐèҪͨ¹ýµ÷ÕûµçѹÆ÷µÄÆøÏ¶ºÍ³õ¼¶ÏßȦµÄÔÑÊý£¬À´µ÷Õû±äѹÆ÷³õ¼¶ÏßȦµÄµç¸ÐÁ¿µÄ´óС¡£Òò´Ë£¬·´¼¤Ê½¿ª¹ØµçÔ´±äѹÆ÷³õ¼¶ºÍ´Î¼¶ÏßȦµÄ©¸Ð¶¼±È½Ï´ó£¬´Ó¶ø»á½µµÍ¿ª¹ØµçÔ´±äѹÆ÷µÄ¹¤×÷ЧÂÊ£¬²¢ÇÒ©¸Ð»¹»á²úÉú·´µç¶¯ÊÆ£¬ÈÝÒ×°Ñ¿ª¹Ø¹Ü»÷´©¡£
¡¡¡¡
¡¡¡¡ËÄ¡¢·´¼¤Ê½¿ª¹ØµçÔ´µÄÓŵãÊǵ緱Ƚϼòµ¥£¬Ìå»ý±È½ÏС£¬·´¼¤Ê½¿ª¹ØµçÔ´Êä³öµçѹÊÜÕ¼¿Õ±ÈµÄµ÷ÖÆ·ù¶È£¬Ïà¶ÔÓÚÕý¼¤Ê½¿ª¹ØµçÔ´À´Òª¸ßºÜ¶à¡£¡¡¡¡
¡¡¡¡·´¼¤Ê½¿ª¹ØµçÔ´µÄÓŵãÊǵ緱Ƚϼòµ¥£¬±ÈÕý¼¤Ê½¿ª¹ØµçÔ´ÉÙÓÃÁËÒ»¸ö´óµÄ´¢ÄÜÂ˲¨µç¸Ð£¬ÒÔ¼°Ò»¸öÐøÁ÷¶þ¼«¹Ü£¬·´¼¤Ê½¿ª¹ØµçÔ´µÄÌå»ýÒª±ÈÕý¼¤Ê½¿ª¹ØµçÔ´µÄÌå»ýС£¬Çҳɱ¾Ò²ÒªµÍ¡£´ËÍ⣬·´¼¤Ê½¿ª¹ØµçÔ´Êä³öµçѹÊÜÕ¼¿Õ±ÈµÄµ÷ÖÆ·ù¶È£¬Ïà¶ÔÓÚÕý¼¤Ê½¿ª¹ØµçÔ´À´Òª¸ßºÜ¶à£¬Òò´Ë£¬·´¼¤Ê½¿ª¹ØµçÔ´ÒªÇóµ÷¿ØÕ¼¿Õ±ÈµÄ Îó²îÐźŷù¶ÈÒª±È½ÏµÍ£¬Îó²îÐźŷŴóÆ÷µÄÔöÒæºÍ¶¯Ì¬·¶Î§Ò²Òª½ÏС¡£ÓÉÓÚÕâЩÓŵ㣬Ŀǰ£¬·´¼¤Ê½¿ª¹ØµçÔ´ÔÚ¼ÒµçÁìÓòÖл¹ÊDZ»¹ã·ºµÄÓ¦Óá£
¡¡¡¡
¡¡¡¡Îå¡¢·´¼¤Ê½¿ª¹ØµçÔ´¶àÓÃÓÚ¹¦ÂʽÏСµÄ³¡ºÏ»òÊǶà·Êä³öµÄ³¡ºÏ¡£
¡¡¡¡
¡¡¡¡Áù¡¢·´¼¤Ê½¿ª¹ØµçÔ´²»ÐèÒª¼Ó´Å¸´Î»ÈÆ×é¡£¡¡¡¡
¡¡¡¡ÔÚ·´¼¤Ê½¿ª¹ØµçÔ´ÖУ¬ÔÚ¿ª¹Ø¹Ü¹Ø¶ÏµÄʱºò£¬·´¼¤Ê½±ä»»Æ÷µÄ±äѹÆ÷´¢ÄÜÏò¸ºÔØÊÍ·Å£¬´Åо×ÔÈ»¸´Î»£¬²»ÐèÒª¼Ó´Å¸´Î»´ëÊ©¡£
¡¡¡¡
¡¡¡¡Æß¡¢ÔÚ·´¼¤Ê½¿ª¹ØµçÔ´ÖУ¬µçѹÆ÷¼È¾ßÓд¢ÄܵŦÄÜ£¬ÓоßÓбäѹºÍ¸ôÀëµÄ¹¦ÄÜ¡£
¡¡¡¡
¡¡¡¡×ÛºÏÀ´Ëµ·´»÷ʽ¿ª¹ØµçÔ´¾ßÓÐÔªÆ÷¼þÉÙ£¬µç·¼òµ¥£¬³É±¾µÍ£¬Ìå»ýС£¬¿ÉͬʱÊä³ö¶à·»¥Ïà¸ôÀëµÄµçѹµÈÓŵ㣬ͬʱ¿ª¹Ø¹Ü³ÐÊܵçѹ¸ß£¬Êä³ö±äѹÆ÷ÀûÓÃÂʵͣ¬²»ÊʺÏ×÷´ó¹¦ÂʵçÔ´£¬EMIÏà¶Ô»á±È½Ï´ó£¬¶øÔÚÖÐС¹¦ÂʵçÔ´ÖеÃÈ´µ½¹ã·ºµÄÓ¦Óá£
ÉÏһƪ£ºHC57015ÎÞÏß³äÖ÷оƬ¹¤×÷ÔÀí ÏÂһƪ£ºHC5808LÎÞÏßµçÔ´·¢ÉäÆ÷socµ¥Ð¾Æ¬
Ïà¹Ø×ÊѶ
- pwm¿ØÖÆÐ¾Æ¬ÔÀíÒÔ¼°Ó¦ÓÃÁìÓò
- ¹ú²úÊÖ»úµçÔ´icÏÖ×´ÓëÇ÷ÊÆ·ÖÎö
- ¼¸ÖÖ³£¼ûµÄledÇý¶¯Ð¾Æ¬µçÔ´·½°¸ÒÔ¼°×¢ÒâÊÂ
- dc dc½µÑ¹ºãÁ÷оƬ
- 20W¸ß¼¯³É¶È¡¢¸ßЧÂÊÎÞÏ߳䷢Éä¿ØÖÆÐ¾Æ¬
- Ö÷Á÷ÊÖ»ú³§É̵çÔ´¹ÜÀíоƬÏÖ×´·ÖÎö£¡
- ncp1342Ìæ´úÁÏPN8213µª»¯ïØpd³äµçÆ÷оƬ
- viper12aÌæ´úоƬAP8012H pin to pin¼æÈݲ»
- µçÔ´¹ÜÀíоƬÐÐÒµÀ§¾³¼°·¢Õ¹Ç÷ÊÆ£¡
- LNK364Ìæ»»Ð¾Æ¬PN8192Cµç´Å¯µçԴоƬ£¬Íâ
ͬÀàÎÄÕÂÅÅÐÐ
- ap8022´ú»»viper22a¿É¼æÈÝ£¬²»¸ÄPCB¼°ÍâΧ
- µçԴоƬsdh8302s¿ÉPIN½Å´ú»»VIPER12A/AP80
- ʲôÊÇMOS¹ÜµÄÑ©±À¼°mos¹ÜÑ©±À»÷´©ÔÀí£¡
- ³£ÓÃdc-dc½µÑ¹Ð¾Æ¬ÍƼö
- ¹ú²úµçÔ´¹ÜÀíоƬÓÐÄÄЩ£¿
- IR4427Ìæ»»Ð¾Æ¬ID1127Ë«µÍ²à¡¢´óµçÁ÷Çý¶¯£¬
- sdh8303´ú»»viper22a/AP8012H£¬PIN½Å¼æÈÝÎÞ
- PN555LÄÚÖÃ690VС¹¦ÂʷǸôÀëоƬ¿ÉÌæPN8008
- ³£ÓõÍѹmos¹ÜÐͺż°Ñ¡ÐÍ£¡
- ¿ª¹ØµçԴԱ߷´À¡£¨PSR£©¼¼ÊõÉî¶È½âÎö!
×îÐÂÎÄÕÂ×ÊѶ
- ¹ýÈÏÖ¤¡¢µÍ³É±¾ | 65W-PD-2C1Aµª»¯ïØÉè¼Æ·½
- ¿ªÒµ´ó¼ª | ÉîÛÚÊÐæê΢µç×Ó-Äþ²¨·Ö¹«Ë¾£¡
- ϲºØÐ¾Åó΢ף¾¸²©Ê¿ÈÙ»ñ¡°½ËÕÇàÄêÎåËĽ±ÕÂ
- CR6212_5V/12V¸ßЧÂÊ¡¢µÍ³É±¾µçÔ´·½°¸£¬Íê
- 2024ÄêÕ¹³á·ÉÏè | 2023Äê¶ÈÒµÎñ×ܽύÁ÷´ó
- ÕæÃ¯¼ÑÖúÁ¦µç¶¯Æû³µÁªÃËÆû³µµç×ÓÔªÆ÷¼þ¹¤×÷
- îýÁ¦AP30H80Q vbus¿ª¹ØMOS»ñµÃ°²¿Ë67W 2C1A
- Ê¿À¼Î¢650V¸ßѹ³¬½áSTSϵÁУ¬¹ã·ºÓ¦ÓÃÓÚÏû
- оÅóPN8213»ñƷʤ65Wµª»¯ïسäµçÆ÷²ÉÓ㬿É
- æê΢µç×ӲμÓÉúÃüÓ¦¼±¡°¾È¡±ÔÚÉí±ß£¬¼±¾È¼¼
°¢Àï°Í°ÍµêÆÌ
¹Ø×¢æê΢
ÊÕ²Øæê΢

