PN8370_2.4A³äµçÆ÷IC·½°¸
×ֺţºT|T
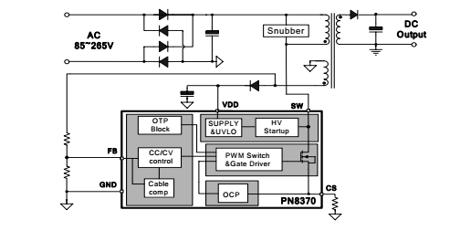
PN8370²úÆ·ÃèÊö£º
PN8370¼¯³É³¬µÍ´ý»ú¹¦ºÄ׼гÕñԱ߿ØÖÆÆ÷¼°650V¸ßÑ©±ÀÄÜÁ¦ÖÇÄܹ¦ÂÊMOSFET£¬ÓÃÓÚ¸ßÐÔÄÜ¡¢ÍâΧԪÆ÷¼þ¾«¼òµÄ³äµçÆ÷¡¢ÊÊÅäÆ÷ºÍÄÚÖõçÔ´¡£PN8370ΪԱ߷´À¡¹¤×÷ģʽ£¬¿ÉÊ¡ÂÔ¹âñîºÍTL431¡£ÄÚÖøßѹÆô¶¯µç·£¬¿ÉʵÏÖоƬ¿ÕÔØËðºÄ£¨230VAC£©
PN8370¼¯³É³¬µÍ´ý»ú¹¦ºÄ׼гÕñԱ߿ØÖÆÆ÷¼°650V¸ßÑ©±ÀÄÜÁ¦ÖÇÄܹ¦ÂÊMOSFET£¬ÓÃÓÚ¸ßÐÔÄÜ¡¢ÍâΧԪÆ÷¼þ¾«¼òµÄ³äµçÆ÷¡¢ÊÊÅäÆ÷ºÍÄÚÖõçÔ´¡£PN8370ΪԱ߷´À¡¹¤×÷ģʽ£¬¿ÉÊ¡ÂÔ¹âñîºÍTL431¡£ÄÚÖøßѹÆô¶¯µç·£¬¿ÉʵÏÖоƬ¿ÕÔØËðºÄ£¨230VAC£©
СÓÚ30mW¡£ÔÚºãѹģʽ£¬²ÉÓÃ׼гÕñÓë¶àģʽ¼¼ÊõÌá¸ßЧÂʲ¢Ïû³ýÒôƵÔëÉù£¬Ê¹µÃϵͳÂú×ã6¼¶ÄÜЧ±ê×¼£¬¿Éµ÷Êä³öÏß²¹³¥¹¦ÄÜÄÜʹϵͳ»ñµÃ½ÏºÃµÄ¸ºÔص÷ÕûÂÊ£»ÔÚºãÁ÷ģʽ£¬Êä³öµçÁ÷ºÍ¹¦ÂÊ¿Éͨ¹ýCS½ÅµÄRCSµç×è½øÐе÷½Ú¡£¸ÃоƬÌṩÁ˼«ÎªÈ«ÃæµÄÖÇÄܱ£»¤¹¦ÄÜ£¬°üº¬ÖðÖÜÆÚ¹ýÁ÷±£»¤¡¢¹ýѹ±£»¤¡¢¿ª»·±£»¤¡¢¹ýα£»¤¡¢Êä³ö¶Ì·±£»¤ºÍCS¿ª/¶Ì·±£»¤µÈ¡£
PN8370²úÆ·ÌØµã£º
ÄÚÖÃ650V¸ßÑ©±ÀÄÜÁ¦ÖÇÄܹ¦ÂÊMOSFETyle="white-space:pre">
ÄÚÖøßѹÆô¶¯µç·£¬Ð¡ÓÚ30mW¿ÕÔØËðºÄ£¨230VAC£©yle="white-space:pre">
²ÉÓÃ׼гÕñÓë¶àģʽ¼¼ÊõÌá¸ßЧÂÊ£¬Âú×ã6¼¶ÄÜЧ±ê×¼yle="white-space:pre">
È«µçѹÊäÈ뷶Χ±5%µÄCC/CV¾«¶Èyle="white-space:pre"> ·â×°/¶©¹ºÐÅÏ¢
Ա߷´À¡¿ÉÊ¡¹âñîºÍTL431yle="white-space:pre">
ºãѹ¡¢ºãÁ÷¡¢Êä³öÏß²¹³¥Íⲿ¿Éµ÷yle="white-space:pre">
ÎÞÐè¶îÍâ²¹³¥µçÈÝyle="white-space:pre">
ÎÞÒôƵÔëÉùyle="white-space:pre">
ÖÇÄܱ£»¤¹¦ÄÜyle="white-space:pre">
¹ýα£»¤ (OTP)
VDDǷѹ&¹ýѹ±£»¤ (UVLO&OVP)
ÖðÖÜÆÚ¹ýÁ÷±£»¤ (OCP)yle="white-space:pre">
CS¿ª/¶Ì·±£»¤ (CS O/SP£©yle="white-space:pre">
¿ª»·±£»¤ (OLP)yle="white-space:pre">
µäÐÍÓ¦ÓÃͼ

Ïà¹Ø×ÊѶ
- Ð¤ÌØ»ù¶þ¼«¹ÜSBR10045P5 ¿ÉÌæ´úSBR10U45SP5
- ³µ³ä5V1A·½°¸
- DiodesÍÆ³ö¸ßЧÂʵ¥ÈÆ×éµç¸Ð 500V½µÑ¹LEDÇý
- æê΢µç×Ó-UC3842µÄ·´¼¤¿ª¹ØµçÔ´µ÷ÊÔ
- ¸ßƵ¸ÐÓ¦¼ÓÈȵçÔ´Áù´ó¶ÀÌØÓŵã-æê΢µç×Ó
- ³µ³äоƬ
- ¹úÄÚUSB³µ³äIC¹©Ó¦ÉÌ-ÉîÛÚæê΢µç×Ó
- ÉîÛÚæê΢µç×ÓQC3.0¿ì³ä·½°¸µÄÓÅÊÆÌØµã£¡
- ȪоϵÁÐÉýѹоƬ-æê΢µç×Ó
- æê΢µç×Ó2.1A³µ³ä·½°¸ ³µ³äIC ¹ã¶«·½°¸Éè¼Æ
ͬÀàÎÄÕÂÅÅÐÐ
- 7¸ö´ó·ù¾«¼òÍâΧµÄac-dcµçÔ´¹ÜÀíоƬ·½°¸
- Ö÷Á÷µÄ¿ì³äÐÒéоƬPD³äµçоƬ
- Ò»¿îÊÊÅäÆ÷µÄAC-DCת»»Ð¾Æ¬½éÉÜ-SD4873
- PN8370M+PN8305LСÌå»ý5V2A³äµçÆ÷ic·½°¸
- PN8161+PN8307HÊ¡10¿ÅÍâΧµÄ18W PD¿ì³äµçÔ´
- Ê¿À¼Î¢ÍƳöAC/DC 5V/1A³äµçÆ÷½â¾ö·½°¸SD69
- SF6773 650V¹¦ÂʵçÔ´ÊÖ»ú³äµçÆ÷оƬ
- ½ÚÊ¡ÍâΧµÄPN8370M+PN8306M 5V2AÁù¼¶ÄÜЧ³ä
- оÁú12V/5A DC/DCµÍ³É±¾µçԴоƬ·½°¸-XL150
- NCEÏÖ»õn¹µµÀmos¹ÜNCE6003Y´Å³¡Ó¦¹ÜSOT23-3
×îÐÂÎÄÕÂ×ÊѶ
- ³¬¾«¼ò10WÎÞÏß³äµçоƬ·½°¸
- µ±µª»¯ïØÓöÉÏÁËUSB PDÆÕ¼°£¬·ç¿Ú¼´½«À´ÁÙ£¡
- 5v2aµçÔ´ÊÊÅäÆ÷оƬ/³äµçÆ÷ic·½°¸
- È«ÇòоƬÐÐÒµÒµ¼¨35ÄêÀ´ËĴα©µø£¬Ó¢Ìضû¡°
- µÍ¹¦ºÄµçÔ´ÊÊÅäÆ÷icоƬ·½°¸
- оÅóµÄµçÔ´¹ÜÀíicÔõôÑù?
- 12V3.0Aͬ²½ÕûÁ÷Áù¼¶ÄÜЧµçÔ´ÊÊÅäÆ÷Ó¦Ó÷½
- Ó¢ÌØ¶û·ÅÆúÆ»¹û£¬¸ßͨ½«ÎªÆ»¹ûÌṩ5GоƬ£¡
- SDH8594ASÄÚÖøßѹMOS¹ÜµÄԱ߿ØÖÆÐ¾Æ¬
- 5Gȱ¡°Ð¾¡±»ªÎª»ò½«ÏòÆ»¹û³öÊÛ5GоƬ£¿