µÍ¹¦ºÄµçÔ´ÊÊÅäÆ÷icоƬ·½°¸
×ֺţºT|T
¡¡¡¡µçÔ´ÊÊÅäÆ÷icоƬֱ½Ó¹ØÏµµ½µçÔ´ÊÊÅäÆ÷µÄÎȶ¨ÐÔÒÔ¼°ÊÙÃü£¬ÕýÈ·µÄÑ¡ÔñµçÔ´ÊÊÅäÆ÷ic²»µ«¿ÉÒÔ¼õÉÙ²úÆ·µÄ¹ÊÕÏÂÊÒ²¿ÉÒÔÑÓ³¤²úÆ·µÄʹÓÃÊÙÃü£¬µÍ¹¦ºÄµçÔ´ÊÊÅäÆ÷icоƬ·½°¸²»½öÒªÂú×ãµç·ÐÔÄܵÄÒªÇó£¬Ò²½â¾öÁ˲úÆ·µÄÌå»ý¡¢ÖØÁ¿¡¢Ê¹ÓÃÊÙÃüÒÔ¼°³É±¾ÎÊÌâ¡£
¡¡¡¡
¡¡¡¡µçÔ´ÊÊÅäÆ÷ic¿É·ÖΪ¸±±ß·´À¡£¨SSR£©µçԴоƬºÍԱ߷´À¡£¨PSR£©µçԴоƬ£¬PSRµçԴоƬÏà±ÈSSR¼Û¸ñ½ÏµÍ£¬Ò»°ãÀ´ËµÔ±ß·´À¡µçԴоƬÎÞ¹âñîºÍTL431£¬ËùÒÔÔÚ¼Û¸ñÉÏÒ²¾ÍÏà¶Ô»á±È½Ïʵ»ÝһЩ¡£
¡¡¡¡
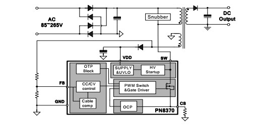
¡¡¡¡½ÓÏÂÀ´ÎÒÃÇÈÏʶһÏÂԱ߷´À¡ÖÇÄܹ¦ÂÊMOSFETµçÔ´ÊÊÅäÆ÷icоƬPN8370ÊÇÒ»¿îÓ¦ÓÃÓÚС¹¦ÂÊAC/DC³äµçÆ÷ºÍµçÔ´ÊÊÅäÆ÷µÄ³¬µÍ´ý»ú¹¦ºÄ׼гÕñԱ߷´À¡½»Ö±Á÷ת»»Æ÷£¬¸ÃоƬ¹¤×÷ÔÚԱ߼ì²âºÍµ÷Õûģʽ£¬¿ÉÊ¡ÂÔϵͳµÄ¹âñîºÍTL431¡£

¡¡¡¡
¡¡¡¡PN8370µçÔ´ÊÊÅäÆ÷ic¼¯³É³¬µÍ´ý»ú¹¦ºÄ׼гÕñԱ߿ØÖÆÆ÷¼°650V¸ßÑ©±ÀÄÜÁ¦ÖÇÄܹ¦ÂÊMOSFET£¬ÄÚÖøßѹÆô¶¯µç·£¬¿ÉʵÏÖоƬ¿ÕÔØËðºÄ£¨230VAC£©Ð¡ÓÚ30mW¡£
¡¡¡¡
¡¡¡¡ÔÚºãѹģʽ£¬²ÉÓÃ׼гÕñÓë¶àģʽ¼¼ÊõÌá¸ßЧÂʲ¢Ïû³ýÒôƵÔëÉù£¬Ê¹µÃϵͳÂú×ã6¼¶ÄÜЧ±ê×¼£¬¿Éµ÷Êä³öÏß²¹³¥¹¦ÄÜÄÜʹϵͳ»ñµÃ½ÏºÃµÄ¸ºÔص÷ÕûÂÊ£»ÔÚºãÁ÷ģʽ£¬Êä³öµçÁ÷ºÍ¹¦ÂÊ¿Éͨ¹ýCS½ÅµÄRCSµç×è½øÐе÷½Ú¡£
¡¡¡¡
¡¡¡¡Í¬Ê±¸ÃоƬÌṩÁ˼«ÎªÈ«ÃæµÄÖÇÄܱ£»¤¹¦ÄÜ£¬°üº¬ÖðÖÜÆÚ¹ýÁ÷±£»¤¡¢¹ýѹ±£»¤¡¢¿ª»·±£»¤¡¢¹ýα£»¤¡¢Êä³ö¶Ì·±£»¤ºÍCS¿ª/¶Ì·±£»¤µÈ£¬ÓÃÓÚ¸ßÐÔÄÜ¡¢ÍâΧԪÆ÷¼þ¾«¼òµÄ³äµçÆ÷¡¢ÊÊÅäÆ÷ºÍÄÚÖõçÔ´¡£

¡¡¡¡
¡¡¡¡µçÔ´ÊÊÅäÆ÷icоƬÆð×Å¿ØÖÆÊÊÅäÆ÷µç·ÔÚ×÷Ó㬾ö¶¨×ŵçÔ´µç·ÀïµçÁ÷£¬µçѹ£¬¹¦ÂʵĴóС¿ØÖÆ£¬ Ñ¡ÔñµçÔ´ÊÊÅäÆ÷icоƬµÄʱºò£¬¹¦ÂÊ»òµçѹÏàͬµÄÊÊÅäÆ÷µçԴоƬ»òÕß¾¹ý¼ì²â²âÊÔµÄÊÊÅäÆ÷icоƬ£¬Ñ¡ÔñÒ»¿îºÃµÄµçÔ´ÊÊÅäÆ÷ic¿ÉÒԺܺõÄÈ·±£µç×ÓÔªÆ÷¼þµÄ°²È«ºÍÎȶ¨£¬¸ü¶àµÍ¹¦ºÄµçÔ´ÊÊÅäÆ÷icоƬ·½°¸£¬¿ÉÁªÏµæê΢µç×Ó¡£¡£¡£
ÉÏһƪ£º12V3.0Aͬ²½ÕûÁ÷Áù¼¶ÄÜЧµçÔ´ÊÊÅäÆ÷Ó¦Ó÷½°¸ ÏÂһƪ£ºÃ»ÓÐÁË
Ïà¹Ø×ÊѶ
- ³µ³ä5V1A·½°¸
- ȪоϵÁÐÉýѹоƬ-æê΢µç×Ó
- æê΢µç×Ó-UC3842µÄ·´¼¤¿ª¹ØµçÔ´µ÷ÊÔ
- ¸ßƵ¸ÐÓ¦¼ÓÈȵçÔ´Áù´ó¶ÀÌØÓŵã-æê΢µç×Ó
- ³µ³äоƬ
- Ð¤ÌØ»ù¶þ¼«¹ÜSBR10045P5 ¿ÉÌæ´úSBR10U45SP5
- DiodesÍÆ³ö¸ßЧÂʵ¥ÈÆ×éµç¸Ð 500V½µÑ¹LEDÇý
- ¹úÄÚUSB³µ³äIC¹©Ó¦ÉÌ-ÉîÛÚæê΢µç×Ó
- ÉîÛÚæê΢µç×ÓQC3.0¿ì³ä·½°¸µÄÓÅÊÆÌØµã£¡
- æê΢µç×Ó2.1A³µ³ä·½°¸ ³µ³äIC ¹ã¶«·½°¸Éè¼Æ
ͬÀàÎÄÕÂÅÅÐÐ
- 7¸ö´ó·ù¾«¼òÍâΧµÄac-dcµçÔ´¹ÜÀíоƬ·½°¸
- Ö÷Á÷µÄ¿ì³äÐÒéоƬPD³äµçоƬ
- Ò»¿îÊÊÅäÆ÷µÄAC-DCת»»Ð¾Æ¬½éÉÜ-SD4873
- PN8370M+PN8305LСÌå»ý5V2A³äµçÆ÷ic·½°¸
- PN8161+PN8307HÊ¡10¿ÅÍâΧµÄ18W PD¿ì³äµçÔ´
- Ê¿À¼Î¢ÍƳöAC/DC 5V/1A³äµçÆ÷½â¾ö·½°¸SD69
- SF6773 650V¹¦ÂʵçÔ´ÊÖ»ú³äµçÆ÷оƬ
- ½ÚÊ¡ÍâΧµÄPN8370M+PN8306M 5V2AÁù¼¶ÄÜЧ³ä
- оÁú12V/5A DC/DCµÍ³É±¾µçԴоƬ·½°¸-XL150
- NCEÏÖ»õn¹µµÀmos¹ÜNCE6003Y´Å³¡Ó¦¹ÜSOT23-3
×îÐÂÎÄÕÂ×ÊѶ
- ³¬¾«¼ò10WÎÞÏß³äµçоƬ·½°¸
- µ±µª»¯ïØÓöÉÏÁËUSB PDÆÕ¼°£¬·ç¿Ú¼´½«À´ÁÙ£¡
- 5v2aµçÔ´ÊÊÅäÆ÷оƬ/³äµçÆ÷ic·½°¸
- È«ÇòоƬÐÐÒµÒµ¼¨35ÄêÀ´ËĴα©µø£¬Ó¢Ìضû¡°
- µÍ¹¦ºÄµçÔ´ÊÊÅäÆ÷icоƬ·½°¸
- оÅóµÄµçÔ´¹ÜÀíicÔõôÑù?
- 12V3.0Aͬ²½ÕûÁ÷Áù¼¶ÄÜЧµçÔ´ÊÊÅäÆ÷Ó¦Ó÷½
- Ó¢ÌØ¶û·ÅÆúÆ»¹û£¬¸ßͨ½«ÎªÆ»¹ûÌṩ5GоƬ£¡
- SDH8594ASÄÚÖøßѹMOS¹ÜµÄԱ߿ØÖÆÐ¾Æ¬
- 5Gȱ¡°Ð¾¡±»ªÎª»ò½«ÏòÆ»¹û³öÊÛ5GоƬ£¿
°¢Àï°Í°ÍµêÆÌ
¹Ø×¢æê΢
ÊÕ²Øæê΢

