成都逍遥耍耍网论坛,天津-凤江湖论坛春风阁(全国信息) ,一品香论坛登录入口风楼阁交友平台 ,快活林信息发布论坛汇总

³äµçÆ÷оƬ°¢Àï°Í°ÍµêÆÌ ¿ª¹ØµçԴоƬ¹Ø×¢æê΢ µç»úÇý¶¯Ð¾Æ¬ÊÕ²Øæê΢ »¶Ó­½øÈëµçԴоƬ/Çý¶¯Ð¾Æ¬¡¢MOS¡¢IGBT¡¢¶þÈý¼«¹Ü¡¢ÇŶѵȵç×ÓÔªÆ÷¼þ´úÀíÉÌ--æê΢µç×Ó¹ÙÍø
¸ß¼¶ËÑË÷

ËÑË÷Ò»

ËÑË÷¶þ

³äµç¹ÜÀíIC·½°¸

ÍÆ¼ö²úÆ·

ÁªÏµÎÒÃÇ

¿ª¹ØµçԴоƬ
ÉîÛÚÊÐæê΢µç×ӿƼ¼ÓÐÏÞ¹«Ë¾

µç»°£º0755-23087599

ÊÖ»ú£º13808858392

ÓÊÏ䣺dunianhua@leweitech.com

µØÖ·£ºÉîÛÚÊб¦°²ÇøÎ÷Ïçº×ÖÞºã·á¹¤Òµ³ÇB11¶°5Â¥¶«

prevnext

SF6772_³äµçÆ÷/ÊÊÅäÆ÷IC SF6772

ËùÊô·ÖÀࣺSF/ÈüÍþоƬ
Æ·ÅÆ£ºSFÈüÍþ
ÐͺţºSF6772
·â×°£ºSOP8
¹¦ÂÊ£º6W
µçÁ÷£º
¶©¹ºÈÈÏߣº0755-23087599
    SF6772²úÆ·ÌØµã£º
    SF6772ÊÇ׼гÕñ£¨QR£©Ä£Ê½µÄ¸ß¾«¶ÈÔ­±ß·´À¡¿ØÖÆ(PSR)ºãѹºãÁ÷£¨CV/CC£©¿ØÖÆÆ÷¡£¸ÃϵÁÐÇý¶¯Íⲿ¹¦ÂÊMOS¹Ü£¬·Ç³£Êʺϵͳɱ¾Ð¡¹¦ÂʳäµçÆ÷¡¢ÊÊÅäÆ÷¡¢ºÍ       LEDÕÕÃ÷³¡ºÏ¡£
    SF6772²ÉÓÃרÀûsuper-QR/PSRTM¿ØÖƼ¼Êõ´ó´óÌáÉýÁËPSRϵͳµÄЧÂÊ£¬Í¬Ê±Äܹ»ÇáÒ×Âú×ãÁù¼¶ÄÜЧµÄÒªÇ󡣸ÃϵÁл¹²ÉÓÃרÀûµÄ“¶àģʽPSR”¿ØÖÆ£¬¿ÉʵÏÖСÓÚ     ±5%µÄºãѹºãÁ÷¾«¶È¡£ 
    SF6772ÄÚ²¿×Ô¶¯²¹³¥ÊäÈëµçѹ¡¢µç¸Ð¸ÐÁ¿±ä»¯¡£ÔÚºãѹģʽÏÂÄÚÖÃÁËרÀûµÄÏßµçѹ²¹³¥¡£¸ÃϵÁм¯³ÉÁËÖî¶à±£»¤¹¦ÄÜ£¬±ÈÈ磺VDDǷѹ±£»¤£¨UVLO£©£¬VDD¹ýѹ       ±£»¤£¬ÈíÆô¶¯£¬ÖðÖÜÆÚ¹ýÁ÷±£»¤£¬¹Ü½Å¸¡¿Õ±£»¤£¬VDDµçѹǯλ±£»¤µÈ    
    SF6772ÌṩСÌå»ýµÄSOP8·â×° ¡£
  
   SF6772²úÆ·ÌØµã£º
   Äܹ»ÈÝÒ×Âú×ãÁù¼¶ÄÜЧµÄÒªÇó 
   ÄÚÖÃ600V¹¦ÂÊMOSFET 
   Ð¡ÓÚ70mWµÄ¿ªÆôµçѹ 
   ¼¯³ÉÁËרÀûµÄ“Áãµçѹ´øÔØÆô¶¯”¼¼Êõ´ó´ó¼õСÁËϵͳOCP»Ö¸´¼ä϶ 
   ¼¯³ÉÁËרÀûµÄ“ÖÇÄܶÌ·±£»¤”¼¼Êõ 
   Ô­±ß·´À¡£¨PSR£©¿ØÖÆ£¬ÎÞÐè¹âñîºÍTL431 
   ×¨ÀûµÄsuper-QR/PSRTM¿ØÖƼ¼Êõ 
   ±5%µÄºãѹºãÁ÷¾«¶È 
   ÄÚÖÃרÀûµÄÏßËðµçѹ²¹³¥ 
   ÄÚÖÃÈíÆô¶¯£¬³¬µÍÆô¶¯µçÁ÷£¬¹Ü½Å¸¡¿Õ±£»¤ 
   ×Ô¶¯²¹³¥ÊäÈëµçѹ¡¢µç¸Ð¸ÐÁ¿±ä»¯£¬ÊµÏָ߾«¶È 
   Êä³ö¹ýѹ±£»¤  
   ÖðÖÜÆÚµçÁ÷ÏÞÖÆ£¬ÄÚÖÃÇ°ÑØÏûÒþ  
   VDDǷѹ±£»¤£¬¹ýѹ±£»¤¼°Ç¯Î»

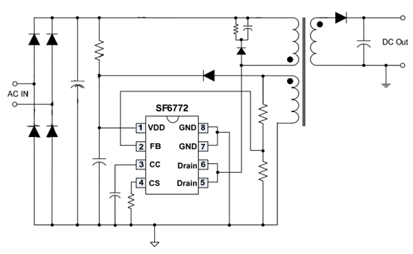
 µäÐÍÓ¦ÓÃͼ




 
²úÆ·ÖÐÐÄ ¹ØÓÚæê΢ ÁªÏµÎÒÃÇ