È«²¿²úÆ··ÖÀà
¼¯³Éµç·IC
- ÓÅÊÆ²úÆ·
- Chipown/оÅó΢
- оÅóµç»úÇý¶¯Ð¾Æ¬
- SLAN/Ê¿À¼Î¢
- CR/Æô³¼Î¢
- FM/¸»ÂúϵÁÐ
- SF/ÈüÍþоƬ
- XL/оÁúϵÁÐ
- LW/æê΢
³¡Ð§Ó¦¹Ü/MOS/IGBT
¶þ¼«¹Ü
Èý¼«¹Ü
ÍÆ¼ö²úÆ·
ÁªÏµÎÒÃÇ
ÉîÛÚÊÐæê΢µç×ӿƼ¼ÓÐÏÞ¹«Ë¾
µç»°£º0755-23087599
ÊÖ»ú£º13808858392
ÓÊÏ䣺dunianhua@leweitech.com
µØÖ·£ºÉîÛÚÊб¦°²ÇøÎ÷Ïçº×ÖÞºã·á¹¤Òµ³ÇB11¶°5Â¥¶«
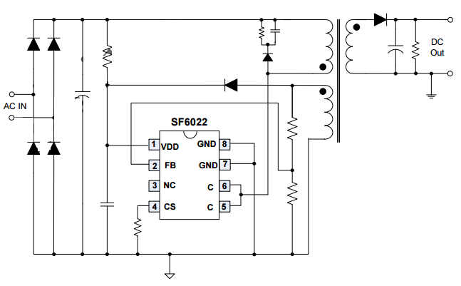
SF6022_µç³Ø³äµçÆ÷¡¢ÊÊÅäÆ÷IC SF6022
ËùÊô·ÖÀࣺSF/ÈüÍþоƬ
Æ·ÅÆ£ºÈüÍþ
ÐͺţºSF6022
·â×°£ºSOP8
¹¦ÂÊ£º5W
µçÁ÷£º
ÐͺţºSF6022
·â×°£ºSOP8
¹¦ÂÊ£º5W
µçÁ÷£º
¶©¹ºÈÈÏߣº0755-23087599
SF6022²úÆ·ÃèÊö£º
SF6022ÊÇÒ»ÖÖ¾«¶È¸ß¡¢¸ß¶È¼¯³ÉDCM(²»Á¬Ðøµ¼µçģʽ)Ö÷Ãæ¼à¹Ü(PSR)µçÔ´¿ª¹ØÀëÏßС¹¦ÂÊת»»Æ÷µÄÓ¦ÓóÌÐò¡£ËüÓÐÄÚÖõĵçÔ´ÊÇ»úÆ÷Ëü¿ÉÒÔ½øÒ»²½½µµÍϵͳ³É±¾¡£
SF6022ÊÇÒ»ÖÖ¾«¶È¸ß¡¢¸ß¶È¼¯³ÉDCM(²»Á¬Ðøµ¼µçģʽ)Ö÷Ãæ¼à¹Ü(PSR)µçÔ´¿ª¹ØÀëÏßС¹¦ÂÊת»»Æ÷µÄÓ¦ÓóÌÐò¡£ËüÓÐÄÚÖõĵçÔ´ÊÇ»úÆ÷Ëü¿ÉÒÔ½øÒ»²½½µµÍϵͳ³É±¾¡£
SF6022ÄÚÖõÄרÓÐNC-Cap¼òÀú¿ØÖÆ/ PSR-IITM¿ØÖÆÏû³ýÍⲿ²¹³¥ºÍÂ˲¨µçÈÝÆ÷¡£ËüÓÐÄÚÖõçÀÂϽµ²¹³¥º¯ÊýËü¿ÉÒÔÌṩÓÅÐãµÄ¼òÀúµÄÐÔÄÜ¡£ICʹÓöàģʽ¿ØÖÆÀ´Ìá¸ßЧÂʺͿɿ¿ÐÔ²¢½µµÍÒôƵÔëÉùÄÜÁ¿@ÇáÔØºÉ¡£
SF6022רÓеēÒôƵ½µÔë¿ØÖÆ¼¯³ÉÒôƵÔëÉù×ÔÓɲÙ×÷¡£¼¯³Éµç·ÄÚÖõē¿ìËÙ¶¯Ì¬ÏìÓ¦”¿ØÖÆÀ´Âú×ãUSB³äµçµÄÐèÇó¡£SF6022»¹¼¯³ÉÁËרÓеēÁãÊä³öÆô¶¯”¿ØÖÆÀ´ÊµÏÖ½üÁãµçѹÆô¶¯Ê±Êä³ö¡£ICµÄרÓеēÖÇÄÜÊä³ö¶ÌµÄ±£»¤”Ëü¿ÉÒÔ±£»¤ÄãµÄϵͳÊä³ö¶Ì·ʱ´ó©µç¸Ð¡£
FB¶Ì±£»¤SF6022¼¯³É¹¦Äܺͱ£»¤Ç·Ñ¹Ëø¶¨(UVLO)VDD¹ýѹ±£»¤(VDD OVP)ÈíÆô¶¯ÖðÖÜÆÚÏÞÁ÷((OCP)Õ븡±£»¤VDD¼Ð½ô¡£
SF6022 SOP8·â×°¡£
SF6022²úÆ·ÌØµã£º
ÄÚÖõÄ700 vµçÔ´ÊÇ»úÆ÷
Propreietary“ÒôƵ½µÔ딿ØÖÆ
Bulti-in“¿ìËÙ¶¯Ì¬ÏìÓ¦”¿ØÖÆÀ´Âú×ãUSB³äµçµÄÐèÇó
רÓеēÖÇÄÜÊä³ö¶Ì±£»¤”²»ÐèÒªÍⲿ²¹³¥/¹ýÂËÄÜÁ¦¡£
CCºÍ¼òÀú¾«¶È±4%
רÓеēÁãÊä³öÆô¶¯”¿ØÖÆ
רÓеēÖÇÄÜÊä³ö¶Ì±£»¤”
ûÓÐÍⲿ²¹³¥/Â˲¨µçÈÝÆ÷
Âí¿Ë˹¡£50 vÊä³öAC / DC LEDÕÕÃ÷
µÍ³É±¾ÊÇÖ±½ÓÇý¶¯
רÓõçÀÂϽµ²¹³¥
11.7 v UVLOÖͺ󴰿Ú
µäÐÍÓ¦ÓÃͼ
yle="width: 647px; height: 401px;" />
µäÐÍÓ¦ÓÃͼ
yle="width: 647px; height: 401px;" />
°¢Àï°Í°ÍµêÆÌ
¹Ø×¢æê΢
ÊÕ²Øæê΢










