È«²¿²úÆ··ÖÀà
¼¯³Éµç·IC
- ÓÅÊÆ²úÆ·
- Chipown/оÅó΢
- оÅóµç»úÇý¶¯Ð¾Æ¬
- SLAN/Ê¿À¼Î¢
- CR/Æô³¼Î¢
- FM/¸»ÂúϵÁÐ
- SF/ÈüÍþоƬ
- XL/оÁúϵÁÐ
- LW/æê΢
³¡Ð§Ó¦¹Ü/MOS/IGBT
¶þ¼«¹Ü
Èý¼«¹Ü
ÍÆ¼ö²úÆ·
ÁªÏµÎÒÃÇ
ÉîÛÚÊÐæê΢µç×ӿƼ¼ÓÐÏÞ¹«Ë¾
µç»°£º0755-23087599
ÊÖ»ú£º13808858392
ÓÊÏ䣺dunianhua@leweitech.com
µØÖ·£ºÉîÛÚÊб¦°²ÇøÎ÷Ïçº×ÖÞºã·á¹¤Òµ³ÇB11¶°5Â¥¶«
QX2304_µçÔ´IC QX2304
ËùÊô·ÖÀࣺQXȪоϵÁÐ
Æ·ÅÆ£ºÈªÐ¾
ÐͺţºQX2304
·â×°£ºSOT23-3 SOT23-5 SOT89-3 TO-92
¹¦ÂÊ£º2W
µçÁ÷£º300mA
ÐͺţºQX2304
·â×°£ºSOT23-3 SOT23-5 SOT89-3 TO-92
¹¦ÂÊ£º2W
µçÁ÷£º300mA
¶©¹ºÈÈÏߣº0755-23087599
QX2304 ²úÆ·ÃèÊö£º
QX2304ÊÇÒ»¿î¸ßЧÂÊ¡¢µÍ¹¦ºÄ¡¢µÍ ÎÆ²¨¡¢¸ß¹¤×÷ƵÂʵÄPFMͬ²½ÉýѹDC-DC±ä»»Æ÷¡£ QX2304½öÐèÒªÈý¸öÍâΧԪ¼þ£¬¾Í¿ÉÍê³É½«µÍÊäÈëµÄµç³Øµçѹ±ä»»Éýѹµ½ËùÐèµÄ¹¤×÷µçѹ¡£ QX2304µÄÊä³öµçѹ£¬¿Éͨ¹ýÄÚ²¿µ÷½Ú½øÐÐÑ¡Ôñ£¨²½½ø0.1V£©£¬·½±ã¿Í»§Ó¦ÓÃÓÚ²»Í¬µÄÊä³ö¸ºÔØÇé¿ö¡£QX2304ϵͳÊä³öµçѹ¾ßÓеÍÎÆ²¨£¬µÍÔëÉùµÄÌØµã¡£
QX2304ÄÚÖõÄͬ²½¿ª¹Ø¹Ü¿É¼«´ó½µµÍ¿ª¹Ø¹ÜÉϵÄËðºÄ£¬Ê¹Ð§ÂÊ×î¸ß¿É´ï95%¡£QX2304¹¤×÷ÓÚPFMģʽ£¬¿ÉÓÐЧ½µµÍÇáÔØÄ£Ê½ÏµÄËðºÄ£¬Ìá¸ßÉ豸µÄʹÓÃÖÜÆÚ¡£Í¬Ê±£¬Ð¾Æ¬µÍµÄ¾²Ì¬µçÁ÷¿É½øÒ»²½½µµÍϵͳËðºÄ¡£
QX2304ÊÇÒ»¿î¸ßЧÂÊ¡¢µÍ¹¦ºÄ¡¢µÍ ÎÆ²¨¡¢¸ß¹¤×÷ƵÂʵÄPFMͬ²½ÉýѹDC-DC±ä»»Æ÷¡£ QX2304½öÐèÒªÈý¸öÍâΧԪ¼þ£¬¾Í¿ÉÍê³É½«µÍÊäÈëµÄµç³Øµçѹ±ä»»Éýѹµ½ËùÐèµÄ¹¤×÷µçѹ¡£ QX2304µÄÊä³öµçѹ£¬¿Éͨ¹ýÄÚ²¿µ÷½Ú½øÐÐÑ¡Ôñ£¨²½½ø0.1V£©£¬·½±ã¿Í»§Ó¦ÓÃÓÚ²»Í¬µÄÊä³ö¸ºÔØÇé¿ö¡£QX2304ϵͳÊä³öµçѹ¾ßÓеÍÎÆ²¨£¬µÍÔëÉùµÄÌØµã¡£
QX2304ÄÚÖõÄͬ²½¿ª¹Ø¹Ü¿É¼«´ó½µµÍ¿ª¹Ø¹ÜÉϵÄËðºÄ£¬Ê¹Ð§ÂÊ×î¸ß¿É´ï95%¡£QX2304¹¤×÷ÓÚPFMģʽ£¬¿ÉÓÐЧ½µµÍÇáÔØÄ£Ê½ÏµÄËðºÄ£¬Ìá¸ßÉ豸µÄʹÓÃÖÜÆÚ¡£Í¬Ê±£¬Ð¾Æ¬µÍµÄ¾²Ì¬µçÁ÷¿É½øÒ»²½½µµÍϵͳËðºÄ¡£
QX2304²úÆ·ÌØµã£º
×î¸ßЧÂÊ£º95%
×î¸ßЧÂÊ£º95%
×î¸ß¹¤×÷ƵÂÊ£º300 KHz
µÍ¾²Ì¬µçÁ÷£º15uA
¿ÉÑ¡Êä³öµçѹ£º2.5V¡«3.6V
Êä³ö¾«¶È£º±2.5%
¿íÊäÈëµçѹ·¶Î§£º0.9V¡«3.6V
µÍÎÆ²¨£¬µÍÔëÉù
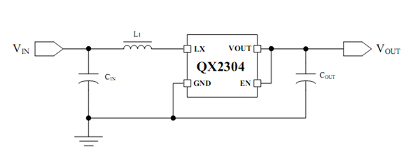
µäÐÍÓ¦ÓÃͼ

µäÐÍÓ¦ÓÃͼ

°¢Àï°Í°ÍµêÆÌ
¹Ø×¢æê΢
ÊÕ²Øæê΢










