成都逍遥耍耍网论坛,天津-凤江湖论坛春风阁(全国信息) ,一品香论坛登录入口风楼阁交友平台 ,快活林信息发布论坛汇总

³äµçÆ÷оƬ°¢Àï°Í°ÍµêÆÌ ¿ª¹ØµçԴоƬ¹Ø×¢æê΢ µç»úÇý¶¯Ð¾Æ¬ÊÕ²Øæê΢ »¶Ó­½øÈëµçԴоƬ/Çý¶¯Ð¾Æ¬¡¢MOS¡¢IGBT¡¢¶þÈý¼«¹Ü¡¢ÇŶѵȵç×ÓÔªÆ÷¼þ´úÀíÉÌ--æê΢µç×Ó¹ÙÍø
¸ß¼¶ËÑË÷

ËÑË÷Ò»

ËÑË÷¶þ

³äµç¹ÜÀíIC·½°¸

ÍÆ¼ö²úÆ·

ÁªÏµÎÒÃÇ

¿ª¹ØµçԴоƬ
ÉîÛÚÊÐæê΢µç×ӿƼ¼ÓÐÏÞ¹«Ë¾

µç»°£º0755-23087599

ÊÖ»ú£º13808858392

ÓÊÏ䣺dunianhua@leweitech.com

µØÖ·£ºÉîÛÚÊб¦°²ÇøÎ÷Ïçº×ÖÞºã·á¹¤Òµ³ÇB11¶°5Â¥¶«

prevnext

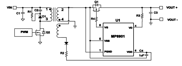
MP6901_·´¼¤Í¬²½ÕûÁ÷оƬ

ËùÊô·ÖÀࣺÓÅÊÆ²úÆ·
Æ·ÅÆ£ºÃÀ¹úоԴ
ÐͺţºMP6901
·â×°£ºTSOT23-5 SOIC-8
¹¦ÂÊ£º30W
µçÁ÷£º8A
¶©¹ºÈÈÏߣº0755-23087599
MP6901²úÆ·ÃèÊö£º
MP6901ÊǵÍѹ½µ¶þ¼«¹ÜÄ£ÄâÆ÷¼¯³Éµç·½áºÏÍⲿ¿ª¹Ø´úÌæ¸ßÐ§Ð¤ÌØ»ù¶þ¼«¹Ü¡¢·´¼¤×ª»»Æ÷оƬµ÷½ÚÍⲿ¿ª¹ØµÄǰ½øÏ½µµ½´óÔ¼70 mvºÍ½»»»»úËüÖ»ÒªµçѹÊǸºµÄÌṩTSOT23-5 SOIC-8Á½ÖÖ°ü×°Ñ¡Ôñ

MP6901²úÆ·ÌØµã£º
¹¤×÷±ê×¼ºÍ³¡Ð§Ó¦¾§Ìå¹ÜÂß¼­Ë®Æ½
·ûºÏÄÜÔ´Ö®ÐÇ1w±¸ÓÃÐèÇó
VddµÄ·¶Î§´Ó8 vµ½24 v
70 mv Vds¼à¹Ü¹¦ÄÜ
¿ìËÙ¶Ï¿ªÑÓ³Ù20 ns
Mas 400 khzÇл»ÆµÂÊ
µÍ¾²Ì¬µçÁ÷
Ö§³ÖCCM¡¢DCMºÍ׼гÕñÍØÆË
Ö§³Ö¸ß¶ËºÍϲ¿Õû¸Ä
µçÄܽÚÔ¼1.5 wÔÚÒ»¸öµäÐ͵ıʼDZ¾ÊÊÅäÆ÷

µäÐÍÓ¦ÓÃͼ

¸ü¶à·´¼¤Í¬²½ÕûÁ÷оƬ²úÆ·×ÊÁϼ°¼°Ïà¹Ø·½°¸£¬¿ÉÁªÏµÎÒÃÇÔÚÏ߿ͷþ¡£¡£¡£¡£


 
²úÆ·ÖÐÐÄ ¹ØÓÚæê΢ ÁªÏµÎÒÃÇ