È«²¿²úÆ··ÖÀà
¼¯³Éµç·IC
- ÓÅÊÆ²úÆ·
- Chipown/оÅó΢
- оÅóµç»úÇý¶¯Ð¾Æ¬
- SLAN/Ê¿À¼Î¢
- CR/Æô³¼Î¢
- FM/¸»ÂúϵÁÐ
- SF/ÈüÍþоƬ
- XL/оÁúϵÁÐ
- LW/æê΢
³¡Ð§Ó¦¹Ü/MOS/IGBT
¶þ¼«¹Ü
Èý¼«¹Ü

ÍÆ¼ö²úÆ·
ÁªÏµÎÒÃÇ

ÉîÛÚÊÐæê΢µç×ӿƼ¼ÓÐÏÞ¹«Ë¾
µç»°£º0755-23087599
ÊÖ»ú£º13808858392
ÓÊÏ䣺dunianhua@leweitech.com
µØÖ·£ºÉîÛÚÊб¦°²ÇøÎ÷Ïçº×ÖÞºã·á¹¤Òµ³ÇB11¶°5Â¥¶«
XB8608AFN ï®µç³Ø±£»¤Ð¾Æ¬
ËùÊô·ÖÀࣺÓÅÊÆ²úÆ·
Æ·ÅÆ£ºÈüо΢
ÐͺţºXB8608AFN
·â×°£ºSOP8
¹¦ÂÊ£º16m¦¸
µçÁ÷£º3.9¦ÌA
ÐͺţºXB8608AFN
·â×°£ºSOP8
¹¦ÂÊ£º16m¦¸
µçÁ÷£º3.9¦ÌA
¶©¹ºÈÈÏߣº0755-23087599
¡¡¡¡XB8608AFNϵÁвúÆ·ÊÇÒ»ÖÖï®Àë×Ó/¾ÛºÏÎïµç³Ø±£»¤µÄ¸ß¼¯³É½â¾ö·½°¸¡£¡¡¡¡
¡¡¡¡XB8608AFNï®µç³Ø±£»¤Ð¾Æ¬°üº¬ÏȽøµÄ¹¦Âʵ÷ÖÆÆ÷¡¢¸ß¾«¶Èµçѹ¼ì²âµç·ºÍÑӳٵ緡£¡¡¡¡
¡¡¡¡XB8608AFN²ÉÓÃSOP8·â×°Ö»ÓÐÒ»¸öÍⲿ×é¼þ²ÅÄÜʹËüÔÚÓÐÏÞµÄµç³Ø×é¿Õ¼äÖгÉΪһ¸öÀíÏëµÄ½â¾ö·½°¸¡£¡¡¡¡
¡¡¡¡XB8608AFN¾ßÓÐµç³ØÓ¦ÓÃÖÐËùÐèµÄËùÓб£»¤¹¦ÄÜ£¬°üÀ¨¹ý³ä¡¢¹ý·Åµç¡¢¹ýµçÁ÷ºÍ¸ºÔضÌ·±£»¤µÈ¡£×¼È·µÄ¹ý³ä¼ì²âµçѹ£¬È·±£³äµç°²È«¡¢³ä·ÖÀûÓá£ÔÚ´¢´æÆÚ¼ä£¬µÍ±¸ÓõçÁ÷¼¸ºõ²»ÏûºÄµç³ØÖеĵçÁ÷¡£¡¡¡¡
¡¡¡¡¸ÃÉ豸²»½öÊÊÓÃÓÚÊý×ÖÊÖ»ú£¬Ò²ÊÊÓÃÓÚÈÎºÎÆäËûÐèÒª³¤ÆÚµç³ØÊÙÃüµÄï®Àë×ÓºÍï®¶àµç³Ø¹©µçµÄÐÅÏ¢É豸¡£
¡¡¡¡
¡¡¡¡XB8608AFN ï®µç³Ø±£»¤Ð¾Æ¬ÌØÕ÷¡¡¡¡
¡¡¡¡¡ö ³äµçÆ÷·´ÏòÁ¬½ÓµÄ±£»¤¡¡¡¡
¡¡¡¡¡ö µç³ØÐ¾·´ÏòÁ¬½ÓµÄ±£»¤¡¡¡¡
¡¡¡¡¡ö ½«ÏȽøµÄ¹¦ÂÊÄ£ÐÍÓëµÈЧµÄ16mΩRSS(ON)¼¯³É¡¡¡¡
¡¡¡¡¡ö SOP8·â×°¡¡¡¡
¡¡¡¡¡ö Ö»ÐèÒªÒ»¸öÍⲿµçÈÝÆ÷¡¡¡¡
¡¡¡¡¡ö ¹ýÈȱ£»¤¡¡¡¡
¡¡¡¡¡ö ¹ý³äµçµçÁ÷±£»¤¡¡¡¡
¡¡¡¡¡ö Á½²½¹ýµçÁ÷¼ì²â£º1¡¢¹ý·ÅµçµçÁ÷ 2¡¢¸ºÔضÌ·¡¡¡¡
¡¡¡¡¡ö ³äµçÆ÷¼ì²â¹¦ÄÜ¡¡¡¡
¡¡¡¡¡ö 0VÐîµç³Ø³äµç¹¦ÄÜ¡¡¡¡
¡¡¡¡¡ö ÑÓ³Ùʱ¼ä»áÔÚÄÚ²¿Éú³É¡¡¡¡
¡¡¡¡¡ö ¸ß¾«¶ÈµÄµçѹ¼ì²â¡¡¡¡
¡¡¡¡¡ö µÍµçÁ÷ÏûºÄÁ¿£º¹¤×÷ģʽ£º3.9µAµäÐÍ ¶Ïµçģʽ£º2.2μAµäÐÍ¡¡¡¡
¡¡¡¡¡ö ·ûºÏRoHS±ê×¼£¬ÎÞǦ(Pb)
¡¡¡¡
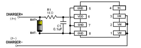
¡¡¡¡XB8608AFN½Åλͼ¼°Òý½ÅµÄ˵Ã÷

Òý½ÅÐòºÅ | Òý½ÅÃû³Æ | Òý½Å¹¦ÄÜ |
1,2,3 | VM | µç³Ø×éµÄ¸º¼«¶Ë×Ó¡£ÄÚ²¿FET¿ª¹Ø½«´ËÖÕ¶ËÁ¬½Óµ½GND |
4 | NC | ÎÞÁ¬½Ó¹¦ÄÜ |
5,7,8 | GND | ½ÓµØºó£¬½«Ðîµç³ØµÄ¸º¼«ÖÕ¶ËÁ¬½Óµ½´ËÕë½ÅÉÏ |
6 | VDD | µçÔ´¹©Ó¦ |
¡¡¡¡
¡¡¡¡XB8608AFNµäÐ͵ç·ͼ

¡¡¡¡
¡¡¡¡Ó¦ÓÃÁìÓò¡¡¡¡
¡¡¡¡¡ö µ¥Ð¾ï®Àë×Óµç³Ø×é¡¡¡¡
¡¡¡¡¡ö ï®»ù¾ÛºÏÎïµç³Ø×é