成都逍遥耍耍网论坛,天津-凤江湖论坛春风阁(全国信息) ,一品香论坛登录入口风楼阁交友平台 ,快活林信息发布论坛汇总

³äµçÆ÷оƬ°¢Àï°Í°ÍµêÆÌ ¿ª¹ØµçԴоƬ¹Ø×¢æê΢ µç»úÇý¶¯Ð¾Æ¬ÊÕ²Øæê΢ »¶Ó­½øÈëµçԴоƬ/Çý¶¯Ð¾Æ¬¡¢MOS¡¢IGBT¡¢¶þÈý¼«¹Ü¡¢ÇŶѵȵç×ÓÔªÆ÷¼þ´úÀíÉÌ--æê΢µç×Ó¹ÙÍø
¸ß¼¶ËÑË÷

ËÑË÷Ò»

ËÑË÷¶þ

³äµç¹ÜÀíIC·½°¸

ÍÆ¼ö²úÆ·

ÁªÏµÎÒÃÇ

¿ª¹ØµçԴоƬ
ÉîÛÚÊÐæê΢µç×ӿƼ¼ÓÐÏÞ¹«Ë¾

µç»°£º0755-23087599

ÊÖ»ú£º13808858392

ÓÊÏ䣺dunianhua@leweitech.com

µØÖ·£ºÉîÛÚÊб¦°²ÇøÎ÷Ïçº×ÖÞºã·á¹¤Òµ³ÇB11¶°5Â¥¶«

prevnext

XB8886A µ¥½Úï®µç³Ø±£»¤ic

ËùÊô·ÖÀࣺÓÅÊÆ²úÆ·
Æ·ÅÆ£ºxysemi(Èüо΢)
Ðͺţºxb8886a
·â×°£ºSOP8-PP
¹¦ÂÊ£º0V
µçÁ÷£º4.5¦ÌA -7.8¦ÌA
¶©¹ºÈÈÏߣº0755-23087599
¡¡¡¡XB8886Aµ¥½Úï®µç³Ø±£»¤icϵÁвúÆ·ÊÇï®Àë×Ó/¾ÛºÏÎïµç³Ø±£»¤µÄ¸ß¼¯³É½â¾ö·½°¸¡£¡¡¡¡
¡¡¡¡XB8886A°üº¬ÏȽøµÄ¹¦Âʵ÷ÖÆÆ÷¡¢¸ß¾«¶Èµçѹ¼ì²âµç·ºÍÑӳٵ緡£¡¡¡¡
¡¡¡¡XB8886A²ÉÓÃSOP8-PP·â×°£¬Ö»ÓÐÒ»¸öÍⲿ×é¼þ¿ÉÒÔ×÷ΪÓÐÏÞµÄµç³Ø×é¿Õ¼äÄÚµÄÀíÏë½â¾ö·½°¸¡£¡¡¡¡
¡¡¡¡XB8886Aµ¥½Úï®µç³Ø±£»¤ic¾ßÓÐµç³ØÓ¦ÓÃÖÐËùÐèµÄËùÓб£»¤¹¦ÄÜ£¬°üÀ¨¹ý³ä¡¢¹ý·Åµç¡¢¹ýµçÁ÷ºÍ¸ºÔضÌ·±£»¤µÈ¡£×¼È·µÄ¹ý³äµç¼ì²âµçѹ£¬È·±£Á˳äµçµÄ°²È«ºÍ³ä·ÖÀûÓᣵͱ¸ÓõçÁ÷´Óµç³ØÖÐÅųöµÄµçÁ÷ºÜС¡£¡¡¡¡
¡¡¡¡¸ÃÉ豸²»½öÕë¶ÔÊý×ÖÊÖ»ú£¬¶øÇÒÊÊÓÃÓÚÈÎºÎÆäËûÐèÒª³¤ÆÚµç³ØÊÙÃüµÄï®Àë×ÓºÍï®¾Ûµç³ØÇý¶¯µÄÐÅÏ¢µçÆ÷¡£
¡¡¡¡
¡¡¡¡XB8886Aµ¥½Úï®µç³Ø±£»¤icÌØµã¡¡¡¡
¡¡¡¡¡ö ³äµçÆ÷·´ÏòÁ¬½Ó±£»¤¡¡¡¡
¡¡¡¡¡ö µç³ØÐ¾·´ÏòÁ¬½ÓµÄ±£»¤¡¡¡¡
¡¡¡¡¡ö ¼¯³ÉÏȽøµÄ¹¦ÂÊÄ£ÐÍÓëµÈЧÓÚ8.5mΩRSS(ON)¡¡¡¡
¡¡¡¡¡ö SOP8-PP·â×°¡¡¡¡
¡¡¡¡¡ö Ö»ÐèÒªÒ»¸öÍⲿµçÈÝÆ÷¡¡¡¡
¡¡¡¡¡ö ¹ýÈȱ£»¤¡¡¡¡
¡¡¡¡¡ö ¹ý³äµçµçÁ÷±£»¤¡¡¡¡
¡¡¡¡¡ö Á½²½¹ýµçÁ÷¼ì²â£ºa.¹ý·ÅµçµçÁ÷ b.¸ºÔضÌ·¡¡¡¡
¡¡¡¡¡ö ³äµçÆ÷¼ì²â¹¦ÄÜ¡¡¡¡
¡¡¡¡¡ö 0VÐîµç³Ø³äµç¹¦ÄÜ¡¡¡¡
¡¡¡¡¡ö ÑÓ³Ùʱ¼ä»áÔÚÄÚ²¿Éú³É¡¡¡¡
¡¡¡¡¡ö ¸ß¾«¶ÈµÄµçѹ¼ì²â¡¡¡¡
¡¡¡¡¡ö µÍµçÁ÷ÏûºÄÁ¿¡¡¡¡
¡¡¡¡¡ö ¹¤×÷ģʽ: 7.8μAµäÐÍ¡£¡¡¡¡
¡¡¡¡¡ö ¶Ïµçģʽ£º4.5μA µäÐÍ¡£¡¡¡¡
¡¡¡¡¡ö ·ûºÏRoHS±ê×¼£¬ÎÞǦ(Pb)
¡¡¡¡
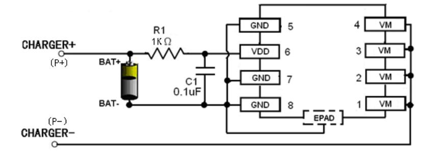
¡¡¡¡XB8886A½Åλͼ¼°Òý½ÅµÄ˵Ã÷

Òý½ÅÐòºÅ Òý½ÅÃû³Æ Òý½Å¹¦ÄÜ
1,2,3,4 VM µç³Ø×éµÄ¸º¼«¶Ë×Ó¡£ÄÚ²¿FET¿ª¹Ø½«´ËÖÕ¶ËÁ¬½Óµ½GND
5,7,8 GND ½ÓµØºó£¬½«Ðîµç³ØµÄ¸º¼«ÖÕ¶ËÁ¬½Óµ½´ËÕë½ÅÉÏ
6 VDD µçÔ´¹©Ó¦
9 EPAD Â㶵ĺ¸ÅÌ£¬±ØÐëͨ¹ý´óÁ¿½ðÊôÓëXB8886AµÄGNDÁ¬½Ó
¡¡¡¡
¡¡¡¡xb8886aоƬµç·ͼ
¡¡¡¡
¡¡¡¡Ó¦ÓÃÁìÓò¡¡¡¡
¡¡¡¡¡ö µ¥Ð¾ï®Àë×Óµç³Ø×é¡¡¡¡
¡¡¡¡¡ö ﮾ۺÏÎïµç³Ø¡¡¡¡
¡¡¡¡¡ö ÒÆ¶¯µçÔ´
¡¡¡¡
¡¡¡¡XB8886Aµ¥½Úï®µç³Ø±£»¤ic²ÉÓÃSOP8-PP·â×°£¬ÄÚ²¿¼¯³É¹¦ÂÊmos¼°8.5mΩRSS(ON)£¬¹¤×÷ʱµçÁ÷Ϊ7.8μA£¬¶Ïµçʱ4.5μA£¬xb8886aоƬ¹ã·ºÓ¦ÓÃÓÚµ¥Ð¾ï®Àë×Óµç³Ø×顢﮾ۺÏÎïµç³Ø¡¢Òƶ¯µçÔ´µÈÁìÓò£¬¸ü¶àXB8886Aµ¥½Úï®µç³Ø±£»¤icÏêϸÊÖ²á»òÆäËü×ÊÁÏ£¬ÇëÏòæê΢µç×ÓÉêÇë¡£>>
²úÆ·ÖÐÐÄ ¹ØÓÚæê΢ ÁªÏµÎÒÃÇ