È«²¿²úÆ··ÖÀà
¼¯³Éµç·IC
- ÓÅÊÆ²úÆ·
- Chipown/оÅó΢
- оÅóµç»úÇý¶¯Ð¾Æ¬
- SLAN/Ê¿À¼Î¢
- CR/Æô³¼Î¢
- FM/¸»ÂúϵÁÐ
- SF/ÈüÍþоƬ
- XL/оÁúϵÁÐ
- LW/æê΢
³¡Ð§Ó¦¹Ü/MOS/IGBT
¶þ¼«¹Ü
Èý¼«¹Ü
ÍÆ¼ö²úÆ·
ÁªÏµÎÒÃÇ
ÉîÛÚÊÐæê΢µç×ӿƼ¼ÓÐÏÞ¹«Ë¾
µç»°£º0755-23087599
ÊÖ»ú£º13808858392
ÓÊÏ䣺dunianhua@leweitech.com
µØÖ·£ºÉîÛÚÊб¦°²ÇøÎ÷Ïçº×ÖÞºã·á¹¤Òµ³ÇB11¶°5Â¥¶«
SDH8312 5V0.2A ac-dc·Ç¸ôÀëоƬ
ËùÊô·ÖÀࣺSLAN/Ê¿À¼Î¢
Æ·ÅÆ£ºÊ¿À¼Î¢
ÐͺţºSDH8312
·â×°£ºSOP-8
¹¦ÂÊ£º5V
µçÁ÷£º0.2A
ÐͺţºSDH8312
·â×°£ºSOP-8
¹¦ÂÊ£º5V
µçÁ÷£º0.2A
¶©¹ºÈÈÏߣº0755-23087599
¡¡¡¡SDH8312 ac-dc·Ç¸ôÀëоƬÊÇÓÃÓÚ¿ª¹ØµçÔ´µÄÄÚÖÃ650V¸ßѹMOSFETµÄAC-DC¿ØÖÆÆ÷¡£¡¡¡¡
¡¡¡¡SDH8312ÄÚÖøßѹÆô¶¯ÒÔ¼°×Ô¹©µç¹¦ÄÜ£¬¿ÉÂú×ã¿ìËÙÆô¶¯ÒÔ¼°µÍ´ý»ú¹¦ºÄµÄÒªÇó¡£¾ßÓÐ×ÔÊÊÓ¦½µÆµ¹¦ÄÜ£¬¿É½øÒ»²½ÓÅ»¯ÇáÔØÌõ¼þϵÄת»»Ð§ÂÊ¡£¾ßÓÐÈíÆô¶¯¹¦ÄÜ£¬Äܹ»¼õСÆ÷¼þµÄÓ¦Á¦£¬ÓÐЧ·ÀÖ¹Æô¶¯Ê±µç¸Ð±¥ºÍ¡£SDH8312ÄÚ²¿»¹¼¯³ÉÁ˸÷ÖÖÒ쳣״̬µÄ±£»¤¹¦ÄÜ£¬°üÀ¨£ºVDDǷѹ±£»¤£¬¿ª»·±£»¤£¬Êä³ö¹ýÔØ±£»¤£¬Êä³ö¶Ì·±£»¤£¬¹ýα£»¤µÈ¡£´¥·¢±£»¤ºó£¬µç·»á²»¶Ï×Ô¶¯ÖØÆô£¬Ö±µ½ÏµÍ³Õý³£¹¤×÷Ϊֹ¡£
¡¡¡¡
¡¡¡¡SDH8312оƬÖ÷ÒªÌØµã¡¡¡¡
¡¡¡¡¡ö Êä³öµçѹ¿Éµ÷¡¡¡¡
¡¡¡¡¡ö ¸ßѹÆô¶¯¡¡¡¡
¡¡¡¡¡ö ×ÔÊÊÓ¦½µÆµ¡¡¡¡
¡¡¡¡¡ö ÈíÆô¶¯¡¡¡¡
¡¡¡¡¡ö VDDǷѹ±£»¤¡¡¡¡
¡¡¡¡¡ö FB¿ª»·±£»¤¡¡¡¡
¡¡¡¡¡ö Ç°ÑØÏûÒþ¡¡¡¡
¡¡¡¡¡ö Êä³ö¹ýÔØ±£»¤¡¡¡¡
¡¡¡¡¡ö ¶Ì·±£»¤¡¡¡¡
¡¡¡¡¡ö ¹ýα£»¤
¡¡¡¡
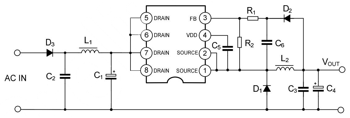
¡¡¡¡sdh8312Òý½Åͼ¼°¹¦ÄÜ

| ¹Ü½ÅºÅ | ¹Ü½ÅÃû³Æ | I/O | ¹Ü½ÅÃèÊö |
| 1,2 | SOURCE | G | ¹¦ÂÊMOSFETÔ´¼«ºÍ¿ØÖƵ緵IJο¼µØ |
| 3 | FB | I | ·´À¡½Å£¬Í¨¹ýµ÷ÕûFB·Öѹµç×èÉèÖò»Í¬µÄÊä³öµçѹ |
| 4 | VDD | P | ¿ØÖƵç·µçÔ´ |
| 5,6,7,8 | DRAIN | O | ¹¦ÂÊMOSFET©¼« |
¡¡¡¡
¡¡¡¡sdh8312Ó¦Óõç·ͼ

¡¡¡¡
¡¡¡¡Ó¦ÓÃÁìÓò¡¡¡¡
¡¡¡¡¡ö С¼Òµç¡¡¡¡
¡¡¡¡¡ö ·Ç¸ôÀëÆÌÖúµçÔ´
¡¡¡¡
¡¡¡¡sdh8312оƬ²ÉÓÃSOP-8·â×°£¬µäÐÍÓ¦Óù¦ÂÊ5V0.2A£¬¹ã·ºÓ¦ÓÃÓÚС¼Òµç¡¢·Ç¸ôÀ븨ÖúµçÔ´ÁìÓò£¬¸ü¶àº¼ÖÝÊ¿À¼Î¢sdh8312 5V0.2A ac-dc·Ç¸ôÀëоƬ²úÆ·ÊÖ²áºÍsdh8312Òý½Åͼ¼°sdh8312Ó¦Óõç·ͼµÈ×ÊÁÏÇëÏòÊ¿À¼Î¢´úÀíæê΢µç×ÓÉêÇë¡£>>
°¢Àï°Í°ÍµêÆÌ
¹Ø×¢æê΢
ÊÕ²Øæê΢










