成都逍遥耍耍网论坛,天津-凤江湖论坛春风阁(全国信息) ,一品香论坛登录入口风楼阁交友平台 ,快活林信息发布论坛汇总

³äµçÆ÷оƬ°¢Àï°Í°ÍµêÆÌ ¿ª¹ØµçԴоƬ¹Ø×¢æê΢ µç»úÇý¶¯Ð¾Æ¬ÊÕ²Øæê΢ »¶Ó­½øÈëµçԴоƬ/Çý¶¯Ð¾Æ¬¡¢MOS¡¢IGBT¡¢¶þÈý¼«¹Ü¡¢ÇŶѵȵç×ÓÔªÆ÷¼þ´úÀíÉÌ--æê΢µç×Ó¹ÙÍø
¸ß¼¶ËÑË÷

ËÑË÷Ò»

ËÑË÷¶þ

³äµç¹ÜÀíIC·½°¸

ÍÆ¼ö²úÆ·

ÁªÏµÎÒÃÇ

¿ª¹ØµçԴоƬ
ÉîÛÚÊÐæê΢µç×ӿƼ¼ÓÐÏÞ¹«Ë¾

µç»°£º0755-23087599

ÊÖ»ú£º13808858392

ÓÊÏ䣺dunianhua@leweitech.com

µØÖ·£ºÉîÛÚÊб¦°²ÇøÎ÷Ïçº×ÖÞºã·á¹¤Òµ³ÇB11¶°5Â¥¶«

prevnext

SDH8302 µç´Å¯¿ª¹ØµçԴоƬ

ËùÊô·ÖÀࣺSLAN/Ê¿À¼Î¢
Æ·ÅÆ£ºÊ¿À¼Î¢
ÐͺţºSDH8302
·â×°£º DIP8/SOP8
¹¦ÂÊ£º5W-8W
µçÁ÷£º
¶©¹ºÈÈÏߣº0755-23087599
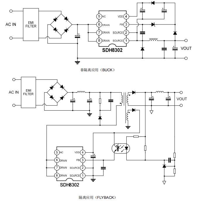
¡¡¡¡SDH8302¿ª¹ØµçԴоƬ195~265VµäÐÍÊä³ö¹¦ÂÊ£¬ÊÊÅäÆ÷£º10W¡¢¿ª·Åʽ£º13W£»85~265VµäÐÍÊä³ö£¬ÊÊÅäÆ÷£º5W¡¢¿ª·Åʽ£º8W£¬sdh8302¿É¼æÈÝPIN½Å´ú»»8012/vip22µÈ£¬±»¹ã·ºÓ¦ÓÃÓÚÀëÏßʽ¿ª¹ØµçÔ´¡¢·Ç¸ôÀëÉýѹ½µÑ¹×ª»»Æ÷¡¢Ð¡¼ÒµçµÈÁìÓò¡£
¡¡¡¡
¡¡¡¡SDH8302 ÊÇÓÃÓÚ¿ª¹ØµçÔ´µÄÄÚÖøßѹ MOSFET µÄµçÁ÷ģʽ PWM ¿ØÖÆÆ÷¡£¡¡¡¡
¡¡¡¡SDH8302 ÄÚÖøßѹÆô¶¯µç·¡£ÔÚÇáÔØÏÂ»á½øÈë´òàÃģʽ£¬´Ó¶øÓÐЧµØ½µµÍϵͳµÄ´ý»ú¹¦ºÄ¡£¾ßÓнµÆµ¹¦ÄÜ£¬½øÒ»²½ÓÅ»¯ÇáÔØÌõ¼þϵÄת»»Ð§ÂÊ¡£¾ßÓж¶Æµ¹¦ÄÜ£¬Äܹ»¸ÄÉÆ EMI ÌØÐÔ¡£¾ßÓÐÈíÆô¶¯¹¦ÄÜ£¬Äܹ»¼õСÆ÷¼þµÄÓ¦Á¦£¬·ÀÖ¹±äѹÆ÷±¥ºÍ¡£ÓÐ VDD ´òàù¦ÄÜ£¬²»½ö·ÀÖ¹ VDD Ç·Ñ¹ÖØÆô£¬Ò²ÓÐЧµØ½µµÍ´ý»ú¹¦ºÄ¡£¡¡¡¡
¡¡¡¡SDH8302 ÄÚ²¿»¹¼¯³ÉÁ˸÷ÖÖÒ쳣״̬µÄ±£»¤¹¦ÄÜ£¬°üÀ¨£ºVDD Ƿѹ±£»¤£¬VDD ¹ýѹ±£»¤£¬Ç°ÑØÏûÒþ£¬Êä³ö¶Ì·±£»¤£¬¹ýÁ÷±£»¤£¬¹ýα£»¤µÈ¡£ÇÒ±£»¤ºó£¬µç·»á²»¶Ï×Ô¶¯ÖØÆô£¬Ö±µ½ÏµÍ³Õý³£ÎªÖ¹¡£
¡¡¡¡
¡¡¡¡SDH8302оƬÖ÷ÒªÌØµã¡¡¡¡
¡¡¡¡¡ö ¸ßѹÆô¶¯¡¡¡¡
¡¡¡¡¡ö ÇáÔØ´òàá¡¡¡
¡¡¡¡¡ö ½µÆµ¡¡¡¡
¡¡¡¡¡ö ¶¶Æµ¡¡¡¡
¡¡¡¡¡ö ÈíÆô¶¯¡¡¡¡
¡¡¡¡¡ö VDD ´òàá¡¡¡
¡¡¡¡¡ö VDD Ƿѹ±£»¤¡¡¡¡
¡¡¡¡¡ö VDD ¹ýѹ±£»¤¡¡¡¡
¡¡¡¡¡ö Ç°ÑØÏûÒþ¡¡¡¡
¡¡¡¡¡ö Êä³ö¶Ì·±£»¤¡¡¡¡
¡¡¡¡¡ö ¹ýÁ÷±£»¤¡¡¡¡
¡¡¡¡¡ö ¹ýα£»¤
¡¡¡¡
¡¡¡¡sdh8302Òý½Å¹¦ÄÜ

¡¡¡¡
¡¡¡¡µäÐÍÓ¦Óõç·ͼ
¡¡¡¡
¡¡¡¡Ó¦ÓÃÁìÓò¡¡¡¡
¡¡¡¡¡ö ÀëÏßʽ¿ª¹ØµçÔ´
¡¡¡¡¡ö ·Ç¸ôÀëÉýѹ½µÑ¹×ª»»Æ÷¡¡¡¡
¡¡¡¡¡ö С¼Òµç
¡¡¡¡
¡¡¡¡SDH8302µç´Å¯¿ª¹ØµçԴоƬÊǵçÁ÷ģʽPWM¿ØÖÆÆ÷£¬²ÉÓÃDIP-8·â×°£¬¿ÉPIN½Å´ú»»AP8012H£¬SDH8302S²ÉÓÃSOP·â×°£¬¿ÉÒÔPIN½ÅÌæ´úVIPER12A/AP8012H £¬¸ü¶àSDH8302Ïà¹Ø¸ôÀëģʽÓë·Ç¸ôÀëģʽµÄÓ¦ÓÃ˵Ã÷Êé¼°sdh8302´ú»»8012£¬sdh8302´ú»»vip22Ó¦ÓÃ×ÊÁÏ£¬ÇëÏòÊ¿À¼Î¢´úÀíæê΢µç×ÓÉêÇë¡£>>
²úÆ·ÖÐÐÄ ¹ØÓÚæê΢ ÁªÏµÎÒÃÇ