È«²¿²úÆ··ÖÀà
¼¯³Éµç·IC
- ÓÅÊÆ²úÆ·
- Chipown/оÅó΢
- оÅóµç»úÇý¶¯Ð¾Æ¬
- SLAN/Ê¿À¼Î¢
- CR/Æô³¼Î¢
- FM/¸»ÂúϵÁÐ
- SF/ÈüÍþоƬ
- XL/оÁúϵÁÐ
- LW/æê΢
³¡Ð§Ó¦¹Ü/MOS/IGBT
¶þ¼«¹Ü
Èý¼«¹Ü
ÍÆ¼ö²úÆ·
ÁªÏµÎÒÃÇ
ÉîÛÚÊÐæê΢µç×ӿƼ¼ÓÐÏÞ¹«Ë¾
µç»°£º0755-23087599
ÊÖ»ú£º13808858392
ÓÊÏ䣺dunianhua@leweitech.com
µØÖ·£ºÉîÛÚÊб¦°²ÇøÎ÷Ïçº×ÖÞºã·á¹¤Òµ³ÇB11¶°5Â¥¶«
SD4938 150VµçÁ÷ÐÍPWM¿ØÖÆÐ¾Æ¬
ËùÊô·ÖÀࣺSLAN/Ê¿À¼Î¢
Æ·ÅÆ£ºÊ¿À¼Î¢
ÐͺţºSD4938
·â×°£ºSOP-8
¹¦ÂÊ£º12V/15V/18V
µçÁ÷£º0.5A
ÐͺţºSD4938
·â×°£ºSOP-8
¹¦ÂÊ£º12V/15V/18V
µçÁ÷£º0.5A
¶©¹ºÈÈÏߣº0755-23087599
¡¡¡¡SD4938ÃèÊö¡¡¡¡
¡¡¡¡SD4938ÊÇÓÃÓÚ¿ª¹ØµçÔ´µÄÄÚÖÃ150V¸ßѹMOSFETµÄµçÁ÷ģʽPWM¿ØÖÆÆ÷¡£¡¡¡¡
¡¡¡¡SD4938µçÁ÷ÐÍPWM¿ØÖÆÐ¾Æ¬ÄÚÖøßѹÆô¶¯µç·¡£ÔÚÇáÔØÏÂ»á½øÈë´ò¸ôģʽ£¬´Ó¶øÓÐЧµØ½µµÍϵͳµÄ´ý»ú¹¦ºÄ¡£¾ßÓнµÆµ¹¦ÄÜ£¬½øÒ»²½ÓÅ»¯ÇáÔØÌõ¼þϵÄת»»Ð§ÂÊ¡£¾ßÓÐÈíÆô¶¯¹¦ÄÜ£¬Äܹ»¼õСÆ÷¼þµÄÓ¦Á¦£¬·ÀÖ¹±äѹÆ÷±¥ºÍ¡£¡¡¡¡
¡¡¡¡SD4938µçÁ÷ÐÍPWM¿ØÖÆÐ¾Æ¬ÄÚ²¿»¹¼¯³ÉÁ˸÷ÖÖÒ쳣״̬µÄ±£»¤¹¦ÄÜ£¬°üÀ¨£ºVDDǷѹ±£»¤£¬VDD¹ýѹ±£»¤£¬Ç°ÑØÏûÒþ£¬Êä³ö¹ýÔØ±£»¤£¬¹ýÁ÷±£»¤£¬¹ýα£»¤µÈ¡£´¥·¢±£»¤ºó£¬µç·»á²»¶Ï×Ô¶¯ÖØÆô£¬Ö±µ½ÏµÍ³Õý³£ÎªÖ¹¡£
¡¡¡¡
¡¡¡¡SD4938Ö÷ÒªÌØµã¡¡¡¡
¡¡¡¡·20VÖÁ150VÊäÈëµçѹ¡¡¡¡
¡¡¡¡·12V£¬15V£¬18VÊä³öµçѹÈýµµ¿Éµ÷¡¡¡¡
¡¡¡¡·0.5AÊä³öµçÁ÷¡¡¡¡
¡¡¡¡·¸ßѹÆô¶¯¡¡¡¡
¡¡¡¡·ÇáÔØ´òàá¡¡¡
¡¡¡¡·½µÆµ¡¡¡¡
¡¡¡¡·ÈíÆô¶¯¡¡¡¡
¡¡¡¡·VDDǷѹ±£»¤·VDD¹ýѹ±£»¤¡¡¡¡
¡¡¡¡·Ç°ÑØÏûÒþ¡¡¡¡
¡¡¡¡·Êä³ö¹ýÔØ±£»¤¡¡¡¡
¡¡¡¡·¹ýÁ÷±£»¤·¹ýα£»¤
¡¡¡¡
¡¡¡¡SD4938¹Ü½ÅÅÅÁÐͼ

¡¡¡¡
¡¡¡¡SD4938¹Ü½ÅÃèÊö
| ¹Ü½ÅºÅ | ¹Ü½ÅÃû³Æ | I/O | ¹Ü½ÅÃèÊö |
| 1 | VDD | I/O | ¿ØÖƵ緵Ĺ©µçµçÔ´ |
| 2,3,4 | NC | NC | ÎÞÁ¬½Ó |
| 5,6 | DRAIN | O | ¹¦ÂÊMOSFRT©¼« |
| 7 | VSET | I | ÓÃÓÚÉèÖò»Í¬µÄÊä³öµçѹ£¬Ðü¿ÕʱÊä³ö12V,½ÓµØÊ±Êä³ö15V,½Ó51Kµç×èµ½µØÊä³ö18V¡£ |
| 8 | GND | G | ¹¦ÂÊMOSFETÔ´¼«ºÍ¿ØÖƵ緵IJο¼µØ |
¡¡¡¡
¡¡¡¡SD4938µäÐÍÓ¦Óõç·ͼ
¡¡¡¡
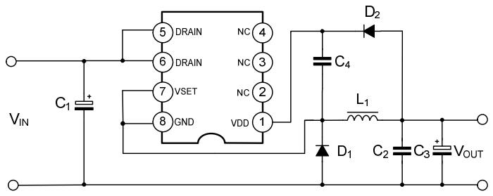
¡¡¡¡12V/0.3AÊä³öʱӦÓÃÏß·ͼ
¡¡¡¡
¡¡¡¡
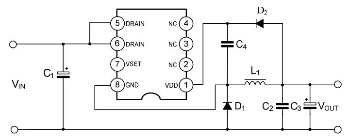
¡¡¡¡15V/0.3AÊä³öʱӦÓÃÏß·ͼ
¡¡¡¡
¡¡¡¡
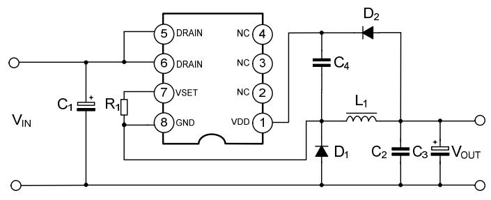
¡¡¡¡18V/0.3AÊä³öʱӦÓÃÏß·ͼ
¡¡¡¡
¡¡¡¡SD4938Ó¦ÓÃÁìÓò¡¡¡¡
¡¡¡¡·Æ½ºâÂÖ¡¡¡¡
¡¡¡¡·ÒÔÌ«Íø¹©µç¡¡¡¡
¡¡¡¡·µç¶¯×ÔÐгµ¡¡¡¡
¡¡¡¡·µç¶¯¹¤¾ß
¡¡¡¡
¡¡¡¡¸ü¶àSD4938 150VµçÁ÷ÐÍPWM¿ØÖÆÐ¾Æ¬²úÆ·µÄÏêϸÊֲἰ·½°¸Ïà¹Ø×ÊÁÏ£¬¿ÉÁªÏµæê΢µç×ÓÔÚÏ߿ͷþÉêÇë¡£
°¢Àï°Í°ÍµêÆÌ
¹Ø×¢æê΢
ÊÕ²Øæê΢










