È«²¿²úÆ··ÖÀà
¼¯³Éµç·IC
- ÓÅÊÆ²úÆ·
- Chipown/оÅó΢
- оÅóµç»úÇý¶¯Ð¾Æ¬
- SLAN/Ê¿À¼Î¢
- CR/Æô³¼Î¢
- FM/¸»ÂúϵÁÐ
- SF/ÈüÍþоƬ
- XL/оÁúϵÁÐ
- LW/æê΢
³¡Ð§Ó¦¹Ü/MOS/IGBT
¶þ¼«¹Ü
Èý¼«¹Ü
ÍÆ¼ö²úÆ·
ÁªÏµÎÒÃÇ
ÉîÛÚÊÐæê΢µç×ӿƼ¼ÓÐÏÞ¹«Ë¾
µç»°£º0755-23087599
ÊÖ»ú£º13808858392
ÓÊÏ䣺dunianhua@leweitech.com
µØÖ·£ºÉîÛÚÊб¦°²ÇøÎ÷Ïçº×ÖÞºã·á¹¤Òµ³ÇB11¶°5Â¥¶«
SD4931 100VµçÁ÷¿ØÖÆÆ÷
ËùÊô·ÖÀࣺSLAN/Ê¿À¼Î¢
Æ·ÅÆ£ºÊ¿À¼Î¢
ÐͺţºSD4931
·â×°£ºSOP-8
¹¦ÂÊ£º12-15V
µçÁ÷£º1A
ÐͺţºSD4931
·â×°£ºSOP-8
¹¦ÂÊ£º12-15V
µçÁ÷£º1A
¶©¹ºÈÈÏߣº0755-23087599
¡¡¡¡SD4931µçÁ÷¿ØÖÆÆ÷ÃèÊö¡¡¡¡
¡¡¡¡SD4931ÊÇÓÃÓÚ¿ª¹ØµçÔ´µÄÄÚÖÃ100V¸ßѹMOSFETµÄµçÁ÷ģʽPWM¿ØÖÆÆ÷¡£¡¡¡¡
¡¡¡¡SD4931µçÁ÷¿ØÖÆÆ÷ÄÚÖøßѹÆô¶¯µç·¡£ÔÚÇáÔØÏÂ»á½øÈë´ò¸ôģʽ£¬´Ó¶øÓÐЧµØ½µµÍϵͳµÄ´ý»ú¹¦ºÄ¡£¾ßÓнµÆµ¹¦ÄÜ£¬½øÒ»²½ÓÅ»¯ÇáÔØÌõ¼þϵÄת»»Ð§ÂÊ¡£¾ßÓÐÈíÆô¶¯¹¦ÄÜ£¬Äܹ»¼õСÆ÷¼þµÄÓ¦Á¦£¬·ÀÖ¹±äѹÆ÷±¥ºÍ¡£ÓÐVDD´ò¸ô¹¦ÄÜ£¬²»½ö·ÀÖ¹VDDÇ·Ñ¹ÖØÆô£¬Ò²ÓÐЧµØ½µµÍ´ý»ú¹¦ºÄ¡£¡¡¡¡
¡¡¡¡SD4931µçÁ÷¿ØÖÆÆ÷ÄÚ²¿»¹¼¯³ÉÁ˸÷ÖÖÒ쳣״̬µÄ±£»¤¹¦ÄÜ£¬°üÀ¨£ºVDDǷѹ±£»¤£¬VDD¹ýѹ±£»¤£¬Ç°ÑØÏûÒþ£¬Êä³ö¶Ì·±£»¤£¬¹ýÁ÷±£»¤£¬¹ýα£»¤µÈ¡£´¥·¢±£»¤ºó£¬µç·»á²»¶Ï×Ô¶¯ÖØÆô£¬Ö±µ½ÏµÍ³Õý³£ÎªÖ¹¡£
¡¡¡¡
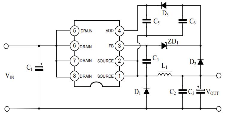
¡¡¡¡SD4931¹Ü½ÅÅÅÁÐͼ
¡¡¡¡

¡¡¡¡SD4931¹Ü½ÅÃèÊö
| ¹Ü½ÅºÅ | ¹Ü½ÅÃû³Æ | I/O | ¹Ü½ÅÃèÊö |
| 1£¬2 | SOURCE | I/O | ¹¦ÂÊMOSFETÔ´¼«ºÍ¿ØÖƵ緵IJο¼µØ |
| 3 | FB | I | ·´À¡ÊäÈë¶Ë |
| 4 | VDD | I/O | ¿ØÖƵ緵Ĺ©µçµçÔ´ |
| 5,6,7,8 | DRAIN | I/O | ¹¦ÂÊMOSFET©¼« |
¡¡¡¡
¡¡¡¡SD4931µçÁ÷¿ØÖÆÆ÷Ö÷ÒªÌØµã¡¡¡¡
¡¡¡¡·20VÖÁ100VÊäÈëµçѹ¡¡¡¡
¡¡¡¡·12~15VÊä³öµçѹ¡¡¡¡
¡¡¡¡·1AÊä³öµçÁ÷¡¡¡¡
¡¡¡¡·¸ßѹÆô¶¯¡¡¡¡
¡¡¡¡·ÇáÔØ´ò°¡¡¡¡¡
¡¡¡¡·½µÆµ¡¡¡¡
¡¡¡¡·ÈíÆô¶¯¡¡
¡¡¡¡·VDD´ò°¡¡¡¡¡
¡¡¡¡·VDDǷѹ±£»¤¡¡¡¡
¡¡¡¡·VDD¹ýѹ±£»¤¡¡¡¡
¡¡¡¡·Ç°ÑØÏûÒþ¡¡¡¡
¡¡¡¡·Êä³ö¶Ì·±£»¤¡¡¡¡
¡¡¡¡·¹ýÁ÷±£»¤¡¡¡¡
¡¡¡¡·¹ýα£»¤
¡¡¡¡
¡¡¡¡SD4931µäÐ͵ç·ͼ

¡¡¡¡
¡¡¡¡SD4931µçÁ÷¿ØÖÆÆ÷Ó¦ÓÃÁìÓò¡¡¡¡
¡¡¡¡·Æ½ºâÂÖ¡¡¡¡
¡¡¡¡·ÒÔÌ«Íø¹©µç¡¡¡¡
¡¡¡¡·µç¶¯×ÔÐгµ¡¡¡¡
¡¡¡¡·µç¶¯¹¤¾ß
¸ü¶àSD4931 100VSD4931 100VµçÁ÷¿ØÖÆÆ÷²úÆ·ÊֲἰÏà¹Ø×ÊÁÏ£¬¿É×Éѯæê΢µç×Ó¡£
°¢Àï°Í°ÍµêÆÌ
¹Ø×¢æê΢
ÊÕ²Øæê΢










