È«²¿²úÆ··ÖÀà
¼¯³Éµç·IC
- ÓÅÊÆ²úÆ·
- Chipown/оÅó΢
- оÅóµç»úÇý¶¯Ð¾Æ¬
- SLAN/Ê¿À¼Î¢
- CR/Æô³¼Î¢
- FM/¸»ÂúϵÁÐ
- SF/ÈüÍþоƬ
- XL/оÁúϵÁÐ
- LW/æê΢
³¡Ð§Ó¦¹Ü/MOS/IGBT
¶þ¼«¹Ü
Èý¼«¹Ü
ÍÆ¼ö²úÆ·
ÁªÏµÎÒÃÇ
ÉîÛÚÊÐæê΢µç×ӿƼ¼ÓÐÏÞ¹«Ë¾
µç»°£º0755-23087599
ÊÖ»ú£º13808858392
ÓÊÏ䣺dunianhua@leweitech.com
µØÖ·£ºÉîÛÚÊб¦°²ÇøÎ÷Ïçº×ÖÞºã·á¹¤Òµ³ÇB11¶°5Â¥¶«
CR6249 18WÔ±ßоƬ
ËùÊô·ÖÀࣺCR/Æô³¼Î¢
Æ·ÅÆ£ºCRÆô³½Î¢
ÐͺţºCR6249
·â×°£ºDIP-8L/SOP-7L
¹¦ÂÊ£º¡Ü18W
µçÁ÷£º
ÐͺţºCR6249
·â×°£ºDIP-8L/SOP-7L
¹¦ÂÊ£º¡Ü18W
µçÁ÷£º
¶©¹ºÈÈÏߣº0755-23087599
¡¡¡¡CR6249 ÊÇÒ»¿î¸ßÐÔÄÜԱ߼ì²â¿ØÖÆµÄ PWM ¿ª¹Ø£¬´ý»ú¹¦ºÄСÓÚ 75mW¡£CR6249ÄÚ²¿²ÉÓÃÁ˶àģʽ¿ØÖƵÄЧÂʾùºâ¼¼Êõ£¬ÓÃÓÚÓÅ»¯Ð¾Æ¬ÏµÍ³´ý»ú¹¦ºÄºÍÌáÉýЧÂÊ£¬Í¬Ê±²ÉÓÃÁ˳õ¼¶µç¸ÐÁ¿²¹³¥¼¼ÊõºÍÄÚ²¿¼¯³ÉµÄÊä³öÏßµçѹ²¹³¥¼¼Êõ£¬±£Ö¤ÁËоƬÔÚÅúÁ¿Éú²ú¹ý³ÌÖÐCC/CV Êä³ö¾«¶È£¬ÄÚÖõÄÈ«µçѹ¹¦ÂÊ×ÔÊÊÓ¦²¹³¥¼¼Êõ±£Ö¤ÁËϵͳÔÚÈ«µçѹ·¶Î§£¨90V~264V£©ÄÚÊä³öºã¶¨µÄ¹¦ÂÊ¡£¡¡¡¡
¡¡¡¡CR6249 18WÔ±ßоƬ¼¯³ÉÁ˶àÖÖ¹¦Äܺͱ£»¤ÌØÐÔ£¬°üÀ¨Ç·Ñ¹Ëø¶¨£¨UVLO£©£¬VDD ¹ýѹ±£»¤£¨OVP£©£¬ÈíÆô¶¯£¬¹ýα£»¤£¨OTP£©£¬ÖðÖÜÆÚµçÁ÷ÏÞÖÆ£¨OCP£©£¬CS Òý½ÅÐü¿Õ±£»¤£¬Êä³ö¶Ì·±£»¤£¬ÄÚÖÃÇ°ÑØÏûÒþµç·£¬Ê¹µÃоƬ¾ßÓиü¸ßµÄ¿É¿¿ÐÔ¡£
¡¡¡¡
¡¡¡¡Ö÷ÒªÌØµã¡¡¡¡
¡¡¡¡¡ö ´ý»úµÍÓÚ75mW¡¡¡¡
¡¡¡¡¡ö Ա߼ì²âÍØÆË½á¹¹£¬ÎÞÐè¹âñîºÍTL431¡¡¡¡
¡¡¡¡¡ö È«µçѹ·¶Î§Äڸ߾«¶ÈºãѹºÍºãÁ÷Êä³ö¡¡¡¡
¡¡¡¡¡ö ¿É±à³ÌCC/CVģʽ¿ØÖÆ¡¡¡¡
¡¡¡¡¡ö ²ÉÓöàģʽ¿ØÖƵÄЧÂʾùºâ¼¼Êõ¡¡¡¡
¡¡¡¡¡ö ÄÚÖÃÊä³öÏßµçѹ²¹³¥¹¦ÄÜ¡¡¡¡
¡¡¡¡¡ö ÄÚÖóõ¼¶µç¸ÐÁ¿Æ«²î²¹³¥¹¦ÄÜ¡¡¡¡
¡¡¡¡¡ö ÄÚÖÃÈ«µçѹ¹¦ÂÊ×ÔÊÊÓ¦²¹³¥¹¦ÄÜ¡¡¡¡
¡¡¡¡¡ö ¶¯Ì¬¸ºÔØÏìÓ¦¹¦ÄÜ¡¡¡¡
¡¡¡¡¡ö ÄÚÖùýζȱ£»¤¹¦ÄÜ¡¡¡¡
¡¡¡¡¡ö ÄÚÖÃCS¿ªÂ·±£»¤¹¦ÄÜ¡¡¡¡
¡¡¡¡¡ö ÄÚÖÃÊä³ö¶Ì·±£»¤¹¦ÄÜ¡¡¡¡
¡¡¡¡¡ö ÄÚÖÃÇ°ÑØÏûÒþ¡¡¡¡
¡¡¡¡¡ö Æô¶¯µçÁ÷ºÍ¹¤×÷µçÁ÷µÍ¡¡¡¡
¡¡¡¡¡ö VDD¶Ë¹ýѹ±£»¤ºÍǯλ±£»¤¡¡¡¡
¡¡¡¡¡ö ÖðÖÜÆÚ¹ýÁ÷±£»¤¡¡¡¡
¡¡¡¡¡ö DIP-8L¡¢SOP-7LÂÌÉ«·â×°
¡¡¡¡
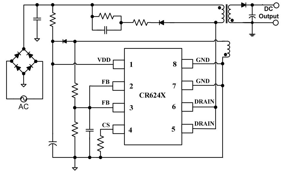
¡¡¡¡Òý½Å¹¦Äܼ°ÃèÊö

| Òý½Å | ·ûºÅ | ÃèÊö |
| 1 | VDD | IC ¹©µçÒý½Å¡£¸ÃÒý½ÅΪоƬµÄÕý³£¹¤×÷Ìṩµçѹ¡£ |
| 2/3 | FB | ¸¨ÖúÈÆ×éµçѹ·´À¡ÊäÈë¶Ë£¬Í¨¹ýÒ»¸öµç×è·ÖѹÆ÷Á¬½Óµ½·´ÉäÊä³öµçѹµÄ¸¨ÖúÈÆ×éÉÏ¡£ |
| 4 | CS | CS µç×èÒý½Å£¬ÓÃÓÚ³õ¼¶·åÖµµçÁ÷¼ì²â¡£ |
| 5/6 | DRAIN | HV MOSFET ©¶ËÒý½Å¡£ |
| 7/8 | GND | µØÏßÒý½Å¡£ |
¡¡¡¡
¡¡¡¡µäÐÍÓ¦Óõç·ͼ

¡¡¡¡
¡¡¡¡Ó¦ÓÃÁìÓò¡¡¡¡
¡¡¡¡¡ö С¹¦ÂʵçÔ´ÊÊÅäÆ÷¡¡¡¡
¡¡¡¡¡ö ·äÎѵ绰³äµçÆ÷¡¡¡¡
¡¡¡¡¡ö ÊýÂëÏà»ú³äµçÆ÷¡¡¡¡
¡¡¡¡¡ö µçÄԺͷþÎñÆ÷¸¨ÖúµçÔ´¡¡¡¡
¡¡¡¡¡ö Ìæ´úÏßÐÔµ÷ÕûÆ÷ºÍRCC
¡¡¡¡
¡¡¡¡CR6249¹¦ÂÊ≤18W£¬²ÉÓÃԱ߿ØÖÆ·½Ê½£¬²»ÐèÒª TL431 ºÍ¹âñÊǸ߾«¶ÈCC/CVԱ߼ì²âPWM¿ª¹Ø£¬¸ü¶àCR6249 18WÔ±ßоƬ²úÆ·ÊֲᡢӦÓÃ×ÊÁÏÇëÏòæê΢µç×ÓÉêÇë¡£>>
°¢Àï°Í°ÍµêÆÌ
¹Ø×¢æê΢
ÊÕ²Øæê΢










