成都逍遥耍耍网论坛,天津-凤江湖论坛春风阁(全国信息) ,一品香论坛登录入口风楼阁交友平台 ,快活林信息发布论坛汇总

³äµçÆ÷оƬ°¢Àï°Í°ÍµêÆÌ ¿ª¹ØµçԴоƬ¹Ø×¢æê΢ µç»úÇý¶¯Ð¾Æ¬ÊÕ²Øæê΢ »¶Ó­½øÈëµçԴоƬ/Çý¶¯Ð¾Æ¬¡¢MOS¡¢IGBT¡¢¶þÈý¼«¹Ü¡¢ÇŶѵȵç×ÓÔªÆ÷¼þ´úÀíÉÌ--æê΢µç×Ó¹ÙÍø
¸ß¼¶ËÑË÷

ËÑË÷Ò»

ËÑË÷¶þ

³äµç¹ÜÀíIC·½°¸

ÍÆ¼ö²úÆ·

ÁªÏµÎÒÃÇ

¿ª¹ØµçԴоƬ
ÉîÛÚÊÐæê΢µç×ӿƼ¼ÓÐÏÞ¹«Ë¾

µç»°£º0755-23087599

ÊÖ»ú£º13808858392

ÓÊÏ䣺dunianhua@leweitech.com

µØÖ·£ºÉîÛÚÊб¦°²ÇøÎ÷Ïçº×ÖÞºã·á¹¤Òµ³ÇB11¶°5Â¥¶«

prevnext

LN5S03 PD¿ì³äͬ²½ÕûÁ÷оƬ

ËùÊô·ÖÀࣺÓÅÊÆ²úÆ·
Æ·ÅÆ£ºÁ¦ÉúÃÀ
ÐͺţºLN5S03
·â×°£ºSOT23-5
¹¦ÂÊ£º5V
µçÁ÷£º20A
¶©¹ºÈÈÏߣº0755-23087599
¡¡¡¡LN5S03ÊÇÒ»¿Å¸ßÐÔÄܵĿª¹ØµçÔ´´Î¼¶²àͬ²½ÕûÁ÷¿ØÖÆÆ÷¼¯³Éµç·£¬¿ÉÒÔ·½±ãµØÔÚÓ¦ÓÃÖй¹½¨Âú×ãCoCV5¼°DE2016µÈ6¼¶ÄÜЧµÄµÍµçѹ´óµçÁ÷¿ª¹ØµçԴϵͳ£¬ÊÇÀíÏëµÄ³¬µÍµ¼Í¨Ñ¹½µÕûÁ÷Æ÷¼þ½â¾ö·½°¸¡£Ð¾Æ¬ÄÚÖÃÁ˶ÀÌØµÄ TrueWaveȫʱ²¨ÐÎ×·×Ù¼¼Êõ£¬¿ÉÖ§³Ö¸ß´ï200kzµÄ¿ª¹ØÆµÂÊÓ¦Ó㬲¢ÇÒÖ§³Ö CCM/CrM/CMµÈ¸÷ÖÖ¿ª¹ØµçÔ´¹¤×÷ģʽӦÓ㬿ÉÔÚ¿ª¹ØµçÔ´µÄÿһ¸ö²¨ÐÎת»»µÄ±ßÑØ×Ô¶¯¿ìËÙ´ò¿ª»ò¹Ø±ÕÍⲿµÄ LowRdsON MOSfetÆ÷¼þ£¬ÀûÓÃÆä¼«µÍµÄµ¼Í¨Ñ¹½µÊµÏÖԶСÓÚÖîÈçÐ¤ÌØ»ù¼«¹ÜµÄµ¼Í¨ËðºÄ,¼«´óÌá¸ßÁËϵͳµÄת»»Ð§ÂÊ£¬´ó·ù½µµÍÁËÕûÁ÷Æ÷¼þµÄζÈ£¬¿É·½±ãµØÊµÏÖµÍѹ´óµçÁ÷µÄ¿ª¹ØµçÔ´Ó¦Óᣡ¡¡¡
¡¡¡¡´øµçѹǯλµÄ´óµçÁ÷ͼÌÚÖùÇý¶¯Êä³ö¿ÉÖ±½ÓÓÚÇý¶¯ÍⲿµÄ MOSFETÆ÷¼þ£¬×î¸ß¿É´ï1AµÄ·åÖµµçÁ÷Çý¶¯ÄÜÁ¦¿ÉÈ·±£¿ìËÙ¿ªÍ¨ºÍ¹Ø¶ÏÍⲿµÄ´óµçÁ÷ MOSFETÆ÷¼þ£¬»ñµÃÓÅÒìµÄת»»Ð§ÄÜ:Êä³öµçѹǯλ¹¦ÄÜʹµÃ¸ß¹©µçµçѹÏÂÕ¤¼«ÈÔÈ»°²È«¿É¿¿¡£¡¡¡¡
¡¡¡¡Ð¾Æ¬»¹ÄÚÖÃÁ˸ßѹֱ½Ó¼ì²â¼¼Êõ£¬¼ì²â¶Ë×ÓÄÍѹ¸ß´ï120V£¬ÅäºÏ¸ß´ï40VµÄ¹©µçµçѹ·¶Î§£¬Ê¹µÃ¿ØÖÆÆ÷¿ÉÖ±½ÓʹÓøßÖÁ20VµÄÊä³öµçѹÕûÁ÷Ó¦ÓÃÖУ¬¼«´óÍØÕ¹ÁË¿ÉʹÓ÷¶Î§¡£¡¡¡¡
¡¡¡¡¸ß¼¯³É¶ÈµÄµç·Éè¼ÆÊ¹µÃоƬÍâΧµç·¼«Æä¼òµ¥£¬ÔÚ5VÊä³öÖ±½Ó¹©µçµÄÓ¦ÓÃÖУ¬Ö»Ðè´îÅä1¿ÅMOSFET¼´¿É¹¹½¨Ò»¸öÍêÕûµÄ¿ª¹ØµçÔ´Êä³öͬ²½ÕûÁ÷Ó¦Ó㬿ÉÌṩÂú×ãRoHsÒªÇóµÄ±ê×¼SOT23-5·â×°¡£
¡¡¡¡
¡¡¡¡ln5s03ͬ²½ÕûÁ÷Ð¾Æ¬ÌØµã¡¡¡¡
¡¡¡¡¡ö ÄÚÖà TrueWave"ʵʱ²¨ÐÎ×·×Ù¼¼Êõ¡¡¡¡
¡¡¡¡¡ö Ö§³Ö¿ª¹ØµçÔ´CM/CrM/DOMģʽ¡¡¡¡
¡¡¡¡¡ö ¸ßµçÁ÷³¬¿ìËÙͼÌÚÖùÊä³öÇý¶¯µç·¡¡¡¡
¡¡¡¡¡ö Êä³ö·åÖµÇý¶¯µçÁ÷ÄÜÁ¦¸ß´ï1A¡¡¡¡
¡¡¡¡¡ö ¼«¿íµÄ¹¤×÷µçѹ·¶Î§4.5VÖÁ40V¡¡¡¡
¡¡¡¡¡ö ¿É5VÖ±½Ó¹©µç»òÓɸ¨ÖúÈÆ×鹩µç¡¡¡¡
¡¡¡¡¡ö ÄÚÖøßѹ¸ôÀ뿪¹ØÄÍѹ¸ß´ï120V¡¡¡¡
¡¡¡¡¡ö ÅäºÏ LowRdsoN M0s¹¹½¨ÀíÏë¶þ¼«¹Ü¡¡¡¡
¡¡¡¡¡ö ÎÞ¿ª¹ØÊ±¾²Ì¬¹¤×÷µçÁ÷¿ÉµÍÖÁ0.2mA¡¡¡¡
¡¡¡¡¡ö Ö§³Ö¿ª¹ØµçԴƵÂÊ×î¸ßÖÁ200kHz¡¡¡¡
¡¡¡¡¡ö ÖÁ¼òÍâΧ×îµÍ½öÓÐ1¿ÅMOS¿ª¹Ø¡¡¡¡
¡¡¡¡¡ö Õ¼°åÃæ»ý¼«Ð¡µÄS0T23-5·â×°ÐÎʽ
¡¡¡¡
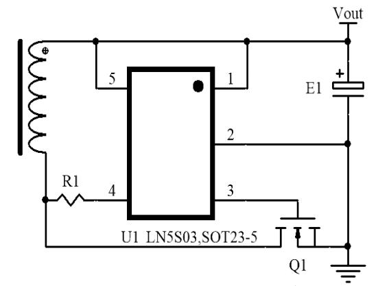
¡¡¡¡µäÐÍÓ¦Óõç·ͼ£¨5VÖ±½Ó¹©µç·½Ê½£©

¡¡¡¡Ó¦ÓÃÁìÓò¡¡¡¡
¡¡¡¡¡ö ¸ßÄÜЧµçÔ´ÊÊÅäÆ÷¡¡¡¡
¡¡¡¡¡ö ¶à¿ÚUSB³äµçÆ÷¡¡¡¡
¡¡¡¡¡ö µÍѹ´óµçÁ÷¿ª¹ØµçÔ´
¡¡¡¡
¡¡¡¡ln5s03ͬ²½ÕûÁ÷оƬÊÇÁ¦ÉúÃÀµÚ¶þ´úͬ²½ÕûÁ÷¿ØÖÆÆ÷²úƷϵÁУ¬¿ÉÌṩ¸ü¶àÓÅÒìµÄÐÔÄܺ͸ü¹ã·ºµÄʹÓ÷¶Î§£¬¿ÉÔÚ CCM/DCM/CrM µÈ¸÷ÖÖ¿ª¹ØµçÔ´¼Ü¹¹ÖÐʹÓã¬Ð¡ÇÉµÄ SOT23-5 ·â×°ÐÎʽÅäºÏ¼«ÉÙµÄÍâΧÆ÷¼þÊýÁ¿£¬¿ÉʹϵͳµÃÒÔÉè¼ÆµÄ·Ç³£½ôÖÂСÇÉ£¬ÓÃÓÚ¸ßÃܶȵçÔ´£¬¸ü¶àLN5S03 PD¿ì³äͬ²½ÕûÁ÷оƬ²úÆ·ÊֲἰӦÓÃ×ÊÁÏÇëÏòæê΢µç×ÓÉêÇë¡£>>
²úÆ·ÖÐÐÄ ¹ØÓÚæê΢ ÁªÏµÎÒÃÇ