成都逍遥耍耍网论坛,天津-凤江湖论坛春风阁(全国信息) ,一品香论坛登录入口风楼阁交友平台 ,快活林信息发布论坛汇总

³äµçÆ÷оƬ°¢Àï°Í°ÍµêÆÌ ¿ª¹ØµçԴоƬ¹Ø×¢æê΢ µç»úÇý¶¯Ð¾Æ¬ÊÕ²Øæê΢ »¶Ó­½øÈëµçԴоƬ/Çý¶¯Ð¾Æ¬¡¢MOS¡¢IGBT¡¢¶þÈý¼«¹Ü¡¢ÇŶѵȵç×ÓÔªÆ÷¼þ´úÀíÉÌ--æê΢µç×Ó¹ÙÍø
¸ß¼¶ËÑË÷

ËÑË÷Ò»

ËÑË÷¶þ

³äµç¹ÜÀíIC·½°¸

ÍÆ¼ö²úÆ·

ÁªÏµÎÒÃÇ

¿ª¹ØµçԴоƬ
ÉîÛÚÊÐæê΢µç×ӿƼ¼ÓÐÏÞ¹«Ë¾

µç»°£º0755-23087599

ÊÖ»ú£º13808858392

ÓÊÏ䣺dunianhua@leweitech.com

µØÖ·£ºÉîÛÚÊб¦°²ÇøÎ÷Ïçº×ÖÞºã·á¹¤Òµ³ÇB11¶°5Â¥¶«

prevnext

XPM5218 18W USB PD¶àЭÒ齵ѹоƬ

ËùÊô·ÖÀࣺFM/¸»ÂúϵÁÐ
Æ·ÅÆ£ºFM/¸»Âú
ÐͺţºXPM5218
·â×°£ºESOP8
¹¦ÂÊ£º18W
µçÁ÷£º5V/2.4A¡¢5V/3A¡¢9V/2A¡¢12V/1.5A
¶©¹ºÈÈÏߣº0755-23087599
¡¡¡¡XPM5218 USB PD¶àЭÒ齵ѹоƬ²ÉÓà ESOP8 ·â×°£¬ÊÇÒ»¿î¼¯³É¿ª¹Ø¹ÜµÄͬ²½½µÑ¹×ª»»Æ÷£¬Ö§³Ö USB Type-C ºÍ PD µÈ¶àÖÖ¿ìËÙ ³äµçЭÒ飬Ϊ³µÔسäµçÆ÷¡¢¸÷ÖÖ¿ì³äÊÊÅäÆ÷¡¢ÖÇÄÜÅŲåµÈ¹©µçÉ豸ÌṩÍêÕûµÄ½â¾ö·½°¸¡£¡¡¡¡
¡¡¡¡XPM5218 Ö§³Ö¶àÖÖ¿ìËÙ³äµçЭÒ飬°üÀ¨ USB Type-C ºÍ PD ЭÒ飬¸ßͨ QC2.0/3.0£¬»ªÎª FCP/SCP£¬ÈýÐÇ AFC£¬USB BC1.2 DCP ÒÔ¼° Apple 2.4A ³äµç¹æ·¶¡£¡¡¡¡
¡¡¡¡XPM5218 Ö§³Ö¿íÊäÈëµçѹ·¶Î§£¬6.6V ÖÁ 36V¡£Êä³öµçѹ·¶Î§ÊÇ 3.6V ÖÁ 12V£¬²¢ÒÀ¾Ý³äµçЭÒé×ÔÐе÷Õû£¬Ìṩ×î´ó 18W µÄÊä³ö¹¦ÂÊ¡£XPM5218A µÄ PDO ÅäÖÃΪ 5V/3A¡¢9V/2A£¬XPM5218B µÄ PDO ÅäÖÃΪ 5V/3A¡¢9V/2A¡¢12V/1.5A¡£¡¡¡¡
¡¡¡¡XPM5218 ²ÉÓà PWM µçÁ÷Ä£¿ØÖÆ·½Ê½£¬ÄÜ¿ìËÙÏìÓ¦¸ºÔØË²Ì¬±ä»¯¡£XPM5218 µÄ¿ª¹ØÆµÂÊΪ 150KHz£¬ÌØÓеĶ¶Æµ¼¼ÊõÄܹ»¼õС EMI£¬°ïÖú¿Í»§Í¨¹ýÈÏÖ¤¡£¡¡¡¡
¡¡¡¡XPM5218 µÄÊä³ö¾ßÓкãѹºãÁ÷ÌØÐÔ¡£µ±Êä³öµçÁ÷СÓÚÏÞ¶¨ÖµÊ±£¬´¦ÓÚºãѹģʽ£»µ±Êä³öµçÁ÷´ïµ½ÏÞ¶¨ÖµÊ±£¬´¦ÓÚºãÁ÷ģʽ¡£Êä³öµçѹ¾ßÓÐÏß²¹¹¦ÄÜ£¬Ëæ×ÅÊä³öµçÁ÷µÄÔö´ó»áÏàÓ¦Ìá¸ßÊä³öµçѹ£¬ÓÃÒÔ²¹³¥³äµçÏßÀÂÄÚ×èÒýÆðµÄµçѹϽµ¡£¡¡¡¡
¡¡¡¡XPM5218 ¾ß±¸·Ç³£¸ßµÄ¿É¿¿ÐÔ£¬ÊäÈëÄÍѹ¸ßÖÁ 42V£¬ËùÓÐÒý½Å ESD ³¬¹ý 8KV¡£Í¬Ê±¾ßÓжàÖÖ±£»¤¹¦ÄÜ£ºÊäÈë¹ýѹ¡¢Ç·Ñ¹±£»¤£¬Êä³ö¹ýÁ÷¡¢¹ýѹ¡¢Ç·Ñ¹¡¢¶Ì·´òàñ£»¤µÈ¡£
¡¡¡¡
¡¡¡¡xpm5218½µÑ¹Ð­ÒéÐ¾Æ¬ÌØÐÔ¡¡¡¡
¡¡¡¡¡ö ÊäÈëÄÍѹ 42V¡¡¡¡
¡¡¡¡¡ö Ö§³Ö USB Type -C ЭÒé¡¡¡¡
¡¡¡¡- ÅäÖÃΪ DFP£¨Source£© - ¹ã²¥ 3A µçÁ÷¡¡¡¡
¡¡¡¡¡ö Ö§³Ö USB Power Delivery£¨PD£©3.0 ЭÒé¡¡¡¡
¡¡¡¡- ¼¯³ÉÍêÕû PD3.0 ·Ö²ãͨÐÅЭÒé¡¡¡¡
¡¡¡¡- PDO µçѹ£º5V£¬9V£¨XPM5218A£©¡¡¡¡
¡¡¡¡- PDO µçѹ£º5V£¬9V£¬12V£¨XPM5218B£© ¡¡¡¡
¡¡¡¡¡ö Ö§³Ö Quick Charge 3.0/2.0 ЭÒé¡¡¡¡
¡¡¡¡¡ö Ö§³Ö»ªÎª FCP/SCP ЭÒé¡¡¡¡
¡¡¡¡¡ö Ö§³ÖÈýÐÇ AFC ЭÒé¡¡¡¡
¡¡¡¡¡ö Ö§³Ö USB BC1.2 DCP¡¡¡¡
¡¡¡¡¡ö Ö§³Ö Apple 2.4A ³äµç¹æ·¶¡¡¡¡
¡¡¡¡¡ö ͬ²½¿ª¹Ø½µÑ¹×ª»»Æ÷¡¡¡¡
¡¡¡¡- ÄÚÖù¦ÂÊ MOSFET¡¡¡¡
¡¡¡¡- ÊäÈëµçѹ·¶Î§£º6.6V µ½ 36V¡¡¡¡
¡¡¡¡- Êä³öµçѹ·¶Î§£º3.6V µ½ 12V¡¡¡¡
¡¡¡¡- Êä³öµçÁ÷£º5V/3A£¬9V/2A£¬12V/1.5A¡¡¡¡
¡¡¡¡- Êä³ö 5V/3A ת»»Ð§ÂÊ´óÓÚ 92% - Êä³öµçѹÏß²¹£º100mV/A¡¡¡¡
¡¡¡¡- Êä³ö¾ßÓÐ CV/CC ÌØÐÔ¡¡¡¡
¡¡¡¡- ÄÚÖò¹³¥µç· - ÈíÆô¶¯¹¦ÄÜ¡¡¡¡
¡¡¡¡- ÌØÓж¶Æµ¼¼Êõ¼õС EMI¡¡¡¡
¡¡¡¡¡ö ¶àÖØ±£»¤¡¢¸ß¿É¿¿ÐÔ¡¡¡¡
¡¡¡¡- ÊäÈë¹ýѹ¡¢Ç·Ñ¹±£»¤¡¡¡¡
¡¡¡¡- Êä³ö¹ýѹ¡¢¹ýÁ÷±£»¤¡¡¡¡
¡¡¡¡- ¶Ì·±£»¤¡¡¡¡
¡¡¡¡- ¹ýα£»¤¡¡¡¡
¡¡¡¡- È«Òý½Å ESD 8KV
¡¡¡¡
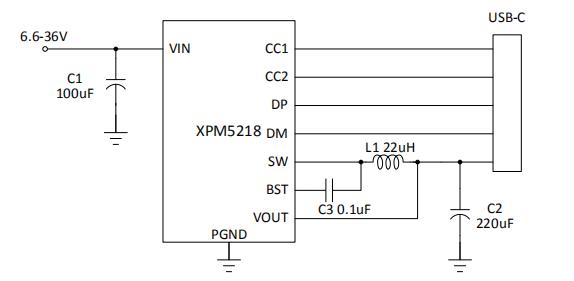
¡¡¡¡Ó¦Óõç·ͼ
¡¡¡¡
¡¡¡¡xpm5218оƬӦÓÃÁìÓò¡¡¡¡
¡¡¡¡¡ö ³µÔسäµçÆ÷¡¡¡¡
¡¡¡¡¡ö ¿ì³äÊÊÅäÆ÷¡¡¡¡
¡¡¡¡¡ö ÖÇÄÜÅŲ塡¡¡
¡¡¡¡¡ö ͨÓøßѹUSB³äµçÆ÷
¡¡¡¡
¡¡¡¡XPM5218 18W USB PD¶àЭÒ齵ѹоƬ£¬XPM5218A  PDO ÅäÖÃΪ5V/3A, 9V/2A£»XPM5218B  PDO ÅäÖÃΪ5V/3A, 9V/2A, 12V/1.5A£»XPM5218A2  PDO ÅäÖÃΪ5V/2.4A, 9V/2A£»XPM5218B2  PDO ÅäÖÃΪ5V/2.4A, 9V/2A, 12V/1.5A¸ü¶àxpm5218½µÑ¹Ð­ÒéоƬ²úÆ·ÊֲἰӦÓÃ×ÊÁÏÇëÏòæê΢µç×ÓÉêÇë¡£>>
²úÆ·ÖÐÐÄ ¹ØÓÚæê΢ ÁªÏµÎÒÃÇ