È«²¿²úÆ··ÖÀà
¼¯³Éµç·IC
- ÓÅÊÆ²úÆ·
- Chipown/оÅó΢
- оÅóµç»úÇý¶¯Ð¾Æ¬
- SLAN/Ê¿À¼Î¢
- CR/Æô³¼Î¢
- FM/¸»ÂúϵÁÐ
- SF/ÈüÍþоƬ
- XL/оÁúϵÁÐ
- LW/æê΢
³¡Ð§Ó¦¹Ü/MOS/IGBT
¶þ¼«¹Ü
Èý¼«¹Ü
ÍÆ¼ö²úÆ·
ÁªÏµÎÒÃÇ
ÉîÛÚÊÐæê΢µç×ӿƼ¼ÓÐÏÞ¹«Ë¾
µç»°£º0755-23087599
ÊÖ»ú£º13808858392
ÓÊÏ䣺dunianhua@leweitech.com
µØÖ·£ºÉîÛÚÊб¦°²ÇøÎ÷Ïçº×ÖÞºã·á¹¤Òµ³ÇB11¶°5Â¥¶«
XPD977 65W¿ì³äÐÒéоƬ2A+C Èý¶Ë¿Ú¿ØÖÆÆ÷
ËùÊô·ÖÀࣺFM/¸»ÂúϵÁÐ
Æ·ÅÆ£ºFM/¸»Âú
ÐͺţºXPD977
·â×°£ºQFN5X5-32
¹¦ÂÊ£º65W
µçÁ÷£º5V£¬9V£¬12V£¬15V£¬20V
ÐͺţºXPD977
·â×°£ºQFN5X5-32
¹¦ÂÊ£º65W
µçÁ÷£º5V£¬9V£¬12V£¬15V£¬20V
¶©¹ºÈÈÏߣº0755-23087599
¡¡¡¡XPD977 65WºÍ65WÒÔÄÚ¿ì³äÐÒéоƬϵÁÐÊÇXPD-LINK™»¥ÁªUSB Èý¶Ë¿Ú¿ØÖÆÆ÷£¬½«´«Í³ÐÒéоƬÍâÖõÄVBUS¿ª¹Ø¹ÜºÍµçÁ÷È¡Ñùµç×輯³ÉÔÚÐÒéоƬÄÚ²¿£¬²¢ÇÒ¼¯³ÉÁËA¿ÚµÄ¿ì³äÐÒ鹦ÄÜÒÔ¼°ÓÃÓÚ¶à¿ÚÐÒé·ÖÅäµÄµ¥Æ¬»úоƬ£¬Ö§³ÖÒ»¸öUSB-C¡¢Á½¸öUSB-A½Ó¿Ú£¬²¢ÇÒÿ¸ö½Ó¿Ú¶¼Ö§³Ö¿ì³äÊä³öµÄµÄ¿ì³äÐÒéоƬ£¬½«´«Í³¶à¿ÅÐÒéоƬ²ÅÄÜÍê³ÉµÄ¹¦ÄÜÕûºÏ³ÉÒ»¿ÅоƬ£¬¼ò»¯³äµçÆ÷µÄ¿ª·¢²¢½µµÍ³É±¾¡£
¡¡¡¡
¡¡¡¡XPD977Ð¾Æ¬ÌØÐÔ¡¡¡¡
¡¡¡¡¡ö ͨ¹ý USB PD3.0 ÈÏÖ¤£¨TID£º5594£©¡¡¡¡
¡¡¡¡¡ö Ö§³Ö XPD-LINKTM¶àоƬ»¥ÁªÍ¨Ðż¼Êõ¡¡¡¡
¡¡¡¡¡ö Ö§³Ö USB Type-C ÐÒé¡¡¡¡
¡¡¡¡¡ö Ö§³Ö USB Power Delivery£¨PD£©3.0 ÒÔ¼°PPS ÐÒé¡¡¡¡
¡¡¡¡- PDO ¿ÉÅäÖãº5V£¬9V£¬12V£¬15V£¬20V¡¡¡¡
¡¡¡¡- Êä³ö¹¦ÂʸßÖÁ 65W¡¡¡¡
¡¡¡¡- APDO ¿ÉÅäÖãº5V Prog£¬9V Prog£¬15V Prog£¬20V Prog¡¡¡¡
¡¡¡¡¡ö Ö§³Ö Quick Charge 2.0/3.0/3.0+ÐÒé¡¡¡¡
¡¡¡¡- Ö§³ÖСÃ× CHARGE TURBO 27W ÐÒé¡¡¡¡
¡¡¡¡¡ö Ö§³Ö»ªÎª FCP/SCP/HVSCP ÐÒé¡¡¡¡
¡¡¡¡- Ö§³Ö»ªÎª 10V ¸ßѹ SCP ÐÒé¡¡¡¡
¡¡¡¡¡ö Ö§³ÖÈýÐÇ AFC ÐÒé¡¡¡¡
¡¡¡¡¡ö Ö§³Ö VOOC 2.0 ÐÒé¡¡¡¡
¡¡¡¡¡ö Ö§³Ö USB BC1.2 DCP¡¡¡¡
¡¡¡¡¡ö Ö§³Ö Apple 2.4A ³äµç¹æ·¶¡¡¡¡
¡¡¡¡¡ö ¼¯³É CC¡¢CV ¿ØÖÆ»·Â·¡¡¡¡
¡¡¡¡¡ö ¼¯³É 10mΩ VBUS ͨ·¹¦ÂÊ¿ª¹Ø¹Ü¡¡¡¡
¡¡¡¡¡ö ¼¯³É 10mΩµçÁ÷¼ì²âµç×è¡¡¡¡
¡¡¡¡¡ö ÄÚÖà VPWR ºÍ VBUS Ë«·Åµçͨ·¡¡¡¡
¡¡¡¡¡ö Ö§³ÖÏßËð²¹³¥¹¦ÄÜ¡¡¡¡
¡¡¡¡¡ö Ö§³Ö USB Type-A ºÍ Type-C Ë«¿Ú¹¤×÷ģʽ¡¡¡¡
¡¡¡¡-¶ÀÁ¢¹¤×÷¶¼Óпì³ä£¬Í¬Ê±¹¤×÷»Ø 5V¡¡¡¡
¡¡¡¡- A ¿ÚÁ¬½ÓÆ»¹û³äµçÏßµ«Î´½ÓÈëÆ»¹ûÊÖ»úʱ£¬C ¿ÚÈÔÈ»Óпì³ä¡¡¡¡
¡¡¡¡¡ö A ¿Ú³ä±¥¹Ø¶ÏµçÁ÷ãÐÖµ 10mA£¬Ð¡µçÁ÷³äµç¡¡¡¡
¡¡¡¡¡ö Ö§³ÖÔÚÏßÉý¼¶¡¡¡¡
¡¡¡¡¡ö °²È«ÐÔ¡¡¡¡
¡¡¡¡- A ¿Ú²ÉÓõçÔ´¶Ë¿ØÖƱÜÃâ¶Ì·Òý·¢Â©µç¡¡¡¡
¡¡¡¡- ¹ýѹ/Ƿѹ±£»¤¡¡¡¡
¡¡¡¡- ¹ýÁ÷±£»¤¡¡¡¡
¡¡¡¡- ¹ýα£»¤¡¡¡¡
¡¡¡¡¡ö CC1/CC2/DP1/DM1/DP2/DM2 ¹ýѹ±£»¤¡¡¡¡
¡¡¡¡¡ö ESD ÌØÐÔ±4KV¡¡¡¡
¡¡¡¡¡ö Package:QFN5X5-32
¡¡¡¡
¡¡¡¡Òý½Å·â×°¶¨Òå

¡¡¡¡
¡¡¡¡XPD977ϵÁиÅÊö¡¡¡¡
¡¡¡¡XPD977 ÊÇÒ»¿î¼¯³É USB Type-C¡¢USB Power Delivery£¨PD£© 3.0/2.0 ÒÔ¼° PPS¡¢QC3.0/2.0CLASS B ¿ì³äÐÒé¡¢»ªÎª FCP/SCP ¿ì³äÐÒé¡¢ÈýÐÇ AFC ¿ì³äÐÒé¡¢VOOC 2.0 ¿ì³äÐÒé¡¢BC1.2 DCP ÒÔ¼°Æ»¹ûÉ豸 2.4A ³äµç¹æ·¶µÄ¶à¹¦ÄÜ USB Èý¶Ë¿Ú¿ØÖÆÆ÷£¬Îª AC-DCÊÊÅäÆ÷¡¢Òƶ¯µçÔ´¡¢³µÔسäµçÆ÷µÈÉ豸ÌṩÍêÕûµÄ Type-C ºÍ Type-A Èý¶Ë¿Ú³äµç½â¾ö·½°¸¡£¡¡¡¡
¡¡¡¡XPD977¼¯³ÉÁË XPD-LINK™»¥ÁªÍ¨Ðż¼Êõ¡£Í¨¹ý XPD-LINK™»¥Áª¹¦ÄÜ£¬XPD977 ¿ÉÒÔ¼òµ¥Áé»îµÄÓ¦ÓÃÔÚ¶à¸ö Type-C ºÍ Type-A ¶Ë¿ÚµÄ³äµç·½°¸ÖС£¡¡¡¡
¡¡¡¡ÄÚÖõÄTYPE-C ÐÒé¿ÉÒÔÖ§³Ö TYPE-C É豸²åÈë×Ô¶¯»½ÐÑϵͳ£¬ÖÇÄÜʶ±ð²åÍ·µÄÕý²åÓë·´²å£¬²¢ÊµÏÖÁ¬½Ó¡£¼¯³ÉµÄ TYPE-C PD3.0 ÐÒéÖ§³ÖË«Ïò±ê¼Ç±àÂ루BMC£©£¬¼¯³ÉÓ²¼þµÄÎïÀí²ãÐÒéºÍÐÒéÒýÇæ£¬ÎÞÐèÈí¼þ²ÎÓë±à½âÂë¡£ µ± Type-C ºÍ Type-A ÆäÖÐÒ»¸ö¶Ë¿Ú½ÓÈëÉ豸ʱ£¬Type-C »ò Type-A ¶Ë¿Ú¶¼¿ÉÒÔʵÏÖ¶ÀÁ¢µÄ¿ì³ä¹¦ÄÜ¡£µ± Type-C ºÍ Type-A ¶¼½ÓÈëÉ豸ʱ£¬XPD977 »á½«Êä³öµçѹ½µÖÁ 5V ¸øÉ豸¹©µç£¬ÆäÖÐ Type-C ¶Ë¿Ú PD Ö»¹ã²¥ 5V/3A£¬±£Áô BC1.2 ÒÔ¼° Apple 2.4A£¬¶ø Type-A ¶Ë¿ÚÔòÖ»±£Áô Apple 2.4A¡£ÌرðµÄ£¬µ± Type-A ¿ÚÒ»Ö±Á¬½ÓÆ»¹û³äµçÏßµ«Î´½ÓÈëÆ»¹ûÊÖ»úʱ£¬Type-C ¿ÚÈÔÈ»Óпì³ä¹¦ÄÜ¡£×÷Ϊ³äµçÆ÷Ó¦ÓÃʱ£¬³äµçÏ߻ᾳ£Óë³äµçÆ÷Á¬½ÓÔÚÒ»Æð¡£¡¡¡¡
¡¡¡¡ÍêÃÀ½â¾öÁË Type-A ºÍ Type-C ¿ÚÁ¬½Ó³äµçÏßÓ¦ÓÃʱµÄ¿ì³äÄÑÌâ¡£´ËÍ⣬Type-A ¿Ú³ä±¥¹Ø¶ÏµçÁ÷ãÐÖµµÍÖÁ 10mA£¬¿ÉÖ§³ÖÖÇÄÜ´©´÷É豸СµçÁ÷³äµç¡£¡¡¡¡
¡¡¡¡XPD977 ͨ¹ýһ·¿É Sink/Source µÄµçÁ÷Ô´£¬Á¬½Óµ½ AC-DC »ò DC-DC µÄ·´À¡Òý½ÅʵÏÖ¶¯Ì¬µ÷½ÚµçѹµÄ¹¦ÄÜ£¬²»¹ÜÊÇÆô¶¯»¹Êǵ÷ѹ¹ý³Ì£¬¶¼¾ß±¸ÈíÆô¶¯/µ÷ѹ¹¦ÄÜ£¬ÊµÏÖµçѹƽ˳¹ý¶É¡£¡¡¡¡
¡¡¡¡XPD977 ÄÚ²¿¼¯³É CC »·Â·¿ØÖÆ£¬ÔÚ¹²ÏíµçÔ´Ï¿ÉÒÔÓÐЧµÄ¿ØÖÆ×ܵçÁ÷»º½âǰ¶ËµçԴѹÁ¦£¬Ö§³Ö¶þ´ÎÉÕ¼£¬¿ÉʵÏÖÔÚÏßÉý¼¶¡£¡¡¡¡
¡¡¡¡ÄÚ½¨¶àÖÖ±£»¤»úÖÆÈ·±£É豸°²È«£º°üÀ¨¶¯Ì¬¹ýѹ/Ƿѹ/¹ýÁ÷±£»¤£¨¿É¸ù¾ÝÉ豸ÇëÇóµÄ¹¤×÷µçѹ/µçÁ÷°´ÕÕ±ÈÀýµ÷Õû±£»¤µã£©£»Æô¶¯¼à²â£¨VBUS Êä³öǰ»á¼à²â¶Ë¿ÚµçѹÊÇ·ñ´¦ÓÚ°²È«×´Ì¬£©¡£¡¡¡¡
¡¡¡¡XPD977 ¼¯³É 10mΩ VBUS ͨ·¹¦ÂÊ¿ª¹Ø¹ÜºÍÄÚ²¿·Åµçͨ·£¬½ÚÊ¡ÁËÍâΧÆ÷¼þ£¬ÔÚ·¢Éú´íÎóʱ¿ÉÒÔ¿ìËٹرÕÊä³ö²¢»Ö¸´µ½°²È«×´Ì¬¡£¡¡¡¡
¡¡¡¡²ÉÓà QFN5x5-32 ·â×°¡£Ó¦ÓÃÖÐÍâΧµç··Ç³£¼ò½à£¬¿ÉÒÔÇáËÉͨ¹ý USB PD ÈÏÖ¤²âÊÔ¡£
¡¡¡¡
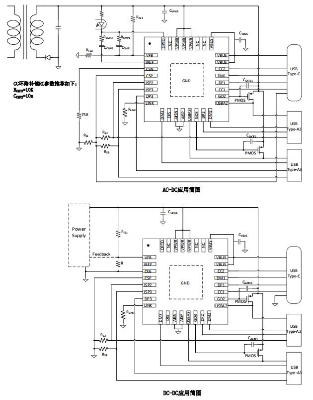
¡¡¡¡µäÐÍÓ¦Óõç·ͼ

¡¡¡¡
¡¡¡¡Ó¦ÓÃÁìÓò¡¡¡¡
¡¡¡¡¡ö AC-DC ÊÊÅäÆ÷¡¡¡¡
¡¡¡¡¡ö ´ø USB ¶Ë¿ÚÅŲ塡¡¡
¡¡¡¡¡ö USB ¶à¿Ú³äµçÉ豸
¡¡¡¡
¡¡¡¡XPD977оƬϵÁж©¹ºÐÅÏ¢
| ÁϺŠ| USB Type-C ¶Ë¿Ú PDO ºÍ APDO ÅäÖà | QC ÅäÖà | °ü×° |
| XPD977B18 | ¸ß¹¦ÂÊ PDO:5V/3A, 9V/2A, 12V/1.5A | Class A |
QFN32 5K/ÅÌ |
| µÍ¹¦ÂÊ PDO:5V/3A | |||
|
XPD977BP18 |
¸ß¹¦ÂÊ PDO:5V/3A, 9V/2A, 12V/1.5A ¸ß¹¦ÂÊ APDO1:3.3-5.9V/3A ¸ß¹¦ÂÊ APDO2:3.3-11V/1.65A µÍ¹¦ÂÊ PDO:5V/3A |
Class A |
|
| XPD977A |
¸ß¹¦ÂÊ PDO:5V/3A, 9V/2.22A µÍ¹¦ÂÊ PDO:5V/3A |
Class A | |
| XPD977B |
¸ß¹¦ÂÊ PDO:5V/3A, 9V/2.22A, 12V/1.67A µÍ¹¦ÂÊ PDO:5V/3A |
Class A | |
| XPD977BV | ¸ß¹¦ÂÊ PDO:5V/3A, 9V/2.22A, 12V/1.67A Ö§³Ö VOOC | Class A | |
| µÍ¹¦ÂÊ PDO:5V/3A | |||
| XPD977D30A |
¸ß¹¦ÂÊ PDO:5V/3A,9V/3A,12V/2.5A,15V/2A,20V/1.5A µÍ¹¦ÂÊ PDO:5V/3A |
Class B | |
| XPD977D30 |
¸ß¹¦ÂÊ PDO:5V/3A,9V/3A,12V/2.5A,15V/2A,20V/1.5A µÍ¹¦ÂÊ PDO:5V/3A, 9V/1.75A |
Class A | |
|
XPD977DP30 |
¸ß¹¦ÂÊ PDO:5V/3A,9V/3A,12V/2.5A,15V/2A,20V/1.5A ¸ß¹¦ÂÊ APDO1:3.3-11V/3A ¸ß¹¦ÂÊ APDO2:3.3-16V/2A µÍ¹¦ÂÊ PDO:5V/3A, 9V/1.75A |
Class A |
|
| XPD977D45 |
¸ß¹¦ÂÊ PDO:5V/3A,9V/3A,12V/3A,15V/3A,20V/2.25A µÍ¹¦ÂÊ PDO:5V/3A, 9V/2.5A, 12V/2A, 15V/1.5A |
Class A | |
|
XPD977DP45 |
¸ß¹¦ÂÊ PDO:5V/3A,9V/3A,12V/3A,15V/3A,20V/2.25A ¸ß¹¦ÂÊ APDO1:3.3-11V/3A ¸ß¹¦ÂÊ APDO2:3.3-16V/2.8A µÍ¹¦ÂÊ PDO:5V/3A, 9V/2.5A, 12V/2A, 15V/1.5A µÍ¹¦ÂÊ APDO1:3.3-11V/2A µÍ¹¦ÂÊ APDO2:3.3-16V/1.4A |
Class A |
|
| XPD977D60 |
¸ß¹¦ÂÊ PDO:5V/3A, 9V/3A, 12V/3A, 15V/3A, 20V/3A µÍ¹¦ÂÊ PDO:5V/3A,9V/3A,12V/2.5A,15V/2A,20V/1.5A |
Class B | |
|
XPD977DP60 |
¸ß¹¦ÂÊ PDO:5V/3A, 9V/3A, 12V/3A, 15V/3A, 20V/3A ¸ß¹¦ÂÊ APDO1:3.3-16V/3A ¸ß¹¦ÂÊ APDO2:3.3-21V/2.85A µÍ¹¦ÂÊ PDO:5V/3A,9V/3A,12V/2.5A,15V/2A,20V/1.5A µÍ¹¦ÂÊ APDO1:3.3-16V/1.9A µÍ¹¦ÂÊ APDO2:3.3-21V/1.4A |
Class B |
|
| XPD977D65 |
¸ß¹¦ÂÊ PDO:5V/3A,9V/3A,12V/3A,15V/3A,20V/3.25A µÍ¹¦ÂÊ PDO:5V/3A,9V/3A,12V/2.5A,15V/2A,20V/1.5A |
Class B | |
|
XPD977DP65 |
¸ß¹¦ÂÊ PDO:5V/3A,9V/3A,12V/3A,15V/3A,20V/3.25A ¸ß¹¦ÂÊ APDO1:3.3-16V/3.25A ¸ß¹¦ÂÊ APDO2:3.3-21V/3A µÍ¹¦ÂÊ PDO:5V/3A,9V/3A,12V/2.5A,15V/2A,20V/1.5A µÍ¹¦ÂÊ APDO1:3.3-16V/2A µÍ¹¦ÂÊ APDO2:3.3-21V/1.5A |
Class B |
|
| XPD977D6545 |
¸ß¹¦ÂÊ PDO:5V/3A,9V/3A,12V/3A,15V/3A,20V/3.25A µÍ¹¦ÂÊ PDO:5V/3A,9V/3A,12V/3A,15V/3A,20V/2.25A |
Class B | |
|
XPD977DP6545 |
¸ß¹¦ÂÊ PDO:5V/3A,9V/3A,12V/3A,15V/3A,20V/3.25A ¸ß¹¦ÂÊ APDO1:3.3-16V/3.25A ¸ß¹¦ÂÊ APDO2:3.3-21V/3A µÍ¹¦ÂÊ PDO:5V/3A,9V/3A,12V/3A,15V/3A,20V/2.25A µÍ¹¦ÂÊ APDO1:3.3-16V/2.8A µÍ¹¦ÂÊ APDO2:3.3-21V/2.1A |
Class B |
|
| XPD977D6518 |
¸ß¹¦ÂÊ PDO:5V/3A,9V/3A,12V/3A,15V/3A,20V/3.25A µÍ¹¦ÂÊ PDO:5V/3A,9V/2A,12V/1.5A |
Class A |
¡¡¡¡
¡¡¡¡XPD977оƬϵÁвÉÓÃQFN5*5-32·â×°£¬Ö§³Ö×î¸ßÊä³ö 65W£¬µ¥¿ÅоƬ XPD977 ʵÏÖ 1C2A ģʽ£¬ÓÃÓÚ2A1CÈý¿ÚÊä³öʱ£¬ÍâΧ½öÐèÔöÌí¶ÔÓ¦µÄPMOSÒÔ¼°µçÁ÷È¡Ñùµç×è¼´¿ÉʵÏÖ¶à¿Ú¿ì³äÐÒéÖ§³Ö£¬¸ü¶à¿ì³äÐÒéоƬ18W-100WÑ¡Ðͼ¼Êõ·½°¸²úÆ·ÊֲἰÏà¹ØÓ¦ÓÃ×ÊÁÏÇëÏòæê΢µç×ÓÉêÇë¡£>>
°¢Àï°Í°ÍµêÆÌ
¹Ø×¢æê΢
ÊÕ²Øæê΢










