È«²¿²úÆ··ÖÀà
¼¯³Éµç·IC
- ÓÅÊÆ²úÆ·
- Chipown/оÅó΢
- оÅóµç»úÇý¶¯Ð¾Æ¬
- SLAN/Ê¿À¼Î¢
- CR/Æô³¼Î¢
- FM/¸»ÂúϵÁÐ
- SF/ÈüÍþоƬ
- XL/оÁúϵÁÐ
- LW/æê΢
³¡Ð§Ó¦¹Ü/MOS/IGBT
¶þ¼«¹Ü
Èý¼«¹Ü
ÍÆ¼ö²úÆ·
ÁªÏµÎÒÃÇ
ÉîÛÚÊÐæê΢µç×ӿƼ¼ÓÐÏÞ¹«Ë¾
µç»°£º0755-23087599
ÊÖ»ú£º13808858392
ÓÊÏ䣺dunianhua@leweitech.com
µØÖ·£ºÉîÛÚÊб¦°²ÇøÎ÷Ïçº×ÖÞºã·á¹¤Òµ³ÇB11¶°5Â¥¶«
XPD938 65W A¼ÓCË«¿ÚÐÒéʶ±ðоƬ
ËùÊô·ÖÀࣺFM/¸»ÂúϵÁÐ
Æ·ÅÆ£ºFM/¸»Âú
ÐͺţºXPD938
·â×°£ºTSSOP20/QFN4X4-20
¹¦ÂÊ£º65W
µçÁ÷£º3A/1.5A
ÐͺţºXPD938
·â×°£ºTSSOP20/QFN4X4-20
¹¦ÂÊ£º65W
µçÁ÷£º3A/1.5A
¶©¹ºÈÈÏߣº0755-23087599
¡¡¡¡XPD938 A¼ÓCË«¿ÚÐÒéʶ±ðоƬÊÇÒ»¿î¼¯³É USB Type-C¡¢USB Power Delivery£¨PD£©2.0/3.0 ÒÔ¼° PPS¡¢QC3.0+/QC3.0/QC2.0 ¿ì³äÐÒé¡¢»ªÎª FCP/SCP/HVSCP ¿ì³äÐÒé¡¢ÈýÐÇ AFC ¿ì³äÐÒé¡¢BC1.2 DCP ÒÔ¼°Æ»¹ûÉ豸 2.4A ³äµç¹æ·¶µÄ¶à¹¦ÄÜ USB Type-C ºÍ Type-A Ë«¶Ë¿Ú¿ØÖÆÆ÷¡£¡¡¡¡
¡¡¡¡XPD938 ÄÚÖÃµÄ Type-C ÐÒé¿ÉÒÔÖ§³Ö Type-C É豸²åÈë×Ô¶¯»½ÐÑ£¬ÖÇÄÜʶ±ð²åÍ·µÄÕý²åÓë·´²å£¬²¢ÊµÏÖÁ¬½Ó¡£XPD938 ¼¯³ÉµÄ PD ÐÒéÖ§³ÖË«Ïò±ê¼Ç±àÂ루BMC£©£¬¼¯³ÉÓ²¼þµÄÎïÀí²ãÐÒéºÍÐÒéÒýÇæ£¬ÎÞÐèÈí¼þ²ÎÓë±à½âÂë¡£¡¡¡¡
¡¡¡¡µ± Type-C ºÍ Type-A ÆäÖÐÒ»¸ö¶Ë¿Ú½ÓÈëÉ豸£¬Type-C »ò Type-A ¶Ë¿Ú¶¼¿ÉÒÔʵÏÖ¶ÀÁ¢µÄ¿ì³ä¹¦ÄÜ¡£µ± Type-C ºÍ Type-A ¶¼½ÓÈëÉ豸ʱ£¬XPD938 »á½«Êä³öµçѹ½µÖÁ 5V ¸øÉ豸¹©µç£¬ÆäÖÐ Type-C ¶Ë¿Ú PD Ö»¹ã²¥ 5V/3A£¬±£Áô BC1.2 ÒÔ¼° Apple 2.4A£¬¶ø Type-A ¶Ë¿ÚÔòÖ»±£Áô Apple 2.4A¡£ÌرðµÄ£¬µ± Type-A ¿ÚÒ»Ö±Á¬½ÓÆ»¹û³äµçÏßµ«Î´½ÓÈëÆ»¹ûÊÖ»úʱ£¬Type-C ¿ÚÈÔÈ»Óпì³ä¹¦ÄÜ¡£×÷Ϊ³äµçÆ÷Ó¦ÓÃʱ£¬³äµçÏ߻ᾳ£Óë³äµçÆ÷Á¬½ÓÔÚÒ»Æð¡£¡¡¡¡
¡¡¡¡XPD938 ½â¾öÁË Type-A ºÍ Type-C ¿ÚÁ¬½Ó³äµçÏßÓ¦ÓÃʱµÄ¿ì³äÄÑÌâ¡£´ËÍ⣬Type-A ¿Ú³ä±¥¹Ø¶ÏµçÁ÷ãÐÖµµÍÖÁ 10mA£¬¿ÉÖ§³ÖÖÇÄÜ´©´÷É豸СµçÁ÷³äµç¡£¡¡¡¡
¡¡¡¡XPD938 ͨ¹ýһ·¿É Sink/Source µÄµçÁ÷Ô´£¬Á¬½Óµ½ AC-DC »ò DC-DC µÄ·´À¡Òý½ÅʵÏÖ¶¯Ì¬µ÷½Úµçѹ¡£²»¹ÜÊÇÆô¶¯»¹Êǵ÷ѹ¹ý³Ì£¬¶¼¾ß±¸ÈíÆô¶¯¹¦ÄÜ£¬ÊµÏÖµçѹƽ˳¹ý¶É¡£¡¡¡¡
¡¡¡¡XPD938 ÄÚ²¿¼¯³É CC »·Â·¿ØÖÆ£¬ÔÚ¹²ÏíµçÔ´Ï¿ÉÒÔÓÐЧµÄ¿ØÖÆ×ܵçÁ÷»º½âǰ¶ËµçԴѹÁ¦£¬XPD938 Ö§³Ö¶þ´ÎÉÕ¼£¬¿ÉʵÏÖÔÚÏßÉý¼¶¡£¡¡¡¡
¡¡¡¡XPD938 ÄÚ½¨¶àÖÖ±£»¤»úÖÆÈ·±£É豸°²È«£º°üÀ¨¶¯Ì¬¹ýѹ/Ƿѹ/¹ýÁ÷±£»¤£¨¿É¸ù¾ÝÉ豸ÇëÇóµÄ¹¤×÷µçѹ/µçÁ÷°´ÕÕ±ÈÀýµ÷Õû±£»¤µã£©£»Æô¶¯¼à²â£¨VBUS Êä³öǰ»á¼à²â¶Ë¿ÚµçѹÊÇ·ñ´¦ÓÚ°²È«×´Ì¬£©¡£¡¡¡¡
¡¡¡¡XPD938 ¼¯³É 10mΩ VBUS ¹¦ÂÊ¿ª¹Ø¹Ü£¬¼¯³É 10 mΩ µçÁ÷¼ì²âµç×裬ÄÚÖà VPWR ºÍVBUS Ë«·Åµçͨ·£¬½ÚÊ¡ÁËÍâΧÆ÷¼þ£¬·¢Éú´íÎóʱ¿ÉÒÔ¿ìËٹرÕÊä³ö²¢»Ö¸´µ½°²È«×´Ì¬¡£¡¡¡¡
¡¡¡¡XPD938 A¼ÓCË«¿ÚÐÒéʶ±ðоƬ²ÉÓà TSSOP20 ºÍ QFN4X4-20 Á½ÖÖ·â×°£¬ÍâΧ¼ò½à£¬ºÜÈÝÒ×ͨ¹ý USB PD ÈÏÖ¤²âÊÔ¡£
¡¡¡¡
¡¡¡¡XPD938Ð¾Æ¬ÌØÐÔ¡¡¡¡
¡¡¡¡¡ö ͨ¹ý USB PD3.0 ÈÏÖ¤£¨TID£º5594£©¡¡¡¡
¡¡¡¡¡ö Ö§³Ö USB Type -C ÐÒé¡¡¡¡
¡¡¡¡- ÅäÖÃΪ DFP£¨Source£©¡¡¡¡
¡¡¡¡- ¹ã²¥ 3A/1.5A µçÁ÷¡¡¡¡
¡¡¡¡¡ö Ö§³Ö USB Power Delivery£¨PD£©2.0 ºÍ 3.0ÒÔ¼° PPS ÐÒé¡¡¡¡
¡¡¡¡- ¼¯³ÉÍêÕû PD ·Ö²ãͨÐÅÐÒé¡¡¡¡
¡¡¡¡- PDO ¿ÉÅäÖãº5V£¬9V£¬12V£¬15V£¬20V¡¡¡¡
¡¡¡¡- Êä³ö¹¦ÂʸßÖÁ 65W¡¡¡¡
¡¡¡¡- APDO ¿ÉÅäÖãº5V Prog£¬9V Prog£¬15VProg£¬20V Prog¡¡¡¡
¡¡¡¡¡ö Ö§³Ö Quick Charge 3.0+/3.0/2.0 ÐÒé¡¡¡¡
¡¡¡¡- Ö§³ÖСÃ× CHARGE TURBO 27W ÐÒé¡¡¡¡
¡¡¡¡¡ö Ö§³Ö»ªÎª FCP/SCP/HVSCP ÐÒé¡¡¡¡
¡¡¡¡¡ö Ö§³ÖÈýÐÇ AFC ÐÒé¡¡¡¡
¡¡¡¡¡ö Ö§³Ö VOOC 2.0 ÐÒé¡¡¡¡
¡¡¡¡¡ö Ö§³Ö USB BC1.2 DCP¡¡¡¡
¡¡¡¡¡ö Ö§³Ö Apple 2.4A ³äµç¹æ·¶¡¡¡¡
¡¡¡¡¡ö ¼¯³É CC¡¢CV »·Â·¿ØÖÆ¡¡¡¡
¡¡¡¡¡ö ¼¯³É 10mΩ VBUS ͨ·¹¦ÂÊ¿ª¹Ø¹Ü¡¡¡¡
¡¡¡¡¡ö ¼¯³É 10mΩµçÁ÷¼ì²âµç×è¡¡¡¡
¡¡¡¡¡ö ÄÚÖà VPWR ºÍ VBUS Ë«·Åµçͨ·¡¡¡¡
¡¡¡¡¡ö Ö§³ÖÏßËð²¹³¥¹¦ÄÜ¡¡¡¡
¡¡¡¡¡ö Ö§³Ö USB Type-A ºÍ Type-C Ë«¿Ú¹¤×÷ģʽ¡¡¡¡
¡¡¡¡- ¶ÀÁ¢¹¤×÷¶¼Óпì³ä£¬Í¬Ê±¹¤×÷»Ø 5V¡¡¡¡
¡¡¡¡- A ¿ÚÁ¬½ÓÆ»¹û³äµçÏßµ«Î´½ÓÈëÆ»¹ûÊÖ»úʱ£¬C ¿ÚÈÔÈ»Óпì³ä¡¡¡¡
¡¡¡¡¡ö A ¿Ú³ä±¥¹Ø¶ÏµçÁ÷ãÐÖµ 10mA£¬Ð¡µçÁ÷³äµç¡¡¡¡
¡¡¡¡¡ö Ö§³ÖÔÚÏßÉý¼¶¡¡¡¡
¡¡¡¡¡ö °²È«ÐÔ¡¡¡¡
¡¡¡¡- ¹ýѹ/Ƿѹ±£»¤¡¡¡¡
¡¡¡¡- ¹ýÁ÷±£»¤¡¡¡¡
¡¡¡¡- ¹ýα£»¤¡¡¡¡
¡¡¡¡¡ö CC1/CC2/DP1/DM1/DP2/DM2 ¹ýѹ±£»¤¡¡¡¡
¡¡¡¡¡ö ESD ÌØÐÔ± 4KV¡¡¡¡
¡¡¡¡¡ö Package: TSSOP-20 ºÍ QNF4x4-20
¡¡¡¡
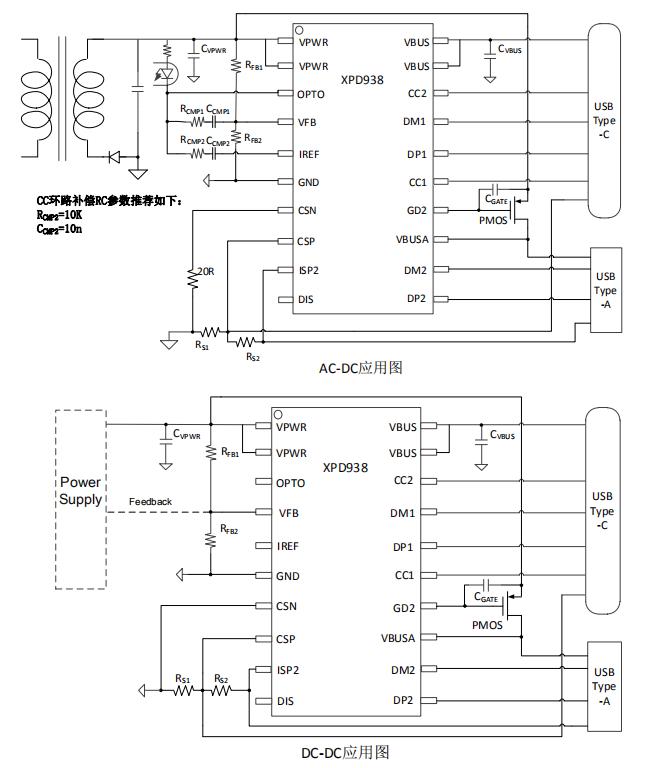
¡¡¡¡µäÐÍÓ¦Óõç·ͼ

¡¡¡¡
¡¡¡¡Ó¦ÓÃÁìÓò¡¡¡¡
¡¡¡¡¡ö AC-DC ÊÊÅäÆ÷¡¡¡¡
¡¡¡¡¡ö USB ³äµçÉ豸
¡¡¡¡
¡¡¡¡XPD938оƬϵÁж©¹ºÐÅÏ¢
| ÁϺŠ| USB Type-C ¶Ë¿Ú PDO ºÍ APDO ÅäÖà | QC ÅäÖà | ·â×° |
| XPD938A | PDO : 5V/3A, 9V/2.22A | ClassA |
TSSOP20 2.5K/ÅÌ |
| XPD938B | PDO : 5V/3A, 9V/2.22A, 12V/1.67A | ClassA | |
|
XPD938BP |
PDO : 5V/3A, 9V/2.22A, 12V/1.67A APDO1 : 3.3-5.9V/3A APDO2 : 3.3-11V/1.8A |
ClassA |
|
|
XPD938APS25 |
PDO : 5V/3A, 9V/2.77A APDO1 : 3.3-5.9V/3A APDO2 : 3.3-11V/2.25A |
ClassA |
|
|
XPD938APS30 |
PDO : 5V/3A, 9V/2.77A APDO1 : 3.3-5.9V/3A APDO2 : 3.3-11V/2.75A |
ClassA |
|
| XPD938D30 | PDO : 5V/3A, 9V/3A, 12V/2.5A, 15V/2A, 20V/1.5A | ClassB | |
|
XPD938DP30 |
PDO : 5V/3A, 9V/3A, 12V/2.5A, 15V/2A, 20V/1.5A APDO1 : 3.3-11V/3A APDO2 : 3.3-16V/2A |
ClassB |
|
| XPD938D45 | PDO : 5V/3A, 9V/3A, 12V/2.5A, 15V/3A,20V/2.25A | ClassB | |
|
XPD938DP45 |
PDO : 5V/3A, 9V/3A, 12V/3A, 15V/3A, 20V/2.25A APDO1 : 3.3-11V/3A APDO2 : 3.3-21V/2.15A |
ClassB |
|
| XPD938D60 | PDO : 5V/3A, 9V/3A, 12V/2.5A, 15V/3A, 20V/3A | ClassB | |
|
XPD938DP60 |
PDO : 5V/3A, 9V/3A, 12V/3A, 15V/3A,20V/3A APDO1 : 3.3-11V/3A APDO2 : 3.3-21V/2.85A |
ClassB |
|
| ¿É¶¨ÖÆ | ¿É¶¨ÖÆ | ||
| XPD938QXXXXX | ²Î¿¼ÏàÓ¦µÄ TSSOP20 ·â×° |
QFN20 4K/ÅÌ |
¡¡¡¡
¡¡¡¡XPD938ϵÁÐA¼ÓCË«¿ÚÐÒéʶ±ðоƬÓÐTSSOP20ºÍQFN4X4-20Á½ÖÖ·â×°£¬Êä³ö¹¦ÂʸßÖÁ 65W£¬ÊÇUSB Type-C PD ºÍ Type-A Ë«¿Ú¿ØÖÆÆ÷£¬µ¥¿ÅоƬ XPD938 ¿ÉʵÏÖ 1C1A ģʽ£¬ÓÐÖúÓÚ½ÚÊ¡ÍâΧԪ¼þÊýÁ¿£¬¼ò»¯µç·£¬½µµÍ³É±¾£¬¹ã·ºÓ¦ÓÃÓÚ65WºÍ65WÒÔÄÚA+C(¹²ÏíµçÔ´)¹ýÈÏÖ¤Êг¡£¬¿É¼æÈÝ´ú»»IP2738¡¢ SW2305¡¢FP6606AC£¬¸ü¶àXPD938оƬϵÁйæ¸ñÊé¼°Ïà¹ØÓ¦ÓÃ×ÊÁÏÇëÏòÎÒÃÇÉêÇë¡£>>
°¢Àï°Í°ÍµêÆÌ
¹Ø×¢æê΢
ÊÕ²Øæê΢










