È«²¿²úÆ··ÖÀà
¼¯³Éµç·IC
- ÓÅÊÆ²úÆ·
- Chipown/оÅó΢
- оÅóµç»úÇý¶¯Ð¾Æ¬
- SLAN/Ê¿À¼Î¢
- CR/Æô³¼Î¢
- FM/¸»ÂúϵÁÐ
- SF/ÈüÍþоƬ
- XL/оÁúϵÁÐ
- LW/æê΢
³¡Ð§Ó¦¹Ü/MOS/IGBT
¶þ¼«¹Ü
Èý¼«¹Ü
ÍÆ¼ö²úÆ·
ÁªÏµÎÒÃÇ
ÉîÛÚÊÐæê΢µç×ӿƼ¼ÓÐÏÞ¹«Ë¾
µç»°£º0755-23087599
ÊÖ»ú£º13808858392
ÓÊÏ䣺dunianhua@leweitech.com
µØÖ·£ºÉîÛÚÊб¦°²ÇøÎ÷Ïçº×ÖÞºã·á¹¤Òµ³ÇB11¶°5Â¥¶«
XPD911 100W ¶à¿Ú³äÐÒéоƬ
ËùÊô·ÖÀࣺFM/¸»ÂúϵÁÐ
Æ·ÅÆ£ºFM/¸»Âú
ÐͺţºXPD911ϵÁÐ
·â×°£ºQFN32 5*5
¹¦ÂÊ£º65W
µçÁ÷£º5V9V12V15V20V
ÐͺţºXPD911ϵÁÐ
·â×°£ºQFN32 5*5
¹¦ÂÊ£º65W
µçÁ÷£º5V9V12V15V20V
¶©¹ºÈÈÏߣº0755-23087599
¡¡¡¡XPD911ÊÇÒ»¿îͬ²½½µÑ¹¶à¿Ú»¥Áª¿ØÖÆÆ÷£¬²ÉÓà QFN32(5*5)·â×°¼¯³É USB Type-C¡¢USB Power Delivery£¨PD£© 3.1 ÒÔ¼° PPS¡¢QC3.0+/3.0 /2.0 ¿ì³äÐÒé¡¢»ªÎª FCP/SCP/HVSCP ¿ì³äÐÒé¡¢ÈýÐÇ AFC ¿ì³äÐÒé¡¢VOOC¿ì³äÐÒé¡¢MTK PE ¿ì³äÐÒé¡¢BC1.2 DCP ÒÔ¼°Æ»¹ûÉ豸 2.4A ³äµç¹æ·¶µÄ¶à¹¦ÄÜ USB Èý¶Ë¿Ú¿ØÖÆÆ÷£¬Îª AC-DC ÊÊÅäÆ÷¡¢ÖÇÄÜÅŲåµÈÉ豸ÌṩÍêÕûµÄ Type-C ºÍ Type-A Ë«¶Ë¿Ú³äµç½â¾ö·½°¸¡£¡¡¡¡
¡¡¡¡XPD911 ¶à¿Ú³äÐÒéоƬ¼¯³ÉÁË XPD-linkTM »¥ÁªÍ¨ÐÅרÀû¼¼Êõ¡£Í¨¹ý XPD-linkTM »¥Áª¹¦ÄÜ£¬XPD911 ¿ÉÒÔ¼òµ¥Áé»îµØÓ¦ÓÃÔÚ¶à¸ö Type-C ºÍ Type-A ¶Ë¿ÚµÄ³äµç·½°¸ÖС£¡¡¡¡
¡¡¡¡XPD911 ¼¯³Éͬ²½¿ª¹Ø½µÑ¹¿ØÖÆÆ÷£¬ÄÚÖù¦ÂÊ MOS¡£Êä³öµçѹ·¶Î§ÊÇ 3.3V µ½ 21V£¬ÄÜÌṩ×î´ó 65W µÄÊä³ö¹¦ÂÊ£¬Äܹ»¸ù¾Ýʶ±ðµ½µÄ¿ì³äÐÒé×Ô¶¯µ÷ÕûÊä³öµçѹºÍµçÁ÷¡£¡¡¡¡
¡¡¡¡XPD911 ¶à¿Ú³äÐÒéоƬµÄÊä³ö¾ßÓÐ CV/CC ÌØÐÔ£¬µ±Êä³öµçÁ÷СÓÚÉ趨ֵ£¬Êä³ö CV ģʽ£¬Êä³öµçѹºã¶¨£»µ±Êä³öµçÁ÷´óÓÚÉ趨ֵ£¬Êä³ö CC ģʽ£¬Êä³öµçѹ½µµÍ¡£XPD911 ¾ßÓÐÏß²¹¹¦ÄÜ£¬Ëæ×ÅÊä³öµçÁ÷µÄÔö´ó»áÏàÓ¦Ìá¸ßÊä³öµçѹ£¬ÓÃÒÔ²¹³¥³äµçÏßÀÂÄÚ×èÒýÆðµÄµçѹϽµ¡£¡¡¡¡
¡¡¡¡XPD911 ÊÇǰ¶ËµçÔ´¹âñȷµ÷ѹ£¬Ö§³Ö 1C1A£¬µ± Type-C ºÍ Type-A ÆäÖÐÒ»¸ö¶Ë¿Ú½ÓÈëÉ豸ʱ£¬Type-C »ò Type-A ¶Ë¿Ú¶¼¿ÉÒÔʵÏÖ¶ÀÁ¢µÄ¿ì³ä¹¦ÄÜ¡£µ± Type-C ºÍ Type-A¶¼½ÓÈëÉ豸ʱ£¬XPD911 µÄ Type-A ºÍ TYPE-C »á½«Êä³öµçѹ½µÖÁ 5V ¸øÉ豸¹©µç¡£ÌرðµÄ£¬µ± Type-A »òÕß Typec ¿ÚÒ»Ö±Á¬½ÓÆ»¹û³äµçÏßµ«Î´½ÓÈëÆ»¹ûÊÖ»úʱ£¬ÆäËû¿ÚÈÔÈ»Óпì³ä¹¦ÄÜ¡£×÷Ϊ³äµçÆ÷Ó¦ÓÃʱ£¬³äµçÏ߻ᾳ£Óë³äµçÆ÷Á¬½ÓÔÚÒ»Æð¡£XPD911 ÍêÃÀ½â¾öÁË Type-A ºÍ Type-C ¿ÚÁ¬½Ó³äµçÏßÓ¦ÓÃʱµÄ¿ì³äÄÑÌâ¡£¡¡¡¡¡¡¡¡
¡¡¡¡XPD911NA/XPD911NC/XPD911AA ¶¼ÊǺó¶Ë DCDC ¾«È·µ÷ѹ£¬XPD911NA Ö§³Ö1C1A£¬XPD911NC Ö§³Ö 2C£¬XPD911AA Ö§³Ö 2A£¬ÇÒ¶¼ÄÜʵÏÖ»¥Áª¹¦ÄÜ£¬Îª¶à¿ÚÓ¦ÓÃÌṩ±È½Ï¼ò½àµÄÓ¦Ó÷½°¸£»µ±ÈÎÒâÒ»¸ö¶Ë¿Ú½ÓÈëÉ豸ʱ£¬¶¼¿ÉÒÔʵÏÖ¶ÀÁ¢µÄ¿ì³ä¹¦ÄÜ£»µ±Á½¸ö¿Ú¶¼½ÓÈëÉ豸ʱ£¬Êä³öµçѹ½µÖÁ 5V ¸øÉ豸¹©µç¡£ÌرðµÄ£¬µ± Type-A »òÕß Type- C ¿ÚÒ»Ö±Á¬½ÓÆ»¹û³äµçÏßµ«Î´½ÓÈëÆ»¹ûÊÖ»úʱ£¬ÆäËû¿ÚÈÔÈ»Óпì³ä¹¦ÄÜ¡£×÷Ϊ³äµçÆ÷Ó¦ÓÃʱ£¬³äµçÏ߻ᾳ£Óë³äµçÆ÷Á¬½ÓÔÚÒ»Æð£¬XPD911NA/XPD911NC/XPD911AA ÍêÃÀ½â¾öÁËÊä³ö¿ÚÁ¬½Ó³äµçÏßÓ¦ÓÃʱµÄ¿ì³äÄÑÌâ¡£¡¡¡¡
¡¡¡¡XPD911¶à¿Ú³äÐÒéоƬ¾ß±¸·Ç³£¸ßµÄ¿É¿¿ÐÔ¡£¾ßÓжàÖÖ±£»¤¹¦ÄÜ£ºÊäÈë¹ýѹ¡¢Ç·Ñ¹±£»¤£¬Êä³ö¹ýÁ÷¡¢¹ýѹ¡¢Ç·Ñ¹¡¢¶Ì·´òàñ£»¤µÈ£¬Ö§³Ö¶þ´ÎÉÕ¼£¬¿ÉʵÏÖÔÚÏßÉý¼¶¡£
¡¡¡¡
¡¡¡¡XPD911 ¶à¿Ú³äÐÒéÐ¾Æ¬ÌØÐÔ¡¡¡¡
¡¡¡¡¡ö Ö§³Ö USB Type-A ºÍ Type-C ¶à¿Ú¹¤×÷ģʽ¡¡¡¡
¡¡¡¡- ¶ÀÁ¢¹¤×÷ʱ¶¼Óпì³ä¡¡¡¡
¡¡¡¡- ¶à¿Ú¹¤×÷ʱ£¬¶¼Êä³ö 5V¡¡¡¡
¡¡¡¡- A ¿Ú»ò C ¿ÚÁ¬½ÓÆ»¹û³äµçÏßµ«Î´½ÓÈëÆ»¹ûÊÖ»úʱ£¬ÆäËû¿ÚÈÔÈ»Óпì³ä¡¡¡¡
¡¡¡¡¡ö ¼¯³Éͬ²½¿ª¹Ø½µÑ¹×ª»»Æ÷¡¡¡¡
¡¡¡¡- µ¥¿Ú¹¤×÷ÔÚֱͨģʽ¡¡¡¡
¡¡¡¡- Ë«¿Ú¹¤×÷ÔÚ DCDC ģʽ¡¡¡¡
¡¡¡¡- link »¥ÁªÓÐЧʱ¹¤×÷ÔÚ DCDC ģʽ¡¡¡¡
¡¡¡¡¡ö Ö§³Ö USB Type-C ÐÒé¡¡¡¡
¡¡¡¡¡ö ¶¨ÖÆÐͺÅÖ§³ÖÁ½ÖÖ¹¤×÷ģʽ¡¡¡¡
¡¡¡¡- ÊäÈëµçѹ¶¯Ì¬µ÷Õûģʽ£¨XPD911£©¡¡¡¡
¡¡¡¡- ÊäÈëµçѹ¹Ì¶¨Ä£Ê½(XPD911NA/XPD911NC/XPD911AA)
¡¡¡¡¡ö Ö§³Ö USB Power Delivery£¨PD£©3.1 ÒÔ¼°PPS ÐÒé¡¡¡¡
¡¡¡¡- ͨ¹ý PD3.1 ÈÏÖ¤£¨TID£º£©¡¡¡¡
¡¡¡¡- PDO ¿ÉÅäÖãº5V£¬9V£¬12V£¬15V£¬ 20V¡¡¡¡
¡¡¡¡- Êä³ö¹¦ÂʸßÖÁ 65W¡¡¡¡
¡¡¡¡- APDO ¿ÉÅäÖãº5V Prog£¬9V Prog£¬15V Prog£¬20V Prog¡¡¡¡
¡¡¡¡¡ö Ö§³Ö Quick Charge 3.0+/3.0/2.0 ÐÒé¡¡¡¡
¡¡¡¡- Ö§³ÖСÃ× CHARGE TURBO 27W ÐÒé¡¡¡¡
¡¡¡¡¡ö Ö§³Ö»ªÎª FCP/SCP/HVSCP ÐÒé¡¡¡¡
¡¡¡¡¡ö Ö§³ÖÈýÐÇ AFC ÐÒé¡¡¡¡
¡¡¡¡¡ö Ö§³Ö VOOC ÐÒé¡¡¡¡
¡¡¡¡¡ö Ö§³Ö MTK PE ÐÒé¡¡¡¡
¡¡¡¡¡ö Ö§³Ö USB BC1.2 DCP¡¡¡¡
¡¡¡¡¡ö Ö§³Ö Apple 2.4A ³äµç¹æ·¶¡¡¡¡
¡¡¡¡¡ö ¼¯³É CC¡¢CV ¿ØÖÆ»·Â·¡¡¡¡
¡¡¡¡¡ö Ö§³ÖÔÚÏßÉý¼¶¹¦ÄÜ¡¡¡¡
¡¡¡¡¡ö Ö§³ÖÏßËð²¹³¥¹¦ÄÜ¡¡¡¡
¡¡¡¡¡ö Ö§³ÖÈÎÒâСµçÁ÷É豸¡¡¡¡
¡¡¡¡¡ö ¶àÖØ±£»¤¡¢¸ß¿É¿¿ÐÔ¡¡¡¡
¡¡¡¡- ÊäÈë¹ýѹ¡¢Ç·Ñ¹±£»¤¡¡¡¡
¡¡¡¡- Êä³ö¹ýѹ¡¢¹ýÁ÷±£»¤¡¡¡¡
¡¡¡¡- ¶Ì·±£»¤¡¡¡¡
¡¡¡¡- ¹ýα£»¤¡¡¡¡
¡¡¡¡- NTC¡¡¡¡
¡¡¡¡- È«Òý½Å ESD 4KV¡¡¡¡
¡¡¡¡¡ö QFN32 5*5 ·â×°
¡¡¡¡
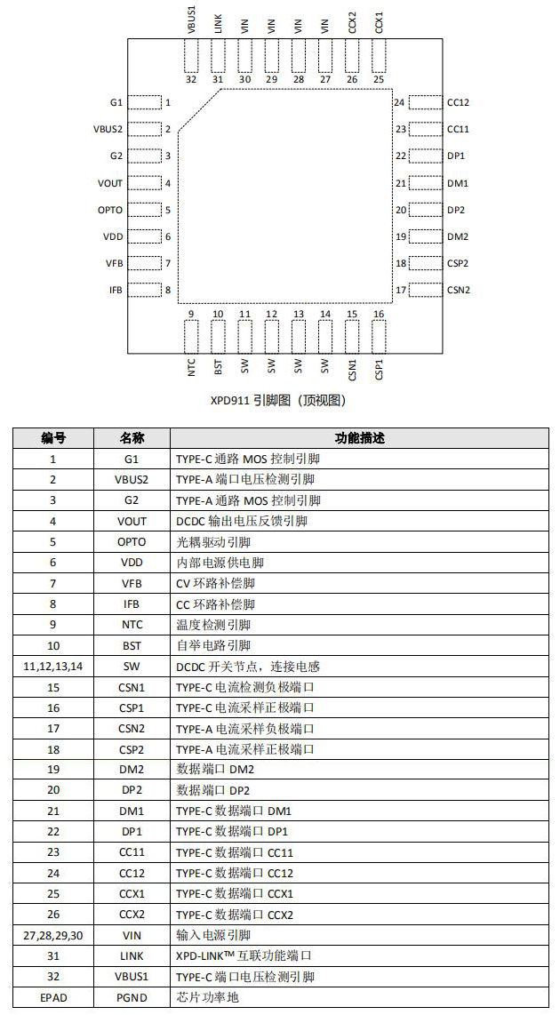
¡¡¡¡XPD911оƬÒý½Å¶¨Òå

¡¡¡¡
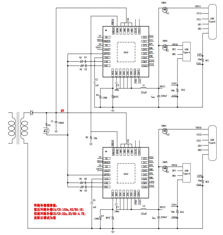
¡¡¡¡Ó¦Óõç·ͼ¡¡¡¡
¡¡¡¡×¢£ºÊäÈëµçѹ¶¯Ì¬µ÷Õûģʽ XPD911£¨Í¨¹ý¹âñîµ÷½Ú ACDC Êä³ö£©

¡¡¡¡
¡¡XPD911 »¥ÁªÓ¦Óüòͼ
¡¡¡¡Ó¦ÓÃÁìÓò¡¡¡¡
¡¡¡¡¡ö ACDC ÊÊÅäÆ÷¡¡¡¡
¡¡¡¡¡ö ³µ³äÓ¦Óá¡¡¡
¡¡¡¡¡ö ÖÇÄÜÅŲ塡¡¡
¡¡¡¡¡ö USB ¶à¿Ú³äµçÉ豸
¡¡¡¡
¡¡¡¡XPD911оƬϵÁж©¹ºÐÅÏ¢
¡¡¡¡
| ÁϺŠ| PDO ÅäÖÃºÍ APDO ÅäÖà | QC ÅäÖà | ·â×° |
| ÊäÈëµçѹ¶¯Ì¬µ÷ÕûÐͺŠ| |||
|
XPD911DP6545T |
C ¿Ú¸ß¹¦ÂÊ PDO:5V/3A£¬9V/3A,12V/3A,15V/3A,20V/3.25A APDO1:3.3-11V/3A£»APDO2:3.3-21V/3A C ¿ÚµÍ¹¦ÂÊ PDO:5V/3A,9V/3A,12V/3A,15V/3A,20V/2.25A APDO1:3.3-11V/3A£»APDO2:3.3-21V/2.25A |
Class B |
QFN32 |
|
XPD911DP6520T |
C ¿Ú¸ß¹¦ÂÊ PDO:5V/3A£¬9V/3A,12V/3A,15V/3A,20V/3.25A APDO1:3.3-11V/3A£»APDO2:3.3-21V/3A C ¿ÚµÍ¹¦ÂÊ PDO:5V/3A,9V/2.22A,12V/1.67A APDO1:3.3-11V/2A |
Class B |
|
|
XPD911DP6530T |
C ¿Ú¸ß¹¦ÂÊ PDO:5V/3A, 9V/3A,12V/3A,15V/3A,20V/2.25A APDO1:3.3-11V/3A£»APDO2:3.3-16V/2.8A C ¿ÚµÍ¹¦ÂÊ PDO: 5V/3A,9V/3A,12V/2.5A,15V/2A,20V/1.5A APDO1:3.3-11V/3A£»APDO2:3.3-16V/2A |
Class B |
|
| ÊäÈëµçѹ¹Ì¶¨ÐͺŠ| |||
|
XPD911NADP6545T |
C ¿Ú¸ß¹¦ÂÊ PDO:5V/3A, 9V/3A,12V/3A,15V/3A,20V/3.25A APDO1:3.3-11V/3A£»APDO2:3.3-21V/3A C ¿ÚµÍ¹¦ÂÊ PDO:5V/3A,9V/2.22A,12V/1.67A APDO1:3.3-11V/2A |
Class B |
QFN32 |
|
XPD911NADP6520T |
C ¿Ú¸ß¹¦ÂÊ PDO:5V/3A, 9V/3A,12V/3A,15V/3A,20V/3.25A APDO1:3.3-11V/3A£»APDO2:3.3-21V/3A C ¿ÚµÍ¹¦ÂÊ PDO:5V/3A,9V/3A,12V/3A,15V/3A,20V/2.25A APDO1:3.3-11V/3A£»APDO2:3.3-21V/2.25A |
Class B |
|
|
XPD911NCDP6545T |
µ¥ C1/C2 ¸ß¹¦ÂÊ PDO:5V/3A, 9V/3A,12V/3A,15V/3A,20V/3.25A APDO1:3.3-11V/3A£»APDO2:3.3-21V/3A C1/C2 µÍ¹¦ÂÊ PDO:5V/3A,9V/3A,12V/3A,15V/3A,20V/2.25A APDO1:3.3-11V/3A£»APDO2:3.3-21V/2.25A |
Class B |
|
| ËùÓÐÐͺŶ¼ÄÜ×Ô¶¨Òå | |||
¡¡¡¡XPD911¶à¿Ú³äÐÒéоƬϵÁÐÓÃÓÚ100WºÍ100WÒÔÄÚ¶à¿Ú»¥ÁªÊг¡£¬ÊäÈëµçѹÓж¯Ì¬µ÷Õûģʽ¡¢¹Ì¶¨Ä£Ê½ (XPD911NC/XPD911NA/XPD911AA)µÈÀàÐÍ£¬XPD911NA µäÐÍÓ¦ÓÃÓÚ»¥Áª 2C2A£¬XPD911NC Óë XPD911NAÓ¦ÓÃÓÚ»¥Áª 3C1A¡¢ÄÚÖöàÖÖ¿ì³äÐÒ飬֧³Ö¶à¿ÚÓ¦ÓÃÖÇÄܽµµÍÊä³ö¹¦ÂÊ£¬ÄÚÖÃÍêÉÆµÄ±£»¤¹¦ÄÜ£¬ÊÊÓÃÓÚ³µ³äºÍ¿ì³äÒÔ¼°²åÅÅÓ¦ÓõÈÁìÓò£¬¸ü¶àXPD911оƬϵÁйæ¸ñÊé¼°Ïà¹ØÓ¦ÓÃ×ÊÁÏÇëÏòÎÒÃÇÉêÇë¡£>>
°¢Àï°Í°ÍµêÆÌ
¹Ø×¢æê΢
ÊÕ²Øæê΢










