成都逍遥耍耍网论坛,天津-凤江湖论坛春风阁(全国信息) ,一品香论坛登录入口风楼阁交友平台 ,快活林信息发布论坛汇总

³äµçÆ÷оƬ°¢Àï°Í°ÍµêÆÌ ¿ª¹ØµçԴоƬ¹Ø×¢æê΢ µç»úÇý¶¯Ð¾Æ¬ÊÕ²Øæê΢ »¶Ó­½øÈëµçԴоƬ/Çý¶¯Ð¾Æ¬¡¢MOS¡¢IGBT¡¢¶þÈý¼«¹Ü¡¢ÇŶѵȵç×ÓÔªÆ÷¼þ´úÀíÉÌ--æê΢µç×Ó¹ÙÍø
¸ß¼¶ËÑË÷

ËÑË÷Ò»

ËÑË÷¶þ

³äµç¹ÜÀíIC·½°¸

ÍÆ¼ö²úÆ·

ÁªÏµÎÒÃÇ

¿ª¹ØµçԴоƬ
ÉîÛÚÊÐæê΢µç×ӿƼ¼ÓÐÏÞ¹«Ë¾

µç»°£º0755-23087599

ÊÖ»ú£º13808858392

ÓÊÏ䣺dunianhua@leweitech.com

µØÖ·£ºÉîÛÚÊб¦°²ÇøÎ÷Ïçº×ÖÞºã·á¹¤Òµ³ÇB11¶°5Â¥¶«

prevnext

AIP1620 ledÊýÂë¹ÜÇý¶¯Ð¾Æ¬

ËùÊô·ÖÀࣺÓÅÊÆ²úÆ·
Æ·ÅÆ£ºÎÞÎýÖÐ΢
ÐͺţºAIP1620
·â×°£ºSOP-20
¹¦ÂÊ£º8 ¶Î¡Á6 λ~10 ¶Î¡Á4 λ
µçÁ÷£º
¶©¹ºÈÈÏߣº0755-23087599
¡¡¡¡AIP1620 ledÊýÂë¹ÜÇý¶¯Ð¾Æ¬ÊÇLED£¨·¢¹â¶þ¼«¹ÜÏÔʾÆ÷£©Çý¶¯¿ØÖÆ×¨Óõç·£¬ÄÚ²¿¼¯³ÉÓÐ MCU Êý×Ö½Ó¿Ú¡¢Êý¾ÝËø´æÆ÷¡¢LED ¸ßѹÇý¶¯µÈµç·¡£AIP1620ÐÔÄÜÓÅÁ¼£¬ÖÊÁ¿¿É¿¿¡£Ö÷ÒªÓ¦ÓÃÓÚVCR¡¢VCD¡¢DVD ¼°¼ÒÍ¥Ó°ÔºµÈ²úÆ·µÄÏÔʾÆÁÇý¶¯¡£
¡¡¡¡
¡¡¡¡aip1620¹¦ÄÜÌØµã¡¡¡¡
¡¡¡¡¡ö ²ÉÓù¦ÂÊ CMOS ¹¤ÒÕ¡¡¡¡
¡¡¡¡¡ö ÏÔʾģʽ£¨8 ¶Î×6 λ~10 ¶Î×4 룩¡¡¡¡
¡¡¡¡¡ö »Ô¶Èµ÷½Úµç·£¨Õ¼¿Õ±È 8 ¼¶¿Éµ÷£©¡¡¡¡
¡¡¡¡¡ö ´®Ðнӿڣ¨CLK£¬STB£¬DIO£©¡¡¡¡
¡¡¡¡¡ö Õñµ´·½Ê½£ºÄÚÖà RC Õñµ´£¨450KHz±5%£©¡¡¡¡
¡¡¡¡¡ö ÄÚÖÃÉϵ縴λµç·¡¡¡¡
¡¡¡¡¡ö ·â×°ÐÎʽ£ºSOP-20
¡¡¡¡
¡¡¡¡¹Ü½ÅÅÅÁм°ËµÃ÷

·ûºÅ ¹Ü½ÅÃû³Æ ˵Ã÷
DIO Êý¾ÝÊäÈë/Êä³ö ÔÚʱÖÓÉÏÉýÑØÊäÈë´®ÐÐÊý¾Ý£¬´ÓµÍλ¿ªÊ¼¡£Êä³öΪN-ch open drain£¬ÇÒÄÚ²¿¼¯³ÉÉÏÀ­µç×è 20K ×óÓÒ¡£
STB Ƭѡ ÔÚÉÏÉý»òϽµÑسõʼ»¯´®ÐнӿÚ£¬ËæºóµÈ´ý½ÓÊÕÖ¸Áî¡£STBΪµÍºóµÄµÚÒ»¸ö×Ö½Ú×÷ΪָÁµ±´¦ÀíÖ¸Áîʱ£¬µ±Ç°ÆäËü´¦Àí±»ÖÕÖ¹¡£µ± STB Ϊ¸ßʱ£¬CLK ±»ºöÂÔ¡£
CLK ʱÖÓÊäÈë ÔÚÉÏÉýÑØ¶ÁÈ¡´®ÐÐÊý¾Ý£¬Ï½µÑØÊä³öÊý¾Ý¡£
SEG1¡«SEG8 Êä³ö£¨¶Î£© ¶ÎÊä³ö£¨Ò²ÓÃ×÷¼üɨÃ裩£¬P ¹Ü¿ªÂ©Êä³ö¡£
GRID1¡«GRID4 Êä³ö£¨Î»£© λÊä³ö£¬N ¹Ü¿ªÂ©Êä³ö¡£
GRID5¡«GRID6 Êä³ö£¨Î»£© λ¸´ÓÃÊä³ö
VDD Âß¼­µçÔ´ µçѹµçÔ´5V±10%
GND Âß¼­µØ ½ÓϵͳµØ
¡¡¡¡
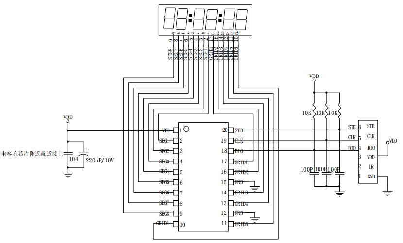
¡¡¡¡µäÐÍÓ¦ÓÃÏß·ͼ
¡¡¡¡
¡¡¡¡AIP1620ÊÇ3Ïß´®¿Ú¹²Òõ¼«8¶Î6λ»ò10¶Î4λLEDÇý¶¯¿ØÖÆ×¨Óõç·£¬ÔÚÓ¦ÓÃÖпɼæÈÝÌæ»»TM1620 ledÊýÂë¹ÜÇý¶¯Ð¾Æ¬£¬¸ü¶àaip1620 Êý¾ÝÊֲᡢµçÆøÌØÐÔ¡¢¿ª¹ØÌØÐÔ¡¢Ê±ÐòÌØÐÔµÈÏà¹Ø×ÊÁÏÇëÏòæê΢µç×ÓÉêÇë¡£>>
²úÆ·ÖÐÐÄ ¹ØÓÚæê΢ ÁªÏµÎÒÃÇ