È«²¿²úÆ··ÖÀà
¼¯³Éµç·IC
- ÓÅÊÆ²úÆ·
- Chipown/оÅó΢
- оÅóµç»úÇý¶¯Ð¾Æ¬
- SLAN/Ê¿À¼Î¢
- CR/Æô³¼Î¢
- FM/¸»ÂúϵÁÐ
- SF/ÈüÍþоƬ
- XL/оÁúϵÁÐ
- LW/æê΢
³¡Ð§Ó¦¹Ü/MOS/IGBT
¶þ¼«¹Ü
Èý¼«¹Ü

ÍÆ¼ö²úÆ·
ÁªÏµÎÒÃÇ

ÉîÛÚÊÐæê΢µç×ӿƼ¼ÓÐÏÞ¹«Ë¾
µç»°£º0755-23087599
ÊÖ»ú£º13808858392
ÓÊÏ䣺dunianhua@leweitech.com
µØÖ·£ºÉîÛÚÊб¦°²ÇøÎ÷Ïçº×ÖÞºã·á¹¤Òµ³ÇB11¶°5Â¥¶«
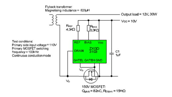
ZXGD3103_¶à¿Ú³äµçÆ÷ÕûÁ÷IC ZXGD3103
ËùÊô·ÖÀࣺÓÅÊÆ²úÆ·
Æ·ÅÆ£ºDiodes
ÐͺţºZXGD3103
·â×°£ºSOP8
¹¦ÂÊ£º
µçÁ÷£º8A
ÐͺţºZXGD3103
·â×°£ºSOP8
¹¦ÂÊ£º
µçÁ÷£º8A
¶©¹ºÈÈÏߣº0755-23087599
ZXGD3103²úÆ·ÃèÊö£º
ZXGD3103ÊÇÒ»¿î·´¼¤Ê½Í¬²½ÕûÁ÷¿ØÖÆÆ÷¡£ÊÊÓÃÓÚ50WÒÔÄÚ·´¼¤Ê½¿ª¹ØµçÔ´²úÆ·¡££¨Èç5V 10A¶à¿ÚUSB³äµçÆ÷£©IC¹¤×÷µçѹΪ5~15V£¬5VÊä³öµçÔ´¿ÉÒÔ²»ÐèÒª¸¨ÖúÈÆ×飬ÓÃVOUTÖ±½ÓΪIC¹©µç¡£
ZXGD3103ÊÇÒ»¿î·´¼¤Ê½Í¬²½ÕûÁ÷¿ØÖÆÆ÷¡£ÊÊÓÃÓÚ50WÒÔÄÚ·´¼¤Ê½¿ª¹ØµçÔ´²úÆ·¡££¨Èç5V 10A¶à¿ÚUSB³äµçÆ÷£©IC¹¤×÷µçѹΪ5~15V£¬5VÊä³öµçÔ´¿ÉÒÔ²»ÐèÒª¸¨ÖúÈÆ×飬ÓÃVOUTÖ±½ÓΪIC¹©µç¡£
¿É¹¤×÷ÓÚ¶ÏÐøÄ£Ê½£¬ÁÙ½çģʽºÍÁ¬ÐøÄ£Ê½¡£
ZXGD3103²úÆ·ÌØµã£º
ZXGD3103²úÆ·ÌØµã£º
̽²âÆ÷µÄãÐÖµvoltage-10mV
´ý»úµçÁ÷5V
ÊÊÓÃÓÚÁÙ½çģʽ(crcm)ºÍÁ¬ÐøÄ£Ê½(ccm)²Ù×÷
5-15V vcc·¶Î§
µäÐÍÓ¦ÓÃͼ

µäÐÍÓ¦ÓÃͼ
