È«²¿²úÆ··ÖÀà
¼¯³Éµç·IC
- ÓÅÊÆ²úÆ·
- Chipown/оÅó΢
- оÅóµç»úÇý¶¯Ð¾Æ¬
- SLAN/Ê¿À¼Î¢
- CR/Æô³¼Î¢
- FM/¸»ÂúϵÁÐ
- SF/ÈüÍþоƬ
- XL/оÁúϵÁÐ
- LW/æê΢
³¡Ð§Ó¦¹Ü/MOS/IGBT
¶þ¼«¹Ü
Èý¼«¹Ü
ÍÆ¼ö²úÆ·
ÁªÏµÎÒÃÇ
ÉîÛÚÊÐæê΢µç×ӿƼ¼ÓÐÏÞ¹«Ë¾
µç»°£º0755-23087599
ÊÖ»ú£º13808858392
ÓÊÏ䣺dunianhua@leweitech.com
µØÖ·£ºÉîÛÚÊб¦°²ÇøÎ÷Ïçº×ÖÞºã·á¹¤Òµ³ÇB11¶°5Â¥¶«
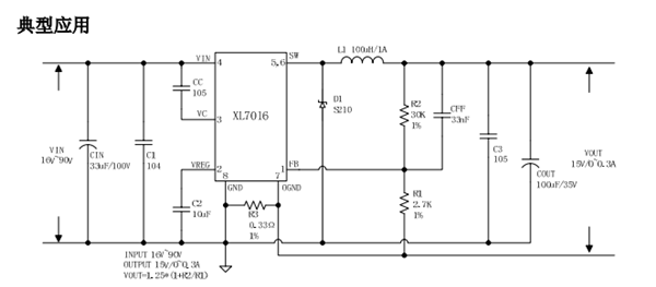
XL7016_½µÑ¹Ö±Á÷µçԴоƬ XL7016
ËùÊô·ÖÀࣺXL/оÁúϵÁÐ
Æ·ÅÆ£ºÐ¾Áú
ÐͺţºXL7016
·â×°£ºSOP8L-EP
¹¦ÂÊ£º60W
µçÁ÷£º0.5A
ÐͺţºXL7016
·â×°£ºSOP8L-EP
¹¦ÂÊ£º60W
µçÁ÷£º0.5A
¶©¹ºÈÈÏߣº0755-23087599
XL7016²úÆ·ÃèÊö£º
XL7016 ÊÇÒ»¿î¸ßЧ¡¢¸ßѹ½µÑ¹ÐÍDC-DCת»»Æ÷£¬¹Ì¶¨150KHz¿ª¹ØÆµÂÊ£¬¿ÉÌṩ×î¸ß0.5AÊä³öµçÁ÷ÄÜÁ¦£¬µÍÎÆ²¨£¬³öÉ«µÄÏßÐÔµ÷ÕûÂÊÓë¸ºÔØµ÷ÕûÂÊ¡£XL7016ÄÚÖù̶¨ÆµÂÊÕñµ´Æ÷ÓëÆµÂʲ¹³¥µç·£¬¼ò»¯Á˵ç·Éè¼Æ¡£PWM ¿ØÖÆ»·Â·¿ÉÒÔµ÷½ÚÕ¼¿Õ±È´Ó0~100%Ö®¼äÏßÐԱ仯¡£
XL7016²úÆ·ÌØµã£º
12VÖÁ90V¹¤×÷µçѹ·¶Î§
×î´óÕ¼¿Õ±È100%
×îСѹ½µ0.5V
Êä³öµçѹ´Ó1.25VÖÁVIN-2V¿Éµ÷
5VÊä³öʱ×î´ó0.5AÊä³öµçÁ÷
15VÊä³öʱ×î´ó0.3AÊä³öµçÁ÷
¹Ì¶¨150KHz¿ª¹ØÆµÂÊ
×î´óÊä³ö¹¦ÂÊСÓÚ5W
ÄÚÖøßѹ¹¦ÂÊMOSFET
ЧÂʸߴï85%
³öÉ«µÄÏßÐÔÓë¸ºÔØµ÷ÕûÂÊ
ÄÚÖÃÏÞÁ÷¹¦ÄÜ
ÄÚÖÃÊä³ö¶Ì·±£»¤¹¦ÄÜ
SOP8-EP·â×°
µäÐÍÓ¦ÓÃͼ

°¢Àï°Í°ÍµêÆÌ
¹Ø×¢æê΢
ÊÕ²Øæê΢










