È«²¿²úÆ··ÖÀà
¼¯³Éµç·IC
- ÓÅÊÆ²úÆ·
- Chipown/оÅó΢
- оÅóµç»úÇý¶¯Ð¾Æ¬
- SLAN/Ê¿À¼Î¢
- CR/Æô³¼Î¢
- FM/¸»ÂúϵÁÐ
- SF/ÈüÍþоƬ
- XL/оÁúϵÁÐ
- LW/æê΢
³¡Ð§Ó¦¹Ü/MOS/IGBT
¶þ¼«¹Ü
Èý¼«¹Ü
ÍÆ¼ö²úÆ·
ÁªÏµÎÒÃÇ
ÉîÛÚÊÐæê΢µç×ӿƼ¼ÓÐÏÞ¹«Ë¾
µç»°£º0755-23087599
ÊÖ»ú£º13808858392
ÓÊÏ䣺dunianhua@leweitech.com
µØÖ·£ºÉîÛÚÊб¦°²ÇøÎ÷Ïçº×ÖÞºã·á¹¤Òµ³ÇB11¶°5Â¥¶«
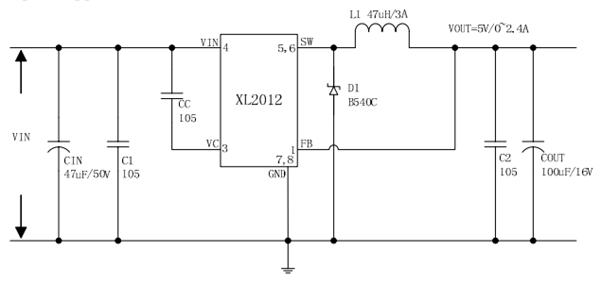
XL2012_40V½µÑ¹³µ³äIC SF2012
ËùÊô·ÖÀࣺXL/оÁúϵÁÐ
Æ·ÅÆ£ºÐ¾Áú
ÐͺţºXL2012
·â×°£ºSOP8
¹¦ÂÊ£º12W
µçÁ÷£º2.4A
ÐͺţºXL2012
·â×°£ºSOP8
¹¦ÂÊ£º12W
µçÁ÷£º2.4A
¶©¹ºÈÈÏߣº0755-23087599
XL2012²úÆ·ÃèÊö£º
XL2012ÊÇÒ»¸ö150KHzµÄ¹Ì¶¨ÆµÂÊPWM½µÑ¹£¨²½½µ£©DC/DCת»»Æ÷£¬Äܹ»Çý¶¯Ò»¸ö2.4AµÄ¸ºÔØ£¬¸ßЧÂÊ£¬µÍÎÆ²¨ºÍ³öÉ«µÄÏß·ºÍ¸ºÔص÷½Ú¡£ÐèÒªµÄÍⲿԪ¼þÊýÁ¿×îÉÙ£¬ÎÈѹÆ÷¼òµ¥Ò×Ó㬰üÀ¨ÄÚ²¿ÆµÂʲ¹³¥ºÍ¹Ì¶¨ÆµÂÊÕñµ´Æ÷¡£
XL2012ÄÚÖÃÊä³ö¶Ì·±£»¤¹¦ÄÜ¡£µ±¶Ì·±£»¤¹¦ÄܵÄÇé¿ö£¬¸ÃоƬ½«±»¹Ø±Õ¡£ÄÚ²¿²¹³¥Ä£¿éÊǽ¨Á¢ÔÚÒÔ¾¡Á¿¼õÉÙÍⲿԪ¼þÊýÁ¿¡£
XL2012²úÆ·ÌØµã£º
8VÖÁ40VµÄÊäÈëµçѹ·¶Î§¡£
¹Ì¶¨µÄ5VÊä³öµçѹ¡£
×î´ó2.4AµÄÊä³öµçÁ÷¡£
150KHzµÄ¹Ì¶¨¿ª¹ØÆµÂÊ¡£
ÄÚ²¿ÓÅ»¯µÄ¹¦ÂÊMOSFET¡£
ЧÂʸߴï92£¥¡£
ÄÚÖÃÊä³ö¶Ì·¹Ø¶Ï¹¦ÄÜ¡£
³öÉ«µÄÏß·ºÍ¸ºÔص÷½Ú¡£
ÄÚÖÃÈȹضϹ¦ÄÜ¡£
ÄÚÖõçÁ÷ÏÞÖÆ¹¦ÄÜ¡£
SOP-8·â×°¡£
µäÐÍÓ¦ÓÃͼ

µäÐÍÓ¦ÓÃͼ

°¢Àï°Í°ÍµêÆÌ
¹Ø×¢æê΢
ÊÕ²Øæê΢










