È«²¿²úÆ··ÖÀà
¼¯³Éµç·IC
- ÓÅÊÆ²úÆ·
- Chipown/оÅó΢
- оÅóµç»úÇý¶¯Ð¾Æ¬
- SLAN/Ê¿À¼Î¢
- CR/Æô³¼Î¢
- FM/¸»ÂúϵÁÐ
- SF/ÈüÍþоƬ
- XL/оÁúϵÁÐ
- LW/æê΢
³¡Ð§Ó¦¹Ü/MOS/IGBT
¶þ¼«¹Ü
Èý¼«¹Ü
ÍÆ¼ö²úÆ·
ÁªÏµÎÒÃÇ
ÉîÛÚÊÐæê΢µç×ӿƼ¼ÓÐÏÞ¹«Ë¾
µç»°£º0755-23087599
ÊÖ»ú£º13808858392
ÓÊÏ䣺dunianhua@leweitech.com
µØÖ·£ºÉîÛÚÊб¦°²ÇøÎ÷Ïçº×ÖÞºã·á¹¤Òµ³ÇB11¶°5Â¥¶«
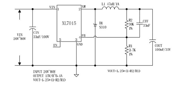
XL7015_½µÑ¹µçԴоƬ XL7015
ËùÊô·ÖÀࣺXL/оÁúϵÁÐ
Æ·ÅÆ£ºXL/оÁú
ÐͺţºXL7015
·â×°£ºTO252-5L
¹¦ÂÊ£º60W
µçÁ÷£º0.4A
ÐͺţºXL7015
·â×°£ºTO252-5L
¹¦ÂÊ£º60W
µçÁ÷£º0.4A
¶©¹ºÈÈÏߣº0755-23087599
XL7015²úÆ·ÃèÊö£º
XL7015 ÊÇÒ»¿î¸ßЧ¡¢¸ß ѹ ½µÑ¹ÐÍDC-DCת»»Æ÷£¬¹Ì¶¨150KHz¿ª¹ØÆµÂÊ£¬¿ÉÌṩ×î¸ß0.8AÊä³öµçÁ÷ÄÜÁ¦£¬µÍÎÆ²¨£¬³öÉ«µÄÏßÐÔµ÷ÕûÂÊÓë¸ºÔØµ÷ÕûÂÊ¡£XL7015ÄÚÖù̶¨ÆµÂÊÕñµ´Æ÷ÓëÆµÂʲ¹³¥µç·£¬¼ò»¯Á˵ç·Éè¼Æ¡£ PWM¿ØÖÆ»·Â·¿ÉÒÔµ÷½ÚÕ¼¿Õ±È´Ó0~100%Ö®¼äÏßÐԱ仯¡£ÄÚÖÃÊä³ö¹ýµçÁ÷±£»¤¹¦ÄÜ£¬µ±Êä³ö¶Ì·ʱ£¬¿ª¹ØÆµÂÊ´Ó150KHz½µÖÁ45KHz¡£ÄÚ²¿²¹³¥Ä£¿é¿ÉÒÔ¼õÉÙÍâΧԪÆ÷¼þÊýÁ¿¡£
XL7015²úÆ·ÌØµã £º
5Vµ½80V¿íÊäÈëµçѹ·¶Î§
Êä³öµçѹ´Ó1.25Vµ½20V¿Éµ÷
×î´óÕ¼¿Õ±È100%
×îСѹ½µ1V
¹Ì¶¨150KHz¿ª¹ØÆµÂÊ
×î´ó0.8A¿ª¹ØµçÁ÷
ÍÆ¼öÊä³ö¹¦ÂÊСÓÚ7W
ÄÚÖøßѹ¹¦ÂÊÈý¼«¹Ü
ЧÂʸߴï85%
³öÉ«µÄÏßÐÔÓë¸ºÔØµ÷ÕûÂÊ
EN½ÅTTL¹Ø»ú¹¦ÄÜ
ÄÚÖùýÈȹضϻ¤¹¦ÄÜ
ÄÚÖÃÏÞÁ÷¹¦ÄÜ
ÄÚÖÃÊä³ö¶Ì·±£»¤¹¦ÄÜ
TO252-5L·â×°
µäÐÍÓ¦ÓÃͼ

µäÐÍÓ¦ÓÃͼ

°¢Àï°Í°ÍµêÆÌ
¹Ø×¢æê΢
ÊÕ²Øæê΢










