È«²¿²úÆ··ÖÀà
¼¯³Éµç·IC
- ÓÅÊÆ²úÆ·
- Chipown/оÅó΢
- оÅóµç»úÇý¶¯Ð¾Æ¬
- SLAN/Ê¿À¼Î¢
- CR/Æô³¼Î¢
- FM/¸»ÂúϵÁÐ
- SF/ÈüÍþоƬ
- XL/оÁúϵÁÐ
- LW/æê΢
³¡Ð§Ó¦¹Ü/MOS/IGBT
¶þ¼«¹Ü
Èý¼«¹Ü
ÍÆ¼ö²úÆ·
ÁªÏµÎÒÃÇ
ÉîÛÚÊÐæê΢µç×ӿƼ¼ÓÐÏÞ¹«Ë¾
µç»°£º0755-23087599
ÊÖ»ú£º13808858392
ÓÊÏ䣺dunianhua@leweitech.com
µØÖ·£ºÉîÛÚÊб¦°²ÇøÎ÷Ïçº×ÖÞºã·á¹¤Òµ³ÇB11¶°5Â¥¶«
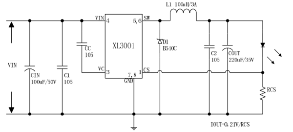
XL3001_½µÑ¹ÐÍLEDºãÁ÷Çý¶¯Ð¾Æ¬ XL3001
ËùÊô·ÖÀࣺXL/оÁúϵÁÐ
Æ·ÅÆ£ºÐ¾Áú
ÐͺţºXL3001
·â×°£ºSOP8L-EP
¹¦ÂÊ£º60W
µçÁ÷£º3A
ÐͺţºXL3001
·â×°£ºSOP8L-EP
¹¦ÂÊ£º60W
µçÁ÷£º3A
¶©¹ºÈÈÏߣº0755-23087599
XL3001²úÆ·ÃèÊö£º
XL3001ÊÇÒ»¿î½µÑ¹ºãÁ÷ÐÍLEDÇý¶¯Æ÷£¬¿É¹¤×÷ÔÚDC8Vµ½40VÊäÈëµçѹ·¶Î§£¬µÍÎÆ²¨£¬ÄÚÖù¦ÂÊMOS¡£XL3001ÄÚÖù̶¨ÆµÂÊÕñµ´Æ÷ÓëÆµÂʲ¹³¥µç·£¬¼ò»¯Á˵ç·Éè¼Æ¡£ PWM ¿Ø ÖÆ »· ·¿ÉÒÔµ÷½ÚÕ¼¿Õ±È´Ó0~100%Ö®¼äÏßÐԱ仯¡£ÄÚÖÃÊä³ö¹ýµçÁ÷±£»¤¹¦ÄÜ£¬µ±Êä³ö¶Ì·ʱ£¬¿ª¹ØÆµÂÊ´Ó220KHz½µÖÁ60KHz¡£ÄÚ²¿²¹³¥Ä£¿é¿ÉÒÔ¼õÉÙÍâΧԪÆ÷¼þÊýÁ¿¡£
XL3001²úÆ·ÌØµã£º
XL3001ÊÇÒ»¿î½µÑ¹ºãÁ÷ÐÍLEDÇý¶¯Æ÷£¬¿É¹¤×÷ÔÚDC8Vµ½40VÊäÈëµçѹ·¶Î§£¬µÍÎÆ²¨£¬ÄÚÖù¦ÂÊMOS¡£XL3001ÄÚÖù̶¨ÆµÂÊÕñµ´Æ÷ÓëÆµÂʲ¹³¥µç·£¬¼ò»¯Á˵ç·Éè¼Æ¡£ PWM ¿Ø ÖÆ »· ·¿ÉÒÔµ÷½ÚÕ¼¿Õ±È´Ó0~100%Ö®¼äÏßÐԱ仯¡£ÄÚÖÃÊä³ö¹ýµçÁ÷±£»¤¹¦ÄÜ£¬µ±Êä³ö¶Ì·ʱ£¬¿ª¹ØÆµÂÊ´Ó220KHz½µÖÁ60KHz¡£ÄÚ²¿²¹³¥Ä£¿é¿ÉÒÔ¼õÉÙÍâΧԪÆ÷¼þÊýÁ¿¡£
XL3001²úÆ·ÌØµã£º
8Vµ½40V¿íÊäÈëµçѹ·¶Î§
0.21VÊä³öµçÁ÷²ÉÑùµçѹ
×î´óÕ¼¿Õ±È100%
×îСѹ²î0.3V
¹Ì¶¨220KHz¿ª¹ØÆµÂÊ
×î´ó3A¿ª¹ØµçÁ÷
ÄÚÖù¦ÂÊMOS
³öÉ«µÄÏßÐÔÓë¸ºÔØµ÷ÕûÂÊ
ÄÚÖÃÆµÂʲ¹³¥¹¦ÄÜ
ÄÚÖÃÊä³ö¶Ì·±£»¤¹¦ÄÜ
ÄÚÖÃÈȹضϹ¦ÄÜ
ÄÚÖõçÁ÷ÏÞÖÆ¹¦ÄÜ
SOP8-EP·â×°
µäÐÍÓ¦ÓÃͼ

µäÐÍÓ¦ÓÃͼ

°¢Àï°Í°ÍµêÆÌ
¹Ø×¢æê΢
ÊÕ²Øæê΢










