成都逍遥耍耍网论坛,天津-凤江湖论坛春风阁(全国信息) ,一品香论坛登录入口风楼阁交友平台 ,快活林信息发布论坛汇总

³äµçÆ÷оƬ°¢Àï°Í°ÍµêÆÌ ¿ª¹ØµçԴоƬ¹Ø×¢æê΢ µç»úÇý¶¯Ð¾Æ¬ÊÕ²Øæê΢ »¶Ó­½øÈëµçԴоƬ/Çý¶¯Ð¾Æ¬¡¢MOS¡¢IGBT¡¢¶þÈý¼«¹Ü¡¢ÇŶѵȵç×ÓÔªÆ÷¼þ´úÀíÉÌ--æê΢µç×Ó¹ÙÍø
¸ß¼¶ËÑË÷

ËÑË÷Ò»

ËÑË÷¶þ

³äµç¹ÜÀíIC·½°¸

ÍÆ¼ö²úÆ·

ÁªÏµÎÒÃÇ

¿ª¹ØµçԴоƬ
ÉîÛÚÊÐæê΢µç×ӿƼ¼ÓÐÏÞ¹«Ë¾

µç»°£º0755-23087599

ÊÖ»ú£º13808858392

ÓÊÏ䣺dunianhua@leweitech.com

µØÖ·£ºÉîÛÚÊб¦°²ÇøÎ÷Ïçº×ÖÞºã·á¹¤Òµ³ÇB11¶°5Â¥¶«

prevnext

XB7608AFJ ï®Àë×Óµç³Ø±£»¤ic

ËùÊô·ÖÀࣺÓÅÊÆ²úÆ·
Æ·ÅÆ£ºxysemi/Èüо΢
ÐͺţºXB7608AFJ
·â×°£ºCPC5
¹¦ÂÊ£º0V
µçÁ÷£º3.5¦Ì A
¶©¹ºÈÈÏߣº0755-23087599
¡¡¡¡XB7608AFJϵÁвúÆ·ÊÇÒ»ÖÖï®Àë×Ó/¾ÛºÏÎïµç³Ø±£»¤µÄ¸ß¼¯³É½â¾ö·½°¸¡£¡¡¡¡
¡¡¡¡XB7608AFJï®Àë×Óµç³Ø±£»¤ic°üº¬ÏȽøµÄ¹¦ÂÊģʽ¡¢¸ß¾«¶Èµçѹ¼ì²âµç·ºÍÑӳٵ緡£¡¡¡¡
¡¡¡¡XB7608AFJ²ÉÓó¬Ð¡ÐÍCPC5·â×°£¬Ö»ÓÐÒ»¸öÍⲿ×é¼þ£¬ÊÇµç³Ø×é¿Õ¼äÓÐÏÞµÄÀíÏë½â¾ö·½°¸¡£¡¡¡¡
¡¡¡¡XB7608AFJ¾ßÓÐµç³ØÓ¦ÓÃÖÐËùÐèµÄËùÓб£»¤¹¦ÄÜ£¬°üÀ¨¹ý³ä¡¢¹ý·Åµç¡¢¹ýµçÁ÷ºÍ¸ºÔضÌ·±£»¤µÈ¡£×¼È·µÄ¹ý³äµç¼ì²âµçѹȷ±£Á˳äµç°²È«¡¢³ä·ÖÀûÓᣵͱ¸ÓõçÁ÷Ôڴ洢ʱÅųöºÜÉٵĵçÁ÷¡£¡¡¡¡
¡¡¡¡¸ÃÉ豸²»½öÊÇÕë¶ÔÊý×ÖÊÖ»ú£¬¶øÇÒÒ²ÊÊÓÃÓÚÈÎºÎÆäËûÐèÒª³¤ÆÚµç³ØÊÙÃüµÄï®Àë×ÓºÍï®¾Ûµç³ØÇý¶¯µÄÐÅÏ¢µçÆ÷¡£
¡¡¡¡
¡¡¡¡XB7608AFJÌØµã¡¡¡¡
¡¡¡¡¡ö ³äµçÆ÷·´ÏòÁ¬½Ó±£»¤¡¡¡¡
¡¡¡¡¡ö µç³ØÐ¾·´ÏòÁ¬½ÓµÄ±£»¤¡¡¡¡
¡¡¡¡¡ö ¼¯³ÉÏȽø¹¦ÂÊÓë14mΩRSS(ON)¡¡¡¡
¡¡¡¡¡ö CPC5·â×°¡¡¡¡
¡¡¡¡¡ö Ö»ÐèÒªÒ»¸öÍⲿµçÈÝÆ÷¡¡¡¡
¡¡¡¡¡ö ¹ýÈȱ£»¤¡¡¡¡
¡¡¡¡¡ö ¹ý³äµçµçÁ÷±£»¤¡¡¡¡
¡¡¡¡¡ö Á½²½¹ýµçÁ÷¼ì²â£ºa.¹ý·ÅµçµçÁ÷ b.¸ºÔضÌ·¡¡¡¡
¡¡¡¡¡ö ³äµçÆ÷¼ì²â¹¦ÄÜ¡¡¡¡
¡¡¡¡¡ö 0VÐîµç³Ø³äµç¹¦ÄÜ¡¡¡¡
¡¡¡¡¡ö ÑÓ³Ùʱ¼ä»áÔÚÄÚ²¿Éú³É¡¡¡¡
¡¡¡¡¡ö ¸ß¾«¶ÈµÄµçѹ¼ì²â¡¡¡¡
¡¡¡¡¡ö µÍµçÁ÷ÏûºÄÁ¿¡¡¡¡
¡¡¡¡¡ö ¹¤×÷ģʽ: 3.5μ AµäÐÍ¡£¡¡¡¡
¡¡¡¡¡ö ¶Ïµçģʽ£º1.6μAµäÐÍ¡£¡¡¡¡
¡¡¡¡¡ö ·ûºÏRoHS±ê×¼£¬ÎÞǦ(Pb)
¡¡¡¡
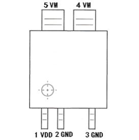
¡¡¡¡xb7608af½Åλͼ¼°Òý½ÅµÄ˵Ã÷


Òý½ÅÐòºÅ Òý½ÅÃû³Æ Òý½Å¹¦ÄÜ
1 VDD µçÔ´¹©Ó¦
2,3 GND ½ÓµØºó£¬½«Ðîµç³ØµÄ¸º¼«ÖÕ¶ËÁ¬½Óµ½´ËÕë½ÅÉÏ
4,5 VM µç³Ø×éµÄ¸º¼«¶Ë×Ó¡£ÄÚ²¿FET¿ª¹Ø½«´Ë¶Ë×ÓÁ¬½Óµ½GNDÇ뽫ÕâЩÕëÓë´óÁ¿½ðÊôÁ¬½Ó
¡¡¡¡
¡¡¡¡µäÐ͵ç·ӦÓÃͼ
¡¡¡¡
¡¡¡¡Ó¦ÓÃÁìÓò¡¡¡¡
¡¡¡¡¡ö µ¥µç³Øï®Àë×Óµç³Ø×é¡¡¡¡
¡¡¡¡¡ö ï®»ù¾ÛºÏÎïµç³Ø×é
¡¡¡¡
¡¡¡¡XB7608AFJµ¥Ð¾ï®Àë×Ó/¾ÛºÏÎïµç³Ø±£»¤IC£¬²ÉÓÃCPC5·â×°£¬ÄÚ²¿¼¯³ÉÏȽø¹¦ÂÊÓë14mΩRSS(ON)£¬ÔÚµ¥µç³Øï®Àë×Óµç³Ø×顢﮻ù¾ÛºÏÎïµç³Ø×éÓ¦ÓÃÖУ¬Ö»ÐèÒªÒ»¸öÍⲿµçÈÝÆ÷£¬¸ü¶àXB7608AFJ ï®Àë×Óµç³Ø±£»¤icÏêϸÊÖ²á»òÆäËü×ÊÁÏ£¬ÇëÏòæê΢µç×ÓÉêÇë¡£>>
²úÆ·ÖÐÐÄ ¹ØÓÚæê΢ ÁªÏµÎÒÃÇ