ÍÆ¼ö²úÆ·
ÁªÏµÎÒÃÇ
ÉîÛÚÊÐæê΢µç×ӿƼ¼ÓÐÏÞ¹«Ë¾
µç»°£º0755-23087599
´«Õ棺0755-23082933
ÓÊÏ䣺yishanbo@leweitech.com
µØÖ·£ºÉîÛÚÊб¦°²ÇøÎ÷Ïçº×ÖÞºã·á¹¤Òµ³ÇB11¶°5Â¥¶«
SD45230
ËùÊô·ÖÀࣺʿÀ¼Î¢
Æ·ÅÆ£ºÊ¿À¼Î¢
ÐͺţºSD45230
·â×°£ºSOP-8
¹¦ÂÊ£º12W
µçÁ÷£º2.4A
ÐͺţºSD45230
·â×°£ºSOP-8
¹¦ÂÊ£º12W
µçÁ÷£º2.4A
¶©¹ºÈÈÏߣº0755-23087599
SD45230²úÆ·ÃèÊö:
SD45230ÊÇÒ»¿î΢ÐÍSOP8·â×°¡¢¸ßЧÂÊ¡¢¿Éµ÷ÏÞÁ÷µÄ½µÑ¹ÐÍDC-DCת»»Ð¾Æ¬¡£Ð¾Æ¬ÄÚ²¿°üÀ¨Îó²î·Å´óÆ÷¡¢Õñµ´Æ÷¡¢µçÁ÷±È½ÏÆ÷¡¢Ð±ÆÂ²¹³¥¡¢µçÁ÷²ÉÑù¡¢Âß¼Çý¶¯µÈÄ£¿é£¬µçÁ÷Îó²î·Å´óÆ÷µÄÄÚ²¿¼¯³É£¬Ê¹µÃ¸ÃоƬ¿ÉÒÔʵÏÖºãѹºãÁ÷¿ØÖÆ¡£·åÖµµçÁ÷ģʽµÄPWM¿ØÖÆ»·Â·ÒÔ¼°²¹³¥ÍøÂçµÄÍⲿ¿Éµ÷£¬Ê¹¸ÃоƬ¿ÉÔÚ¿í¸ºÔØ·¶Î§ÄÚÌṩÎȶ¨µÄÊä³öµçѹ£»µçÁ÷²ÉÑù¶ËµÄÒý³ö£¬Í¨¹ýÉ趨²ÉÑùµç×èÖµ£¬¿ÉÒÔ¼òµ¥¡¢¾«È·µÄʵÏÖÏÞÁ÷ÖµµÄÍⲿµ÷½Ú¡£
µ¼Í¨µç×è150mΩµÄMOSFETµÄÄÚ²¿¼¯³É£¬ÌṩÁ˸ߵÄת»»Ð§ÂÊ£»ÄÚ²¿3.5AµÄÏÞÁ÷ÖµÒÔ¼°¶Ì·±£»¤¡¢¹ýα£»¤±ÜÃâÁËоƬÔÚ³¬¸ººÉ¸ºÔØ»òÕßζȹýÈÈʱÊܵ½Ë𻵣» 120KHzµÄ¸ßƵÂÊÒÔ¼°Î¢ÐÍSOP-8·â×°£¬×î´óÏ޶ȵļõСÁËÕûÌå½â¾ö·½°¸µÄÕ¼°åÃæ»ý¡£
SD45230²úÆ·ÌØµã£º
¸ß´ï2.1A(SD45230RSA)/2.4A(SD45230RJA)µÄÊä³öµçÁ÷ÄÜÁ¦
ÊäÈëÇ·Ñ¹Ëø¶¨
40VµÄ×î¸ß¹¤×÷µçѹ
120KHZµÄ¿ª¹ØÆµÂÊ£¬½µµÍEMIµÄ¶¶Æµ¼¼Êõ
ÓµÓÐרÀû¼¼ÊõµÄºãѹºãÁ÷¿ØÖÆ
ÓµÓÐרÀû¼¼µÄÊä³öµçѹµ¼Ïßµç×èËðºÄ²¹³¥
ÏÞÁ÷¿Éµ÷
¹ýα£»¤
ÏËСÐÍSOP-8/ESOP-8·â×°
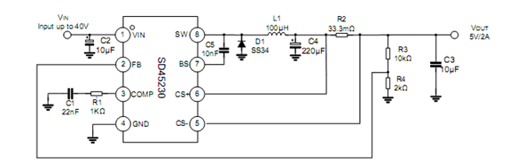
µäÐÍÓ¦ÓÃͼ

µäÐÍÓ¦ÓÃͼ

°¢Àï°Í°ÍµêÆÌ
¹Ø×¢æê΢
ÊÕ²Øæê΢









