È«²¿²úÆ··ÖÀà
¼¯³Éµç·IC
- ÓÅÊÆ²úÆ·
- Chipown/оÅó΢
- оÅóµç»úÇý¶¯Ð¾Æ¬
- SLAN/Ê¿À¼Î¢
- CR/Æô³¼Î¢
- FM/¸»ÂúϵÁÐ
- SF/ÈüÍþоƬ
- XL/оÁúϵÁÐ
- LW/æê΢
³¡Ð§Ó¦¹Ü/MOS/IGBT
¶þ¼«¹Ü
Èý¼«¹Ü
ÍÆ¼ö²úÆ·
ÁªÏµÎÒÃÇ
ÉîÛÚÊÐæê΢µç×ӿƼ¼ÓÐÏÞ¹«Ë¾
µç»°£º0755-23087599
ÊÖ»ú£º13808858392
ÓÊÏ䣺dunianhua@leweitech.com
µØÖ·£ºÉîÛÚÊб¦°²ÇøÎ÷Ïçº×ÖÞºã·á¹¤Òµ³ÇB11¶°5Â¥¶«
F5313_³µ³äICоƬ F5313
ËùÊô·ÖÀࣺÓÅÊÆ²úÆ·
Æ·ÅÆ£ºLH
ÐͺţºF5313
·â×°£ºESOP-8
¹¦ÂÊ£º
µçÁ÷£º
ÐͺţºF5313
·â×°£ºESOP-8
¹¦ÂÊ£º
µçÁ÷£º
¶©¹ºÈÈÏߣº0755-23087599
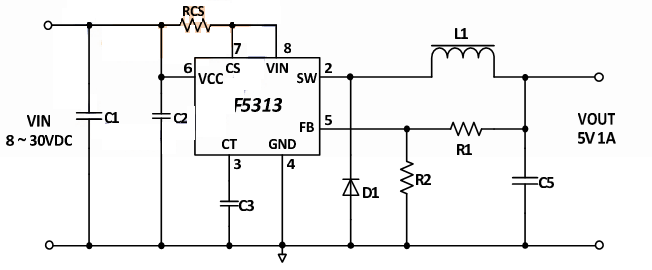
F5313²úÆ·ÃèÊö£º
F5311³µ³äרÓÃICESOP-8·â×°£¬5V 1A СÌå»ý³µ³ä·½°¸£¬ÎÂÉýºÍµçѹ¶¼·Ç³£ºÃ£¬¿ÉÌṩȫÌ×·½°¸×ÊÁϼ°DEMO°å£¬ÐԼ۱ȸß!
F5311³µ³äרÓÃICESOP-8·â×°£¬5V 1A СÌå»ý³µ³ä·½°¸£¬ÎÂÉýºÍµçѹ¶¼·Ç³£ºÃ£¬¿ÉÌṩȫÌ×·½°¸×ÊÁϼ°DEMO°å£¬ÐԼ۱ȸß!
F5313²úÆ·ÌØµã£º
1. µç·¼òµ¥£¬²úÆ·Ìå»ýС
2. оƬ¼Û¸ñ³¬µÍ£¬²úÆ·×ܳɱ¾³¬µÍ
3. Êä³öµçÁ÷³¬¹ý1A£¬ÊäÈëµçѹ8-36V
4. оƬ²É¹ºESOP-8·â×°£¬¹ýα£»¤µÈ¹¦ÄÜ
6. ÎÞÐè¼Ó¹²Ä£µç¸ÐµÈͨ¹ýCEFCCEMIµÈÈÏÖ¤
7. ¿ÉÒÔ×öµ¥Ãæ°å£¬²¼°å¼òµ¥
µäÐÍÓ¦ÓÃͼ

µäÐÍÓ¦ÓÃͼ

°¢Àï°Í°ÍµêÆÌ
¹Ø×¢æê΢
ÊÕ²Øæê΢










