È«²¿²úÆ··ÖÀà
¼¯³Éµç·IC
- ÓÅÊÆ²úÆ·
- Chipown/оÅó΢
- оÅóµç»úÇý¶¯Ð¾Æ¬
- SLAN/Ê¿À¼Î¢
- CR/Æô³¼Î¢
- FM/¸»ÂúϵÁÐ
- SF/ÈüÍþоƬ
- XL/оÁúϵÁÐ
- LW/æê΢
³¡Ð§Ó¦¹Ü/MOS/IGBT
¶þ¼«¹Ü
Èý¼«¹Ü

ÍÆ¼ö²úÆ·
ÁªÏµÎÒÃÇ

ÉîÛÚÊÐæê΢µç×ӿƼ¼ÓÐÏÞ¹«Ë¾
µç»°£º0755-23087599
ÊÖ»ú£º13808858392
ÓÊÏ䣺dunianhua@leweitech.com
µØÖ·£ºÉîÛÚÊб¦°²ÇøÎ÷Ïçº×ÖÞºã·á¹¤Òµ³ÇB11¶°5Â¥¶«
PN8611-ÄÚÖÃmosԱ߷´À¡Ð¾Æ¬
ËùÊô·ÖÀࣺChipown/оÅó΢
Æ·ÅÆ£ºÐ¾Åó΢
ÐͺţºPN8611
·â×°£ºSOP-8
¹¦ÂÊ£º12W
µçÁ÷£º520mA
ÐͺţºPN8611
·â×°£ºSOP-8
¹¦ÂÊ£º12W
µçÁ÷£º520mA
¶©¹ºÈÈÏߣº0755-23087599
¡¡¡¡PN8611ÄÚÖÃmosԱ߷´À¡Ð¾Æ¬¼¯³É³¬µÍ´ý»ú¹¦ºÄԱ߿ØÖÆÆ÷¡¢FBÏÂÆ«µç×èºÍµçÈÝ¡¢VDD¹©µç¶þ¼«¹Ü¡¢CSµç×è¼°650V¸ßÑ©±ÀÄÜÁ¦ÖÇÄܹ¦ÂÊMOSFET£¬ÓÃÓÚ¸ßÐÔÄÜ¡¢ÍâΧԪÆ÷¼þ³¬¾«¼òµÄ³äµçÆ÷¡¢ÊÊÅäÆ÷ºÍÄÚÖõçÔ´¡£¡¡¡¡
¡¡¡¡PN8611ΪԱ߷´À¡¹¤×÷ģʽ£¬¿ÉÊ¡ÂÔ¹âñîºÍTL431¡£ÄÚÖøßѹÆô¶¯µç·£¬¿ÉʵÏÖоƬ¿ÕÔØËðºÄ£¨230VAC£©Ð¡ÓÚ50mW¡£ÔÚºãѹģʽ£¬²ÉÓöàģʽ¼¼ÊõÌá¸ßЧÂʲ¢Ïû³ýÒôƵÔëÉù£¬Ê¹µÃϵͳÂú×ã6¼¶ÄÜЧ±ê×¼£¬ÄÚÖÃÊä³öÏß²¹³¥¹¦ÄÜʹϵͳ»ñµÃ½ÏºÃµÄ¸ºÔص÷ÕûÂÊ¡£¡¡¡¡
¡¡¡¡PN8611ÄÚÖÃmosԱ߷´À¡Ð¾Æ¬ÌṩÁ˼«ÎªÈ«ÃæµÄÖÇÄܱ£»¤¹¦ÄÜ£¬°üº¬ÖðÖÜÆÚ¹ýÁ÷±£»¤¡¢¹ýѹ±£»¤¡¢¿ª»·±£»¤¡¢¹ýα£»¤ºÍÊä³ö¶Ì·±£»¤µÈ¡£
¡¡¡¡
¡¡¡¡PN8611ÄÚÖÃmosԱ߷´À¡Ð¾Æ¬²úÆ·ÌØÕ÷¡¡¡¡
¡¡¡¡¡ö ÄÚÖÃ650V¸ßÑ©±ÀÄÜÁ¦ÖÇÄܹ¦ÂÊMOSFET¡¡¡¡
¡¡¡¡¡ö ÄÚÖøßѹÆô¶¯µç·£¬Ð¡ÓÚ50mW¿ÕÔØËðºÄ£¨230VAC£©¡¡¡¡
¡¡¡¡¡ö ²ÉÓöàģʽ¼¼ÊõÌá¸ßЧÂÊ£¬Âú×ã6¼¶ÄÜЧ±ê×¼¡¡¡¡
¡¡¡¡¡ö È«µçѹÊäÈ뷶Χ±5%µÄCC/CV¾«¶È¡¡¡¡
¡¡¡¡¡ö Ա߷´À¡¿ÉÊ¡¹âñîºÍTL431¡¡¡¡
¡¡¡¡¡ö ÎÞÐèµçÁ÷²ÉÑùµç×è¡¢FB·´À¡Ïµç×è¡¢VDD¹©µç¶þ¼«¹Ü¡¡¡¡
¡¡¡¡¡ö ÎÞÐè¶îÍâ²¹³¥µçÈÝ¡¡¡¡
¡¡¡¡¡ö ÎÞÒôƵÔëÉù¡¡
¡¡¡¡¡ö ÖÇÄܱ£»¤¹¦ÄÜ¡¡¡¡
¡¡¡¡ ¹ýα£»¤ (OTP)¡¡¡¡
¡¡¡¡ VDDǷѹ&¹ýѹ±£»¤ (UVLO&OVP)¡¡¡¡
¡¡¡¡ ÖðÖÜÆÚ¹ýÁ÷±£»¤ (OCP)¡¡¡¡
¡¡¡¡ ¿ª»·±£»¤ (OLP)
¡¡¡¡
¡¡¡¡·â×°/¶©¹ºÐÅÏ¢

¡¡¡¡
¡¡¡¡PN8611¹Ü½Å¶¨Òå
¹Ü½ÅÃû | ¹Ü½Å±êºÅ | ¹Ü½Å¹¦ÄÜÃèÊö |
DIO | 1 | ¸¨ÖúÈÆ×鏸VDDµçÈݳäµçÒý½Å |
VDD | 2 | ¹¤×÷µçѹÊäÈëÒý½Å |
FB | 3 | ·´À¡Òý½Å£¬¸¨ÖúÈÆ×éµçѹͨ¹ýµç×è·´À¡Îȶ¨Êä³ö |
GND | 4 | µØµçλ |
SW | 5,6,7,8 | ÖÇÄܹ¦ÂÊMOSFET Drain¶ËÒý½Å£¬¸ú±äѹÆ÷³õ¼¶ÏàÁ¬ |
¡¡¡¡
¡¡¡¡PN8611ÄÚÖÃmosԱ߷´À¡Ð¾Æ¬µäÐ͹¦ÂÊ

¡¡¡¡
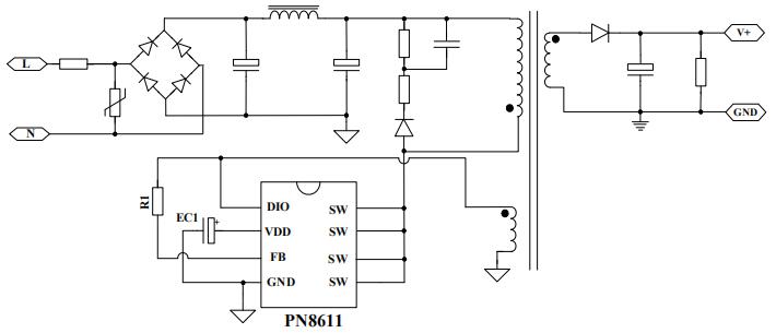
¡¡¡¡PN8611µäÐÍÓ¦Óõç·

¡¡¡¡ÍâΧ²ÎÊýÑ¡Ôñ²Î¿¼¡¡¡¡
¡¡¡¡ÎªÁË»ñµÃ¸ü¼ÑµÄ PN8611 ϵͳÐÔÄÜ£¬ÇëÎñ±Ø×ñÊØÒÔϹæÔò£º¡¡¡¡
¡¡¡¡1. VDD µçÈÝ EC1 Ó¦·ÅÖÃÔÚ¾àÀë VDD Òý½ÅºÍ GND Òý½Å×î½üµÄµØ·½¡£¡¡¡¡
¡¡¡¡2. ¸¨ÖúÈÆ×é¾ R1 µ½ FB ½ÅµÄ×ßÏß¾¡Á¿¶Ì£¬Ê¹ FB ²ÉÑù»ØÂ·×îС¡£
¡¡¡¡
¡¡¡¡PN8611Êä³öÌØÐÔ

¡¡¡¡
¡¡¡¡PN8611ÄÚÖÃmosԱ߷´À¡Ð¾Æ¬Ó¦ÓÃÁìÓò¡¡¡¡
¡¡¡¡¡ö ¿ª¹ØµçÔ´ÊÊÅäÆ÷¡¡¡¡
¡¡¡¡¡ö µç³Ø³äµçÆ÷¡¡¡¡
¡¡¡¡¡ö »ú¶¥ºÐµçÔ´
¡¡¡¡
¡¡¡¡¸ü¶àPN8611ÄÚÖÃmosԱ߷´À¡Ð¾Æ¬£¬µçÔ´ÊäÈëÊä³ö¹æ¸ñ£¬BOM ±íºÍ±äѹÆ÷²ÎÊýÒÔ¼°°²¹æºÍ EMI ²âÊÔÊý¾ÝµÈ×ÊÁÏ£¬ÇëÏòæê΢µç×ÓÉêÇë¡£>>