成都逍遥耍耍网论坛,天津-凤江湖论坛春风阁(全国信息) ,一品香论坛登录入口风楼阁交友平台 ,快活林信息发布论坛汇总

³äµçÆ÷оƬ°¢Àï°Í°ÍµêÆÌ ¿ª¹ØµçԴоƬ¹Ø×¢æê΢ µç»úÇý¶¯Ð¾Æ¬ÊÕ²Øæê΢ »¶Ó­½øÈëµçԴоƬ/Çý¶¯Ð¾Æ¬¡¢MOS¡¢IGBT¡¢¶þÈý¼«¹Ü¡¢ÇŶѵȵç×ÓÔªÆ÷¼þ´úÀíÉÌ--æê΢µç×Ó¹ÙÍø
¸ß¼¶ËÑË÷

ËÑË÷Ò»

ËÑË÷¶þ

³äµç¹ÜÀíIC·½°¸

ÍÆ¼ö²úÆ·

ÁªÏµÎÒÃÇ

¿ª¹ØµçԴоƬ
ÉîÛÚÊÐæê΢µç×ӿƼ¼ÓÐÏÞ¹«Ë¾

µç»°£º0755-23087599

ÊÖ»ú£º13808858392

ÓÊÏ䣺dunianhua@leweitech.com

µØÖ·£ºÉîÛÚÊб¦°²ÇøÎ÷Ïçº×ÖÞºã·á¹¤Òµ³ÇB11¶°5Â¥¶«

prevnext

PN6775 6W³¬µÍ¹¦ºÄоƬ

ËùÊô·ÖÀࣺChipown/оÅó΢
Æ·ÅÆ£ºÐ¾Åó΢
ÐͺţºPN6775SEC-R1
·â×°£ºSOP8
¹¦ÂÊ£º6W
µçÁ÷£º
¶©¹ºÈÈÏߣº0755-23087599
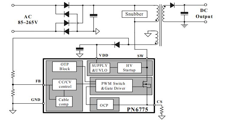
¡¡¡¡PN6775¼¯³É³¬µÍ´ý»ú¹¦ºÄÔ­±ß¿ØÖÆÆ÷¼°¸ßÑ©±ÀÄÜÁ¦ÖÇÄܹ¦ÂÊMOSFET£¬ÄÚÖøßѹÆô¶¯µç·£¬¿ÉʵÏÖоƬ¿ÕÔØËðºÄ£¨230VAC£©Ð¡ÓÚ50mW£¬PN6775³¬µÍ¹¦ºÄоƬΪԭ±ß·´À¡¹¤×÷ģʽ£¬¿ÉÊ¡ÂÔ¹âñîºÍTL431¡£¸ÃоƬÌṩÁ˼«ÎªÈ«ÃæµÄÖÇÄܱ£»¤¹¦ÄÜ£¬°üº¬ÖðÖÜÆÚ¹ýÁ÷±£»¤¡¢¹ýѹ±£»¤¡¢¿ª»·±£»¤¡¢¹ýα£»¤¡¢Êä³ö¶Ì·±£»¤ºÍCS¿ª/¶Ì·±£»¤µÈ£¬ÓÃÓÚ¸ßÐÔÄÜ¡¢ÍâΧԪÆ÷¼þ¾«¼òµÄ³äµçÆ÷¡¢ÊÊÅäÆ÷ºÍÄÚÖõçÔ´¡£¡¡¡¡
¡¡¡¡PN6775ÔÚºãѹģʽ£¬²ÉÓöàģʽ¼¼ÊõÌá¸ßЧÂʲ¢Ïû³ýÒôƵÔëÉù£¬Ê¹µÃϵͳÂú×ã6¼¶ÄÜЧ±ê×¼£¬¿Éµ÷Êä³öÏß²¹³¥¹¦ÄÜ£¬ÄÜʹϵͳ»ñµÃ½ÏºÃµÄ¸ºÔص÷ÕûÂÊ£»ÔÚºãÁ÷ģʽ£¬Êä³öµçÁ÷ºÍ¹¦ÂÊ¿Éͨ¹ýCS½ÅµÄµç×è½øÐе÷½Ú¡£
¡¡¡¡
¡¡¡¡PN6775Ð¾Æ¬ÌØÕ÷¡¡¡¡
¡¡¡¡¡ö ÄÚÖÃ650V¸ßÑ©±ÀÄÜÁ¦ÖÇÄܹ¦ÂÊMOSFET¡¡¡¡
¡¡¡¡¡ö ÄÚÖøßѹÆô¶¯µç·£¬Ð¡ÓÚ50mW¿ÕÔØËðºÄ£¨230VAC£©¡¡¡¡
¡¡¡¡¡ö ²ÉÓöàģʽ¼¼ÊõÌá¸ßЧÂÊ£¬Âú×ã6¼¶ÄÜЧ±ê×¼¡¡¡¡
¡¡¡¡¡ö È«µçѹÊäÈ뷶Χ±5%µÄCC/CV¾«¶È¡¡¡¡
¡¡¡¡¡ö Ô­±ß·´À¡¿ÉÊ¡¹âñîºÍTL431¡¡¡¡
¡¡¡¡¡ö ºãѹ¡¢ºãÁ÷¡¢Êä³öÏß²¹³¥Íⲿ¿Éµ÷¡¡¡¡
¡¡¡¡¡ö ÎÞÐè¶îÍâ²¹³¥µçÈÝ¡¡¡¡
¡¡¡¡¡ö ÎÞÒôƵÔëÉù¡¡¡¡
¡¡¡¡¡ö ÖÇÄܱ£»¤¹¦ÄÜ£º¹ýα£»¤ (OTP)¡¢VDDǷѹ&¹ýѹ±£»¤ (UVLO&OVP) ¡¢ÖðÖÜÆÚ¹ýÁ÷±£»¤ (OCP)¡¢CS¿ª/¶Ì·±£»¤ (CS O/SP£©¡¢¿ª»·±£»¤ (OLP)¡£
¡¡¡¡
¡¡¡¡·â×°/¶©¹ºÐÅÏ¢
¡¡¡¡
¡¡¡¡Êä³öÌØÐÔ
¡¡¡¡
¡¡¡¡µäÐÍÓ¦Óõç·ͼ
¡¡¡¡
¡¡¡¡Ó¦ÓÃÁìÓò¡¡¡¡
¡¡¡¡¡ö ¿ª¹ØµçÔ´ÊÊÅäÆ÷¡¡¡¡
¡¡¡¡¡ö µç³Ø³äµçÆ÷¡¡¡¡
¡¡¡¡¡ö »ú¶¥ºÐµçÔ´
¡¡¡¡
¡¡¡¡PN6775³¬µÍ¹¦ºÄоƬ²ÉÓÃSOP8·â×°£¬Êdz¬µÍ´ý»ú¹¦ºÄÔ­±ß·´À¡½»Ö±Á÷ת»»Æ÷£¬È«µçѹϵäÐÍÓ¦Óù¦ÂÊ6W£¬ÏµÍ³¿ÉÊ¡ÂԵĹâñîºÍTL431£¬¿ÉÒÔʵÏָ߾«¶ÈµÄºãѹ¡¢ºãÁ÷Êä³ö£¬ÒÔÂú×ã´ó²¿·Ö³äµçÆ÷ºÍÊÊÅäÆ÷ÐèÇ󣬸ü¶àPN6775³¬µÍ¹¦ºÄоƬ²úÆ·ÊֲἰӦÓÃ×ÊÁÏÇëÏòоÅó΢һ¼¶´úÀíæê΢µç×ÓÉêÇë¡£>>
²úÆ·ÖÐÐÄ ¹ØÓÚæê΢ ÁªÏµÎÒÃÇ