È«²¿²úÆ··ÖÀà
¼¯³Éµç·IC
- ÓÅÊÆ²úÆ·
- Chipown/оÅó΢
- оÅóµç»úÇý¶¯Ð¾Æ¬
- SLAN/Ê¿À¼Î¢
- CR/Æô³¼Î¢
- FM/¸»ÂúϵÁÐ
- SF/ÈüÍþоƬ
- XL/оÁúϵÁÐ
- LW/æê΢
³¡Ð§Ó¦¹Ü/MOS/IGBT
¶þ¼«¹Ü
Èý¼«¹Ü
ÍÆ¼ö²úÆ·
ÁªÏµÎÒÃÇ
ÉîÛÚÊÐæê΢µç×ӿƼ¼ÓÐÏÞ¹«Ë¾
µç»°£º0755-23087599
ÊÖ»ú£º13808858392
ÓÊÏ䣺dunianhua@leweitech.com
µØÖ·£ºÉîÛÚÊб¦°²ÇøÎ÷Ïçº×ÖÞºã·á¹¤Òµ³ÇB11¶°5Â¥¶«
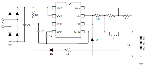
CS8656_LEDºãÁ÷Çý¶¯Ð¾Æ¬ CS8656
ËùÊô·ÖÀࣺ»ªÈ󻪾§
Æ·ÅÆ£º»ª¾§
ÐͺţºCS6856
·â×°£ºSOP8
¹¦ÂÊ£º20W
µçÁ÷£º300mA
ÐͺţºCS6856
·â×°£ºSOP8
¹¦ÂÊ£º20W
µçÁ÷£º300mA
¶©¹ºÈÈÏߣº0755-23087599
CS8656²úÆ·ÃèÊö£º
cs8656ÊÇÒ»¿î´øÓÐÔ´¹¦ÂÊÒòÊýУÕýµÄ¸ß¾«¶È·Ç¸ôÀ뽵ѹÐÍLEDºãÁ÷Çý¶¯Ð¾Æ¬£¬ÊÊÓÃÓÚ85Vac-265VacÈ«·¶Î§ ÊäÈëµçѹ£¬¿ÉÒÔʵÏֺܸߵŦÂÊÒòÊý£¬ºÜµÍµÄ×Üг²¨Ê§ÕæºÍºÜ¸ßµÄϵͳЧÂÊ£¬ÓÉÓÚ¹¤×÷ÔÚµç¸ÐµçÁ÷ÁÙ½çÁ¬ÐøÄ£Ê½£¬¹¦ÂÊMOS¹Ü´¦ÓÚÁãµçÁ÷¿ªÍ¨×´Ì¬£¬¿ª¹ØËðºÄµÃÒÔ¼õС£¬ÄÚ²¿¼¯³É500V¸ßѹ¹¦ÂÊMOSFET£¬Ö»ÐèÒªºÜÉÙµÄÍâΧÆ÷¼þ£¬¼´¿ÉʵÏÖÓÅÒìµÄºãÁ÷ÌØÐÔ£¬ÏµÍ³¶Ôµç¸ÐµçÁ÷½øÐÐÈ«ÖÜÆÚ²ÉÑù£¬¿ÉʵÏָ߾«¶ÈÊä³öºãÁ÷¿ØÖÆ£¬²¢´ïµ½ÓÅÒìµÄÏßµçѹµ÷ÕûÂʺ͸ºÔص÷ÕûÂÊ¡£
cs8656ÊÇÒ»¿î´øÓÐÔ´¹¦ÂÊÒòÊýУÕýµÄ¸ß¾«¶È·Ç¸ôÀ뽵ѹÐÍLEDºãÁ÷Çý¶¯Ð¾Æ¬£¬ÊÊÓÃÓÚ85Vac-265VacÈ«·¶Î§ ÊäÈëµçѹ£¬¿ÉÒÔʵÏֺܸߵŦÂÊÒòÊý£¬ºÜµÍµÄ×Üг²¨Ê§ÕæºÍºÜ¸ßµÄϵͳЧÂÊ£¬ÓÉÓÚ¹¤×÷ÔÚµç¸ÐµçÁ÷ÁÙ½çÁ¬ÐøÄ£Ê½£¬¹¦ÂÊMOS¹Ü´¦ÓÚÁãµçÁ÷¿ªÍ¨×´Ì¬£¬¿ª¹ØËðºÄµÃÒÔ¼õС£¬ÄÚ²¿¼¯³É500V¸ßѹ¹¦ÂÊMOSFET£¬Ö»ÐèÒªºÜÉÙµÄÍâΧÆ÷¼þ£¬¼´¿ÉʵÏÖÓÅÒìµÄºãÁ÷ÌØÐÔ£¬ÏµÍ³¶Ôµç¸ÐµçÁ÷½øÐÐÈ«ÖÜÆÚ²ÉÑù£¬¿ÉʵÏָ߾«¶ÈÊä³öºãÁ÷¿ØÖÆ£¬²¢´ïµ½ÓÅÒìµÄÏßµçѹµ÷ÕûÂʺ͸ºÔص÷ÕûÂÊ¡£
CS8656¼¯³É¶àÖØ±£»¤¹¦ÄÜÀ´¼ÓǿϵͳµÄÎȶ¨ÐԺͿɿ¿ÐÔ£¬°üÀ¨VCCǷѹ±£»¤£¬LED¿ªÂ·/¶Ì·±£»¤£¬µçÁ÷²ÉÑùµçÒõ¿ªÂ·Â·±£»¤£¬ÖðÖÜÆÚÏÞÁ÷ÒÔ¼°ÖÇÄÜζȿØÖƵȡ£
CS8656²úÆ·ÌØµã£º
CS8656²úÆ·ÌØµã£º
µç¸ÐµçÁ÷ÁÙ½çÁ¬ÐøÄ£Ê½
ÄÚ²¿¼¯³É¹¦ÂÊÒòÊýУÕýµç·£¬¸ßPFÖµ£¬µÍTHD
±3%LEDÊä³öµçÁ÷¾«¶È
Á¼ºÃµÄÏßµçѹµ÷ÕûÂʺ͸ºÔص÷ÕûÂÊ
µÍÆô¶¯µçÁ÷
µÍ¹¤×÷µçÁ÷
È«µçѹÊäÈ뷶Χ
Êä³ö¶Ì·/¿ªÂ·±£»¤
²ÉÑùµç×迪·±£»¤
µçÔ´µçѹǷѹ±£»¤
ÄÚÖÃ500V¹¦ÂÊMOSFET
·â×°ÐÎʽ£ºSOP8
µäÐÍÓ¦ÓÃͼ

µäÐÍÓ¦ÓÃͼ

°¢Àï°Í°ÍµêÆÌ
¹Ø×¢æê΢
ÊÕ²Øæê΢










