È«²¿²úÆ··ÖÀà
¼¯³Éµç·IC
- ÓÅÊÆ²úÆ·
- Chipown/оÅó΢
- оÅóµç»úÇý¶¯Ð¾Æ¬
- SLAN/Ê¿À¼Î¢
- CR/Æô³¼Î¢
- FM/¸»ÂúϵÁÐ
- SF/ÈüÍþоƬ
- XL/оÁúϵÁÐ
- LW/æê΢
³¡Ð§Ó¦¹Ü/MOS/IGBT
¶þ¼«¹Ü
Èý¼«¹Ü
ÍÆ¼ö²úÆ·
ÁªÏµÎÒÃÇ
ÉîÛÚÊÐæê΢µç×ӿƼ¼ÓÐÏÞ¹«Ë¾
µç»°£º0755-23087599
ÊÖ»ú£º13808858392
ÓÊÏ䣺dunianhua@leweitech.com
µØÖ·£ºÉîÛÚÊб¦°²ÇøÎ÷Ïçº×ÖÞºã·á¹¤Òµ³ÇB11¶°5Â¥¶«
PN7715 15VÉãÏñÍ·Çý¶¯Ð¾Æ¬
ËùÊô·ÖÀࣺоÅóµç»úÇý¶¯Ð¾Æ¬
Æ·ÅÆ£ºÐ¾Åó΢/°²Ç÷
ÐͺţºPN7715
·â×°£ºSSOP10L
¹¦ÂÊ£º3V¡«20V
µçÁ÷£º1.5AµÄ·åÖµµçÁ÷£¬0.8AµÄƽ¾ùµçÁ÷
ÐͺţºPN7715
·â×°£ºSSOP10L
¹¦ÂÊ£º3V¡«20V
µçÁ÷£º1.5AµÄ·åÖµµçÁ÷£¬0.8AµÄƽ¾ùµçÁ÷
¶©¹ºÈÈÏߣº0755-23087599
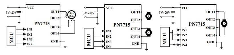
¡¡¡¡PN7715Çý¶¯Ð¾Æ¬¼¯³ÉÁËǷѹ±£»¤¡¢¹ýα£»¤¡¢Êä³ö¶Ì·±£»¤µÈ¹¦ÄÜ¡£¿ÉÇý¶¯Ò»¸öÖ±Á÷²½½øµç»úÒ²¿É·Ö±ðÇý¶¯Á½¸öÖ±Á÷µç»ú£¬ÊÇÒ»¿î¾ßÓг¬µÍ¹¦ºÄ˯ÃßģʽµÄËÄͨµÀÖ±Á÷Âí´ïÇý¶¯Ð¾Æ¬£¬Æä¿ÉÒÔ¿ØÖÆÂí´ï½øÈëÕýת¡¢·´×ª¡¢É²³µºÍ³¬µÍ¹¦ºÄ˯Ãßģʽ¡£¡¡¡¡
¡¡¡¡PN7715ËÄ·ÉãÏñÍ·Çý¶¯Ð¾Æ¬Çý¶¯¼¶ÎªHVCMOS½á¹¹£¬¸ß²àµ¼Í¨µç×è0.6ohm£¬µÍ²àµ¼Í¨µç×è0.4ohm¡£¸ÃоƬµÄËĸöÊäÈë¹Ü½ÅIN1¡¢IN2¡¢IN3ºÍIN4¼æÈÝ5VºÍ3.3VÐźſØÖÆ£¬¾ßÓÐÁ¼ºÃµÄ¿¹¸ÉÈÅÐÔ¡£
¡¡¡¡
¡¡¡¡PN7715 ÉãÏñÍ·Çý¶¯Ð¾Æ¬ÌØÐÔ¡¡¡¡
¡¡¡¡¡ö ¿íµçÔ´µçѹ·¶Î§£º3V¡«20V ¡¡¡¡
¡¡¡¡¡ö µÍµ¼Í¨µç×裨HS£º0.6ohm£»LS£º0.4ohm£© ¡¡¡¡
¡¡¡¡¡ö Õýת¡¢·´×ª¡¢É²³µºÍ˯Ãßģʽ¡¡¡¡
¡¡¡¡¡ö ³¬µÍ˯ÃßµçÁ÷£ºIVCC<100nA£¨IN1~4=“L”£¬ ÇÒ>1ms£©¡¡¡¡
¡¡¡¡¡ö ÊäÈë¹Ü½Å¼æÈÝ5VºÍ3.3V¿ØÖÆÐźš¡¡¡
¡¡¡¡¡ö ÿ¸öHÇÅ¿ÉÌṩ1.5AµÄ·åÖµµçÁ÷£¬0.8AµÄƽ¾ùµçÁ÷¡¡¡¡
¡¡¡¡¡ö Òì³£±£»¤·´À¡¹¦ÄÜ£¬Òì³£±£»¤°üÀ¨£ºµçԴǷѹ±£»¤¡¢ÄÚÖùýα£»¤¡¢ÄÚÖÃÊä³ö¶Ì·±£»¤¡£
¡¡¡¡
¡¡¡¡·â×°/¶©¹ºÐÅÏ¢

¡¡¡¡
¡¡¡¡µäÐÍÓ¦Óõç·ͼ

¡¡¡¡
¡¡¡¡¹¤×÷ÔÀí

¡¡¡¡
¡¡¡¡Ó¦ÓÃÁìÓò¡¡¡¡
¡¡¡¡¡ö ÖÇÄܵç±í¡¡¡¡
¡¡¡¡¡ö ÖÇÄÜÃÅËø¡¡¡¡
¡¡¡¡¡ö ¼Òµç¡¡¡¡
¡¡¡¡¡ö ÉãÏñÍ·¡¡¡¡
¡¡¡¡¡ö Ö±Á÷²½½øµç»ú
¡¡¡¡
¡¡¡¡PN7715ËÄ·ÉãÏñÍ·Çý¶¯Ð¾Æ¬²ÉÓÃSSOP10L·â×°£¬ËÄÊäÈë¶ÀÁ¢¿ØÖÆËÄÊä³ö£¬µÍµ¼Í¨µç×èRdson:1Ω£¬Ã¿¸öHÇÅ¿ÉÌṩ1.5AµÄ·åÖµµçÁ÷£¬Á¬ÐøÇý¶¯0.8A£¬ÔÚÓ¦ÓÃÉÏ»ù±¾ÓëLV8548MCÏàËÆ£¬¿ÉÒÔÖ±½Ó¼æÈÝÌæ»»£¬¸ü¶àPN7715ÉãÏñÍ·Çý¶¯Ð¾Æ¬²úÆ·ÊֲᡢµçÆøÌØÐÔ¡¢²ÎÊý¶¨Òå¡¢ÌØÐÔÇúÏß¡¢ÍâΧ²ÎÊýÑ¡Ôñ²Î¿¼µÈ×ÊÁÏÇëÏòæê΢µç×ÓÉêÇë¡£>>
°¢Àï°Í°ÍµêÆÌ
¹Ø×¢æê΢
ÊÕ²Øæê΢










